Двутавровая балка сортамент размеры: ГОСТы на двутавровые балки: таблицы, размеры, вес
alexxlab | 19.04.1986 | 0 | Разное
Доска объявлений | Балка двутавровая, двутавр. Сортамент, справочник, ГОСТ, размеры, массаБалка двутавровая, двутавр, справочникДействующие стандарты
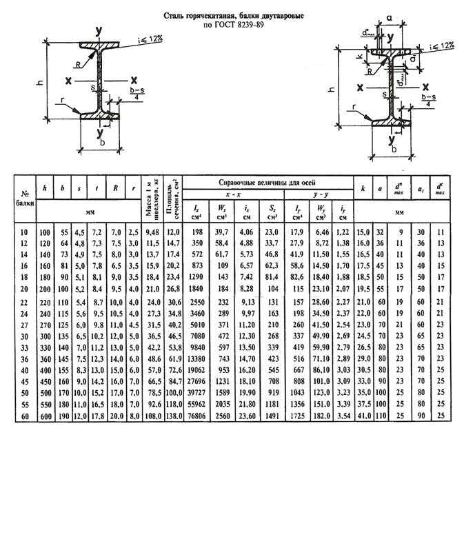
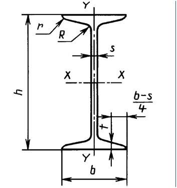
Балки двутавровые (двутавры) по ГОСТ 8239-89 с уклоном внутренних граней полок 6–12 % Рис. Условные обозначения: h – высота двутавра; b – ширина полки; S – толщина стенки; t – средняя толщина полки; R – радиус внутреннего закругления; r – радиус закругления полки. Таблица 6. Размеры, масса и количество метров в тонне двутавров стальных горячекатаных по ГОСТ 8239-89
Примечания: 1. 2. Величины радиусов закругления, уклона внутренних граней полок, толщины полок не контролируются на готовом прокате. 3. Не рекомендуется двутавры от 24 до 60 применять в новых разработках. для балок серии М (для подвесных путей) уклон внутренних граней полок составляет 12%; для балок серии С (для армирования шахтных стволов) уклон внутренних граней полок составляет 16%. Рис. Балка двутавровая (двутавр) по ГОСТ 19425-74 с уклоном нутренних граней полок 12% и 16% Условные обозначения: h – высота двутавра; b – ширина полки; S – толщина стенки; t – средняя толщина полки; R – радиус внутреннего закругления; r – радиус закругления полки Таблица 7.
Примечания: 1. 2. Радиусы закруглений на профилях не определяются и указываются для построения калибра. Балки двутавровые горячекатаные с параллельными гранями полок (по ГОСТ 26020-83) В зависимости от соотношения размеров и условий применения двутавры подразделяют на следующие типы: Б – нормальные двутавры; Ш – широкополочные двутавры; К – колонные двутавры; Д – дополнительной серии; ДБ – нормальные двутавры; ДШ – широкополочные двутавры. Рис. 8. Балка двутавровая по ГОСТ 26020-83 без уклона внутренних граней полок Условные обозначения: h – высота двутавра; b – ширина полки; S – толщина стенки; t – средняя толщина полки; r – радиус внутреннего закругления. Таблица 8. Размеры, масса и количество метров в тонне двутавров стальных горячекатаных по ГОСТ 26020-83
Продолжение таблицы 8.
Продолжение таблицы 8.
Примечания: 1. 2. Радиусы закруглений на профилях не определяются и указываются для построения калибра. Двутавры горячекатаные с параллельными гранями полок (СТО АСЧМ 20-93). Сортамент По соотношению размеров и форме профиля двутавры подразделяют на 3 типа: Б – нормальные с параллельными гранями полок; Ш – широкополочные с параллельными гранями полок; К – колонные с параллельными гранями полок. Рис. 9. Двутавр горячекатаный (балка двутавровая) с параллельными гранями полок Условные обозначения: h – высота двутавра; b – ширина полки; S – толщина стенки; t – средняя толщина полки; r – радиус сопряжения. Таблица 9. Размеры, масса и количество метров в тонне двутавров (балок двутавровых)горячекатаных (СТО АСЧМ 20-93)
Примечания: 2. Радиусы сопряжений на готовом прокате не проверяют. 3. Притупление углов полок – до 3 мм обеспечивают технологией прокатки и на профиле не проверяют. Таблица 10. Размеры, масса и количество метров в тонне нестандартных двутавров (балок двутавровых) по размерной спецификации Р40-2001 (соответствуют JIS G 3192, BS 4, ASTM A6)
Примечания: 2. Индексы А, В и С означают отличие по размерам от СТО АСЧМ 20-93: А – размеры по ASTM A6; В – размеры по BS 4; С – размеры по JIS G 3192. Балка двутавровая (двутавр) сварная. СортаментРис. 10. Сварной двутавр Условные обозначения: h – высота двутавра; b – ширина полки; S – толщина стенки; t – толщина полки. Таблица 11. Размеры, масса и количество метров в тонне сварных двутавровых балок (двутавров) по ТУ У 01412851.001-95 производства Днепропетровского завода металлоконструкций им. Бабушкина
Примечание: Если Вы хотите купить балку двутавровую (двутавр) в Киеве по самым низким ценам, тогда обращайтесь к нам. Наши контакты:Отдел металлопроката: 02099, г. Киев, ул. Оросительная, 2 тел.: (044) 232-52-00 (многоканальный) | |||||
Балка двутавровая
Главная / Балка (Двутавр)
Балки двутавровые обыкновенные имеют уклон внутренних граней полок и обозначаются номером, соответствующим их высоте в сантиметрах. В сортамент входят профили от № 10 до № 60. Стенки у крупных двутавров имеют минимальную толщину по условиям устойчивости. Соотношение толщины стенки и высоты двутавра достигает 1/55. Чем тоньше стенка, тем выгоднее сечение балки при работе ее на изгиб. Однако по условиям технологии прокатки у большинства двутавров стенки получаются значительно толще, чем это требуется по условию их устойчивости. Благодаря сосредоточению материала в полках двутавры имеют большую жесткость относительно горизонтальной оси, но небольшая ширина полок делает их малоустойчивыми относительно вертикальной оси.
Балки двутавровые с параллельными гранями полок прокатывают трех основных типов: нормальные двутавры (Б), широкополочные двутавры (Ш), колонные двутавры (К). Отношение ширины полок к высоте балочных профилей (Б) и (Ш) лежит в пределах от 1:1,65 (при малых высотах) до 1:1,25 (при больших высотах). Колонные профили (К) имеют отношение ширины полок к высоте, близкое 1:1, что придает им устойчивость относительно вертикальной оси.
1. Сортамент и масса 1 м проката
2. Предельные отклонения размеров и массы
Сортамент на стальные двутавры с уклоном внутренних граней полок регламентируется ГОСТ 8239–89. Данный стандарт устанавливает сортамент горячекатаных стальных двутавров с уклоном внутренних граней полок. Уклон внутренних граней полок должен быть 6–12 %.
Рис. 1. Балка по ГОСТ 8239-89 с уклоном внутренних граней полок 6-12 %
Условные обозначения: h — высота двутавра; b — ширина полки; S — толщина стенки; t — средняя толщина полки; R — радиус внутреннего закругления; r — радиус закругления полки.
По точности прокатки двутавры подразделяют на:
Таблица 1. Размеры, масса и количество метров в тонне двутавров стальных горячекатаных по ГОСТ 8239–89
№ балки | Размеры, мм | Масса 1 м балки, кг | Количество метров в 1 тонне, м | |||
h | b | S | t | |||
10 | 100 | 55 | 4,5 | 7,2 | 9,456 | 105,7 |
12 | 120 | 64 | 4,8 | 7,3 | 11,54 | 86,62 |
14 | 140 | 73 | 4,9 | 7,5 | 13,68 | 73,09 |
16 | 160 | 81 | 5 | 7,8 | 15,89 | 62,94 |
18 | 180 | 90 | 5,1 | 8,1 | 18,35 | 54,50 |
18а | 180 | 100 | 5,1 | 8,3 | 19,92 | 50,20 |
20 | 200 | 100 | 5,2 | 8,4 | 21,04 | 47,53 |
20а* | 200 | 110 | 5,2 | 8,6 | 22,69 | 44,08 |
22 | 220 | 110 | 5,4 | 8,7 | 24,04 | 41,60 |
22а* | 220 | 120 | 5,4 | 8,9 | 25,76 | 38,82 |
24 | 240 | 115 | 5,6 | 9,5 | 27,34 | 36,57 |
24а* | 240 | 125 | 5,6 | 9,8 | 29,40 | 34,02 |
27 | 270 | 125 | 6 | 9,8 | 31,53 | 31,71 |
27а* | 270 | 135 | 6 | 10,2 | 33,88 | 29,51 |
30 | 300 | 135 | 6,5 | 10,2 | 36,48 | 27,41 |
30а* | 300 | 145 | 6,5 | 10,7 | 39,17 | 25,53 |
33 | 330 | 140 | 7 | 11,2 | 42,25 | 23,67 |
36 | 360 | 145 | 7,5 | 12,3 | 48,55 | 20,60 |
40 | 400 | 155 | 8,3 | 13 | 56,96 | 17,56 |
45 | 450 | 160 | 9 | 14,2 | 66,50 | 15,04 |
50 | 500 | 170 | 10 | 15,2 | 78,64 | 12,72 |
55 | 550 | 180 | 11 | 16,5 | 92,66 | 10,79 |
60 | 600 | 190 | 12 | 17,8 | 108,0 | 9,263 |
Примечание.
Масса 1 м двутавра вычислена по номинальным размерам при плотности материала 7850 кг/м3 и является справочной величиной. Величины радиусов закругления, уклона внутренних граней полок, толщины полок не контролируются на готовом прокате. Не рекомендуется двутавры от 24 до 60 применять в новых разработках.
Профили изготавливают длиной от 4 до 12 м. По длине профили подразделяют на:
вернуться к содержанию
Рис. 2. Отклонения размеров поперечного сечения
Условные обозначения: b1 — ширина укороченного фланца; b2 — ширина удлиненного фланца; ∆ — перекос полки; f — прогиб стенки.
Таблица 2. Предельные отклонения размеров, мм
Параметр двутавра, показатель качества | Размер, мм | Точность прокатки | |
повышенной | обычной | ||
Высота, h | До 140 включ. | ±2,0 | ±2,0 |
От 140 до 180 включ. | ±2,5 | ||
От 180 до 300 включ. | ±3,0 | ±3,0 | |
От 300 до 360 включ. | ±3,5 | ||
От 360 до 600 включ. | ±4,0 | ±4,0 | |
Ширина полки, b | До 73 включ. | ±2,0 | ±2,0 |
От 73 до 90 включ. | ±2,5 | ||
От 90 до 135 включ. | ±3,0 | ||
От 135 до 155 включ. | ±3,0 | ±3,5 | |
От 155 | ±4,0 | ||
Толщина полки, t* | До 7,5 включ. | –0,4 | –0,7 |
От 7,5 до 8,9 включ. | –0,5 | –0,7 | |
От 8,9 до 10,7 включ. | –0,6 | –0,8 | |
От 10,7 до 12,3 включ. | –0,7 | –1,0 | |
От 12,3 до 14,2 включ. | –0,8 | ||
От 14,2 до 15,2 включ. | –0,9 | ||
От 15,2 | –1,0 | –1,2 | |
Перекос полки, ∆, при ширине b | От 55 до 190 включ. | Не более 0,0125 b | Не более 0,02 b |
Отклонение отсимметричности δ,δ=(b1-b2)/2при ширине b | До 73 включ. | 2,0 | 2,0 |
От 73 до 90 включ. | 2,5 | ||
От 90 до 135 включ. | 3,0 | ||
От 135 до 145 включ. | 3,0 | 3,5 | |
От 145 | 4,0 | ||
Длина | До 8 м включ. | +40 | +40 |
От 8 м | К допуску +40 прибавлять по 5 мм на каждый метр длины св. 8 м | +80 | |
* Плюсовые отклонения ограничиваются предельными отклонениями по массе.
Размеры и геометрическую форму контролируют на расстоянии не менее 500 мм от торца двутавра.
Прогиб стенки, f, не должен превышать 0,15·S.
Кривизна двутавра не должна превышать 0,2 % длины.
Стандартом регламентируются предельные отклонения по массе 1 м двутавра. Они не должны превышать +3/-5 %.
вернуться к содержанию
1. Сортамент и масса 1 м проката
2. Предельные отклонения размеров и массы
3. Предельные отклонения по длине
Сортамент на балки двутавровые специальные регламентируется ГОСТ 19425–74.
Данный стандарт распространяется на горячекатаные двутавровые балки для подвесных путей (М), армирования шахтных стволов (С) и швеллеры для автомобильной промышленности:
Рис. 1. Балка по ГОСТ 19425–74 с уклоном внутренних граней полок 12 % и 16 %
Условные обозначения: h — высота двутавра; b — ширина полки; S — толщина стенки; t — средняя толщина полки; R — радиус внутреннего закругления; r — радиус закругления полки.
Радиусы закруглений на профилях не определяются и указываются для построения калибра.
По точности прокатки профили подразделяют на:
Таблица 1. Размеры, масса и количество метров в тонне двутавров стальных горячекатаных по ГОСТ 19425–74
№ балки | Размеры, мм | Масса 1 м балки, кг | Количество метров в 1 тонне, м | |||
h | b | S | t | |||
14С | 140 | 80 | 5,5 | 9,1 | 16,9 | 59,17 |
20С | 200 | 100 | 7 | 11,4 | 27,9 | 35,84 |
20Са | 200 | 102 | 9 | 11,4 | 31,1 | 32,15 |
22С | 220 | 110 | 7,5 | 12,3 | 33,1 | 30,21 |
27С | 270 | 122 | 8,5 | 13,7 | 42,8 | 23,36 |
27Са | 270 | 124 | 10,5 | 13,7 | 47,0 | 21,28 |
36С | 360 | 140 | 14 | 15,8 | 71,3 | 14,03 |
18М | 180 | 90 | 7 | 12 | 25,8 | 38,76 |
24М | 240 | 110 | 8,2 | 14 | 38,3 | 26,11 |
30М | 300 | 130 | 9 | 15 | 50,2 | 19,92 |
36М | 360 | 130 | 9,5 | 16 | 57,9 | 17,27 |
45М | 450 | 150 | 10,5 | 18 | 77,6 | 12,89 |
Примечание.
Масса 1 м двутавра вычислена по номинальным размерам при плотности материала 7850 кг/м3 и является справочной величиной. Радиусы закруглений на профилях не определяются и указываются для по-строения калибра.
Балки выпускаются длиной от 4 до 13 м. По длине балки подразделяются на:
мерной длины;
кратной мерной длины;
мерной длины с остатком до 5 % от массы партии;
кратной мерной длины с остатком до 5 % от массы партии;
немерной длины.
Остатком считаются профили длиной не менее 3 м.
вернуться к содержанию
Таблица 2. Предельные отклонения размеров профилей, мм
Номер профиля | По высоте профиля | По ширине полки | По толщине полки | ||
Точность прокатки | |||||
обычная | высокая | обычная | высокая | ||
14 | — | ±2,0 | ±2,0 | +1,0/-0,2 | –0,06•t |
18 | ±2,5 | — | ±2,5 | — | а) |
От 18 до 30 | — | ±3,0 | — | ±3,0 | а) |
36 | ±3,5 | — | ±3,5 | — | |
45 | ±4,0 | — | ±4,0 | — | |
а) — Плюсовые отклонения ограничиваются предельными отклонениями по массе
Стандартом регламентируются предельные отклонения по массе 1 м профиля.
Они не должны превышать плюс +3/-5 %. Предельные отклонения проверяются предприятием-изготовителем взвешиванием партии массой 20–60 т от каждых 400–500 т проката или кусков профиля длиной не менее 300 мм, отбираемых при прокатке не реже, чем через каждые 100 прокатанных штанг.
вернуться к содержанию
Предельные отклонения по длине профилей мерной и кратной мерной длины не должны превышать:
для обычной точности прокатки:
для высокой точности прокатки:
вернуться к содержанию
Рис. 1. Сварной двутавр
Условные обозначения: h — высота двутавра; b — ширина полки; S — толщина стенки; t — толщина полки.
Таблица 1. Размеры, масса и количество метров в тонне сварных двутавров по ТУ У 01412851.001–95производства Днепропетровского завода металлоконструкций им. Бабушкина
Обозначение балки | Размеры, мм | Теоретическая масса 1 м, кг | Количество метров в тонне | |||
h | b | S | t | |||
45БС1 | 444 | 200 | 8 | 12 | 64,06 | 15,6 |
45БС2 | 460 | 300 | 12 | 20 | 133,8 | 7,48 |
45БС3 | 448 | 180 | 8 | 14 | 65,94 | 15,2 |
50БС1 | 482 | 200 | 10 | 16 | 85,57 | 11,7 |
50БС2 | 482 | 300 | 12 | 16 | 117,8 | 8,49 |
50БС3 | 500 | 300 | 12 | 25 | 160,1 | 6,24 |
50БС4 | 510 | 300 | 14 | 30 | 190,8 | 5,24 |
55БС1 | 551 | 220 | 10 | 18 | 102,6 | 9,75 |
55БС2 | 547 | 200 | 10 | 16 | 90,67 | 11,0 |
60БС1 | 577 | 240 | 12 | 16 | 111,6 | 8,96 |
60БС2 | 585 | 240 | 12 | 20 | 126,7 | 7,89 |
60БС3 | 585 | 320 | 12 | 20 | 151,8 | 6,59 |
60БС4 | 595 | 320 | 14 | 25 | 185,5 | 5,39 |
60БС5 | 605 | 320 | 16 | 30 | 219,2 | 4,56 |
60БС6 | 597 | 190 | 12 | 16 | 101,0 | 9,91 |
70БС1 | 685 | 260 | 12 | 20 | 142,4 | 7,02 |
70БС2 | 685 | 320 | 14 | 20 | 171,4 | 5,84 |
70БС3 | 695 | 320 | 14 | 25 | 196,5 | 5,09 |
70БС4 | 705 | 320 | 16 | 30 | 231,7 | 4,32 |
70БС5 | 725 | 320 | 20 | 40 | 302,2 | 3,31 |
70БС6 | 692 | 230 | 12 | 16 | 119,9 | 8,34 |
80БС1 | 791 | 280 | 14 | 18 | 162,1 | 6,17 |
80БС2 | 815 | 300 | 18 | 30 | 248,0 | 4,03 |
90БС1 | 895 | 300 | 16 | 20 | 201,6 | 4,96 |
90БС2 | 927 | 300 | 16 | 36 | 276,9 | 3,61 |
100БС1 | 995 | 320 | 16 | 25 | 244,3 | 4,09 |
100БС2 | 1005 | 320 | 16 | 30 | 269,4 | 3,71 |
100БС3 | 1017 | 320 | 20 | 36 | 329,2 | 3,04 |
120БС1 | 1280 | 400 | 12 | 20 | 242,4 | 4,13 |
120БС2 | 1280 | 450 | 14 | 20 | 277,6 | 3,60 |
140БС1 | 1440 | 400 | 12 | 20 | 257,5 | 3,88 |
140БС2 | 1440 | 450 | 12 | 20 | 273,2 | 3,66 |
140БС3 | 1450 | 500 | 14 | 25 | 350,1 | 2,86 |
160БС1 | 1640 | 450 | 12 | 20 | 292,0 | 3,42 |
160БС2 | 1640 | 500 | 12 | 20 | 307,7 | 3,25 |
160БС3 | 1650 | 500 | 14 | 25 | 372,1 | 2,69 |
160БС4 | 1650 | 560 | 14 | 25 | 395,6 | 2,53 |
180БС1 | 1800 | 560 | 12 | 25 | 384,7 | 2,60 |
180БС2 | 1800 | 500 | 14 | 25 | 388,6 | 2,57 |
180БС3 | 1810 | 500 | 14 | 30 | 427,8 | 2,34 |
180БС4 | 1810 | 600 | 16 | 30 | 502,4 | 1,99 |
200БС1 | 2000 | 560 | 12 | 25 | 403,5 | 2,48 |
200БС2 | 2010 | 500 | 16 | 30 | 480,4 | 2,08 |
200БС3 | 2010 | 600 | 16 | 30 | 527,5 | 1,90 |
Примечание.
Масса 1 м сварного двутавра вычислена по номинальным размерам при плотности материала 7850 кг/м3 и является справочной величиной.
вернуться наверх
1. Сортамент и масса 1 м проката
2. Предельные отклонения размеров и массы
3. Предельные отклонения по длине
Сортамент на двутавровые балки с параллельными гранями полок определяется по ГОСТ 26020–83. Данный стандарт распространяется на стальные горячекатаные двутавры с параллельными гранями полок высотой от 100 до 1000 мм и шириной полок от 55 до 400 мм.
В зависимости от соотношения размеров и условий применения двутавры подразделяют на следующие типы:
Б — нормальные двутавры;
Ш — широкополочные двутавры;
К — колонные двутавры.
Рис. 1. Балка по ГОСТ 26020-83 без уклона внутренних граней полок
Условные обозначения: h — высота двутавра; b — ширина полки; S — толщина стенки; t — средняя толщина полки; r — радиус внутреннего закругления.
Таблица 1. Размеры, масса и количество метров в тонне двутавров стальных горячекатаных по ГОСТ 26020–83
№ балки | Размеры, мм | Масса 1 мбалки, кг | Количество метровв 1 тонне, м | |||
h | b | S | t | |||
Нормальные двутавры | ||||||
10Б1 | 100 | 55 | 4,1 | 5,7 | 8,104 | 123,4 |
12Б1 | 117,6 | 64 | 3,8 | 5,1 | 8,658 | 115,5 |
12Б2 | 120 | 64 | 4,4 | 6,3 | 10,37 | 96,43 |
14Б1 | 137,4 | 73 | 3,8 | 5,6 | 10,51 | 95,12 |
14Б2 | 140 | 73 | 4,7 | 6,9 | 12,89 | 77,55 |
16Б1 | 157 | 82 | 4 | 5,9 | 12,7 | 78,74 |
16Б2 | 160 | 82 | 5 | 7,4 | 15,77 | 63,4 |
18Б1 | 177 | 91 | 4,3 | 6,5 | 15,37 | 65,07 |
18Б2 | 180 | 91 | 5,3 | 8 | 18,8 | 53,2 |
20Б1 | 200 | 100 | 5,6 | 8,5 | 22,36 | 44,72 |
23Б1 | 230 | 110 | 5,6 | 9 | 25,83 | 38,71 |
26Б1 | 258 | 120 | 5,8 | 8,5 | 27,96 | 35,77 |
26Б2 | 261 | 120 | 6 | 10 | 31,16 | 32,09 |
30Б1 | 296 | 140 | 5,8 | 8,5 | 32,9 | 30,39 |
30Б2 | 299 | 140 | 6 | 10 | 36,64 | 27,29 |
35Б1 | 346 | 155 | 6,2 | 8,5 | 38,88 | 25,72 |
35Б2 | 349 | 155 | 6,5 | 10 | 43,31 | 23,09 |
40Б1 | 392 | 165 | 7 | 9,5 | 48,08 | 20,8 |
40Б2 | 396 | 165 | 7,5 | 11,5 | 54,72 | 18,27 |
45Б1 | 443 | 180 | 7,8 | 11 | 59,84 | 16,71 |
45Б2 | 447 | 180 | 8,4 | 13 | 67,47 | 14,82 |
50Б1 | 492 | 200 | 8,8 | 12 | 72,98 | 13,7 |
50Б2 | 496 | 200 | 9,2 | 14 | 80,73 | 12,39 |
55Б1 | 543 | 220 | 9,5 | 13,5 | 88,99 | 11,24 |
55Б2 | 547 | 220 | 10 | 15,5 | 97,92 | 10,21 |
60Б1 | 593 | 230 | 10,5 | 15,5 | 106,2 | 9,418 |
60Б2 | 597 | 230 | 11 | 17,5 | 115,6 | 8,65 |
70Б1 | 691 | 260 | 12 | 15,5 | 129,3 | 7,732 |
70Б2 | 697 | 260 | 12,5 | 18,5 | 144,2 | 6,937 |
80Б1 | 791 | 280 | 13,5 | 17 | 159,5 | 6,269 |
80Б2 | 798 | 280 | 14 | 20,5 | 177,9 | 5,622 |
90Б1 | 893 | 300 | 15 | 18,5 | 194 | 5,155 |
90Б2 | 900 | 300 | 15,5 | 22 | 213,8 | 4,676 |
100Б1 | 990 | 320 | 16 | 21 | 230,6 | 4,336 |
100Б2 | 998 | 320 | 17 | 25 | 258,2 | 3,873 |
100Б3 | 1006 | 320 | 18 | 29 | 285,7 | 3,5 |
100Б4 | 1013 | 320 | 19,5 | 32,5 | 314,5 | 3,18 |
Широкополочные двутавры | ||||||
20Ш1 | 193 | 150 | 6 | 9 | 30,58 | 32,71 |
23Ш1 | 226 | 155 | 6,5 | 10 | 36,17 | 27,65 |
26Ш1 | 251 | 180 | 7 | 10 | 42,68 | 23,43 |
26Ш2 | 255 | 180 | 7,5 | 12 | 49,24 | 20,31 |
30Ш1 | 291 | 200 | 8 | 11 | 53,62 | 18,65 |
30Ш2 | 295 | 200 | 8,5 | 13 | 60,95 | 16,41 |
30Ш3 | 299 | 200 | 9 | 15 | 68,29 | 14,64 |
35Ш1 | 338 | 250 | 9,5 | 12,5 | 75,1 | 13,32 |
35Ш2 | 341 | 250 | 10 | 14 | 82,22 | 12,16 |
35Ш3 | 345 | 250 | 10,5 | 16 | 91,29 | 10,95 |
40Ш1 | 388 | 300 | 9,5 | 14 | 96,05 | 10,41 |
40Ш2 | 392 | 300 | 11,5 | 16 | 111,1 | 8,999 |
40Ш3 | 396 | 300 | 12,5 | 18 | 123,4 | 8,106 |
50Ш1 | 484 | 300 | 11 | 15 | 114,4 | 8,741 |
50Ш2 | 489 | 300 | 14,5 | 17,5 | 138,7 | 7,212 |
50Ш3 | 495 | 300 | 15,5 | 20,5 | 156,4 | 6,396 |
50Ш4 | 501 | 300 | 16,5 | 23,5 | 174 | 5,746 |
60Ш1 | 580 | 320 | 12 | 17 | 142,1 | 7,036 |
60Ш2 | 587 | 320 | 16 | 20,5 | 176,9 | 5,654 |
60Ш3 | 595 | 320 | 18 | 24,5 | 205,5 | 4,866 |
60Ш4 | 603 | 320 | 20 | 28,5 | 234,2 | 4,27 |
70Ш1 | 683 | 320 | 13,5 | 19 | 169,9 | 5,887 |
70Ш2 | 691 | 320 | 15 | 23 | 197,6 | 5,062 |
70ШЗ | 700 | 320 | 18 | 27,5 | 235,4 | 4,249 |
70Ш4 | 708 | 320 | 20,5 | 31,5 | 268,1 | 3,73 |
70Ш5 | 718 | 320 | 23 | 36,5 | 305,9 | 3,269 |
Колонные двутавры | ||||||
20K1 | 195 | 200 | 6,5 | 10 | 41,47 | 24,11 |
20K2 | 198 | 200 | 7 | 11,5 | 46,87 | 21,34 |
23K1 | 227 | 240 | 7 | 10,5 | 52,2 | 19,16 |
23K2 | 230 | 240 | 8 | 12 | 59,47 | 16,81 |
26K1 | 255 | 260 | 8 | 12 | 65,22 | 15,33 |
26K2 | 258 | 260 | 9 | 13,5 | 73,15 | 13,67 |
26K3 | 262 | 260 | 10 | 15,5 | 83,13 | 12,03 |
30K1 | 296 | 300 | 9 | 13,5 | 84,77 | 11,8 |
30K2 | 300 | 300 | 10 | 15,5 | 96,3 | 10,38 |
30К3 | 304 | 300 | 11,5 | 17,5 | 108,9 | 9,183 |
35К1 | 343 | 350 | 10 | 15 | 109,7 | 9,117 |
35К2 | 348 | 350 | 11 | 17,5 | 125,9 | 7,944 |
35K3 | 353 | 350 | 13 | 20 | 144,5 | 6,919 |
40К1 | 393 | 400 | 11 | 16,5 | 138 | 7,248 |
40К2 | 400 | 400 | 13 | 20 | 165,6 | 6,039 |
40K3 | 409 | 400 | 16 | 24,5 | 202,3 | 4,942 |
40К4 | 419 | 400 | 19 | 29,5 | 242,2 | 4,129 |
40К5 | 431 | 400 | 23 | 35,5 | 291,2 | 3,434 |
Двутавры дополнительной серии (Д) | ||||||
24ДБ1 | 239 | 115 | 5,5 | 9,3 | 27,82 | 35,94 |
27ДБ1 | 269 | 125 | 6 | 9,5 | 31,93 | 31,31 |
36ДБ1 | 360 | 145 | 7,2 | 12,3 | 49,14 | 20,35 |
35ДБ1 | 349 | 127 | 5,8 | 8,5 | 33,58 | 29,78 |
40ДБ1 | 399 | 139 | 6,2 | 9 | 39,7 | 25,19 |
45ДБ1 | 450 | 152 | 7,4 | 11 | 52,63 | 19 |
45ДБ2 | 450 | 180 | 7,6 | 13,3 | 65,03 | 15,38 |
30ДШ1 | 300,6 | 201,9 | 9,4 | 16 | 72,72 | 13,75 |
40ДШ1 | 397,6 | 302 | 11,5 | 18,7 | 124,4 | 8,036 |
50ДШ1 | 496,2 | 303,8 | 14,2 | 21 | 155,3 | 6,437 |
Примечание.
Масса 1 м двутавра вычислена по номинальным размерам при плотности материала 7850 кг/м3 и является справочной величиной. Радиусы закруглений на профилях не определяются и указываются для построения калибра.
Двутавры изготавливают длиной от 6 до 24 м. В зависимости от длины двутавры подразделяют на:
мерной длины;
мерной длины с отрезком;
кратной мерной длины;
кратной мерной длины с отрезком;
немерной длины.
В качестве длины двутавра принимается максимальная длина условно вырезанного двутавра с торцами, перпендикулярными продольной оси.
Стандартом допускается изготовление двутавров ограниченной длины в пределах немерной.
Отрезком считаются двутавры длиной не менее:
Для двутавров мерной длины с отрезком и кратной мерной длины с отрезком допускаются отрезки в объеме:
до 5 % от массы партии — для двутавров с линейной плотностью до 20 кг/м;
до 8 % от массы партии — для двутавров с линейной плотностью свыше 20 до 50 кг/м;
до 12 % от массы партии — для двутавров с линейной плотностью свыше 50 до 150 кг/м;
до 20 % от массы партии — для двутавров с линейной плотностью свыше 150 кг/м.

вернуться к содержанию
Рис. 2. Отклонения размеров поперечного сечения
Условные обозначения: b — ширина полки; b1 — ширина укороченного фланца; b2 — ширина удлиненного фланца; ∆ — перекос полки; f — кривизна стенки по высоте сечения.
Таблица 2. Предельные отклонения по размерам и геометрической форме двутавров
Параметр двутавра | Интервал значений параметров, мм | Предельные отклонения, мм |
Высота, h | h≤120 | ±2,0 |
120<h<380 | ±3,0 | |
380≤h<580 | ±4,0 | |
h≥580 | ±5,0 | |
Ширина полки, b | h≤120 | ±2,0 |
h>120 | ±3,0 | |
Толщина стенки, S | S≤4,4 | ±0,5 |
4,4<S≤6,5 | ±0,7 | |
6,5<S<16,0 | ±l,0 | |
16,0≤S<23,0 | ±1,5 | |
23,0≤S | ±2,0 | |
Толщина полки, t | t≤6,3 | ±1,0 |
6,3<t<16,0 | ±1,5 | |
16,0≤t<25,0 | ±2,0 | |
25,0≤t<40,0 | ±2,5 | |
Перекос полки, ∆ | h≤120 | 1 |
120<h≤290 | 0,015•b≤3,0 | |
h>290 | 0,015•b≤4,0 | |
Смещение полки, относительно стенки, δ, | h≤120 | 1,5 |
120<h<190 | 2,5 | |
190≤h≤290 | 3 | |
h>290 b<220 | 3 | |
b≥220 | 4,5 | |
Кривизна стенки по высоте сечения, f | h≤120 | 1 |
120<h<380 | 1,5 | |
Кривизна стенки по высоте сечения, f | 380≤h≤680 | 2 |
h>680 | 3 |
Проверка размеров проводится на расстоянии не менее 500 мм от торца профиля.
Отклонения линейной плотности двутавров от теоретической не должны превышать ±4,0 %.
вернуться к содержанию
Таблица 3. Предельные отклонения по длине профилей мерной и кратной мерной длины
Длина профиля, мм | Интервал значений параметров | Предельные отклонения, мм |
До 12 м включ. | h<790 | +60/-0 |
До 12 м включ. | h≥790 | +80/-0 |
От 12 м | — | +100/-0 |
Косина реза не должна приводить к превышению предельных отклонений по длине двутавров.
Поверхность притупления углов полки должна быть выпуклой без уступов. Радиус притупления не должен превышать 0,2·t, но не более 3 мм.
вернуться к содержанию
Балка двутавровая (двутавр)
Двутавры стальные горячекатаные ГОСТ 8239-89.
СортаментОбласть применения
Стандарт устанавливает сортамент горячекатаных стальных двутавров с уклоном внутренних граней полок
Классификация
Горячекатаные стальные двутавры с уклоном внутренних граней полок по точности прокатки изготовляют:
- Б – повышенной точности;
- В – обычной точности.
Номинальные размеры и масса
| Номер двутавра | Размеры, мм | Масса 1 м, кг | ||
| h | b | s | ||
| 10 | 100 | 55 | 4,5 | 9,46 |
| 12 | 120 | 64 | 4,8 | 11,50 |
| 14 | 140 | 73 | 4,9 | 13,70 |
| 16 | 160 | 81 | 5,0 | 15,90 |
| 18 | 180 | 90 | 5,1 | 18,40 |
| 20 | 200 | 100 | 5,2 | 21,00 |
| 22 | 220 | 110 | 5,4 | 24,00 |
| 24 | 240 | 115 | 5,6 | 27,30 |
| 27 | 270 | 125 | 6,0 | 31,50 |
| 30 | 300 | 135 | 6,5 | 36,50 |
| 33 | 330 | 140 | 7,0 | 42,20 |
| 36 | 360 | 145 | 7,5 | 48,60 |
| 40 | 400 | 155 | 8,3 | 57,00 |
| 45 | 450 | 160 | 9,0 | 66,50 |
| 50 | 500 | 170 | 10,0 | 78,50 |
| 55 | 550 | 180 | 11,0 | 92,60 |
| 60 | 600 | 190 | 12,0 | 108,00 |
Отклонения по массе 1 м двутавра не должны превышать плюс 3%, минус 5%.
Профили изготавливают длиной от 4 до 12
м:
- мерной длины;
- кратной мерной длины;
- немерной длины.
Кривизна двутавра не должна превышать 0,2% длины.
Двутавры стальные горячекатаные с параллельными гранями полок ГОСТ 26020-83. Сортамент
Область применения
Стандарт распространяется на стальные горячекатаные двутавры с параллельными гранями полок высотой от 100 до 1000 мм и шириной полок от 55 до 400 мм.
Классификация
По соотношению размеров условиям применения двутавры подразделяют на типы:
- Б – нормальные двутавры;
- Ш – широкополочные двутавры;
- К – колонные двутавры.
Номинальные размеры и масса
| Номерпрофиля | Размеры, мм | Масса 1 м, кг | ||||
| h | b | s | t | |||
| Нормальные двутавры | 10Б1 | 100 | 55 | 4,1 | 5,7 | 8,1 |
| 12Б1 | 117,6 | 64 | 3,8 | 5,1 | 8,7 | |
| 12Б2 | 120 | 64 | 4,4 | 6,3 | 10,4 | |
| 14Б1 | 137,4 | 73 | 3,8 | 5,6 | 10,5 | |
| 14Б2 | 140 | 73 | 4,7 | 6,9 | 12,9 | |
| 16Б1 | 157 | 82 | 4,0 | 5,9 | 12,7 | |
| 16Б2 | 160 | 82 | 5,0 | 7,4 | 15,8 | |
| 18Б1 | 177 | 91 | 4,3 | 6,5 | 15,4 | |
| 18Б2 | 180 | 91 | 5,3 | 8,0 | 18,8 | |
| 20Б1 | 200 | 100 | 5,6 | 8,5 | 22,4 | |
| 23Б1 | 230 | 110 | 5,6 | 9,0 | 25,8 | |
| 26Б1 | 258 | 120 | 5,8 | 8,5 | 28 | |
| 26Б2 | 261 | 120 | 6,0 | 10,0 | 31,2 | |
| 30Б1 | 295 | 140 | 5,8 | 8,5 | 32,9 | |
| 30Б2 | 299 | 140 | 6,0 | 10,0 | 36,6 | |
| 35Б1 | 346 | 155 | 6,2 | 8,5 | 38,9 | |
| 35Б2 | 349 | 155 | 6,5 | 10,0 | 43,3 | |
| 40Б1 | 392 | 165 | 7,0 | 9,5 | 48,1 | |
| 40Б2 | 396 | 165 | 7,5 | 11,5 | 54,7 | |
| 45Б1 | 443 | 180 | 7,8 | 11,0 | 59,8 | |
| 45Б2 | 447 | 180 | 8,4 | 13,0 | 67,5 | |
| 50Б1 | 492 | 200 | 8,8 | 12,0 | 73 | |
| 50Б2 | 496 | 200 | 9,2 | 14,0 | 80,7 | |
| 55Б1 | 543 | 220 | 9,5 | 13,5 | 89 | |
| 55Б2 | 547 | 220 | 10,0 | 15,5 | 97,9 | |
| 60Б1 | 593 | 230 | 10,5 | 15,5 | 106,2 | |
| 60Б2 | 597 | 230 | 11,0 | 17,5 | 115,6 | |
| 70Б1 | 691 | 260 | 12,0 | 15,5 | 129,3 | |
| 70Б2 | 697 | 260 | 12,5 | 18,5 | 144,2 | |
| Нормальные двутавры | 80Б1 | 791 | 280 | 13,5 | 17,0 | 159,5 |
| 80Б2 | 798 | 230 | 14,0 | 20,5 | 177,9 | |
| 90Б1 | 893 | 300 | 15,0 | 18,5 | 194 | |
| 90Б2 | 900 | 300 | 15,5 | 22,0 | 213,8 | |
| 100Б1 | 990 | 320 | 16,0 | 21,0 | 230,6 | |
| 100Б2 | 998 | 320 | 17,0 | 25,0 | 258,2 | |
| 100Б3 | 1006 | 320 | 18,0 | 29,0 | 285,7 | |
| 100Б4 | 1013 | 320 | 19,5 | 32,5 | 314,5 | |
| Широкополочные двутавры | 20Ш1 | 193 | 150 | 6,0 | 9,0 | 30,6 |
| 23Ш1 | 226 | 155 | 6,5 | 10,0 | 36,2 | |
| 26Ш1 | 251 | 180 | 7,0 | 10,0 | 42,7 | |
| 26Ш2 | 255 | 180 | 7,5 | 12,0 | 49,2 | |
| 30Ш1 | 291 | 200 | 8,0 | 11,0 | 53,6 | |
| 30Ш2 | 295 | 200 | 8,5 | 13,0 | 61 | |
| 30Ш3 | 299 | 200 | 9,0 | 15,0 | 68,3 | |
| 35Ш1 | 338 | 250 | 9,5 | 12,5 | 75,1 | |
| 35Ш2 | 341 | 250 | 10,0 | 14,0 | 82,2 | |
| 35Ш3 | 345 | 250 | 10,5 | 16,0 | 91,3 | |
| 40Ш1 | 388 | 300 | 9,5 | 14,0 | 96,1 | |
| 40Ш2 | 392 | 300 | 11,5 | 16,0 | 111,1 | |
| 40Ш3 | 396 | 300 | 12,5 | 18,0 | 123,4 | |
| 50Ш1 | 484 | 300 | 11,0 | 15,0 | 114,4 | |
| 50Ш2 | 489 | 300 | 14,5 | 17,5 | 138,7 | |
| 50Ш3 | 495 | 300 | 15,5 | 20,5 | 156,4 | |
| 50Ш4 | 501 | 300 | 16,5 | 23,5 | 174,1 | |
| 60Ш1 | 580 | 320 | 12,0 | 17,0 | 142,1 | |
| 60Ш2 | 587 | 320 | 16,0 | 20,5 | 176,9 | |
| 60Ш3 | 595 | 320 | 18,0 | 24,5 | 205,5 | |
| 60Ш4 | 603 | 320 | 20,0 | 28,5 | 234,2 | |
| 70Ш1 | 683 | 320 | 13,5 | 19,0 | 169,9 | |
| 70Ш2 | 691 | 320 | 15,0 | 23,0 | 197,6 | |
| 70Ш3 | 700 | 320 | 18,0 | 27,5 | 235,4 | |
| 70Ш4 | 708 | 320 | 20,5 | 31,5 | 268,1 | |
| 70Ш5 | 718 | 320 | 23,0 | 36,5 | 305,9 | |
| Колонные двутавры | 20К1 | 195 | 200 | 6,5 | 10,0 | 41,5 |
| 20К2 | 198 | 200 | 7,0 | 11,5 | 46,9 | |
| 23К1 | 227 | 240 | 7,0 | 10,5 | 52,2 | |
| 23К2 | 230 | 240 | 8,0 | 12,0 | 59,5 | |
| 26К1 | 255 | 260 | 8,0 | 12,0 | 65,2 | |
| 26К2 | 258 | 260 | 9,0 | 13,5 | 73,2 | |
| 26К3 | 262 | 260 | 10,0 | 15,5 | 83,1 | |
| 30К1 | 296 | 300 | 9,0 | 13,5 | 84,8 | |
| 30К2 | 300 | 300 | 10,0 | 15,5 | 96,3 | |
| 30К3 | 304 | 300 | 11,5 | 17,5 | 108,9 | |
| 35К1 | 343 | 350 | 10,0 | 15,0 | 109,7 | |
| 35К2 | 348 | 350 | 11,0 | 17,5 | 125,9 | |
| 35К3 | 353 | 350 | 13,0 | 20,0 | 144,5 | |
| 40К1 | 393 | 400 | 11,0 | 16,5 | 138 | |
| 40К2 | 400 | 400 | 13,0 | 20,0 | 165,6 | |
| 40К3 | 409 | 400 | 16,0 | 24,5 | 202,3 | |
| 40К4 | 419 | 400 | 19,0 | 29,5 | 242,2 | |
| 40К5 | 431 | 400 | 23,0 | 35,5 | 291,2 | |
Двутавры в соответствии с заказом изготовляют длиной от 6 до 24 м:
- мерной длины;
- мерной длины с отрезком;
- кратной мерной длины;
- кратной мерной длины с отрезком;
- немерной длины.

Отрезком считаются двутавры длиной не менее:
- 3 м – для профилеразмеров с линейной плотностью до 20 кг/м;
- 4 м – для профилеразмеров с линейной плотностью свыше 20 кг/м.
Для двутавров мерной длины с отрезком и кратной мерной длины с отрезком допускаются отрезки в объеме:
- до 5 % от массы партии – для профилеразмеров с линейной плотностью до 20 кг/м;
- до 8 % от массы партии – для профилеразмеров с линейной плотностью свыше 20 до 50 кг/м;
- до 12 % от массы партии – для профилеразмеров с линейной плотностью свыше 50 до 150 кг/м;
- до 20 % от массы партии – для профилеразмеров с линейной плотностью свыше 150 кг/м.
Допускается изготовление двутавров ограниченной длины в пределах немерной.
Балки двутавровые и швеллеры стальные специальные ГОСТ 19425-74. Сортамент
Область применения
Стандарт распространяется на горячекатаные двутавровые балки для подвесных путей (М), армировки шахтных стволов
(С) и швеллеры автомобильной промышленности (С).
Классификация
По условиям применения двутавры подразделяют на типы:
- М – для подвесных путей;
- С – для армировки шахтных стволов.
Швеллеры для автомобильной промышленности – С.
Угол внутренних граней полок должен быть не более:
- для балок М – 12%;
- для балок С – 16%;
- для швеллеров – не более 10%.
По точности прокатки профили изготовляют:
- А – высокой точности;
- В – обычной точности.
Номинальные размеры и масса
| Номер профиля | Размеры, мм | Масса 1 м, кг | ||
| h | b | s | ||
| Балки двутавровые | ||||
| 14C | 140 | 80 | 5,5 | 16,9 |
| 20C | 200 | 100 | 7,0 | 27,9 |
| 20Ca | 200 | 102 | 9,0 | 31,1 |
| 22С | 220 | 110 | 7,5 | 33,1 |
| 27С | 270 | 122 | 8,5 | 42,8 |
| 27Са | 270 | 124 | 10,5 | 47,0 |
| 36С | 360 | 140 | 14,0 | 71,3 |
| 18М | 180 | 90 | 7,0 | 25,8 |
| 24М | 240 | 110 | 8,2 | 38,3 |
| 30М | 300 | 130 | 9,0 | 50,2 |
| 36М | 360 | 130 | 9,5 | 57,9 |
| 45М | 450 | 150 | 10,5 | 77,6 |
| Швеллеры | ||||
| 18С | 180 | 68 | 7,0 | 20,2 |
| 18Са | 180 | 70 | 9,0 | 23,0 |
| 20С | 200 | 73 | 7,0 | 22,6 |
| 30С | 300 | 87 | 9,5 | 39,1 |
Предельные отклонения по массе 1 м профиля не должны превышать плюс 3%, минус 5%.
Марки стали и технические требования – по ГОСТ 535-79 и другим действующим стандартам, оговоренным в заказе.
В соответствии с заказом балки и швеллеры изготовляются длиной от 4 до 13 м:
- мерной длины;
- кратной мерной длины;
- мерной длины с остатком до 5% массы партии;
- кратной мерной длины с остатком до 5% массы партии;
- немерной длины.
Остатком считаются профили длиной не менее 3 м.
При изготовлении профилей немерной длины допускается наличие профилей длиной не менее 3 м в количестве не более 5% массы партии.
На каждом профиле дополнительно к требованиям ГОСТ 7566-81 в части маркировки проката должен быть нанесен номер профиля с индексом М или С (18М, 20Са, 36С и т. д.).
Двутавры горячекатанные с параллельными гранями полок СТО АСЧМ 20-93 Стандарт Ассоциации предприятий и организаций по стандартизации продукции черной металлургии.
Технические условия, сортаментОбласть применения
Настоящий стандарт устанавливает требования к горячекатаным двутаврам из нелегированной и низколегированной стали.
Нормативные ссылки
- ГОСТ 535-88 Прокат сортовой и фасонный из стали углеродистой обыкновенного качества. Общие технические условия;
- ГОСТ 19281-89 Прокат из стали повышенной прочности. Общие технические условия;
- ГОСТ 27772-88 Прокат для строительных стальных конструкций. Общие технические условия;
- ГОСТ 7566-81 Прокат и изделия дальнейшего передела. Правила приемки, маркировки, упаковки, транспортирования и хранения.
Классификация
По соотношению размеров и форме профиля двутавры подразделяют на 3 типа:
- Б – нормальные с параллельными гранями полок;
- Ш – широкополочные с параллельными гранями полок;
- К – колонные с параллельными гранями полок.

Номинальные размеры и масса
| Номерпрофиля | Размеры, мм | Масса 1 м, кг | ||||
| h | b | s | t | |||
| Нормальные двутавры | 10Б1 | 100 | 55 | 4,1 | 5,7 | 8,1 |
| 12Б1 | 117,6 | 64 | 3,8 | 5,1 | 8,7 | |
| 12Б2 | 120 | 64 | 4,4 | 6,3 | 10,4 | |
| 14Б1 | 137,4 | 73 | 3,8 | 5,6 | 10,5 | |
| 14Б2 | 140 | 73 | 4,7 | 6,9 | 12,9 | |
| 16Б1 | 157 | 82 | 4,0 | 5,9 | 12,7 | |
| 16Б2 | 160 | 82 | 5,0 | 7,4 | 15,8 | |
| 18Б1 | 177 | 91 | 4,3 | 6,5 | 15,4 | |
| 18Б2 | 180 | 91 | 5,3 | 8,0 | 18,8 | |
| 20Б1 | 200 | 100 | 5,6 | 8,5 | 22,4 | |
| 23Б1 | 230 | 110 | 5,6 | 9,0 | 25,8 | |
| 26Б1 | 258 | 120 | 5,8 | 8,5 | 28 | |
| 26Б2 | 261 | 120 | 6,0 | 10,0 | 31,2 | |
| 30Б1 | 295 | 140 | 5,8 | 8,5 | 32,9 | |
| 30Б2 | 299 | 140 | 6,0 | 10,0 | 36,6 | |
| 35Б1 | 346 | 155 | 6,2 | 8,5 | 38,9 | |
| 35Б2 | 349 | 155 | 6,5 | 10,0 | 43,3 | |
| 40Б1 | 392 | 165 | 7,0 | 9,5 | 48,1 | |
| 40Б2 | 396 | 165 | 7,5 | 11,5 | 54,7 | |
| 45Б1 | 443 | 180 | 7,8 | 11,0 | 59,8 | |
| 45Б2 | 447 | 180 | 8,4 | 13,0 | 67,5 | |
| 50Б1 | 492 | 200 | 8,8 | 12,0 | 73 | |
| 50Б2 | 496 | 200 | 9,2 | 14,0 | 80,7 | |
| 55Б1 | 543 | 220 | 9,5 | 13,5 | 89 | |
| 55Б2 | 547 | 220 | 10,0 | 15,5 | 97,9 | |
| 60Б1 | 593 | 230 | 10,5 | 15,5 | 106,2 | |
| 60Б2 | 597 | 230 | 11,0 | 17,5 | 115,6 | |
| 70Б1 | 691 | 260 | 12,0 | 15,5 | 129,3 | |
| 70Б2 | 697 | 260 | 12,5 | 18,5 | 144,2 | |
| Широкополочные двутавры | 20Ш1 | 193 | 150 | 6,0 | 9,0 | 30,6 |
| 23Ш1 | 226 | 155 | 6,5 | 10,0 | 36,2 | |
| 26Ш1 | 251 | 180 | 7,0 | 10,0 | 42,7 | |
| 26Ш2 | 255 | 180 | 7,5 | 12,0 | 49,2 | |
| 30Ш1 | 291 | 200 | 8,0 | 11,0 | 53,6 | |
| 30Ш2 | 295 | 200 | 8,5 | 13,0 | 61 | |
| 30Ш3 | 299 | 200 | 9,0 | 15,0 | 68,3 | |
| 35Ш1 | 338 | 250 | 9,5 | 12,5 | 75,1 | |
| 35Ш2 | 341 | 250 | 10,0 | 14,0 | 82,2 | |
| 35Ш3 | 345 | 250 | 10,5 | 16,0 | 91,3 | |
| 40Ш1 | 388 | 300 | 9,5 | 14,0 | 96,1 | |
| 40Ш2 | 392 | 300 | 11,5 | 16,0 | 111,1 | |
| 40Ш3 | 396 | 300 | 12,5 | 18,0 | 123,4 | |
| 50Ш1 | 484 | 300 | 11,0 | 15,0 | 114,4 | |
| 50Ш2 | 489 | 300 | 14,5 | 17,5 | 138,7 | |
| 50Ш3 | 495 | 300 | 15,5 | 20,5 | 156,4 | |
| 50Ш4 | 501 | 300 | 16,5 | 23,5 | 174,1 | |
| 60Ш1 | 580 | 320 | 12,0 | 17,0 | 142,1 | |
| 60Ш2 | 587 | 320 | 16,0 | 20,5 | 176,9 | |
| 60Ш3 | 595 | 320 | 18,0 | 24,5 | 205,5 | |
| 60Ш4 | 603 | 320 | 20,0 | 28,5 | 234,2 | |
| 70Ш1 | 683 | 320 | 13,5 | 19,0 | 169,9 | |
| 70Ш2 | 691 | 320 | 15,0 | 23,0 | 197,6 | |
| 70Ш3 | 700 | 320 | 18,0 | 27,5 | 235,4 | |
| 70Ш4 | 708 | 320 | 20,5 | 31,5 | 268,1 | |
| 70Ш5 | 718 | 320 | 23,0 | 36,5 | 305,9 | |
| Колонные двутавры | 20К1 | 195 | 200 | 6,5 | 10,0 | 41,5 |
| 20К2 | 198 | 200 | 7,0 | 11,5 | 46,9 | |
| 23К1 | 227 | 240 | 7,0 | 10,5 | 52,2 | |
| 23К2 | 230 | 240 | 8,0 | 12,0 | 59,5 | |
| 26К1 | 255 | 260 | 8,0 | 12,0 | 65,2 | |
| 26К2 | 258 | 260 | 9,0 | 13,5 | 73,2 | |
| 26К3 | 262 | 260 | 10,0 | 15,5 | 83,1 | |
| 30К1 | 296 | 300 | 9,0 | 13,5 | 84,8 | |
| 30К2 | 300 | 300 | 10,0 | 15,5 | 96,3 | |
| 30К3 | 304 | 300 | 11,5 | 17,5 | 108,9 | |
| 35К1 | 343 | 350 | 10,0 | 15,0 | 109,7 | |
| 35К2 | 348 | 350 | 11,0 | 17,5 | 125,9 | |
| 35К3 | 353 | 350 | 13,0 | 20,0 | 144,5 | |
| 40К1 | 393 | 400 | 11,0 | 16,5 | 138 | |
| 40К2 | 400 | 400 | 13,0 | 20,0 | 165,6 | |
| 40К3 | 409 | 400 | 16,0 | 24,5 | 202,3 | |
| 40К4 | 419 | 400 | 19,0 | 29,5 | 242,2 | |
| 40К5 | 431 | 400 | 23,0 | 35,5 | 291,2 | |
Двутавры изготовляют длиной:
- мерной длины;
- мерной с немерной;
- немерной;
- ограниченной в пределах немерной.

По согласованию потребителя с изготовителем допускается изготовление двутавров от 8 до 24 м и с интервалом промежуточных размеров 0,1 м.
При изготовлении двутавров мерной длины с немерной объем двутавров немерной длины не должен превышать:
- 5% от массы партии – при массе 1 м длины двутавра до 20 кг;
- 8% от массы партии – при массе 1 м длины двутавра от 20 до 50 кг;
- 12% от массы партии – при массе 1 м длины двутавра от 50 до 110 кг включительно;
- 20 % от массы партии – при массе 1 м длины двутавра свыше 110 кг
Двутавры немерной длины и длины, ограниченной в пределах немерной, изготавливают от 4 до 24 м.
Балки двутавровые
скачать
Балки Американского стандарта W-Shapes
| Обозначение | Номинальный вес 1м, kg/m | Номинальные размеры, mm | Площадь поперечного сечения, cm2 | ||||
| W-Shapes | M | h | b | s | t | r | A |
| W4х4х13 | 19,4 | 105,7 | 103,1 | 7,1 | 8,8 | 6,4 | 24,8 |
| W6x4x9 | 13,6 | 149,9 | 100,1 | 4,3 | 5,5 | 6,4 | 17,3 |
| W6x4x12 | 17,9 | 153,1 | 101,6 | 5,8 | 7,1 | 6,4 | 22,8 |
| W6x4x16 | 24,0 | 159,5 | 102,4 | 6,6 | 10,3 | 6,4 | 30,6 |
| W6x6x15 | 22,4 | 152,1 | 152,1 | 5,8 | 6,6 | 6,4 | 28,5 |
| W6x6x20 | 29,8 | 157,5 | 152,9 | 6,6 | 9,3 | 6,4 | 38,0 |
| W6x6x25 | 37,2 | 162,1 | 154,4 | 8,1 | 11,6 | 6,4 | 47,4 |
| W8x4x10 | 15,0 | 200,4 | 100,1 | 4,3 | 5,2 | 7,6 | 19,1 |
| W8x4x13 | 19,4 | 203,0 | 101,6 | 5,8 | 6,5 | 7,6 | 24,7 |
| W8x4x15 | 22,4 | 206,0 | 102,0 | 6,2 | 8,0 | 7,6 | 28,6 |
| W8x5,25×18 | 26,6 | 206,8 | 133,4 | 5,8 | 8,4 | 7,6 | 33,9 |
| W8x5,25×21 | 31,4 | 210,4 | 133,9 | 6,4 | 10,2 | 7,6 | 40,0 |
| W8x6,5×24 | 35,9 | 201,5 | 165,0 | 6,2 | 10,2 | 10,2 | 45,8 |
| W8x6,5×28 | 41,7 | 204,7 | 166,0 | 7,2 | 11,8 | 10,2 | 53,1 |
| W8x8x31 | 46,0 | 203,1 | 203,1 | 7,2 | 11,0 | 10,2 | 58,6 |
| W8x8x35 | 52,2 | 206,3 | 203,7 | 7,9 | 12,6 | 10,2 | 66,5 |
| W8x8x40 | 59,3 | 209,5 | 205,0 | 9,1 | 14,2 | 10,2 | 75,6 |
| W8x8x48 | 71,5 | 215,9 | 206,0 | 10,2 | 17,4 | 10,2 | 91,1 |
| W8x8x58 | 86,7 | 222,3 | 208,8 | 13,0 | 20,6 | 10,2 | 110,0 |
| W8x8x67 | 99,6 | 228,5 | 210,3 | 14,5 | 23,7 | 10,2 | 127,0 |
| W10x4x12 | 17,8 | 250,6 | 100,6 | 4,8 | 5,3 | 7,6 | 22,7 |
| W10x4x15 | 22,3 | 253,8 | 101,6 | 5,8 | 6,9 | 7,6 | 28,4 |
| W10x4x17 | 25,3 | 256,8 | 101,9 | 6,1 | 8,4 | 7,6 | 32,3 |
| W10x4x19 | 28,5 | 260,0 | 102,1 | 6,4 | 10,0 | 7,6 | 36,3 |
| W10x5,75×22 | 32,8 | 258,2 | 146,1 | 6,1 | 9,1 | 7,6 | 41,7 |
| W10x5,75×26 | 38,6 | 262,4 | 146,6 | 6,6 | 11,2 | 7,6 | 49,2 |
| W10x5,75×30 | 44,8 | 266,0 | 147,6 | 7,6 | 13,0 | 7,6 | 57,1 |
| W10x10x49 | 72,9 | 253,5 | 254,0 | 8,6 | 14,2 | 12,7 | 92,9 |
| W10x10x54 | 80,1 | 256,3 | 254,8 | 9,4 | 15,6 | 12,7 | 102,0 |
| W10x10x60 | 89,5 | 259,7 | 256,0 | 10,7 | 17,3 | 12,7 | 114,0 |
| W10x10x68 | 101,3 | 264,3 | 257,3 | 11,9 | 19,6 | 12,7 | 129,0 |
| W10x10x77 | 114,7 | 269,3 | 258,8 | 13,5 | 22,1 | 12,7 | 146,0 |
| W10x10x88 | 131,0 | 275,3 | 260,7 | 15,4 | 25,1 | 12,7 | 167,0 |
| W10x10x100 | 148,7 | 281,9 | 262,6 | 17,3 | 28,4 | 12,7 | 189,0 |
| W10x10x112 | 167,1 | 288,7 | 264,5 | 19,2 | 31,8 | 12,7 | 213,0 |
| W12x6,5×26 | 38,7 | 310,4 | 164,8 | 5,8 | 9,7 | 7,6 | 49,3 |
| W12x6,5×30 | 44,6 | 313,4 | 165,6 | 6,6 | 11,2 | 7,6 | 56,8 |
| W12x6,5×35 | 52,3 | 317,4 | 166,6 | 7,6 | 13,2 | 7,6 | 66,6 |
| W12x12x65 | 96,8 | 307,9 | 304,8 | 9,9 | 15,4 | 15,2 | 123,0 |
| W12x12x72 | 106,9 | 311,1 | 305,8 | 10,9 | 17,0 | 15,2 | 136,0 |
| W12x12x79 | 117,5 | 314,5 | 306,8 | 11,9 | 18,7 | 15,2 | 150,0 |
| W12x12x87 | 129,7 | 318,3 | 308,0 | 13,1 | 20,6 | 15,2 | 165,0 |
| W12x12x96 | 143,1 | 322,9 | 308,9 | 14,0 | 22,9 | 15,2 | 182,0 |
| W12x12x106 | 157,6 | 327,3 | 310,4 | 15,5 | 25,1 | 15,2 | 201,0 |
| W12x12x120 | 178,8 | 333,3 | 312,9 | 18,0 | 28,1 | 15,2 | 228,0 |
| W12x12x136 | 202,5 | 340,7 | 315,0 | 20,1 | 31,8 | 15,2 | 258,0 |
| W12x12x152 | 226,8 | 348,3 | 317,0 | 22,1 | 35,6 | 15,2 | 289,0 |
| W12x12x170 | 253,1 | 356,3 | 319,3 | 24,4 | 39,6 | 15,2 | 322,0 |
| W12x12x190 | 282,9 | 365,3 | 321,8 | 26,9 | 44,1 | 15,2 | 360,0 |
| W12x12x210 | 313,2 | 373,7 | 324,9 | 30,0 | 48,3 | 15,2 | 399,0 |
| W14x6,75×30 | 45,0 | 351,5 | 170,9 | 6,9 | 9,8 | 10,2 | 57,3 |
| W14x6,75×34 | 50,7 | 355,1 | 171,3 | 7,2 | 11,6 | 10,2 | 64,5 |
| W14x6,75×38 | 56,7 | 358,1 | 172,0 | 7,9 | 13,1 | 10,2 | 72,2 |
| W14x14,5×90 | 133,9 | 356,1 | 368,8 | 11,2 | 18,0 | 15,2 | 171,0 |
| W14x14,5×99 | 147,5 | 359,6 | 370,0 | 12,3 | 19,8 | 15,2 | 188,0 |
| W14x14,5×109 | 162,0 | 363,7 | 371,0 | 13,3 | 21,8 | 15,2 | 206,0 |
| W14x14,5×120 | 179,1 | 367,9 | 372,6 | 15,0 | 23,9 | 15,2 | 228,0 |
| W14x14,5×132 | 196,6 | 372,5 | 374,0 | 16,4 | 26,2 | 15,2 | 250,0 |
| W 14x16x145 | 216,2 | 375,5 | 393,7 | 17,3 | 27,7 | 15,2 | 275,0 |
| W 14x16x159 | 236,5 | 380,5 | 395,4 | 18,9 | 30,2 | 15,2 | 301,0 |
| W 14x16x176 | 262,4 | 386,7 | 397,5 | 21,1 | 33,3 | 15,2 | 334,0 |
| W 14x16x193 | 287,7 | 393,3 | 399,1 | 22,6 | 36,6 | 15,2 | 366,0 |
| W 14x16x211 | 313,6 | 399,3 | 401,3 | 24,9 | 39,6 | 15,2 | 400,0 |
| W 14x16x233 | 346,8 | 407,5 | 403,6 | 27,2 | 43,7 | 15,2 | 442,0 |
| W 14x16x257 | 382,6 | 416,1 | 406,3 | 29,8 | 48,0 | 15,2 | 487,0 |
| W 14x16x283 | 421,9 | 425,3 | 409,2 | 32,8 | 52,6 | 15,2 | 537,0 |
| W 14x16x311 | 463,0 | 434,9 | 412,2 | 35,8 | 57,4 | 15,2 | 590,0 |
| W 14x16x342 | 508,8 | 445,5 | 415,5 | 39,1 | 62,7 | 15,2 | 648,0 |
| W 14x16x370 | 551,3 | 455,3 | 418,5 | 42,0 | 67,6 | 15,2 | 702,0 |
| W 14x16x398 | 593,0 | 464,7 | 421,4 | 45,0 | 72,3 | 15,2 | 755,0 |
| W 14x16x426 | 634,5 | 474,3 | 424,1 | 47,6 | 77,1 | 15,2 | 808,0 |
| W 14x16x455 | 677,3 | 483,1 | 427,6 | 51,2 | 81,5 | 15,2 | 863,0 |
| W 14x16x500 | 744,4 | 497,9 | 432,1 | 55,6 | 88,9 | 15,2 | 948,0 |
| W 16x7x36 | 53,5 | 402,8 | 177,4 | 7,5 | 10,9 | 10,2 | 68,1 |
| W 16x7x40 | 59,4 | 406,6 | 177,7 | 7,7 | 12,8 | 10,2 | 75,7 |
| W 16x7x45 | 67,4 | 409,8 | 178,7 | 8,8 | 14,4 | 10,2 | 85,9 |
| W 16x7x50 | 74,8 | 413,0 | 179,6 | 9,7 | 16,0 | 10,2 | 95,3 |
| W 16x7x57 | 85,0 | 417,4 | 180,8 | 10,9 | 18,2 | 10,2 | 108,0 |
| W 18×7,5×50 | 74,3 | 457,0 | 190,4 | 9,0 | 14,5 | 10,2 | 94,6 |
| W 18×7,5×55 | 82,0 | 460,0 | 191,3 | 9,9 | 16,0 | 10,2 | 104,0 |
| W 18×7,5×60 | 89,3 | 463,4 | 191,9 | 10,5 | 17,7 | 10,2 | 114,0 |
| W 18×7,5×65 | 96,5 | 466,0 | 192,8 | 11,4 | 19,0 | 10,2 | 123,0 |
| W 18×7,5×71 | 105,7 | 469,2 | 193,9 | 12,6 | 20,6 | 10,2 | 135,0 |
| W 18x11x76 | 113,1 | 462,6 | 280,3 | 10,8 | 17,3 | 10,2 | 144,0 |
| W 18x11x86 | 128,4 | 467,2 | 281,7 | 12,2 | 19,6 | 10,2 | 164,0 |
| W 18x11x97 | 144,6 | 472,2 | 283,1 | 13,6 | 22,1 | 10,2 | 184,0 |
| W 18x11X106 | 157,9 | 475,8 | 284,5 | 15,0 | 23,9 | 10,2 | 201,0 |
| W 18x11X119 | 177,3 | 481,8 | 286,1 | 16,6 | 26,9 | 10,2 | 226,0 |
| W 18x11x130 | 193,6 | 489,0 | 283,5 | 17,0 | 30,5 | 10,2 | 247,0 |
| W 18x11x143 | 212,8 | 495,0 | 285,0 | 18,5 | 33,5 | 10,2 | 271,0 |
| W 18x11x158 | 234,8 | 501,2 | 287,0 | 20,6 | 36,6 | 10,2 | 299,0 |
| W 18x11x175 | 259,9 | 508,8 | 288,9 | 22,6 | 40,4 | 10,2 | 331,0 |
| W 18x11x192 | 285,5 | 516,8 | 291,0 | 24,4 | 44,4 | 10,2 | 364,0 |
| W 18x11x211 | 314,6 | 525,0 | 293,5 | 26,9 | 48,5 | 10,2 | 401,0 |
| W 18x11x234 | 348,8 | 535,2 | 295,9 | 29,5 | 53,6 | 10,2 | 444,0 |
| W 18x11x258 | 384,0 | 544,8 | 299,0 | 32,5 | 58,4 | 10,2 | 489,0 |
| W 18x11x283 | 421,4 | 555,0 | 302,0 | 35,6 | 63,5 | 10,2 | 537,0 |
| W 18x11x311 | 463,6 | 567,2 | 304,9 | 38,6 | 69,6 | 10,2 | 591,0 |
| W 21×8,25×48 | 71,9 | 523,7 | 206,8 | 9,0 | 10,9 | 12,7 | 91,6 |
| W 21×8,25×55 | 82,1 | 528,5 | 208,8 | 9,5 | 13,3 | 12,7 | 105,0 |
| W 21×8,25×62 | 92,5 | 533,1 | 209,3 | 10,2 | 15,6 | 12,7 | 118,0 |
| W 21×8,25×68 | 101,4 | 536,7 | 210,1 | 10,9 | 17,4 | 12,7 | 129,0 |
| W 21×8,25×73 | 109,0 | 539,5 | 210,7 | 11,6 | 18,8 | 12,7 | 139,0 |
| W 21×8,25×83 | 123,3 | 544,3 | 212,2 | 13,1 | 21,2 | 12,7 | 157,0 |
| W 21×8,25×93 | 138,3 | 549,1 | 213,9 | 14,7 | 23,6 | 12,7 | 176,0 |
| W 21×12,25×101 | 150,6 | 542,5 | 312,2 | 12,7 | 20,3 | 12,7 | 192,0 |
| W 21×12,25×111 | 165,5 | 546,3 | 313,4 | 14,0 | 22,2 | 12,7 | 211,0 |
| W 21×12,25×122 | 181,5 | 550,7 | 314,7 | 15,2 | 24,4 | 12,7 | 231,0 |
| W 21×12,25×132 | 196,6 | 554,5 | 316,0 | 16,5 | 26,3 | 12,7 | 250,0 |
| W 21×12,25×147 | 218,9 | 560,3 | 317,8 | 18,3 | 29,2 | 12,7 | 279,0 |
| W 21×12,25×166 | 246,8 | 570,9 | 315,5 | 19,0 | 34,5 | 12,7 | 314,0 |
| W 21×12,25×182 | 271,6 | 577,1 | 317,5 | 21,1 | 37,6 | 12,7 | 346,0 |
| W 21×12,25×201 | 299,7 | 584,7 | 319,4 | 23,1 | 41,4 | 12,7 | 382,0 |
| W 24x9x68 | 101,6 | 602,8 | 227,7 | 10,5 | 14,9 | 12,7 | 129,0 |
| W 24x9x76 | 113,5 | 607,6 | 228,3 | 11,2 | 17,3 | 12,7 | 145,0 |
| W 24x9x84 | 125,1 | 612,2 | 229,1 | 11,9 | 19,6 | 12,7 | 159,0 |
| W 24x9x94 | 140,3 | 617,4 | 230,3 | 13,1 | 22,2 | 12,7 | 179,0 |
| W 24x9x103 | 153,4 | 622,8 | 228,6 | 14,0 | 24,9 | 12,7 | 195,0 |
| W 24×12,75×104 | 154,8 | 611,0 | 323,9 | 12,7 | 19,0 | 12,7 | 197,0 |
| W 24×12,75×117 | 174,3 | 616,2 | 325,1 | 14,0 | 21,6 | 12,7 | 222,0 |
| W 24×12,75×131 | 195,4 | 621,8 | 326,5 | 15,4 | 24,4 | 12,7 | 249,0 |
| W 24×12,75×146 | 217,8 | 628,4 | 327,7 | 16,5 | 27,7 | 12,7 | 277,0 |
| W 24×12,75×162 | 241,8 | 635,0 | 329,1 | 17,9 | 31,0 | 12,7 | 308,0 |
| W 24×12,75×176 | 261,3 | 641,0 | 327,4 | 19,0 | 34,0 | 12,7 | 333,0 |
| W 24×12,75×192 | 285,3 | 647,2 | 328,9 | 20,6 | 37,1 | 12,7 | 363,0 |
| W 24×12,75×207 | 307,5 | 652,8 | 330,5 | 22,1 | 39,9 | 12,7 | 392,0 |
| W 24×12,75×229 | 340,4 | 660,8 | 333,0 | 24,4 | 43,9 | 12,7 | 434,0 |
| W 24×12,75×250 | 372,2 | 669,0 | 334,9 | 26,4 | 48,0 | 12,7 | 474,0 |
| W 24×12,75×279 | 415,5 | 679,2 | 337,9 | 29,5 | 53,1 | 12,7 | 529,0 |
| W 27x10x84 | 125,6 | 678,6 | 253,0 | 11,7 | 16,3 | 15,2 | 160,0 |
| W 27x10x94 | 139,7 | 683,8 | 253,7 | 12,4 | 18,9 | 15,2 | 178,0 |
| W 27x10x102 | 152,1 | 688,2 | 254,4 | 13,1 | 21,1 | 15,2 | 194,0 |
| W 27x10x114 | 169,9 | 693,2 | 255,8 | 14,5 | 23,6 | 15,2 | 216,0 |
| W 27x10x129 | 191,5 | 701,8 | 254,3 | 15,5 | 27,9 | 15,2 | 244,0 |
| W 30×10,5×90 | 133,3 | 750,0 | 264,2 | 11,9 | 15,5 | 16,5 | 170,0 |
| W 30×10,5×99 | 147,2 | 753,0 | 265,4 | 13,2 | 17,0 | 16,5 | 187,0 |
| W 30×10,5×108 | 160,4 | 757,6 | 266,1 | 13,8 | 19,3 | 16,5 | 204,0 |
| W 30×10,5×116 | 173,5 | 762,2 | 266,6 | 14,4 | 21,6 | 16,5 | 221,0 |
| W 30×10,5×124 | 184,9 | 766,2 | 267,1 | 14,9 | 23,6 | 16,5 | 236,0 |
| W 30×10,5×132 | 196,7 | 769,8 | 267,8 | 15,6 | 25,4 | 16,5 | 251,0 |
| W 30×10,5×148 | 220,3 | 779,0 | 266,2 | 16,5 | 30,0 | 16,5 | 281,0 |
| W 33×11,5×118 | 175,8 | 834,6 | 291,6 | 14,0 | 18,8 | 17,8 | 224,0 |
| W 33×11,5×130 | 193,7 | 840,4 | 292,4 | 14,7 | 21,7 | 17,8 | 247,0 |
| W 33×11,5×141 | 210,7 | 845,8 | 293,0 | 15,4 | 24,4 | 17,8 | 268,0 |
| W 33×11,5×152 | 226,5 | 850,6 | 293,8 | 16,1 | 26,8 | 17,8 | 289,0 |
| W 33×11,5×169 | 250,7 | 859,0 | 292,1 | 17,0 | 31,0 | 17,8 | 319,0 |
| W 36x12x135 | 201,2 | 903,0 | 303,5 | 15,2 | 20,1 | 19,1 | 256,0 |
| W 36x12x150 | 224,3 | 910,6 | 304,2 | 15,9 | 23,9 | 19,1 | 286,0 |
| W 36x12x160 | 238,2 | 914,6 | 304,8 | 16,5 | 25,9 | 19,1 | 303,0 |
| W 36x12x170 | 253,5 | 918,6 | 305,6 | 17,3 | 27,9 | 19,1 | 323,0 |
| W 36x12x182 | 271,5 | 922,8 | 306,7 | 18,4 | 30,0 | 19,1 | 346,0 |
| W 36x12x194 | 288,9 | 926,8 | 308,6 | 19,4 | 32,0 | 19,1 | 368,0 |
| W 36x12x210 | 313,0 | 931,8 | 309,4 | 21,1 | 34,5 | 19,1 | 399,0 |
| W 36x12x232 | 345,0 | 942,6 | 307,8 | 22,1 | 39,9 | 19,1 | 439,0 |
| W 36x12x256 | 381,6 | 950,6 | 310,3 | 24,4 | 43,9 | 19,1 | 486,0 |
| W 36×16,5×230 | 342,5 | 911,8 | 418,3 | 19,3 | 32,0 | 24,1 | 436,0 |
| W 36×16,5×245 | 364,9 | 916,4 | 419,4 | 20,3 | 34,3 | 24,1 | 465,0 |
| W 36×16,5×260 | 387,2 | 921,0 | 420,4 | 21,3 | 36,6 | 24,1 | 493,0 |
| W 36×16,5×280 | 417,7 | 927,6 | 421,5 | 22,5 | 39,9 | 24,1 | 532,0 |
| W 36×16,5×300 | 447,2 | 933,2 | 423,0 | 24,0 | 42,7 | 24,1 | 570,0 |
| W 40x12x149 | 222,0 | 970,2 | 300,0 | 16,0 | 21,1 | 30,0 | 283,0 |
| W 40x12x167 | 248,7 | 980,0 | 300,0 | 16,5 | 26,0 | 30,0 | 317,0 |
| W 40x12x183 | 272,3 | 990,0 | 300,0 | 16,5 | 31,0 | 30,0 | 347,0 |
| W 40x12x211 | 314,3 | 999,8 | 300,0 | 19,1 | 35,9 | 30,0 | 400,0 |
| W 40x12x235 | 349,4 | 1008,0 | 302,0 | 21,1 | 40,0 | 30,0 | 445,0 |
| W 40x12x264 | 392,7 | 1015,8 | 303,0 | 24,4 | 43,9 | 30,0 | 500,0 |
| W 40x12x278 | 415,0 | 1020,0 | 304,0 | 26,0 | 46,0 | 30,0 | 529,0 |
| W 40x12x294 | 436,7 | 1026,0 | 305,0 | 26,9 | 49,0 | 30,0 | 556,0 |
| W 40x12x327 | 486,2 | 1036,2 | 308,0 | 30,0 | 54,1 | 30,0 | 619,0 |
| W 40x12x331 | 493,9 | 1036,0 | 309,0 | 31,0 | 54,0 | 30,0 | 629,0 |
| W 40х16х174 | 258,1 | 970,0 | 400,0 | 16,5 | 21,0 | 30,0 | 329,0 |
| W 40x16x199 | 296,5 | 982,2 | 400,0 | 16,5 | 27,1 | 30,0 | 378,0 |
| W 40x16x215 | 320,9 | 990,0 | 400,0 | 16,5 | 31,0 | 30,0 | 409,0 |
| W 40x16x249 | 371,2 | 1000,2 | 400,0 | 19,0 | 36,1 | 30,0 | 473,0 |
| W 40x16x277 | 412,2 | 1008,0 | 402,0 | 21,1 | 40,0 | 30,0 | 525,0 |
| W 40x16x297 | 442,4 | 1011,8 | 402,0 | 23,6 | 41,9 | 30,0 | 564,0 |
| W 40x16x321 | 477,3 | 1018,0 | 404,0 | 25,5 | 45,0 | 30,0 | 608,0 |
| W 40x16x324 | 482,9 | 1020,0 | 404,0 | 25,4 | 46,0 | 30,0 | 615,0 |
| W 40x16x362 | 539,5 | 1030,2 | 407,0 | 28,4 | 51,1 | 30,0 | 687,0 |
| W 40x16x372 | 554,1 | 1032,0 | 408,0 | 29,5 | 52,0 | 30,0 | 706,0 |
| W 40x16x397 | 590,8 | 1039,8 | 409,0 | 31,0 | 55,9 | 30,0 | 753,0 |
| W 40x16x431 | 641,9 | 1048,0 | 412,0 | 34,0 | 60,0 | 30,0 | 818,0 |
| W 44x16x230 | 342,6 | 1090,0 | 400,0 | 18,0 | 31,0 | 20,0 | 436,0 |
| W 44x16x262 | 390,2 | 1100,0 | 400,0 | 20,0 | 36,0 | 20,0 | 497,0 |
| W 44x16x290 | 432,7 | 1108,0 | 402,0 | 22,0 | 40,0 | 20,0 | 551,0 |
| W 44x16x335 | 498,6 | 1118,0 | 405,0 | 26,0 | 45,0 | 20,0 | 635,0 |
Балка двутавровая
Балка двутавровая
Балка двутавровая, двутавр, справочник
В настоящее время основным производителем двутавров в России является Нижне-тагильский металлургический комбинат(НТМК), выпускающий продукцию как по ГОСТам, так и по собственному техническому условию(СТО АСЧМ 20-93), несколько отличающемуся от ГОСТа.
Действующие стандарты
| Номер | Название |
|
Двутавры (балки двутавровые) с уклоном внутренних граней полок |
|
|
ГОСТ 8239-89 |
Двутавры стальные горячекатаные. Сортамент |
|
ГОСТ 19425-74 |
Балки двутавровые и швеллеры стальные специальные. Сортамент |
|
Двутавры (балки двутавровые) с параллельными гранями полок |
|
|
ГОСТ 26020-83 |
Двутавры стальные горячекатаные с параллельными гранями полок. Сортамент |
|
Двутавровые балки (двутавры) по техническим условиям заводов-изготовителей |
|
|
СТО АСЧМ 20-93 |
Прокат стальной сортовой фасонного профиля. |
|
ТУ 14-2-336-78 |
Профиль двутавровый для шарнирных остряков № 8 |
|
ТУ У 01412851.001-95 |
Сварные двутавры |
|
Прочие виды специальных балок двутавровых (двутавров) |
|
|
ГОСТ 5267.5-90 |
Профиль двутавровый № 19 для хребтовой балки. Сортамент |
|
ГОСТ 5267.3-90 |
Профиль зетовый для хребтовой балки. Сортамент |
Балки двутавровые (двутавры) по ГОСТ 8239-89 с уклоном внутренних граней полок 6–12 %
Рис. Балка двутавровая (двутавр)по ГОСТ 8239-89 с уклоном внутренних граней полок 6–12%
Условные обозначения:
h – высота двутавра;
b – ширина полки;
S – толщина стенки;
t – средняя толщина полки;
R – радиус внутреннего закругления;
r – радиус закругления полки.
Таблица 6. Размеры, масса и количество метров в тонне двутавров стальных горячекатаных по ГОСТ 8239-89
| № балки | Размеры, мм | Масса 1 м балки, кг |
Количество метров в 1 тонне, м | |||
|
h |
b |
S |
t |
|||
| 10 | 100 | 55 | 4,5 | 7,2 | 9,456 | 105,7 |
| 12 | 120 | 64 | 4,8 | 7,3 | 11,54 | 86,62 |
| 14 | 140 | 73 | 4,9 | 7,5 | 13,68 | 73,09 |
| 16 | 160 | 81 | 5 | 7,8 | 15,89 | 62,94 |
| 18 | 180 | 90 | 5,1 | 8,1 | 18,35 | 54,50 |
| 18а | 180 | 100 | 5,1 | 8,3 | 19,92 | 50,20 |
| 20 | 200 | 100 | 5,2 | 8,4 | 21,04 | 47,53 |
| 20а* | 200 | 110 | 5,2 | 8,6 | 22,69 | 44,08 |
| 22 | 220 | 110 | 5,4 | 8,7 | 24,04 | 41,60 |
| 22а* | 220 | 120 | 5,4 | 8,9 | 25,76 | 38,82 |
| 24 | 240 | 115 | 5,6 | 9,5 | 27,34 | 36,57 |
| 24а* | 240 | 125 | 5,6 | 9,8 | 29,40 | 34,02 |
| 27 | 270 | 125 | 6 | 9,8 | 31,53 | 31,71 |
| 27а* | 270 | 135 | 6 | 10,2 | 33,88 | 29,51 |
| 30 | 300 | 135 | 6,5 | 10,2 | 36,48 | 27,41 |
| 30а* | 300 | 145 | 6,5 | 10,7 | 39,17 | 25,53 |
| 33 | 330 | 140 | 7 | 11,2 | 42,25 | 23,67 |
| 36 | 360 | 145 | 7,5 | 12,3 | 48,55 | 20,60 |
| 40 | 400 | 155 | 8,3 | 13 | 56,96 | 17,56 |
| 45 | 450 | 160 | 9 | 14,2 | 66,50 | 15,04 |
| 50 | 500 | 170 | 10 | 15,2 | 78,64 | 12,72 |
| 55 | 550 | 180 | 11 | 16,5 | 92,66 | 10,79 |
| 60 | 600 | 190 | 12 | 17,8 | 108,0 | 9,263 |
Примечания:
1.
Масса 1 м двутавра вычислена по номинальным размерам при плотности материала 7850 кг/м3 и является справочной величиной.
2. Величины радиусов закругления, уклона внутренних граней полок, толщины полок не контролируются на готовом прокате.
3. Не рекомендуется двутавры от 24 до 60 применять в новых разработках.
для балок серии М (для подвесных путей) уклон внутренних граней полок составляет 12%;
для балок серии С (для армирования шахтных стволов) уклон внутренних граней полок составляет 16%.
Рис. Балка двутавровая (двутавр) по ГОСТ 19425-74 с уклоном нутренних граней полок 12% и 16%
Условные обозначения:
h – высота двутавра;
b – ширина полки;
S – толщина стенки;
t – средняя толщина полки;
R – радиус внутреннего закругления;
r – радиус закругления полки
Таблица 7. Размеры, масса и количество метров в тонне двутавров стальных горячекатаных по ГОСТ 19425-74
| № балки | Размеры, мм | Масса 1 м балки, кг | Количество метров в 1 тонне, м |
|||
| h | b | S | t | |||
| 14С | 140 | 80 | 5,5 | 9,1 | 16,9 | 59,17 |
| 20С | 200 | 100 | 7 | 11,4 | 27,9 | 35,84 |
| 20Са | 200 | 102 | 9 | 11,4 | 31,1 | 32,15 |
| 22С | 220 | 110 | 7,5 | 12,3 | 33,1 | 30,21 |
| 27С | 270 | 122 | 8,5 | 13,7 | 42,8 | 23,36 |
| 27Са | 270 | 124 | 10,5 | 13,7 | 47,0 | 21,28 |
| 36С | 360 | 140 | 14 | 15,8 | 71,3 | 14,03 |
| 18М | 180 | 90 | 7 | 12 | 25,8 | 38,76 |
| 24М | 240 | 110 | 8,2 | 14 | 38,3 | 26,11 |
| 30М | 300 | 130 | 9 | 15 | 50,2 | 19,92 |
| 36М | 360 | 130 | 9,5 | 16 | 57,9 | 17,27 |
| 45М | 450 | 150 | 10,5 | 18 | 77,6 | 12,89 |
Примечания:
1.
Масса 1 м двутавра вычислена по номинальным размерам при плотности материала 7850 кг/м3 и является справочной величиной.
2. Радиусы закруглений на профилях не определяются и указываются для построения калибра.
Балки двутавровые горячекатаные с параллельными гранями полок (по ГОСТ 26020-83)
В зависимости от соотношения размеров и условий применения двутавры подразделяют на следующие типы:
Б – нормальные двутавры;
Ш – широкополочные двутавры;
К – колонные двутавры;
Д – дополнительной серии;
ДБ – нормальные двутавры;
ДШ – широкополочные двутавры.
Рис. 8. Балка двутавровая по ГОСТ 26020-83 без уклона внутренних граней полок
Условные обозначения:
h – высота двутавра;
b – ширина полки;
S – толщина стенки;
t – средняя толщина полки;
r – радиус внутреннего закругления.
Таблица 8. Размеры, масса и количество метров в тонне двутавров стальных горячекатаных по ГОСТ 26020-83
| № балки | Размеры, мм | Масса 1 м балки, кг |
Количество метров в 1 тонне, м | |||
|
h |
b |
S |
t |
|||
|
Нормальные двутавры (балки двутавровые) |
||||||
| 10Б1 | 100 | 55 | 4,1 | 5,7 | 8,104 | 123,4 |
| 12Б1 | 117,6 | 64 | 3,8 | 5,1 | 8,658 | 115,5 |
| 12Б2 | 120 | 64 | 4,4 | 6,3 | 10,37 | 96,43 |
| 14Б1 | 137,4 | 73 | 3,8 | 5,6 | 10,51 | 95,12 |
| 14Б2 | 140 | 73 | 4,7 | 6,9 | 12,89 | 77,55 |
| 16Б1 | 157 | 82 | 4 | 5,9 | 12,70 | 78,74 |
| 16Б2 | 160 | 82 | 5 | 7,4 | 15,77 | 63,40 |
| 18Б1 | 177 | 91 | 4,3 | 6,5 | 15,37 | 65,07 |
| 18Б2 | 180 | 91 | 5,3 | 8 | 18,80 | 53,20 |
| 20Б1 | 200 | 100 | 5,6 | 8,5 | 22,36 | 44,72 |
| 23Б1 | 230 | 110 | 5,6 | 9 | 25,83 | 38,71 |
| 26Б1 | 258 | 120 | 5,8 | 8,5 | 27,96 | 35,77 |
| 26Б2 | 261 | 120 | 6 | 10 | 31,16 | 32,09 |
| 30Б1 | 296 | 140 | 5,8 | 8,5 | 32,90 | 30,39 |
| 30Б2 | 299 | 140 | 6 | 10 | 36,64 | 27,29 |
| 35Б1 | 346 | 155 | 6,2 | 8,5 | 38,88 | 25,72 |
| 35Б2 | 349 | 155 | 6,5 | 10 | 43,31 | 23,09 |
| 40Б1 | 392 | 165 | 7 | 9,5 | 48,08 | 20,80 |
| 40Б2 | 396 | 165 | 7,5 | 11,5 | 54,72 | 18,27 |
| 45Б1 | 443 | 180 | 7,8 | 11 | 59,84 | 16,71 |
| 45Б2 | 447 | 180 | 8,4 | 13 | 67,47 | 14,82 |
| 50Б1 | 492 | 200 | 8,8 | 12 | 72,98 | 13,70 |
| 50Б2 | 496 | 200 | 9,2 | 14 | 80,73 | 12,39 |
| 55Б1 | 543 | 220 | 9,5 | 13,5 | 88,99 | 11,24 |
| 55Б2 | 547 | 220 | 10 | 15,5 | 97,92 | 10,21 |
| 60Б1 | 593 | 230 | 10,5 | 15,5 | 106,2 | 9,418 |
| 60Б2 | 597 | 230 | 11 | 17,5 | 115,6 | 8,650 |
| 70Б1 | 691 | 260 | 12 | 15,5 | 129,3 | 7,732 |
| 70Б2 | 697 | 260 | 12,5 | 18,5 | 144,2 | 6,937 |
| 80Б1 | 791 | 280 | 13,5 | 17 | 159,5 | 6,269 |
| 80Б2 | 798 | 280 | 14 | 20,5 | 177,9 | 5,622 |
| 90Б1 | 893 | 300 | 15 | 18,5 | 194,0 | 5,155 |
| 90Б2 | 900 | 300 | 15,5 | 22 | 213,8 | 4,676 |
| 100Б1 | 990 | 320 | 16 | 21 | 230,6 | 4,336 |
| 100Б2 | 998 | 320 | 17 | 25 | 258,2 | 3,873 |
| 100Б3 | 1006 | 320 | 18 | 29 | 285,7 | 3,500 |
| 100Б4 | 1013 | 320 | 19,5 | 32,5 | 314,5 | 3,180 |
|
Широкополочные двутавры (балки двутавровые) |
||||||
| 20Ш1 | 193 | 150 | 6 | 9 | 30,58 | 32,71 |
| 23Ш1 | 226 | 155 | 6,5 | 10 | 36,17 | 27,65 |
| 26Ш1 | 251 | 180 | 7 | 10 | 42,68 | 23,43 |
| 26Ш2 | 255 | 180 | 7,5 | 12 | 49,24 | 20,31 |
| 30Ш1 | 291 | 200 | 8 | 11 | 53,62 | 18,65 |
| 30Ш2 | 295 | 200 | 8,5 | 13 | 60,95 | 16,41 |
| 30Ш3 | 299 | 200 | 9 | 15 | 68,29 | 14,64 |
| 35Ш1 | 338 | 250 | 9,5 | 12,5 | 75,10 | 13,32 |
| 35Ш2 | 341 | 250 | 10 | 14 | 82,22 | 12,16 |
| 35Ш3 | 345 | 250 | 10,5 | 16 | 91,29 | 10,95 |
| 40Ш1 | 388 | 300 | 9,5 | 14 | 96,05 | 10,41 |
| 40Ш2 | 392 | 300 | 11,5 | 16 | 111,1 | 8,999 |
| 40Ш3 | 396 | 300 | 12,5 | 18 | 123,4 | 8,106 |
| 50Ш1 | 484 | 300 | 11 | 15 | 114,4 | 8,741 |
| 50Ш2 | 489 | 300 | 14,5 | 17,5 | 138,7 | 7,212 |
| 50Ш3 | 495 | 300 | 15,5 | 20,5 | 156,4 | 6,396 |
| 50Ш4 | 501 | 300 | 16,5 | 23,5 | 174,0 | 5,746 |
| 60Ш1 | 580 | 320 | 12 | 17 | 142,1 | 7,036 |
| 60Ш2 | 587 | 320 | 16 | 20,5 | 176,9 | 5,654 |
| 60Ш3 | 595 | 320 | 18 | 24,5 | 205,5 | 4,866 |
| 60Ш4 | 603 | 320 | 20 | 28,5 | 234,2 | 4,270 |
| 70Ш1 | 683 | 320 | 13,5 | 19 | 169,9 | 5,887 |
| 70Ш2 | 691 | 320 | 15 | 23 | 197,6 | 5,062 |
| 70Ш3 | 700 | 320 | 18 | 27,5 | 235,4 | 4,249 |
| 70Ш4 | 708 | 320 | 20,5 | 31,5 | 268,1 | 3,730 |
| 70Ш5 | 718 | 320 | 23 | 36,5 | 305,9 | 3,269 |
|
Колонные двутавры (балки двутавровые) |
||||||
| 20K1 | 195 | 200 | 6,5 | 10 | 41,47 | 24,11 |
| 20K2 | 198 | 200 | 7 | 11,5 | 46,87 | 21,34 |
| 23K1 | 227 | 240 | 7 | 10,5 | 52,20 | 19,16 |
| 23K2 | 230 | 240 | 8 | 12 | 59,47 | 16,81 |
| 26K1 | 255 | 260 | 8 | 12 | 65,22 | 15,33 |
| 26K2 | 258 | 260 | 9 | 13,5 | 73,15 | 13,67 |
| 26K3 | 262 | 260 | 10 | 15,5 | 83,13 | 12,03 |
| 30K1 | 296 | 300 | 9 | 13,5 | 84,77 | 11,80 |
| 30K2 | 300 | 300 | 10 | 15,5 | 96,30 | 10,38 |
| 30К3 | 304 | 300 | 11,5 | 17,5 | 108,9 | 9,183 |
|
Колонные двутавры (балки двутавровые) (продолжение) |
||||||
| 35К1 | 343 | 350 | 10 | 15 | 109,7 | 9,117 |
| 35К2 | 348 | 350 | 11 | 17,5 | 125,9 | 7,944 |
| 35K3 | 353 | 350 | 13 | 20 | 144,5 | 6,919 |
| 40К1 | 393 | 400 | 11 | 16,5 | 138,0 | 7,248 |
| 40К2 | 400 | 400 | 13 | 20 | 165,6 | 6,039 |
| 40K3 | 409 | 400 | 16 | 24,5 | 202,3 | 4,942 |
| 40К4 | 419 | 400 | 19 | 29,5 | 242,2 | 4,129 |
| 40К5 | 431 | 400 | 23 | 35,5 | 291,2 | 3,434 |
|
Двутавры (балки двутавровые) дополнительной серии (Д) |
||||||
| 24ДБ1 | 239 | 115 | 5,5 | 9,3 | 27,82 | 35,94 |
| 27ДБ1 | 269 | 125 | 6 | 9,5 | 31,93 | 31,31 |
| 36ДБ1 | 360 | 145 | 7,2 | 12,3 | 49,14 | 20,35 |
| 35ДБ1 | 349 | 127 | 5,8 | 8,5 | 33,58 | 29,78 |
| 40ДБ1 | 399 | 139 | 6,2 | 9 | 39,70 | 25,19 |
| 45ДБ1 | 450 | 152 | 7,4 | 11 | 52,63 | 19,00 |
| 45ДБ2 | 450 | 180 | 7,6 | 13,3 | 65,03 | 15,38 |
| 30ДШ1 | 300,6 | 201,9 | 9,4 | 16 | 72,72 | 13,75 |
| 40ДШ1 | 397,6 | 302 | 11,5 | 18,7 | 124,4 | 8,036 |
| 50ДШ1 | 496,2 | 303,8 | 14,2 | 21 | 155,3 | 6,437 |
Примечания:
1.
Масса 1 м двутавра вычислена по номинальным размерам при плотности материала 7850 кг/м3 и является справочной величиной.
2. Радиусы закруглений на профилях не определяются и указываются для построения калибра.
Двутавры горячекатаные с параллельными гранями полок (СТО АСЧМ 20-93). Сортамент
По соотношению размеров и форме профиля двутавры подразделяют на 3 типа:
Б – нормальные с параллельными гранями полок;
Ш – широкополочные с параллельными гранями полок;
К – колонные с параллельными гранями полок.
Рис. 9. Двутавр горячекатаный (балка двутавровая) с параллельными гранями полок
Условные обозначения:
h – высота двутавра;
b – ширина полки;
S – толщина стенки;
t – средняя толщина полки;
r – радиус сопряжения.
Таблица 9. Размеры, масса и количество метров в тонне двутавров (балок двутавровых)горячекатаных (СТО АСЧМ 20-93)
| Обозначение балки | Размеры, мм | Масса 1 м балки, кг |
Количество метров в тонне | |||
|
h |
b |
S |
t |
|||
|
Нормальные двутавры (балки двутавровые) |
||||||
| 10 Б1 | 100 | 55 | 4,1 | 5,7 | 8,043 | 124,3 |
| 12 Б1 | 117,6 | 64 | 3,8 | 5,1 | 8,598 | 116,3 |
| 12 Б2 | 120 | 64 | 4,4 | 6,3 | 10,31 | 97,00 |
| 14 Б1 | 137,4 | 73 | 3,8 | 5,6 | 10,45 | 95,67 |
| 14 Б2 | 140 | 73 | 4,7 | 6,9 | 12,83 | 77,92 |
| 16 Б1 | 157 | 82 | 4 | 5,9 | 12,64 | 79,11 |
| 16 Б2 | 160 | 82 | 5 | 7,4 | 15,71 | 63,65 |
| 18 Б1 | 177 | 91 | 4,3 | 6,5 | 15,31 | 65,33 |
| 18 Б2 | 180 | 91 | 5,3 | 8 | 18,74 | 53,37 |
| 20 Б1 | 200 | 100 | 5,5 | 8 | 21,26 | 47,04 |
| 25 Б1 | 248 | 124 | 5 | 8 | 25,59 | 39,08 |
| 25 Б2 | 250 | 125 | 6 | 9 | 29,50 | 33,90 |
| 30 Б1 | 298 | 149 | 5,5 | 8 | 31,97 | 31,28 |
| 30 Б2 | 300 | 150 | 6,5 | 9 | 36,66 | 27,28 |
| 35 Б1 | 346 | 174 | 6 | 9 | 41,30 | 24,22 |
| 35 Б2 | 350 | 175 | 7 | 11 | 49,51 | 20,20 |
| 40 Б1 | 396 | 199 | 7 | 11 | 56,58 | 17,67 |
| 40 Б2 | 400 | 200 | 8 | 13 | 65,97 | 15,16 |
| 45 Б1 | 446 | 199 | 8 | 12 | 66,12 | 15,12 |
| 45 Б2 | 450 | 200 | 9 | 14 | 75,90 | 13,18 |
| 50 Б1 | 492 | 199 | 8,8 | 12 | 72,46 | 13,80 |
| 50 Б2 | 496 | 199 | 9 | 14 | 79,44 | 12,59 |
| 50 Б3 | 500 | 200 | 10 | 16 | 89,61 | 11,16 |
| 55 Б1 | 543 | 220 | 9,5 | 13,5 | 88,93 | 11,24 |
| 55 Б2 | 547 | 220 | 10 | 13,5 | 97,86 | 10,22 |
| 60 Б1 | 596 | 199 | 10 | 15 | 94,50 | 10,58 |
| 60 Б2 | 600 | 200 | 11 | 17 | 105,5 | 9,483 |
| 70 Б0 | 693 | 230 | 11,8 | 15,2 | 120,1 | 8,327 |
| 70 Б1 | 691 | 260 | 12 | 15,2 | 129,3 | 7,736 |
| 70 Б2 | 697 | 260 | 12,5 | 18,5 | 144,1 | 6,940 |
|
Широкополочные двутавры (балки двутавровые) |
||||||
| 20 Ш1 | 194 | 150 | 6 | 9 | 30,56 | 32,72 |
| 25 Ш1 | 244 | 175 | 7 | 11 | 44,09 | 22,68 |
| 30 Ш1 | 294 | 200 | 8 | 12 | 56,76 | 17,62 |
| 30 Ш2 | 300 | 201 | 9 | 15 | 68,53 | 14,59 |
| 35 Ш1 | 334 | 249 | 8 | 11 | 65,23 | 15,33 |
| 35 Ш2 | 340 | 250 | 9 | 14 | 79,63 | 12,56 |
| 40 Ш1 | 383 | 299 | 9,5 | 12,5 | 88,58 | 11,29 |
| 40 Ш2 | 390 | 300 | 10 | 16 | 106,7 | 9,375 |
| 45 Ш1 | 440 | 300 | 11 | 18 | 123,5 | 8,098 |
| 50 Ш1 | 482 | 300 | 11 | 15 | 114,2 | 8,759 |
| 50 Ш2 | 487 | 300 | 14,5 | 17,5 | 138,4 | 7,227 |
| 50 Ш3 | 493 | 300 | 15,5 | 20,5 | 156,0 | 6,408 |
| 50 Ш4 | 499 | 300 | 16,5 | 23,5 | 173,7 | 5,756 |
| 60 Ш1 | 582 | 300 | 12 | 17 | 136,9 | 7,304 |
| 60 Ш2 | 589 | 300 | 16 | 20,5 | 170,6 | 5,861 |
| 60 Ш3 | 597 | 300 | 18 | 24,5 | 198,0 | 5,049 |
| 60 Ш4 | 605 | 300 | 20 | 28,5 | 225,5 | 4,435 |
| 70 Ш1 | 692 | 300 | 13 | 20 | 166,0 | 6,026 |
| 70 Ш2 | 698 | 300 | 15 | 23 | 190,3 | 5,254 |
| 70 Ш3 | 707 | 300 | 18 | 27,5 | 226,9 | 4,408 |
| 70 Ш4 | 715 | 300 | 20,5 | 31,5 | 258,5 | 3,868 |
| 70 Ш5 | 725 | 300 | 23 | 36,5 | 294,9 | 3,391 |
| 80 Ш1 | 782 | 300 | 13,5 | 17 | 164,6 | 6,077 |
| 80 Ш2 | 792 | 300 | 14 | 22 | 191,0 | 5,234 |
| 90 Ш1 | 881 | 299 | 15 | 18,5 | 191,4 | 5,223 |
| 90 Ш2 | 890 | 299 | 15 | 23 | 212,6 | 4,704 |
| 100 Ш1 | 990 | 320 | 16 | 21 | 230,6 | 4,337 |
| 100 Ш2 | 998 | 320 | 17 | 25 | 258,1 | 3,874 |
| 100 Ш3 | 1006 | 320 | 18 | 29 | 285,7 | 3,501 |
| 100 Ш4 | 1013 | 320 | 19,5 | 32,5 | 314,4 | 3,181 |
|
Колонные двутавры (балки двутавровые) |
||||||
| 20 К1 | 196 | 199 | 6,5 | 10 | 41,30 | 24,21 |
| 20 К2 | 200 | 200 | 8 | 12 | 49,81 | 20,08 |
| 25 К1 | 246 | 249 | 8 | 12 | 62,52 | 16,00 |
| 25 К2 | 250 | 250 | 9 | 14 | 72,30 | 13,83 |
| 25 К3 | 253 | 251 | 10 | 15,5 | 80,17 | 12,47 |
| 30 К1 | 298 | 299 | 9 | 14 | 86,92 | 11,51 |
| 30 К2 | 300 | 300 | 10 | 15 | 93,97 | 10,64 |
| 30 К3 | 300 | 305 | 15 | 15 | 105,7 | 9,457 |
| 30 К4 | 304 | 301 | 11 | 17 | 105,8 | 9,454 |
| 35 К1 | 342 | 348 | 10 | 15 | 109,1 | 9,168 |
| 35 К2 | 350 | 350 | 12 | 19 | 136,4 | 7,330 |
| 40 К1 | 394 | 398 | 11 | 18 | 146,6 | 6,822 |
| 40 К2 | 400 | 400 | 13 | 21 | 171,6 | 5,827 |
| 40 К3 | 406 | 403 | 16 | 24 | 200,0 | 5,000 |
| 40 К4 | 414 | 405 | 18 | 28 | 231,8 | 4,314 |
| 40 К5 | 429 | 400 | 23 | 35,5 | 290,8 | 3,439 |
Примечания:
1.
Масса 1 м (балки двутавровой) двутавра вычислена по номинальным размерам при плотности материала 7850 кг/м3.
2. Радиусы сопряжений на готовом прокате не проверяют.
3. Притупление углов полок – до 3 мм обеспечивают технологией прокатки и на профиле не проверяют.
Таблица 10. Размеры, масса и количество метров в тонне нестандартных двутавров (балок двутавровых) по размерной спецификации Р40-2001 (соответствуют JIS G 3192, BS 4, ASTM A6)
| Обозначение балки | Размеры, мм | Масса 1 м балки, кг |
Количество метров в тонне | |||
|
h |
b |
S |
t |
|||
|
Узкополочные двутавры (балки двутавровые) |
||||||
| 31 У3А | 309 | 102 | 6 | 8,9 | 28,51 | 35,07 |
| 31 У4А | 313 | 102 | 6,6 | 10,8 | 32,94 | 30,36 |
| 36 У1А | 349 | 127 | 5,8 | 8,5 | 32,88 | 30,41 |
| 36 У2А | 353 | 128 | 6,5 | 10,7 | 39,24 | 25,49 |
| 41 У1А | 399 | 140 | 6,4 | 8,8 | 39,47 | 25,33 |
| 41 У2А | 403 | 140 | 7 | 11,2 | 46,50 | 21,50 |
| 46 У1А | 450 | 152 | 7,6 | 10,8 | 52,30 | 19,12 |
| 46 У2А | 455 | 153 | 8 | 13,3 | 59,82 | 16,72 |
| 46 У3А | 459 | 154 | 9,1 | 15,4 | 68,79 | 14,54 |
| 46 У1В | 449,8 | 152,4 | 7,6 | 10,9 | 52,59 | 19,02 |
| 46 У2В | 454,6 | 152,9 | 8,1 | 13,3 | 60,11 | 16,64 |
| 46 У3В | 458 | 153,8 | 9 | 15 | 67,43 | 14,83 |
| 46 У4В | 462 | 154,4 | 9,6 | 17 | 74,43 | 13,43 |
| 46 У5В | 465,8 | 155,3 | 10,5 | 18,9 | 82,33 | 12,15 |
| 61 У1А | 599 | 178 | 10 | 12,8 | 82,73 | 12,09 |
| 61 У2А | 603 | 179 | 10,9 | 15 | 93,13 | 10,74 |
|
Нормальные двутавры (балки двутавровые) |
||||||
| 31 Б1А | 310 | 165 | 5,8 | 9,7 | 38,90 | 25,70 |
| 31 Б2А | 313 | 166 | 6,6 | 11,2 | 44,79 | 22,33 |
| 31 Б3А | 317 | 167 | 7,6 | 13,2 | 52,49 | 19,05 |
| 31 Б1В | 303,4 | 165 | 6 | 10,2 | 40,30 | 24,81 |
| 31 Б2В | 306,6 | 165,7 | 6,7 | 11,8 | 46,13 | 21,68 |
| 31 Б3В | 310,4 | 166,9 | 7,9 | 13,7 | 53,99 | 18,52 |
| 36 Б1А | 352 | 171 | 6,9 | 9,8 | 45,13 | 22,16 |
| 36 Б2А | 355 | 171 | 7,2 | 11,6 | 50,71 | 19,72 |
| 36 Б3А | 358 | 172 | 7,9 | 13,1 | 56,77 | 17,62 |
| 41 Б1А | 403 | 177 | 7,5 | 10,9 | 53,70 | 18,62 |
| 41 Б2А | 407 | 178 | 7,7 | 12,8 | 59,79 | 16,72 |
| 41 Б3А | 410 | 179 | 8,8 | 14,4 | 67,77 | 14,76 |
| 41 Б4А | 413 | 180 | 9,7 | 16 | 75,20 | 13,30 |
| 41 Б5А | 417 | 181 | 10,9 | 18,2 | 85,26 | 11,73 |
| 46 Б1А | 457 | 190 | 9 | 14,5 | 74,46 | 13,43 |
| 46 Б2А | 460 | 191 | 9,9 | 16 | 82,21 | 12,16 |
| 46 Б3А | 463 | 192 | 10,5 | 17,7 | 89,57 | 11,16 |
| 46 Б4А | 466 | 193 | 11,4 | 19 | 96,84 | 10,33 |
| 46 Б5А | 469 | 194 | 12,6 | 20,6 | 106,0 | 9,432 |
| 46 Б1В | 453,4 | 189,9 | 8,5 | 12,7 | 67,39 | 14,84 |
| 46 Б2В | 457 | 190,4 | 9 | 14,5 | 74,55 | 13,41 |
| 46 Б3В | 460 | 191,3 | 9,9 | 16 | 82,29 | 12,15 |
| 46 Б4В | 463,4 | 191,9 | 10,5 | 17,7 | 89,58 | 11,16 |
| 46 Б5В | 467,2 | 192,8 | 11,4 | 19,6 | 98,60 | 10,14 |
| 61 Б1А | 603 | 228 | 10,5 | 14,9 | 102,5 | 9,753 |
| 61 Б2А | 608 | 228 | 11,2 | 17,3 | 114,3 | 8,750 |
|
Среднеполочные двутавры (балки двутавровые) |
||||||
| 20 Д1А | 207 | 133 | 5,8 | 8,4 | 26,75 | 37,39 |
| 20 Д2А | 210 | 134 | 6,4 | 10,2 | 31,53 | 31,72 |
| 25 Д2А | 258 | 146 | 6,1 | 9,1 | 32,89 | 30,41 |
| 25 Д3А | 262 | 147 | 6,6 | 11,2 | 38,81 | 25,77 |
| 25 Д4А | 266 | 148 | 7,6 | 13 | 45,07 | 22,19 |
| 25 Д1В | 251,4 | 146,1 | 6 | 8,6 | 31,73 | 31,52 |
| 25 Д2В | 256 | 146,4 | 6,3 | 10,9 | 37,61 | 26,59 |
| 25 Д3В | 259,6 | 147,3 | 7,2 | 12,7 | 43,58 | 22,95 |
|
Широкополочные двутавры (балки двутавровые) |
||||||
| 30 Ш2С | 298 | 201 | 9 | 14 | 65,44 | 15,28 |
| 50 Ш2С | 488 | 300 | 11 | 18 | 128,4 | 7,790 |
|
Колонные двутавры (балки двутавровые) |
||||||
| 12 КС | 125 | 125 | 6,5 | 9 | 23,80 | 42,02 |
| 15 К1С | 150 | 150 | 7 | 10 | 31,51 | 31,74 |
| 15 К1А | 152 | 152 | 5,8 | 6,6 | 22,62 | 44,22 |
| 15 К2А | 157 | 153 | 6,6 | 9,3 | 30,06 | 33,27 |
| 15 К3А | 162 | 154 | 8,1 | 11,6 | 37,42 | 26,73 |
| 20 К2А | 203 | 203 | 7,2 | 11 | 45,96 | 21,76 |
| 20 К3А | 206 | 204 | 7,9 | 12,6 | 52,24 | 19,14 |
| 20 К4А | 210 | 205 | 9,1 | 14,2 | 59,35 | 16,85 |
| 20 К5А | 216 | 206 | 10,2 | 17,4 | 71,46 | 13,99 |
| 20 К6А | 222 | 209 | 13 | 20,6 | 86,72 | 11,53 |
| 20 К7А | 229 | 210 | 14,5 | 23,7 | 99,48 | 10,05 |
| 20 К4С | 200 | 204 | 12 | 12 | 56,15 | 17,81 |
| 25 К1АС | 246 | 256 | 10,5 | 10,7 | 63,47 | 15,76 |
| 25 К4С | 244 | 252 | 11 | 11 | 64,42 | 15,52 |
| 30 К3С | 294 | 302 | 12 | 12 | 84,51 | 11,83 |
| 31 К1АС | 299 | 306 | 11 | 11 | 79,20 | 12,63 |
| 31 К3АС | 308 | 310 | 15,4 | 15,5 | 111,4 | 8,980 |
| 35 К3С | 338 | 351 | 13 | 13 | 106,2 | 9,418 |
| 35 К4С | 344 | 354 | 16 | 16 | 130,8 | 7,645 |
| 40 К9С | 394 | 405 | 18 | 18 | 167,7 | 5,962 |
Примечания:
1.
Масса 1 м двутавра вычислена по номинальным размерам при плотности материала 7850 кг/м3.
2. Индексы А, В и С означают отличие по размерам от СТО АСЧМ 20-93:
А – размеры по ASTM A6;
В – размеры по BS 4;
С – размеры по JIS G 3192.
Балка двутавровая (двутавр) сварная. Сортамент
Рис. 10. Сварной двутавр
Условные обозначения:
h – высота двутавра;
b – ширина полки;
S – толщина стенки;
t – толщина полки.
Таблица 11. Размеры, масса и количество метров в тонне сварных двутавровых балок (двутавров) по ТУ У 01412851.001-95 производства Днепропетровского завода металлоконструкций им. Бабушкина
| Обозначение балки двутавровой (двутавра) | Размеры, мм | Теоретическая масса 1 м, кг |
Количество метров в тонне | |||
|
h |
b |
S |
t |
|||
| 45БС1 | 444 | 200 | 8 | 12 | 64,06 | 15,6 |
| 45БС2 | 460 | 300 | 12 | 20 | 133,8 | 7,48 |
| 45БС3 | 448 | 180 | 8 | 14 | 65,94 | 15,2 |
| 50БС1 | 482 | 200 | 10 | 16 | 85,57 | 11,7 |
| 50БС2 | 482 | 300 | 12 | 16 | 117,8 | 8,49 |
| 50БС3 | 500 | 300 | 12 | 25 | 160,1 | 6,24 |
| 50БС4 | 510 | 300 | 14 | 30 | 190,8 | 5,24 |
| 55БС1 | 551 | 220 | 10 | 18 | 102,6 | 9,75 |
| 55БС2 | 547 | 200 | 10 | 16 | 90,67 | 11,0 |
| 60БС1 | 577 | 240 | 12 | 16 | 111,6 | 8,96 |
| 60БС2 | 585 | 240 | 12 | 20 | 126,7 | 7,89 |
| 60БС3 | 585 | 320 | 12 | 20 | 151,8 | 6,59 |
| 60БС4 | 595 | 320 | 14 | 25 | 185,5 | 5,39 |
| 60БС5 | 605 | 320 | 16 | 30 | 219,2 | 4,56 |
| 60БС6 | 597 | 190 | 12 | 16 | 101,0 | 9,91 |
| 70БС1 | 685 | 260 | 12 | 20 | 142,4 | 7,02 |
| 70БС2 | 685 | 320 | 14 | 20 | 171,4 | 5,84 |
| 70БС3 | 695 | 320 | 14 | 25 | 196,5 | 5,09 |
| 70БС4 | 705 | 320 | 16 | 30 | 231,7 | 4,32 |
| 70БС5 | 725 | 320 | 20 | 40 | 302,2 | 3,31 |
| 70БС6 | 692 | 230 | 12 | 16 | 119,9 | 8,34 |
| 80БС1 | 791 | 280 | 14 | 18 | 162,1 | 6,17 |
| 80БС2 | 815 | 300 | 18 | 30 | 248,0 | 4,03 |
| 90БС1 | 895 | 300 | 16 | 20 | 201,6 | 4,96 |
| 90БС2 | 927 | 300 | 16 | 36 | 276,9 | 3,61 |
| 100БС1 | 995 | 320 | 16 | 25 | 244,3 | 4,09 |
| 100БС2 | 1005 | 320 | 16 | 30 | 269,4 | 3,71 |
| 100БС3 | 1017 | 320 | 20 | 36 | 329,2 | 3,04 |
| 120БС1 | 1280 | 400 | 12 | 20 | 242,4 | 4,13 |
| 120БС2 | 1280 | 450 | 14 | 20 | 277,6 | 3,60 |
| 140БС1 | 1440 | 400 | 12 | 20 | 257,5 | 3,88 |
| 140БС2 | 1440 | 450 | 12 | 20 | 273,2 | 3,66 |
| 140БС3 | 1450 | 500 | 14 | 25 | 350,1 | 2,86 |
| 160БС1 | 1640 | 450 | 12 | 20 | 292,0 | 3,42 |
| 160БС2 | 1640 | 500 | 12 | 20 | 307,7 | 3,25 |
| 160БС3 | 1650 | 500 | 14 | 25 | 372,1 | 2,69 |
| 160БС4 | 1650 | 560 | 14 | 25 | 395,6 | 2,53 |
| 180БС1 | 1800 | 560 | 12 | 25 | 384,7 | 2,60 |
| 180БС2 | 1800 | 500 | 14 | 25 | 388,6 | 2,57 |
| 180БС3 | 1810 | 500 | 14 | 30 | 427,8 | 2,34 |
| 180БС4 | 1810 | 600 | 16 | 30 | 502,4 | 1,99 |
| 200БС1 | 2000 | 560 | 12 | 25 | 403,5 | 2,48 |
| 200БС2 | 2010 | 500 | 16 | 30 | 480,4 | 2,08 |
| 200БС3 | 2010 | 600 | 16 | 30 | 527,5 | 1,90 |
Примечание:
Масса 1 м сварного двутавра (двутавровой балки) вычислена по номинальным размерам при плотности материала 7850 кг/м3 и является справочной величиной.
Двутавровая балка металлическая размеры для перекрытия
Обновлено: 26.09.2022
Двутавровая балка металлическая размеры для перекрытия
ДВУТАВРЫ СТАЛЬНЫЕ ГОРЯЧЕКАТАНЫЕ С ПАРАЛЛЕЛЬНЫМИ ГРАНЯМИ ПОЛОК
Hot-rolled steel I-beam with parallel flange edges. Dimensions
Дата введения 1986-01-01
Постановлением Государственного комитета СССР по стандартам от 17 декабря 1983 г. N 6095 дата введения установлена 01.01.86
Ограничение срока действия снято по протоколу N 2-92 Межгосударственного совета по стандартизации, метрологии и сертификации (ИУС 2-93)
ПЕРЕИЗДАНИЕ. Октябрь 2012 г.
1. Настоящий стандарт распространяется на стальные горячекатаные двутавры с параллельными гранями полок высотой от 100 до 1000 мм и шириной полок от 55 до 400 мм.
2. По соотношению размеров и условиям применения двутавры подразделяются на типы:
Б – нормальные двутавры;
Ш – широкополочные двутавры;
К – колонные двутавры.
3.
Поперечное сечение двутавров должно соответствовать указанному на черт.1.Обозначение к чертежу и табл.1:
– высота двутавра; – ширина полки; – толщина стенки; – толщина полки; – радиус сопряжения; – момент инерции; – момент сопротивления; – статистический* момент полусечения; – радиус инерции
* Текст документа соответствует оригиналу. – Примечание изготовителя базы данных.
4. Размеры двутавров, площадь поперечного сечения, линейная плотность и справочные величины приведены в табл.1.
Справочник металлопроката
Здесь Вы можете: скачать ГОСТ и узнать основные характеристики интересующего Вас вида металлического проката.
Если вы хотите узнать цены основных Поставщиков Балки стальной в Вашем Регионе или друго вида металлопроката, выбрать Поставщика с минимальной ценой, сравнить прайсы метало-торгующих организаций, Пожалуйста, пройдите по ссылке “Балка стальная Двутавровая”
Производство данного проката регламентируется положениями:
ГОСТ 19425-74 «Балки двутавровые и швеллеры стальные специальные»
ГОСТ 26020-83 «Двутавры стальные горячекатанные с параллельными гранями полок»
ГОСТ 8239-89 «Двутавры стальные горячекатанные»
СТО АСЧМ 20-93 «Прокат стальной сортовой фасонного профиля.
Двутавры горячекатанные с параллельными гранями полок»
Стальная двутавровая балка – важная часть несущей конструкции. Основная сфера применения – строительство. Балка давно используется в работе строителей. До Октябрьской революции ее широко применяли для постройки домов. Внешне этот строительный элемент представляет собой определенный профиль из металла. Форма напоминает букву Н. Простота конструкции, ее устойчивость к большим нагрузкам и прочность в эксплуатации стали основными причинами того, что эта разновидность проката стала необыкновенно распространенной в строительной сфере. Основное направление работы балки – изгиб в несущей конструкции.
Этот металлопрокат имеет специфическое симметричное сечение. Оно максимально выгодно для работы, т.к. изгиб позволяет достигнуть необходимого для соответствия материала распределения нагрузки. Опытные специалисты советуют использовать сплошные балки для таких типов конструкций. Их длина достигает 15-20 м. Значения зависимости степени нагрузки и показателя длины пролета прямо пропорциональны.
Чем больше значение одного показателя, тем больше величина и другого.
Балки являются частью перекрытий, расположенными между этажами, колонн, материалом для постройки мостов и эстакад. Варианты классификаций балок подразумевают их деление по нескольким признакам: предлагаемая внешняя форма, полученные грани полок изделий и их расположение, характерные особенности производственного процесса и способы реализации функций металлопроката в работе.
Различные типы балок отвечают определенным стандартам и общепринятым требованиям. Нормы, применяемые к горячекатаной балке, регламентированы ГОСТ 8239-89, другой вид, стальная специальная, – ГОСТ 19425-74, тип балки, имеющий параллельные грани полок, отвечает требованиям ГОСТ 26020-83.
1. Двутавровая горячекатаная.
Процесс изготовления не такой трудоемкий, по сравнению с другими видами балки. Формирование такой балки предусматривает реализацию двух типов проката: изделие, внутренние полочные грани которого находятся под уклоном, и изделие с параллельными гранями.
Именно для первого вида прокатных балок и разработан ГОСТ 8239-89. Степень уклона равна 6-12%. В качестве материала используют определенные сорта стали, углеродистые виды и низколегированные. Наиболее подходящий вариант для работы с поперечным изгибом.
Точность прокатки определяет балки повышенной точности (Б) и стандартной (В).
Раскрой двутавров тоже имеет свои особенности. Используются профили 4-12м. Бывают мерной, кратной мерной и, конечно же, немерного типа длины.
2. Двутавровая специальная.
Предлагаемый сортамент определен нормативной документацией, такой, как ГОСТ 19425-74. Процесс строительства подвесных путей (определен маркировкой М), упрочнение шахтных стволов методом армирования (С), автомобильная промышленность (роль швеллера) – наиболее распространенные способы применения. Важная особенность этого металлопроката заключается в специфических характеристиках каждой категории. Для работы подвесных путей отлично подходят двутавры с степенью уклона до 12%, для категории С – не более 16%.
Уровень точности металлического профиля делит двутавры на изделия высокой точности, маркировка А, и обычной – обозначение В.
Реализуются балки 4-13м. Показатель длины подразделяет специальные двутавры на несколько категорий: мерной, кратной мерной, а также мерной с остатком не больше 5% массы партии и двутавры немерной длины.
3. Двутавр с параллельно расположенными гранями полок.
Распространенный элемент строительной работы. Демонстрирует отличные свойства и характеристики в сочетании с другими элементами и силовых нагрузках. Предлагаемый сортамент определяется соответствующим государственным органом в ГОСТ 26020-83, который подходит для горячекатаных двутавров, отличающихся параллельными полочными гранями с параметрами: высота 100-1000 мм, соответственно ширина полок 55-400 мм.
Размеры, принципы применения – факторы, влияющие на тип изделия. Используют нормальные (Б), балки широкополочные (Ш), а также колонные (К) изделия. В широкополочных поперечный размер полки соответствует высоте используемого профиля.
Каждый из представленных видов имеет свою техническую специфику. Первый тип двутавров применяется для конструкций с решетчатым типом колонн. Их функция – работать на изгиб. Такая деталь, как широкие полки позволяет реализовывать функции проката на сжатие в различных конструкциях с небольшими колоннами.
Предусмотрена длина изделий 6-24 м. Различают длину мерную, с отрезком и кратную мерной. Также выделяют кратную мерной с отрезком и немерную длину. Общепринятым стандартом допущено изготовление балок определенной длины, соблюдая пределы.
Для определения уровня качества необходимо учитывать большое количество особенностей данного вида проката: максимально правильное распределение используемого материала в профильном сечении, нормативные документы и ограничения, применяемые технологические требования, а также особенности конструкций.
4. Еще один вид балок – горячекатаная с полочными гранями, расположенными параллельно, ее особенности процесса производства отвечают собственному стандарту, техническому условию (СТО АСЧМ 20-93).
Справочник металлопроката
Здесь Вы можете: скачать ГОСТ и узнать основные характеристики интересующего Вас вида металлического проката.
Если вы хотите узнать цены основных Поставщиков Балки стальной в Вашем Регионе или друго вида металлопроката, выбрать Поставщика с минимальной ценой, сравнить прайсы метало-торгующих организаций, Пожалуйста, пройдите по ссылке “Балка стальная Двутавровая”
Производство данного проката регламентируется положениями:
ГОСТ 19425-74 «Балки двутавровые и швеллеры стальные специальные»
ГОСТ 26020-83 «Двутавры стальные горячекатанные с параллельными гранями полок»
ГОСТ 8239-89 «Двутавры стальные горячекатанные»
СТО АСЧМ 20-93 «Прокат стальной сортовой фасонного профиля. Двутавры горячекатанные с параллельными гранями полок»
Стальная двутавровая балка – важная часть несущей конструкции. Основная сфера применения – строительство. Балка давно используется в работе строителей. До Октябрьской революции ее широко применяли для постройки домов.
Внешне этот строительный элемент представляет собой определенный профиль из металла. Форма напоминает букву Н. Простота конструкции, ее устойчивость к большим нагрузкам и прочность в эксплуатации стали основными причинами того, что эта разновидность проката стала необыкновенно распространенной в строительной сфере. Основное направление работы балки – изгиб в несущей конструкции.
Этот металлопрокат имеет специфическое симметричное сечение. Оно максимально выгодно для работы, т.к. изгиб позволяет достигнуть необходимого для соответствия материала распределения нагрузки. Опытные специалисты советуют использовать сплошные балки для таких типов конструкций. Их длина достигает 15-20 м. Значения зависимости степени нагрузки и показателя длины пролета прямо пропорциональны. Чем больше значение одного показателя, тем больше величина и другого.
Балки являются частью перекрытий, расположенными между этажами, колонн, материалом для постройки мостов и эстакад. Варианты классификаций балок подразумевают их деление по нескольким признакам: предлагаемая внешняя форма, полученные грани полок изделий и их расположение, характерные особенности производственного процесса и способы реализации функций металлопроката в работе.
Различные типы балок отвечают определенным стандартам и общепринятым требованиям. Нормы, применяемые к горячекатаной балке, регламентированы ГОСТ 8239-89, другой вид, стальная специальная, – ГОСТ 19425-74, тип балки, имеющий параллельные грани полок, отвечает требованиям ГОСТ 26020-83.
1. Двутавровая горячекатаная.
Процесс изготовления не такой трудоемкий, по сравнению с другими видами балки. Формирование такой балки предусматривает реализацию двух типов проката: изделие, внутренние полочные грани которого находятся под уклоном, и изделие с параллельными гранями. Именно для первого вида прокатных балок и разработан ГОСТ 8239-89. Степень уклона равна 6-12%. В качестве материала используют определенные сорта стали, углеродистые виды и низколегированные. Наиболее подходящий вариант для работы с поперечным изгибом.
Точность прокатки определяет балки повышенной точности (Б) и стандартной (В).
Раскрой двутавров тоже имеет свои особенности. Используются профили 4-12м.
Бывают мерной, кратной мерной и, конечно же, немерного типа длины.
2. Двутавровая специальная.
Предлагаемый сортамент определен нормативной документацией, такой, как ГОСТ 19425-74. Процесс строительства подвесных путей (определен маркировкой М), упрочнение шахтных стволов методом армирования (С), автомобильная промышленность (роль швеллера) – наиболее распространенные способы применения. Важная особенность этого металлопроката заключается в специфических характеристиках каждой категории. Для работы подвесных путей отлично подходят двутавры с степенью уклона до 12%, для категории С – не более 16%.
Уровень точности металлического профиля делит двутавры на изделия высокой точности, маркировка А, и обычной – обозначение В.
Реализуются балки 4-13м. Показатель длины подразделяет специальные двутавры на несколько категорий: мерной, кратной мерной, а также мерной с остатком не больше 5% массы партии и двутавры немерной длины.
3. Двутавр с параллельно расположенными гранями полок.
Распространенный элемент строительной работы. Демонстрирует отличные свойства и характеристики в сочетании с другими элементами и силовых нагрузках. Предлагаемый сортамент определяется соответствующим государственным органом в ГОСТ 26020-83, который подходит для горячекатаных двутавров, отличающихся параллельными полочными гранями с параметрами: высота 100-1000 мм, соответственно ширина полок 55-400 мм.
Размеры, принципы применения – факторы, влияющие на тип изделия. Используют нормальные (Б), балки широкополочные (Ш), а также колонные (К) изделия. В широкополочных поперечный размер полки соответствует высоте используемого профиля.
Каждый из представленных видов имеет свою техническую специфику. Первый тип двутавров применяется для конструкций с решетчатым типом колонн. Их функция – работать на изгиб. Такая деталь, как широкие полки позволяет реализовывать функции проката на сжатие в различных конструкциях с небольшими колоннами.
Предусмотрена длина изделий 6-24 м.
Различают длину мерную, с отрезком и кратную мерной. Также выделяют кратную мерной с отрезком и немерную длину. Общепринятым стандартом допущено изготовление балок определенной длины, соблюдая пределы.
Для определения уровня качества необходимо учитывать большое количество особенностей данного вида проката: максимально правильное распределение используемого материала в профильном сечении, нормативные документы и ограничения, применяемые технологические требования, а также особенности конструкций.
4. Еще один вид балок – горячекатаная с полочными гранями, расположенными параллельно, ее особенности процесса производства отвечают собственному стандарту, техническому условию (СТО АСЧМ 20-93).
Двутавр. Сортаменты и таблицы всех двутавров
Двутавр – основной балочный профиль – имеют наибольшее разнообразие по типам, которые соответствуют определенным областям применения. Двутавровые профили могут быть использованы для любых видов строительных конструкций таких, как
- Балок
- Колонн
- Рам
- Ограждения котлованов при сооружении фундаментов
- Сварные ростверки под металлические башни (временные опоры)
- Элементов ферм
- Элементов вертикальных и горизонтальных связей), а также для зданий и сооружений любого уровня ответственности.

Чем тоньше стенка, тем выгоднее сечение балки при работе ее на изгиб. Однако по условиям технологии прокатки у большинства двутавров стенки получаются значительно толще, чем это требуется по условию их устойчивости.
Благодаря сосредоточению материала в полках двутавры имеют большую жесткость относительно оси x, но небольшая ширина полок делает их малоустойчивыми относительно оси y. Двутавры применяются в изгибаемых элементах (балках), а также в ветвях решетчатых колонн и различных опор, где для их устойчивости применяются составные сечения.
При невозможности применения двутавра в строительных конструкциях можно прибегнуть к замене двутавра на швеллер, иди на другой аналог профиля.
Балка двутавровая
Технические условия» (отменен с 01.05.2018г.). Сортамент нового национального стандарта ГОСТ Р 57837-2017 включает в себя все профилеразмеры, которые ранее производились по СТО АСЧМ 20-93.
При этом номинальные размеры профилей и требования по их предельным отклонениям, номинальные площадь поперечного сечения и масса, а также справочные величины и условные обозначения профилей (номер профиля) в сортаменте ГОСТ Р 57837-2017 абсолютно идентичны тем, что приняты в сортаменте СТО АСЧМ 20-93.
Балки двутавровые обыкновенные имеют уклон внутренних граней полок и обозначаются номером, соответствующим их высоте в сантиметрах.
В сортамент входят профили от № 10 до № 60. Стенки у крупных двутавров имеют минимальную толщину по условиям устойчивости. Соотношение толщины стенки и высоты двутавра достигает 1/55.
Чем тоньше стенка, тем выгоднее сечение балки при работе ее на изгиб. Однако по условиям технологии прокатки у большинства двутавров стенки получаются значительно толще, чем это требуется по условию их устойчивости.
Благодаря сосредоточению материала в полках двутавры имеют большую жесткость относительно горизонтальной оси, но небольшая ширина полок делает их малоустойчивыми относительно вертикальной оси. Двутавры применяются в изгибаемых элементах (балках), а также в ветвях решетчатых колонн и различных опор, где для их устойчивости при меняются составные сечения.
Балки двутавровые с параллельными гранями полок прокатывают трех основных типов: нормальные двутавры (Б), широкополочные двутавры [Ш], колонные двутавры (К).
Отношение ширины полок к высоте балочных профилей (Б) и (Ш) лежит в пределах от 1:1,65 (при малых высотах) до 1:1,25 (при больших высотах).
Колонные профили (К) имеют отношение ширины полок к высоте, близкое 1:1, что придает им устойчивость относительно вертикальной оси. Конструктивные преимущества (параллельность граней полок и мощность сечений) позволяют применять двутавры с параллельными гранями в виде самостоятельных элементов (балки, колонны, стержни тяжелых ферм), не требующие почти никакой обработки, что снижает трудоемкость изготовления конструкций в 2-3 раза.
Из двутавров путем разрезки полки в продольном направлении получают тавровые профили, удобные для применения в решетчатых конструкциях. При отсутствии необходимого сортамента прокатных двутавров, они могут заменяться соответствующим сортаментом сварных двутавров.
Классификация двутавров
Примеры применения двутавров в строительстве
Реконструкция зданий
Кружала с двутавра
Колонна с двутавра
Двутавр в строительстве
Применение двутавра в строительстве мостов
Применение двутавра в строительстве мостов
Двутавр для для надвижки пролетного строения
Двутавр для опирания временных опор
Сортамент двутавров
Двутавры по ГОСТ Р 57837-2017
Двутавры балочные по ГОСТ Р57837-2017
- Двутавры балочные по ГОСТ Р 57837-2017, высотой (h) профиля от 100 до 710 мм, шириной полки (b) от 55 до 262 мм .

- Стенка балочного профиля (s) толщиной от 3,8 до 17 мм.
- Полка двутавра (t) толщиной от 5,1 до 25 мм, при этом площадь сечения F (см²) балки варьируется от 10,32 до 248,14 (см²).
- Вес двутавров M (кг/м) находится в диапазоне от 8,1 до 194,8 (кг за погонный метр),
- Допустимая нагрузка на сечение балки варьируется от 16,512 до 397,024 тонн. по ГОСТ Р57837-2017 находится в диапазоне от 34,2 до 5625 (см³)
Основные размеры двутавра балочного по ГОСТ Р 57837-2017
Двутавры широкополочные по ГОСТ Р57837-2017
- Двутавры широкополочные по ГОСТ Р 57837-2017, высотой (h) профиля от 190 до 780 мм, шириной полки (b) от 149 до 319 мм
- Стенка балочного профиля (s) толщиной от 5 до 38 мм.
- Полка двутавра (t) толщиной от 7 до 64 мм, при этом площадь сечения F (см²) балки варьируется от 31,11 до 660,25 (см²)
- Вес двутавров M (кг/м) находится в диапазоне от 24,4 до 518,3 (кг за погонный метр).

- Допустимая нагрузка на сечение балки варьируется от 49,776 до 1056,4 тонн. (см³) находится в диапазоне от 218,9 до 15797,1 (см³)
Двутавр широкополочный по ГОСТ Р57837-2017
Основные размеры двутавра широкополочного по ГОСТ Р 57837-2017
Двутавры колонные по ГОСТ Р57837-2017
Основные размеры двутавра колонного по ГОСТ Р 57837-2017
Двутавры свайные по ГОСТ Р 57837-2017
- Двутавры свайные по ГОСТ Р 57837-2017, высотой (h) профиля от 128 до 400 мм, шириной полки (b) от 118 до 408 мм
- Стенка балочного профиля (s) толщиной от 9 до 30,3 мм
- Полка двутавра (t) толщиной от 9 до 30,4 мм, при этом площадь сечения F (см²) балки варьируется от 32,38 до 283,97 (см²)
- Вес двутавров M (кг/м) находится в диапазоне от 56,2 до 196,8 (кг за погонный метр)
- Допустимая нагрузка на сечение балки варьируется от 51,808 до 454,352 тонн (см³) находится в диапазоне от 498,2 до 3544,5 (см³)
Основные размеры двутавра свайного по ГОСТ Р 57837-2017
Двутавры балочные дополнительные по ГОСТ Р 57837-2017
- Двутавры дополнительные балочные по ГОСТ Р 57837-2017, высотой (h) профиля от 207 до 617 мм, шириной полки (b) от 102 до 257 мм
- Стенка балочного профиля (s) толщиной от 5,8 до 14,7 мм
- Полка двутавра (t) толщиной от 8,4 до 23,6 мм, при этом площадь сечения F (см²) балки варьируется от 33,87 до 178,52 (см²)
- Вес двутавров M (кг/м) находится в диапазоне от 26,6 до 140 (кг за погонный метр)
- Допустимая нагрузка на сечение балки варьируется от 54,192 до 285,632 тонн (см³) находится в диапазоне от 249,3 до 3629,6 (см³)
Основные размеры двутавра балочного дополнительного по ГОСТ Р 57837-2017
Двутавры дополнительные колонные по ГОСТ Р 57837-2017
- Двутавры дополнительные колонные по ГОСТ Р 57837-2017, высотой (h) профиля от 96 до 264 мм, шириной полки (b) от 100 до 257 мм
- Стенка балочного профиля (s) толщиной от 5 до 14,5 мм
- Полка двутавра (t) толщиной от 6,6 до 24 мм, при этом площадь сечения F (см²) балки варьируется от 21,2 до 128,88 (см²)
- Вес двутавров M (кг/м) находится в диапазоне от 16,7 до 101 (кг за погонный метр).

- Допустимая нагрузка на сечение балки варьируется от 33,92 до 206,208 тонн (см³) находится в диапазоне от 73 до 1240,1 (см³)
Основные размеры двутавра дополнительного колонного по ГОСТ Р 57837-2017
Двутавры по ГОСТ 26020-83
- h — высота профиля
- b — ширина полки
- S — толщина стенки
- t — толщина полки
Двутавры балочные по ГОСТ 26020-83
- Двутавры балочные по ГОСТ 26020-83, высотой (h) профиля от 100 до 1013 мм, шириной полки (b) от 55 до 320 мм
- Стенка балочного профиля (s) толщиной от 3,8 до 19,5 мм
- Полка двутавра (t) толщиной от 5,1 до 32,5 мм, при этом площадь сечения F (см²) балки варьируется от 10,32 до 400,6 (см²)
- Вес двутавров M (кг/м) находится в диапазоне от 8,1 до 314,5 (кг за погонный метр).
- Допустимая нагрузка на сечение балки варьируется от 16,512 до 640,96 тонн по ГОСТ 26020-83Wx (см³) находится в диапазоне от 34,2 до 12940 (см³)
Двутавр балочный по ГОСТ 26020-83
Основные размеры двутавра балочного по ГОСТ 26020-83
Двутавры широкополочные по ГОСТ 26020-83
Конструктивные преимущества (параллельность граней полок и мощность сечений) позволяют применять широкополочные двутавры в виде самостоятельного элемента (балки, колонны, стержни тяжелых ферм), не требующего почти никакой обработки, что снижает трудоемкость изготовления конструкций в 2-3 раза.
Из широкополочных двутавров путем разрезки стенки в продольном направлении получают тавровые профили (БТ), (ШТ) и (КТ) удобные для применения в решетчатых конструкциях. По мере расширения производства широкополочных двутавров применение обыкновенных двутавров сокращается.
Развитие автоматической сварки создает благоприятные условия для производства сварных двутавров из универсальной стали по определенному сортаменту, что дает возможность пользоваться ими так же, как и прокатными .
Справочник металлопроката
Здесь Вы можете: скачать ГОСТ и узнать основные характеристики интересующего Вас вида металлического проката.
Если вы хотите узнать цены основных Поставщиков Балки стальной в Вашем Регионе или друго вида металлопроката, выбрать Поставщика с минимальной ценой, сравнить прайсы метало-торгующих организаций, Пожалуйста, пройдите по ссылке “Балка стальная Двутавровая”
Производство данного проката регламентируется положениями:
ГОСТ 19425-74 «Балки двутавровые и швеллеры стальные специальные»
ГОСТ 26020-83 «Двутавры стальные горячекатанные с параллельными гранями полок»
ГОСТ 8239-89 «Двутавры стальные горячекатанные»
СТО АСЧМ 20-93 «Прокат стальной сортовой фасонного профиля.
Двутавры горячекатанные с параллельными гранями полок»
Стальная двутавровая балка – важная часть несущей конструкции. Основная сфера применения – строительство. Балка давно используется в работе строителей. До Октябрьской революции ее широко применяли для постройки домов. Внешне этот строительный элемент представляет собой определенный профиль из металла. Форма напоминает букву Н. Простота конструкции, ее устойчивость к большим нагрузкам и прочность в эксплуатации стали основными причинами того, что эта разновидность проката стала необыкновенно распространенной в строительной сфере. Основное направление работы балки – изгиб в несущей конструкции.
Этот металлопрокат имеет специфическое симметричное сечение. Оно максимально выгодно для работы, т.к. изгиб позволяет достигнуть необходимого для соответствия материала распределения нагрузки. Опытные специалисты советуют использовать сплошные балки для таких типов конструкций. Их длина достигает 15-20 м. Значения зависимости степени нагрузки и показателя длины пролета прямо пропорциональны.
Чем больше значение одного показателя, тем больше величина и другого.
Балки являются частью перекрытий, расположенными между этажами, колонн, материалом для постройки мостов и эстакад. Варианты классификаций балок подразумевают их деление по нескольким признакам: предлагаемая внешняя форма, полученные грани полок изделий и их расположение, характерные особенности производственного процесса и способы реализации функций металлопроката в работе.
Различные типы балок отвечают определенным стандартам и общепринятым требованиям. Нормы, применяемые к горячекатаной балке, регламентированы ГОСТ 8239-89, другой вид, стальная специальная, – ГОСТ 19425-74, тип балки, имеющий параллельные грани полок, отвечает требованиям ГОСТ 26020-83.
1. Двутавровая горячекатаная.
Процесс изготовления не такой трудоемкий, по сравнению с другими видами балки. Формирование такой балки предусматривает реализацию двух типов проката: изделие, внутренние полочные грани которого находятся под уклоном, и изделие с параллельными гранями.
Именно для первого вида прокатных балок и разработан ГОСТ 8239-89. Степень уклона равна 6-12%. В качестве материала используют определенные сорта стали, углеродистые виды и низколегированные. Наиболее подходящий вариант для работы с поперечным изгибом.
Точность прокатки определяет балки повышенной точности (Б) и стандартной (В).
Раскрой двутавров тоже имеет свои особенности. Используются профили 4-12м. Бывают мерной, кратной мерной и, конечно же, немерного типа длины.
2. Двутавровая специальная.
Предлагаемый сортамент определен нормативной документацией, такой, как ГОСТ 19425-74. Процесс строительства подвесных путей (определен маркировкой М), упрочнение шахтных стволов методом армирования (С), автомобильная промышленность (роль швеллера) – наиболее распространенные способы применения. Важная особенность этого металлопроката заключается в специфических характеристиках каждой категории. Для работы подвесных путей отлично подходят двутавры с степенью уклона до 12%, для категории С – не более 16%.
Уровень точности металлического профиля делит двутавры на изделия высокой точности, маркировка А, и обычной – обозначение В.
Реализуются балки 4-13м. Показатель длины подразделяет специальные двутавры на несколько категорий: мерной, кратной мерной, а также мерной с остатком не больше 5% массы партии и двутавры немерной длины.
3. Двутавр с параллельно расположенными гранями полок.
Распространенный элемент строительной работы. Демонстрирует отличные свойства и характеристики в сочетании с другими элементами и силовых нагрузках. Предлагаемый сортамент определяется соответствующим государственным органом в ГОСТ 26020-83, который подходит для горячекатаных двутавров, отличающихся параллельными полочными гранями с параметрами: высота 100-1000 мм, соответственно ширина полок 55-400 мм.
Размеры, принципы применения – факторы, влияющие на тип изделия. Используют нормальные (Б), балки широкополочные (Ш), а также колонные (К) изделия. В широкополочных поперечный размер полки соответствует высоте используемого профиля.
Каждый из представленных видов имеет свою техническую специфику. Первый тип двутавров применяется для конструкций с решетчатым типом колонн. Их функция – работать на изгиб. Такая деталь, как широкие полки позволяет реализовывать функции проката на сжатие в различных конструкциях с небольшими колоннами.
Предусмотрена длина изделий 6-24 м. Различают длину мерную, с отрезком и кратную мерной. Также выделяют кратную мерной с отрезком и немерную длину. Общепринятым стандартом допущено изготовление балок определенной длины, соблюдая пределы.
Для определения уровня качества необходимо учитывать большое количество особенностей данного вида проката: максимально правильное распределение используемого материала в профильном сечении, нормативные документы и ограничения, применяемые технологические требования, а также особенности конструкций.
4. Еще один вид балок – горячекатаная с полочными гранями, расположенными параллельно, ее особенности процесса производства отвечают собственному стандарту, техническому условию (СТО АСЧМ 20-93).
Что такое металлические балки перекрытия, как их рассчитать и смонтировать?
Перекрытия из металла являются конструкцией, используемой в качестве строительного материала при строительстве различных частных и промышленных объектов.
Перед покупкой материала необходимо произвести необходимые расчеты и убедиться, что для строительства объекта подойдут металлические элементы перекрытия.
Рассмотрим и разберемся с ними подробнее.
Что это такое и каких размеров бывают?
Балка является одним из основных элементов любой конструкции, ее функции – повысить устойчивость конструкции и укрепить ее. Балка (или ригель) состоит из полок и стенок различного размера, соединенных стыковыми швами с использованием сварки. Изготавливаются элементы на оборудованных предприятиях с использованием специальных станков.
Процедура изготовления осуществляется в несколько этапов, после чего готовое изделие проверяется на соответствие ГОСТам.
Металлические конструкции различаются по размерам, для удобства они имеют номера, с помощью которых можно подобрать необходимый материал для строительства.
Сфера применения
Металлические балки для перекрытий нашли свое применение в различных областях. Могут использоваться для:
- Укрепления кровли в жилом и промышленном строительстве.
- Создания межэтажных перекрытий.
- Устройства опор и различных колонн в промышленных сооружениях и архитектурных зданиях.
- Монтажа ангарных каркасов.
- Шахтовых стволов.
- Создания разнообразных железнодорожных вагонов.
- Строительства мостов, эстакад.
- Возведения металлических ферм.
На заметку: балки перекрытий из металла также можно использовать при строительстве малоэтажных частных домов.
Разновидности
Металлические конструкции отличаются по многим признакам. Это рекомендуется учитывать при выборе изделия.
По назначению
С помощью металлических балок можно создать качественное прочное перекрытие, выбрав один из вариантов.
- Монолитное. В опалубку заливается бетон, производится усиление решеткой из арматуры. Поверхность получается бесшовной, отличается высокой прочностью.
- Монолитно-сборное. В этом случае помимо металлических балок используются бетонные блоки, которые укладываются на стальной профиль. Участки стыков заливаются бетоном.
- Составное. Используется комбинация материалов, то есть на несущие металлические изделия укладываются плиты, доски, панели. Этот вариант предполагает создание дополнительного утепления и звукоизоляции поверхности.
По материалу: стальные и алюминиевые
Металлические конструкции могут изготовляться из разных материалов. Самыми популярными являются стальные и алюминиевые балки для перекрытий.
-
Стальные изделия изготавливаются из сплава стали способом холодного или горячего катания. Стальные конструкции бывают нескольких видов: уголок, швеллер, двутавр. Из преимуществ стальных балок можно выделить огнеустойчивость, устойчивость к гниению и внешним факторам, высокую прочность.

Основными недостатками являются: высокая стоимость, низкие показатели тепло и звукоизоляции, риск образования коррозии. Монтаж стальных конструкций невозможно осуществлять без привлечения специальной техники.
По конструкции
В современном строительстве применяют несколько разновидностей металлических балок, различных по конструкции.
- Тавровые. Основное сечение представляет собой стенку и полку в виде буквы «Т».
- Двутавровые. Сечение металлопроката выглядит как буква «Н». Изделие отличается большей жесткостью, чем тавровое, за счет того, что с противоположной стороны имеет дополнительную полку.
Двутавровые элементы подразделяются на несколько видов, каждый из которых имеет маркировку:
- Б – стандартные двутавры.
- Ш – изделие с широкими полями.
- У – узкополочные конструкции.
- Д – среднеполочные изделия.
- К – колонные балки. Ширина полки такого элемента может равняться высоте изделия.

Требования
Все требования, предъявляемые к балкам из металла, четко обозначены в ГОСТах и СНиПах. Основными требованиями являются:
- Прочность. В зависимости от типа материала, используемого при изготовлении изделия, показатели прочности могут отличаться, но они должны соответствовать значениям, указанным в нормативных документах.
- Период эксплуатации. Металлические конструкции, согласно ГОСТ, должны прослужить минимум 80 лет.
- Устойчивость к коррозии. Готовые элементы должны быть дополнительно обработаны составами, предотвращающими образование коррозии.
Характеристики
Балки перекрытий, в зависимости от технологии производства, имеют различные характеристики.
Расчет
При планировании устройства потолка или пола с помощью металлических балок, рекомендуется грамотно выполнить необходимые расчеты.
Какие показатели учитывать?
При проведении расчетов учитывается одновременно целый ряд факторов:
- площадь строящейся поверхности;
- общий вес;
- расстояние между металлическими балками;
- максимально возможную нагрузку;
- ширину пролета.

Чем больше ширина пролета, тем высота металлических изделий должна быть больше.
Формулы
Расчет производится по прочности и жесткости изделия. Вычислив значения в таблицах ГОСТа можно найти необходимый номер проката.
Линейная нагрузка рассчитывается по формуле q = Q * p и используется в последующих расчетах.
- q – величина линейной нагрузки;
- p – шаг укладки балок;
- L – длина перекрываемого пролета.
Максимальный момент сопротивления сечения балки (Wy) находится делением изгибающего момента на расчетное сопротивление материала.
- q – линейная нагрузка на балку;
- L – длина пролета;
- E – модуль упругости материала
- Jy – минимальный момент инерции.
Особенности процесса монтажа
Процедура устройства перекрытий с использованием металлических балок имеет определенные особенности, которые необходимо знать и четко соблюдать.
- Обязательно наличие четкой схемы постройки с произведенными расчетами на прочность и изгиб изделий.
- К боковым граням балок крепятся бруски сечением 60х60, после чего размещается накат из досок.
- Накат накрывается слоем утеплителя, выполняющего функции звуко и теплоизоляции.
- Шаг между стальными балками не должен превышать 150 см, оптимальное расстояние – 100 см.
- Глубина опирания концов металлических конструкций на стены – максимум 25 см.
- Чтобы добиться большей звукоизоляции можно использовать не обычные, а пружинные скобы.
Плюсы и минусы применения в зданиях
Конструкции из металла обладают рядом преимуществ, благодаря которым материал широко используется:
- повышенной прочностью;
- огнестойкостью;
- устойчивостью к внешним факторам;
- повышенной надежностью;
- большим периодом эксплуатации;
- возможностью усилить уже построенное здание;
- увеличенной несущей способностью.

Однако такие балки имеют и свои недостатки, которые также следует учитывать:
- сложность проведения строительных работ;
- необходимость задействовать тяжелую технику;
- металл может подвергаться коррозии;
- требуется производить сложные подсчеты, с чем у новичка могут возникнуть серьезные сложности.
Цены на все виды
В строительстве чаще всего используются двутавровые металлические балки. Средняя стоимость продукции представлена в таблице.
| Наименование балки | Длина | Стоимость |
| двутавровая № 10 | 12 м | 880 |
| двутавровая № 10 Б-1 | 12 м | 780 |
| двутавровая № 12 | 12 м | 900 |
| двутавровая № 12 Б-1 | 12 м | 660 |
| двутавровая № 14 | 12 м | 1050 |
| двутавровая № 14 Б-1 | 12 м | 740 |
| двутавровая № 16 | 12 м | 1300 |
| двутавровая № 16 Б-1 | 12 м | 980 |
| двутавровая № 18 | 12 м | 1280 |
| двутавровая № 18 Б-1 | 12 м | 1150 |
| двутавровая № 20 | 12 м | 1560 |
| двутавровая № 25 Б-1 | 12 м | 2150 |
| двутавровая № 25 Ш-1 | 12 м | 3500 |
| двутавровая № 30 | 12 м | 2600 |
| двутавровая № 35 | 12 м | 3300 |
| двутавровая № 40 | 12 м | 3500 |
| двутавровая № 45 Б-1 | 12 м | 5200 |
Заключение
Использование металлических балок перекрытия рационально и оправдано в области машиностроения и промышленности.
В жилищном строительстве применять эти изделия невыгодно и затратно. Если все-таки решили купить металлические конструкции, то лучше выбирать алюминиевые, так как они больше всех подходят для малоэтажного строительства. Очень важно произвести правильные расчеты.
Читайте также:
- Документ о качестве портландцемент
- Автомат 63а трехфазный тип в
- Дельта 800 камин размеры
- Batibox коробка для монтажа для сухих перегородок глубина 50мм 1п
- Доска якт снять квартиру в якутске
действует гост, сортамент, таблица размеров, приложение
Стальные двутавры – один из самых распространенных видов металлопроката. Он широко применяется в строительстве, например, при устройстве разного рода опорных конструкций, и выдерживает более высокие нагрузки, чем швеллер и уголок. Чтобы правильно выбрать товар, нужно изучить ассортимент двутавров и уметь рассчитывать нагрузки.
Содержание
- Концепция двутавровой балки
- Классификация и область применения
- Сортамент по ГОСТ
- Расчет двутавра
Двутавр концепт
Двутавр представляет собой вид металлопроката , с сечением, аналогичным повернутой букве “Н” … Верхний а нижние плоскости могут быть полностью горизонтальными и параллельными друг другу или иметь небольшой уклон . Такая конструкция позволяет увеличить жесткость конструкций, в которых используются изделия. Работать с прокатом несложно, но для этого нужно иметь навыки сварщика. По оси X двутавровая балка обладает высокой жесткостью, но поскольку полки довольно узкие, она не особенно устойчива по оси Y.
По ГОСТу изготавливают изделия из углеродистых и низколегированных сталей . Производят их и из алюминия – такие профили приобретают, когда для конструкции важен малый вес.
Стандарты регламентируют ряд прокатных характеристик : например, прогибы стен не должны превышать 0,14 S, а максимально допустимая кривизна балки – 0,2%.
При покупке материала рекомендуется изучить сертификаты и другие сопроводительные документы, чтобы оценить, подходит ли он для поставленных задач.
Выделяется 2 способа производства из этого материала:
- Горячекатаные изготавливаются из стальных слитков путем протягивания нагретых заготовок через машину с роликом. Уклон внутренних краев полок для таких товаров не должен превышать 10 %.
- Сварной изделие изготавливается из нескольких кусков металлического листа. При этом ручной труд используется по минимуму, основные процессы обеспечивают автоматизированные линии.
Производство горячекатаного проката происходит быстрее, чем сварного.
Еще один плюс в том, что отсутствуют сварные швы, что сводит к минимуму вероятность коррозии. Несущие качества у обоих видов материала хорошие. Благодаря своей легкости изделия просты в сборке. Полки распределяют нагрузку таким образом, чтобы свести к минимуму риск перекоса.
В малоэтажном строительстве применяется и двутавр деревянный … Это комбинированное изделие, состоящее из массива дерева и кусков плит OSB. Используется в качестве несущего в стропильных системах и для обустройства подкровельных помещений.
Классификация и область применения
Двутавр с повышенной точностью прокаткиПо точности прокатки двутавр подразделяют на нормальный (обозначается буквой Б) и с повышенным значением параметра (буква А).
По назначению и конструктивным особенностям профили бывают нескольких видов:
- Обычный Двутавр – высота превышает ширину полок. Их можно использовать во всех основных приложениях этого профиля.

- Колонна Двутавровые балки, используемые в качестве вертикальных опорных элементов при возведении многоэтажных сооружений. Их полки расположены параллельно друг другу и имеют увеличенную толщину.
- Полка широкая Двутавры предназначены для конструкций, работающих преимущественно на изгиб: мостовые конструкции, лестничные клетки, перекрытия. Переменное сечение повышает несущие качества металлоконструкции по всей длине. Использование таких продуктов также помогает сэкономить деньги (затраты на производство ниже). Приобретая изделия, важно учитывать толщину полки.
- Профили для подвесных путей , к которым предъявляются особые требования. Наклон их внутренних кромок не должен превышать 12%. Такие изделия востребованы при обустройстве некоторых промышленных предприятий. Их профиль может иметь высоту 0,25-0,45 м.
- Свайные профили с повышенной несущей способностью. Применяются для элементов конструкций, работающих на сжатие (иногда в сочетании с изгибом) и растяжение.

Двутавровые балки широко применяются в различных областях строительства :
- строительство и реконструкция зданий
- опорные элементы мостовых сооружений и путепроводов;
- подкрановые балки в производственных и складских помещениях;
- при устройстве шахтных ходов в качестве армирующего компонента;
- при создании крыш;
- пролетные балки в зданиях любого назначения;
- для ограничения котлована при проведении фундаментных работ;
- для крепления полов.
Сортамент по ГОСТ
Действующими ГОСТами на двутавры предусмотрены определенные маркировки. Стандарты предписывают массу изделия в зависимости от его линейных размеров. ГОСТ Р57837-2017
регламентирует размеры двутавра следующих типов:
- балка,
- столбчатая,
- свая,
- широкополочная.
Первые две разновидности бывают двух видов – обычные и дополнительные .
.. По этому стандарту двутавры могут иметь высоту от 10 до 71 см и ширину полки от 5,5 до 26,2 см. Толщина вертикальной части от 4 до 17 мм, а толщина полок от 5,1 до 25 мм. Вес двутавра этой марки варьируется от 8,1 до 194,8 кг на погонный метр. От габаритов зависит вес изделия, а также максимально допустимая нагрузка на него. Самый компактный среди брусовых изделий имеет маркировку 10В1 и имеет высоту 10 см. Его вес составляет 10 кг, а максимальная нагрузка на секцию — 16,512 тонны.
Высота колонного двутавра – от 14,7 до 66,8 см, ширина полки – от 14,9 до 43,5 см, ее толщина – 15-43,5 мм. Минимальная масса метра такого изделия составляет 26,8 кг (это двутавр 15К1 с нагрузкой на сечение 54,762 тонны).
Изучив включенную в Госстандарт таблицу веса двутавров разных марок , вы сможете подобрать вариант, подходящий для конкретной задачи.
ГОСТ 26020-83 рассматривает однотипные изделия за исключением ворса.
Дополнительные опции доступны для балочных профилей и профилей с широкими полками. При рассмотрении числовых значений обнаруживаются некоторые отличия от предыдущего стандарта: например, в этот ГОСТ входят крупногабаритные балочные изделия, габариты которых выходят за рамки ГОСТ 2017 (высота до 101,3 см, метровая масса до 314,5 кг).
Так же есть различные двутавры. профили с наклоном кромок внутренней полки 6-12% … Его изготовление регламентируется ГОСТ 8239-89 … Галтель в месте стыка со стенкой повышает прочность изделия. Это один из самых популярных видов такого профиля.
Твердость Двутавр определяется формой и размерами сечения. На него влияют такие характеристики :
- ширина полки;
- высота профиля;
- радиус кривизны края полки;
- толщина средней вертикальной части и полки;
- моментов сопротивления и инерции.
Предпочтительный Параметры двутавра зависят от особенностей конкретной конструкции.
Учитываются следующие характеристики :
- расстояние между концами опор;
- вид нагрузки и его значение;
- материал, из которого изготовлены балочные элементы;
- распределение силы (сосредоточено в одной точке, равномерно распределено по поверхности и т. д.).
Валера
Голос строительного гуру
Задать вопрос
Обозначения на маркировке профиля расшифровываются следующим образом: первые 2 цифры показывают высоту изделия в сантиметрах, далее следует буква обозначающая тип двутавра. В маркировке используются буквы Б, Ш, С и К, обозначающие балочный, широкополочный, свайный и колонный типы соответственно. Если изделие относится к «дополнительному» классу, перед буквой, обозначающей тип, стоит Д. Таким образом, маркировка профиля 10Б1 означает, что это двутавр балочного типа высотой 10 см.
Расчет двутавровой балки
Одной из важных характеристик, которую следует учитывать, является крепление балки типа в сочетании с распределением нагрузки на нее.
Наиболее распространены следующих типов:
- шарнирно-опорные конструкции – нагрузка может распределяться равномерно, либо быть сосредоточена в одной или двух зонах;
- вариант с жестким окончанием одного из концов и равномерным распределением нагрузки;
- вариант с одним пролетом, односторонней консолью, дополнительной опорой и равномерным распределением усилия;
- Консоль с жестким окончанием и одноточечной сосредоточенной нагрузкой.
Также необходимо рассчитать общую нагрузку, действующую на здание … Включает в себя несколько типов компонентов. Постоянная нагрузка (в случае обычной междуэтажной балки в жилом доме) создают массу самого элемента, пола и цементной стяжки, переменная – например, снег и предметы мебели. Рассчитав общую сумму, ее умножают на коэффициент запаса (он зависит от типа двутавра и чаще всего равен 1,2 или 1,3). Полученное значение необходимо использовать в дальнейшем.
Для выбора размера профиля можно воспользоваться таблицей , в которой приведены рекомендуемые количества балок в зависимости от общей нагрузки, длины пролета и шага … Например, при давлении 300 кг/м² и трехметровый пролет с шагом 1 м можно взять профиль №10. При больших значениях нагрузки и длины номер двутавра тоже будет больше.
Другой способ выбрать момент сопротивления по табличному значению на основе общего веса, умноженного на коэффициент безопасности. По его значению также можно определить рекомендуемый номер профиля для ассортимента. Для надежности двутавр лучше брать на 2 номера больше, чем полученный.
Двутавровые профили – стальные профили и двутавровые балки для строительства
Норвежский дистрибьютор стали Stene Stål Produkter AS стремится стать первым европейским дистрибьютором, имеющим в наличии только открытые стальные профили, изготовленные с низким уровнем выбросов.
Открытые секции включают в себя большие балки и сваи, которые в основном используются в строительстве, вплоть до более мелких изделий, таких как рельсы, стержни и стержни.
Низкий потенциал глобального потепления стали ArcelorMittal приносит пользу нашим клиентам
Широкий ассортимент Stene Stål будет иметь потенциал глобального потепления (GWP) ниже 400 кг CO2 на тонну, начиная с секций IPE, HEA и HEB. Руководствуясь собственной стратегией по более быстрому и эффективному реагированию на изменение климата, а также растущими политическими опасениями в Норвегии, Stene Stål стремится переоборудовать весь свой запас профилей в течение 2022 года, используя все преимущества переработанного и возобновляемого XCarb® от ArcelorMittal. производила балки на люксембургских заводах компании в Белвале и Дифферданже, которые отвечают этим строгим требованиям по выбросам CO2.
При значениях ПГП 333 кг CO2 на тонну стальной продукции [1] (от колыбели до ворот или A1-A3) переработанные и возобновляемые секции XCarb® явно соответствуют амбициям Стене Стола.
Эта цифра, достигнутая благодаря усилиям ArcelorMittal по использованию до 100% металлолома и электроэнергии от солнечных и ветряных источников энергии, передается нашим клиентам, что, в свою очередь, дает им конкурентное преимущество.
С нетерпением ждем будущего сотрудничества
Туве Аспенг, менеджер по закупкам Stene Stål, с нетерпением ждет будущего сотрудничества: «XCarb®, произведенный из переработанных и возобновляемых источников, и сталь с низким уровнем выбросов — это отличная мера для противодействия изменению климата, которая полезно для нас самих, наших клиентов, а также для климата».
О компании Stene Stål Produkter AS
Компания Stene Stål в основном занимается производством стальных конструкций, что отражается в их широком ассортименте продукции и ассортименте длин. Они сертифицированы в соответствии с нормой EN 1090, регулирующей производство и монтаж стальных конструкций для строительного рынка. Кроме того, у них есть средства для автоматической заливки труб длиной до 23 м.
В сочетании со значениями XCarb™ они теперь могут предлагать EPD для конкретных проектов, включая A4, для каждой балки, доставленной на объект.
Хотите узнать больше о XCarb™?
Инициатива XCarb™, запущенная ArcelorMittal в марте 2021 года, объединяет всю продукцию ArcelorMittal с пониженным, низким и нулевым содержанием углерода и производство стали.
Для производства переработанной и возобновляемой стали XCarb® компания ArcelorMittal использует до 100 % металлолома и возобновляемую электроэнергию, получаемую из возобновляемых источников, таких как энергия солнца и ветра. По оценкам ArcelorMittal, переработанная и возобновляемо производимая сталь XCarb® имеет углеродный след всего 0,3 тонны CO2 на тонну стальной продукции, когда металлические изделия состоят на 100% из лома, что подтверждается опубликованной Декларацией экологической продукции (EPD).
Инициативы ArcelorMittal XCarb™ также включают сертификаты XCarb® на экологически чистую сталь, которые специально разработаны для стальной продукции ArcelorMittal, изготовленной из железной руды в доменной печи.
Они основаны на реальном сокращении выбросов CO2, а также на более широких инициативах, направленных на сокращение углеродного следа ArcelorMittal. ArcelorMittal может суммировать эту важную экономию CO2, а затем передать ее нашим клиентам в виде сертификата, подтвержденного независимым аудитором.
[1] Экологическая декларация продукта для переработанных и возобновляемых стальных профилей и сортового проката XCarb®, произведенных в ArcelorMittal Europe, удостоверяет потенциал глобального потепления 333 кг CO2 на тонну стальной продукции, когда металлические изделия представляют собой 100% лом.
Текст:
ArcelorMittal Europe Communications
Constructalia
Изображения:
© Stene Stål
Ссылки по теме
В конце 2021 года завод ArcelorMittal Europe — Long Products в Роданже произвел переработку и модернизацию своего первого завода XCarb®. производит продукцию из переработанной стали с использованием 100% возобновляемой электроэнергии в электродуговой печи.
Балки UPN300, изготовленные в Роданже, только что были доставлены в сервисный центр Gilbert Steel в Элеранже. После резки их по длине и оцинковки они, в свою очередь, доставят их конечному потребителю — Люксембургским железным дорогам (CFL) — для использования на железнодорожной станции Роданжа, всего в двух шагах от завода, где они были изготовлены.
Профили Low CO2 = низкоуглеродистая железнодорожная инфраструктура
Профили UPN от Rodange являются частью более крупного заказа. В начале 2022 года балки HEB и HEM различных размеров также были произведены в ArcelorMittal Belval и Differdange для завершения поставки.
Эти стали, произведенные с очень низким уровнем выбросов CO2, будут использоваться для поддержки железных дорог Люксембурга в рамках их усилий по обезуглероживанию инфраструктуры.
Экологичная мобильность растет в Люксембурге, и в центре внимания находятся решения, основанные на обезуглероживании. С 2007 года все пассажирские поезда CFL работают на возобновляемой электроэнергии и с нулевым уровнем выбросов CO2.
Декарбонизация инфраструктуры является еще одним шагом в экологически ответственном подходе CFL.
Необработанная сталь для опор контактной сети CFL
«Мы стремимся и несем ответственность за устойчивое развитие во всем, что мы делаем — от проектирования до эксплуатации», — говорит Стефан Вейер, глава энергетического подразделения отдела проектирования инфраструктуры CFL.
«Хотя электроэнергия, используемая для тяги наших поездов, уже поступает из 100% возобновляемых источников, для нас также было важно в контексте проекта реконструкции станции Роданж, а также других будущих проектов, внедрить экологически безопасные установки. , особенно в подсистеме «энергия». Количество стали, используемой в таких проектах, является значительным, что составляет примерно 150 тонн стали на километр на станции.
Выбирая зеленую сталь для наших опор контактной сети (за счет сокращения выбросов CO2 при их производстве на 80%), мы активно вносим свой вклад в достижение целей устойчивого развития нашей компании и поощряем инновации.
Мы гордимся тем, что стали первым покупателем переработанной и возобновляемой стали XCarb® на заводе ArcelorMittal в Роданже, и что в нашей стране существует технология производства этой стали. Кроме того, мы постоянно ищем способы сократить выбросы CO2. Мы надеемся, что эта инициатива поможет повысить осведомленность о важности экологически чистой стали».
Экономика замкнутого цикла: экономика завтрашнего дня
Даниэль Д’Антонио, глава отдела железа и металлов / сантехники в Gilbert, приветствует этот первый заказ на XCarb® Recycled и возобновляемое производство:
«Предлагаем нашим клиентам XCarb® Recycled и возобновляемое производства позволяет нам позиционировать себя как участника устойчивого развития в Люксембурге. Я убежден, что экономика замкнутого цикла — это экономика завтрашнего дня. Сталь уже давно известна своей пригодностью для вторичной переработки, а когда ее производство само обезуглерожено — с XCarb® Recycled и возобновляемыми источниками энергии.
например, он становится флагманским материалом для экологически чистого строительства 9.0003
Когда я рассказал о преимуществах XCarb® Recycled и возобновляемого производства для компактных люминесцентных ламп, они сразу же заинтересовались и были рады возможности использовать сертифицированный обезуглероженный продукт для своей инфраструктуры. Декларация экологической продукции (EPD) профилей XCarb® стала определяющим фактором в наших обсуждениях».
Анри Рединг, генеральный директор ArcelorMittal Rodange, комментарии:
«Этот заказ является первым для XCarb® переработанной и возобновляемой стали от Rodange, но в этом проекте CFL Гилберт уже упомянул другие заказы на эту сталь с низким уровнем выбросов CO2. Действительно, все больше и больше клиентов, таких как Гилберт и CFL, запрашивают товары и услуги, которые помогают им уменьшить свой углеродный след, движимые либо их стремлением достичь климатических целей, либо их собственными клиентами, которые осознают свою ответственность перед будущими поколениями.
Для нас большое удовлетворение, когда наши клиенты выбирают наш XCarb® Recycled и производятся из возобновляемых источников и поддерживают нашу экологическую инициативу, привлекая свои собственные заинтересованные стороны».
Gilbert: давний партнер
Сервисный центр Gilbert является давним партнером ArcelorMittal в Люксембурге. В течение 125 лет центр был оснащен самым эффективным рабочим оборудованием, чтобы предлагать своим клиентам широкий спектр услуг от сортиментной резки до обработки поверхности и гальванизации. В Элеранже, где они расположены в течение последних 15 лет, Gilbert предлагает склад площадью 12 000 м2 для хранения более 40 000 тонн металлопродукции.
Дополнительная информация: www.gilbert.lu
Текст:
ArcelorMittal Europe Communications
Изображения:
ArcelorMittal
CFL
Gilbert
Связанные ссылки в конце моста, который поддерживает его надстройку. Большинство мостов имеют опоры на каждом конце, которые обеспечивают поддержку как в вертикальном, так и в поперечном направлении по всему пролету моста, а также подпорные стенки, которые позволяют мосту противостоять боковым движениям.

Стальные опоры мостов изготавливаются из забивных стальных свай. Эти сваи забиваются на необходимую глубину для поддержки моста. После того, как стальные сваи вбиты в землю, часть балки над землей укрепляется и закрывается колпачком для создания изогнутой сваи, поддерживающей надстройку.
Сваи, используемые для строительства устоев моста, создаются из стальных балок, таких как балки с широкими полками и двутавровые сваи. Оба этих типа балок включают в себя центральную стенку, которая соединяет два параллельных концевых элемента, известных как полки. В то время как полки в стандартной балке относительно узкие, полки в широкополочных балках и двутавровых сваях шире, иногда даже равны по длине высоте стенки. Балки с широкими полками и двутавровыми сваями обладают высокой несущей способностью, а также малым весом, что делает их популярным выбором для строительных проектов, таких как опоры стальных мостов.
Материалы, используемые для изготовления стальных опор мостов
Сталь является наиболее распространенным материалом, используемым для изготовления балок, используемых в стальных опорах мостов.
В частности, используются углеродистая конструкционная сталь и высокопрочная низколегированная конструкционная сталь. Сталь предпочтительнее, потому что она легко настраивается, долговечна, с ней легко работать и она долговечна.
Широкие полки и двутавровые сваи для опор стальных мостов
Широкие полки и двутавровые сваи имеют большую несущую способность по сравнению со стандартными балками, а также способность обеспечивать лучшее распределение веса по большей площади. Из-за этого балки с широкими полками и двутавровые сваи могут поддерживать более крупные и тяжелые конструкции, такие как мосты. Отдельные сваи были испытаны на нагрузку в 1000 тонн.
Обычные размеры опорных балок моста
Маленькие широкополочные балки и двутавровые сваи чаще всего используются для создания опор мостов. Общие размеры включают:
W8: W8x18, W8x21, W8x24, W8x28, W8x31, W8x35, W8x40, W8x48, W8x58, W8x67
W10: Ш10х22, Ш10х26, Ш10х30, Ш10х33, Ш10х39, Ш10х45, Ш10х49, Ш10х54, Ш10х60, Ш10х68, Ш10х77, Ш10х88, Ш10х100, Ш10х112
W12: W12x26, W12x30, W12x35, W12x40, W12x45, W12x50, W12x53, W12x58 ,W12x65, W12x72, W12x79, W12x87, W12x96, W12x106, W26x120, W12x136, W12x152, W12x170, W12x190, W12x210, W12x230, W12x252
W14: W14x22, W14x26, W14x30, W14x34, W14x38, W14x43, W14x48, W14x53, W14x61, W14x68, W14x74, W14x82, W14x90, W14x99, W14x109, W14x120, W14x132, W14x145, W14x159, W14x176, W14x193, W14x211, W14x233 , Ш14×257, Ш14×283
Ш16: Ш16х26, Ш16х31, Ш16х36, Ш16х40, Ш16х45, Ш16х50, Ш16х57, Ш16х67, Ш16х77, Ш16х89, Ш16×100
W18: W18x35, W18x40, W18x46, W18x50, W18x55, W18x60, W18x65, W18x71, W18x76, W18x86, W18x97, W18x106, W18x119, W18x130, W18x143, W18x158, W18x175, W18x192, W18x211, W18x234
W21: W21x44, W21x50, W21x57, W21x58, W21x55, W21x62, W21x68, W21x73, W21x83, W21x93, W21x101, W21x111, W21x122, W21x132, W21x147, W21x166, W21x182, W21x201, W21x223, W21x248, W21x275
W24: W24x55, W24x62, W24x68, W24x76, W24x84, W24x94, Ш24×103, Ш24×204, Ш24×117, Ш24×131, Ш24×146, Ш24×162, Ш24×176, Ш24×192, Ш24×207, Ш24×229
W27: Ш27×84, Ш27×94, Ш27×102, Ш27×114, Ш27×129, Ш27×146, Ш27×161, Ш27×178, Ш27×194
W30: Ш30х90, Ш30х99, Ш30х108, Ш30х116, Ш30х124, Ш30х132, Ш30х148
W33: Ш33×118, Ш33×130, Ш33×141, Ш33×152, Ш33×169
W36: Ш36×135, Ш36×150, Ш36×160, Ш36×170, Ш36×182, Ш36×194, Ш36кс210, Ш36кс232, Ш36кс256
HP8: HP8x36
HP10: HP10x42, HP10x57
HP12: HP12x53, HP12x63, HP12x74, HP12x84, HP12x89, HP12x102, HP12x117
HP14: HP14x73, HP14x89, HP14x102, HP14x117
HP16: HP16x88, HP16x101, HP16x121, HP16x141, HP16x162, HP16x183
Покупайте и продавайте с помощью Eiffel Trading
Eiffel Trading — это централизованная онлайн-рыночная площадка, которая позволяет крупным строительным подрядчикам покупать и продавать бывшие в употреблении, новые и избыточные активы.
Наш ассортимент стальных балок включает новых двутавровых балок , бывших в употреблении двутавровых балок , новых широкополочных балок и бывших в употреблении широкополочных балок . Кроме того, мы продаем широкий ассортимент подержанного оборудования, в том числе бывших в употреблении секционных барж , бывшая в употреблении бетонная опалубка , бывшая в употреблении опорная стойка и многое другое.
Все наши объявления постоянно обновляются, но если вы не видите то, что ищете, бесплатно создайте объявление о розыске .
Готовы продать подержанное тяжелое оборудование или строительные материалы? Разместите свои продукты сегодня бесплатно на онлайн-рынке Eiffel Trading.
Если у вас есть вопросы или вам нужна дополнительная информация, позвоните нам по телефону 1-800-541-7998 или по электронной почте sales@eiffeltrading.
com .
I Beam – Bilder und Stockfotos
1.055Bilder
- Bilder
- Fotos
- Grafiken
- Vektoren
- Videos
Niedrigster Preis
SignatureBeste Qualität
Durchstöbern Sie 1.055
i beam Stock -Фотография и фотографии. Oder starten Sie eine neuesuche, um noch mehr Stock-Photografie und Bilder zu entdecken. realistischer stahl-i-träger isoliert auf dem weißen hintergrund. 3D-рендеринг – фото и изображенияRealistischer Stahl-I-Träger, выделенные на заднем плане.
Einzelne Stahl i-Träger – i-Träger Stock-PhotosEinzelne Stahl i-Träger
Einzelne Stahl-I-Träger isoliert auf weißem Hintergrund – 3D-рендеринг Arbeiter Schweißen
Eisenarbeiter, der einen i-Balken an einem Hochhaus schweißt
metallbauträger, stahlkonstruktionsträger – графика на балке, -клипарт, -мультфильмы и -символыMetallbauträger, Stahlkonstruktionsträger
Metallbauträger, Stahlkonstruktionsträger isoliert auf weißem Hintergrund.
Vektor realistischer Satz von Eisenbalken für den Bau, rostfreies Strukturprofil. 3D-Darstellung starker I-Balken
arbeiter in der Werkstatt schweißen die Stahlrahmenkonstruktion
оранжевый образец I-Beams-inventar gebündelt und in einem lager gelagert – i beam stock-fotos und bilderOrange Gefärbtes I-Beams-Inventar und in einem Lager…
i-beam konstruktion symbol – i beam stock-grafiken , -clipart, -cartoons und -symboleI-Beam Konstruktion Symbol
I-Beam-Construktionssymbol als EPS 10-Datei
konstruktion träger balken stapel metallstruktur haufen – i beam stock-fotos und bilderKonstruktion Träger Strap MetallStap
Baustelle Balken Träger Stapel H-Träger Metallkonstruktion
кранхакен с каналом, двутавровой балкой. 3D-рендеринг, изолированный на заднем плане – фото и изображения луча Kranhaken с каналом, H-Beam.
3D-Rendering isoliert auf weißem…
Eisenarbeiter bei der Arbeit and einem I-Träger auf einem Hochhaus
metall laсieren stahlträger außer – я луч стоковых фотографий и изображенийMetall laсieren Stahlträger außen mit Farbroller
stahlträger stapeln sich auf projektplänen undergrund. 3D-иллюстрация – стоковые фотографии и изображения лучаStahlträger stapeln sich auf Projektplänen Hintergrund. 3D-иллюстрация
eisen und stahl materiallagerung – стоковые фотографии и изображения балокEisen und Stahl Materiallagerung
стальные балки – стоковые фотографии балок и изображенияSteel ich Balken
Fairfax restaurierung “altes rathaus” – стоковые фото балки и изображениеFairfax “Altes Rathaus” Restaurierung
stahlträgerkonzept mit mehreren trägern perspektivisch, 3d-rendering – i beam stock-fotos und bilderStahlträgerkonzept mit mehreren Trägern perspektivisch, 3D-Renderi
Stahlträgerkonzept mit mehreren Trägern in Perspektive, 3D-Rendering.
Verschraubte Verbindung von Stahlträgern. Металлоконструкции…
Stapel h-trägerstahl für baubedarf – I балка, фото и изображенияStapel H-Trägerstahl für Baubedarf
h балка или балка betonmast – i балка, фото и фотографии , vom größten bis zum kleinsten, baustoff – i beam stock-fotos und bilderStahlträger, Stahlträger unterschiedlicher Größe, vom größten…
metallbauträger, bauträger – i beam stock-grafiken, -clipart, -cartoons und -symboleMetallbauträger, Bauträger
Metallbauträger, Stahlkonstruktionsträger. Vektorrealistischer Satz von rostfreiem Balken für den Bau, Eisenstrukturprofil isoliert auf weißem Hintergrund. 3D-Darstellung starker I-Balken
bau der anlage aus metallkonstruktionen – i beam stock-fotos und bilderBau der Anlage aus Metallkonstruktionen
i-beam betonmast – i beam stock-fotos and bilderI-beam betonmast
вектор von h- луч – я луч сток-графика, -клипарт, -мультфильмы и -символVektor von H-beam
stahl i trägerkonstruktion – i beam stock-fotos und bilderStahl i Trägerkonstruktion
industrieller hintergrund mit abstraktem engineering – i beam stock-fotos und bilderIndustrieller Hintergrund mit abstraktem Engineering
Industrieller Hintergrund mit abstrakter Ingenieurstruktur aus blauen und weißen Formen, die durch Stahl-I-Träger und metallische Rohrleitungen miteinander verbunden sind.
Facility Management, Bauindustrie, Industrieanlagen. Футуристический дизайн.
Промышленное фото двутавровой балки
I-Träger in einer Reihe in einer Fabrik
die symbole gewalzte metallprodukte linear – i beam stock-grafiken, -clipart, – мультфильмы и символыDie Symbole gewalzte Metallprodukte linear
Вектор. Lineare Walzsymbole aus Metall. Сортимент в Изометрии. Strukturelemente für Metallarbeiten. Schichten gut getrennt.
stahlklemmheben für fertigungsarbeiten im werkheben H-beam mit brückenkran – i beam stock-fotos und bilderStahlklemmheben für Fertigungsarbeiten im Werkheben H-Beam mit Brü
stahl i-träger und träger – bauwesen baupproducte und materialienhintergrund fotoserie – i beam stock-fotos und bilderStahl I-Träger und Träger – Bauwesen Baupproducte 9003… -034 – стоковые фотографии и изображения i луча
Stahl-034
auf dem boden ruhende stahlträger, baumaterial 3d-рендеринг, 3d-иллюстрация -Ил beton leck injection stift schaumabdichtung – i beam stock-fotos und bilderBeton Leck Injection Stift SchaumAbdichtung
gestapeltes metall i-beams teile eines vorgefertigten gebäudes.
schnell gebaute lagerbauteile im lager – i beam stock-fotos und bilderGestapeltes Metall i-Beams Teile eines vorgefertigten Gebäudes….
ein werker inspiziert das i-beams-inventar in einem lager – i beam stock-fotos und bilderEin Werker inspiziert das i-beams-Inventar in einem Lager
человек, Die Korrosionschutzbeschichtungen Auf Metallträger Sprüht-I Beam Stock-fotos und Bilder, Die Korrosionschutzbeschichtungen Auf Metallträger Sprüht
stahl-038-I Beam-Fock-Fotose und Bilder88888888888888 9000. i балка стоковые фотографии и изображения
Genietete Stahlträgern, die Unterstützung der Brücke span
Detail der genieteten Stahlträger, die die Spannweite der Brücke über die Themse stützen
Ein Werker inspiziert das i-beams-inventar in einem lager – i beam stock-fotos und bilderEin Werker inspiziert das i-beams-Inventar in einem Lager
holzverschalung – i beam stock-fotos und bilderHolzverschalung
– Фото со стока и изображенияWarmwalzen von Stahl im Lager der Eisengießerei.
stahl-036 – стоковые фотографии и изображения с балкамиStahl-036
Железный Арбайтер Schweißen ich Beam – i Beam Stock-fotos und BilderЖелезный Арбайтер Schweißen ich Beam
i-strahl und kanal, weißes profil. вектор-иллюстрация. – я луч сток-графика, -клипарт, -мультфильмы и -символI-Strahl und Kanal, weißes Profil. Вектор-иллюстрация.
I-Strahl und Kanal, weißes Profil. Векториллюстрация. линейные, мерцающие и трехмерные символы.
rohrverbinder isoliert – стоковые фотографии и изображения i beamRohrverbinder isoliert
arbeiter auf i-beam – i beam stock-grafiken, -clipart, -cartoons und -symboleArbeiter auf I-Beam
bau von stahlkonstruktionen – i beam stock-fotos und bilderBau von Stahlkonstruktionen
die klemme verbindet die schalungsplatten – i beam stock-fotos und bilderDie Klemme verbindet die Schalungsplatten
maschine zum schneiden von kaltgewalzten stahlcoils – i балка стоковые фотографии и изображенияМашина Zum Schneiden kaltgewalzten Stahlcoils
Stapel stahl i-träger stock foto.
3D-рендеринг – стоковые фотографии и изображенияStapel Stahl I-Träger Stock Photo. 3D-рендеринг
Iron Arbeiter Schweißen ich Beam – i Beam Stock-fotos und BilderIron Arbeiter Schweißen ich Beam
Eisenarbeiter, der Einen i-Balken an einem Hochhaus schweißt
einzelne stahl i-träger – i beam Stahl Stock-fotos 0hlinzelne 02 Bilder i-Träger dachstuhl, die mit dem dachstuhl verbunden sind, nicht mit einem dach bedect, mit einem stahl-i-balken anstelle eines ecksparrens. – i beam stock-fotos und bilderDachstuhl, die mit dem Dachstuhl verbunden sind, nicht mit einem…
stehlen sie i-beam-tribünen mit x-querstrebe mit steinoberfläche direkt auf die tribünen unter den stadiontribünen. – i beam stock-fotos und bilderStehlen Sie I-Beam-Tribünen mit X-Querstrebe mit Steinoberfläche…
neubau keller stahlträger ecktragwerk – i beam stock-fotos und bilderNeubau Keller Stahlträger Ecktragwerk
Neubau Keller Stahlträger Ecktragwerk
-Law-Wohnungsbaupprojekt.
Dies ist ein Blick auf eine innere Ecke des neuen Kellers, wo ein starker Stahlträger-Baubalken, der Unterboden des Hauptbodens stützen wird, in einen Spalt oben in der Ecke der Schlackenblockwand eingefügt wurde.
Schwere Metallsäulenstruktur des Lagergebäudes.
der Innenstadt von San Diego – стоковые фото и изображения лучаDer Innenstadt von San Diego
eine i-beam-level-stange auf dem stahlrahmen von möbeln, um das gleichgewicht zu überprüfen. в einer werkstatt oder fabrik. – I-Beam Stock-Fotos und BilderEine I-Beam-Level-Stange auf dem Stahlrahmen von Möbeln, um das…
metallprofil H-Beam – i Beam Stock-fotos und BilderДвутавровая балка Metallprofil
Träger, I-Träger, Stahl, Eisen – Metall, Dachbalken
Fachwerk aus alten stahlträgern und trägern auf der baustelle zum brückenbau. Баустофф Шталь. – i beam stock-fotos und bilder Fachwerk aus alten Stahlträgern und Trägern auf der Baustelle.
..
10 лучших пылесосов 2022 года
Bissel/Samsung/Shark
Мы обновили эту статью в июле 2022 года, чтобы убедиться, что все цены точны, а все товары, рекомендованные лабораторией очистки Good Housekeeping Institute, есть в наличии.
Ручные пылесосы — идеальный инструмент для быстрой уборки голых полов и ковров с низким ворсом, когда у вас нет времени (или энергии), чтобы таскать с собой более тяжелый полноразмерный контейнер или вертикальный пылесос. Хотя мы всегда считали их отличными вторичными пылесосами, палочные пылесосы, которые мы тестируем сегодня в Good Housekeeping Cleaning Lab, убирают намного лучше, чем модели, которые мы тестировали в прошлом. На самом деле, некоторые из них даже конкурируют с полноразмерными пылесосами по производительности глубокой уборки. Новые модели оснащены более мощными аккумуляторами с увеличенным сроком службы, улучшенными щеточными валиками и насадками для глубокой очистки. А когда дело доходит до гибкости и удобства, их нельзя превзойти: поскольку большинство из них также можно преобразовать в ручные пылесосы, они также могут легко чистить обивку, лестницы и даже автомобиль.
Наша экспертная команда Cleaning Lab постоянно тестирует и рекомендует все виды пылесосов, включая роботизированные пылесосы, ручные пылесосы, пылесосы для шерсти домашних животных, пылесосы для деревянных полов и даже бюджетные пылесосы стоимостью менее 100 долларов. В нашем последнем тесте категории только стержневых пылесосов, , мы собрали 890 точек данных всего от 12 пылесосов.
Лучший аккумуляторный пылесос
Jet 90 Complete Аккумуляторный пылесос SAMSUNG
793$ НА АМАЗОН
Подробнее
793$ НА АМАЗОН
Аккумуляторный пылесос с наилучшей стоимостью
Легкий беспроводной пылесос Stylus ЭВРИКА
207 долларов на АМАЗОН
Подробнее
207 долларов на АМАЗОН
Лучший беспроводной пылесос для шерсти домашних животных
Аккумуляторный пылесос V15 Detect Дайсон
750 долларов США НА ЦЕЛЬ
Подробнее
750 долларов США НА ЦЕЛЬ
Самый инновационный пылесос
Ручной пылесос Triflex HX1 Миле
530 долларов на АМАЗОН
Подробнее
530 долларов на АМАЗОН
Лучший пылесос для деревянных полов
Беспроводной пылесос Omni-glide Дайсон
450 долларов США ПО ЛУЧШЕЙ ПОКУПКЕ
Подробнее
450 долларов США ПО ЛУЧШЕЙ ПОКУПКЕ
Лучший пылесос со шнуром
Вакуумная ракетная палка со шнуром Акула
274 доллара на АМАЗОН
Подробнее
274 доллара на АМАЗОН
Лучший вакуумный пылесос с самым продолжительным временем работы
Пылесос CordZero Kompressor Stick LG
532 доллара на АМАЗОН
Подробнее
532 доллара на АМАЗОН
Best Stick Vacuum для страдающих аллергией
Аккумуляторный пылесос H7 роборок
450 долларов на АМАЗОН
Подробнее
450 долларов на АМАЗОН
Лучший пылесос Basic Stick
Беспроводной ручной пылесос AirRam Бисселл
268 долларов на WAYFAIR
Подробнее
268 долларов на WAYFAIR
Лучший беспроводной пылесос для небольших помещений
WANDVAC System Cordless Stick Vacuum Cleaner Акула
179 долларов в Walmart
Подробнее
179 долларов в Walmart
Загрузи больше Показывай меньше
Прокрутите эту статью до конца, чтобы узнать больше о том, как мы тестируем; а пока вот наш выбор лучших пылесосов 2022 года:
Лучший беспроводной пылесос
SAMSUNG
Jet 90 Complete Аккумуляторный пылесос
Самсунг
793$ НА АМАЗОН
Аккумуляторный пылесос Best Value
EUREKA
Легкий беспроводной пылесос Stylus
Лучший беспроводной пылесос для шерсти домашних животных
Dyson
Аккумуляторный пылесос V15 Detect
Dyson
Самый инновационный пылесос
Миле
Ручной пылесос Triflex HX1
Miele
Лучший пылесос для паркетных полов
Dyson
Беспроводной пылесос Omni-glide
Dyson
Беспроводной пылесос Best
Shark
Вакуумная ракетная палка со шнуром
Shark
Лучший пылесос с самой продолжительной работой
LG
Пылесос CordZero Kompressor Stick
LG
Лучший пылесос для аллергиков
roborock
Аккумуляторный пылесос H7
Роборок
450 долларов на АМАЗОН
Best Basic Stick Vacuum
Bissell
Беспроводной ручной пылесос AirRam
Бисселл
268 долларов на WAYFAIR
Лучший беспроводной пылесос для небольших помещений
Shark
WANDVAC System Cordless Stick Vacuum Cleaner
Акула
179 долларов в Walmart
Как мы тестируем беспроводные пылесосы
Ни один пылесос не является идеальным выбором для каждой потребности в уборке, поэтому мы обычно рекомендуем иметь несколько стилей в вашем арсенале для уборки, и палочный пылесос, безусловно, должен быть частью набора.
Лаборатория GH Cleaning Lab постоянно тестирует пылесосы всех производителей и моделей, и, поскольку на рынок постоянно поступают новые, мы постоянно обновляем наши обзоры. Добавьте это к сотням часов, которые мы потратили на тестирование стоек, канистр, роботов и многого другого, и можно с уверенностью сказать, что мы знаем наши пылесосы. С тех пор мы добавили в список еще больше моделей.
Когда мы оцениваем палочку или любой вакуум, мы основываем наши тесты на стандартных методах испытаний ASTM International. Являясь членами Комитета по пылесосам F11 этой добровольной организации по разработке стандартов, мы дважды в год встречаемся с инженерами и экспертами отрасли для обсуждения, разработки и обновления методов тестирования пылесосов, которые мы все используем. Основная роль Good Housekeeping в этом комитете заключается в том, чтобы убедиться, что эти стандарты соответствуют тому, как повседневные потребители на самом деле используют пылесосы, и их опыту с ними. Наше вакуумное тестирование палочек включает в себя оценку:
Производительность : Мы оцениваем, насколько хорошо каждый пылесос удаляет «шерсть домашних животных», равномерно распределяя стандартные вискозные волокна, которые имитируют настоящую шерсть домашних животных и прилипают к поверхности ковра.
Каждый пылесос проводится по ковру одинаковое количество раз, и то, что осталось, засчитывается. Аналогичным образом мы оцениваем, насколько хорошо он собирает крупные и мелкие частицы мусора (например, риса, сухой овсянки и песчаного песка) с твердых напольных покрытий, таких как винил, и насколько тщательно он очищает края. Поскольку эти пылесосы лучше подходят для глубокой уборки, мы также используем нашу автоматическую машину, изготовленную по индивидуальному заказу, чтобы измерить, сколько въевшейся грязи они удаляют с плюшевых ковров.
Простота использования : Поскольку пылесос должен не только хорошо работать, но и облегчать уборку, мы взвешиваем его вес и измеряем время работы моделей с батарейным питанием как с насадками, так и без них. Мы оцениваем, насколько удобно его держать, насколько удобны элементы управления для доступа и использования, а также насколько легко или сложно очищать и опорожнять пылесборник.
Звук : Мы проверяем наши модели на бесшумность с помощью Quiet Mark, международной сертификационной организации, целью которой является снижение шумового загрязнения.
Они измеряют для нас уровень шума каждой модели.
Характеристики : Мы отмечаем и тестируем любые функции, такие как наличие индикатора заряда батареи, кнопки управления валиком щетки или дополнительных инструментов и насадок.
Потребительский опыт: Наконец, мы нанимаем потребителей-тестеров для оценки маневренности пылесосов на голом полу и ковре, вокруг углов и под мебелью, легкости извлечения пылесборника или мешка и простоты управления пылесосом. .
На что обратить внимание при покупке лучших беспроводных пылесосов
✔️ Сетевые и беспроводные: Сетевые пылесосы работают без перерыва, поэтому нет простоев и нет необходимости перезаряжать аккумулятор. Недостатком является то, что вы привязаны к розетке и можете перемещаться только на длину шнура. Беспроводные пылесосы работают от аккумуляторов, а современные литий-ионные аккумуляторы обладают большей мощностью и служат дольше, чем никель-кадмиевые аккумуляторы старых моделей — некоторые до 60 минут или дольше — без подзарядки.
В некоторых моделях сам аккумулятор можно снять для зарядки, что позволяет просто подключить только аккумулятор для зарядки, а остальную часть пылесоса хранить в шкафу вне поля зрения. Большинство новых, более инновационных моделей беспроводные, как и все те, которые мы здесь рекомендовали.
✔️ Тип пола: Ручные пылесосы лучше всего подходят для уборки голых полов, ковров с низким ворсом и чистящих поверхностей, а для тех, которые переоборудуются в ручной пылесос или имеют ручной пылесос на борту, обивки, лестниц и даже автомобиля . Для более крупных работ, таких как уборка всего дома с несколькими комнатами, ковров с длинным ворсом и сочетания твердых и мягких поверхностей, вы можете предпочесть полноразмерный вертикальный или канистровый пылесос.
✔️ Щеточный валик: Если у вас есть коврики и ковровые покрытия с ворсом, важно иметь вращающийся валик, чтобы удалить грязь, осевшую в пучках. Щеточные валики также помогают собирать мусор на голых полах, но иногда могут вызывать разбрасывание и должны быть достаточно мягкими, чтобы не царапать их.
Если вы пылесосите только голые полы, лучше всего подойдет палочный пылесос с мягкой, пушистой вращающейся щеткой.
✔️ Трансформируемость : Наличие одного пылесоса, выполняющего двойную функцию, всегда является преимуществом. По этой причине практически все палочные пылесосы можно либо преобразовать в ручной пылесос, сняв верхнюю часть с двигателем или сняв ручку, либо они поставляются с отдельным ручным блоком, который защелкивается непосредственно на корпусе палочного пылесоса. И ручной, и ручной пылесос работают от одного и того же двигателя, поэтому они заряжаются (и разряжаются) одновременно. Ручные версии отлично подходят для чистки обивки, лестниц, автомобиля и для быстрого сбора сухих пятен, таких как рис или хлопья, с голого пола.
✔️ Место для хранения: Из-за своей тонкости палочные пылесосы занимают меньше места при хранении, чем полноразмерные пылесосы, но большинство из них не могут стоять сами по себе, особенно с мощными двигателями сверху.
По этой причине большинство из них поставляются с кронштейнами для зарядки, которые можно закрепить на стене. У других могут быть основания, на которые вы устанавливаете пылесос, чтобы держать его в вертикальном положении для хранения и зарядки. Новейшие модели имеют системы хранения, которые даже автоматически опорожняют пылесборник пылесоса, когда вы кладете его внутрь, чтобы избежать беспорядка. Какой бы тип вы ни выбрали, мы рекомендуем искать модель с подставкой, на которой также можно разместить любые насадки, чтобы все аккуратно хранилось в одном месте. Некоторые поставляются с выдвижными или складными ручками, чтобы занимать еще меньше драгоценного места в шкафу.
Почему стоит доверять Good Housekeeping?
Кэролайн Форте имеет более чем 40-летний опыт работы экспертом по потребительским товарам и занимает должность исполнительного директора лаборатории по уходу за домом и уборке Good Housekeeping. После получения степени B.
A. Она получила степень бакалавра наук о семье и потреблении в Куинс-колледже Городского университета Нью-Йорка и непродолжительное время работала аналитиком по текстилю в секторе розничной торговли, после чего поступила в Институт хорошего домашнего хозяйства. Кэролин обладает глубоким аналитическим опытом в области тестирования и написания редакционных статей в таких категориях, как бытовая техника, чистящие средства, текстиль, а также товары для дома и организации. Она является автором многочисленных специальных публикаций Good Housekeeping, регулярно дает интервью и цитируется в качестве ведущего отраслевого эксперта. В течение последних трех лет Кэролин сотрудничает с Американским институтом уборки для совместного проведения саммитов Discover Cleaning Summit.
Кэролайн Форте
Исполнительный директор Лаборатории домашнего ухода и уборки
Кэролин Форте обладает более чем 40-летним опытом работы в качестве эксперта по потребительским товарам в качестве исполнительного директора лаборатории по уходу за домом и уборке Института хорошего ведения домашнего хозяйства.
Линн Редмайл Аналитик продукта Линн Редмил (она/она) — аналитик по обзору продуктов в Институте хорошего домашнего хозяйства, где она с 2012 года оценивает косметику, текстиль, товары для дома, домашних животных и чистящие средства.
S-фланец, узкая двутавровая балка, размеры 3
S-фланец, узкая двутавровая балка, размеры 3–24 Таблица размеров ASTM A6
Фланец, двутавровая балка или двутавровая балка Размеры 3–24 Таблица размеров АСТМ А6.
Узкая S или узкополочная двутавровая балка
Различия между узкой и широкой двутавровой балкой
| Размер Высота x Ширина | Фланец Толщина | Сетка Толщина | Вес (фунт/фут) | Район (в 2 ) |
3. 000 x 2.330 | .260 | .170 | 5,70 | 1,67 |
| 3.000 x 2.509 | .260 | .349 | 7,50 | 2,21 |
| 4.000 x 2.663 | .293 | .193 | 7,70 | 2,26 |
4. 000 x 2.796 | .293 | .326 | 9,50 | 2,79 |
| 5.000 x 3.004 | .326 | .214 | 10.00 | 2,94 |
| 5.000 x 3.284 | .326 | .494 | 14,75 | 4,34 |
6. 000 x 3.332 | .359 | .232 | 12.50 | 3,67 |
| 6.000 x 3.565 | .359 | .465 | 17,25 | 5,07 |
| 7.000 x 3.662 | .392 | .252 | 15.30 | 4,50 |
7. 000 x 3.860 | .392 | .450 | 20.00 | 5,88 |
| 8.000 x 4.000 | .425 | .271 | 18.40 | 5,41 |
| 8.000 x 4.171 | .425 | .441 | 23.00 | 6,77 |
| 10 000 x 4 661 | . 491 | .311 | 25.40 | 7,46 |
| 10 000 x 4 944 | .491 | .594 | 35.00 | 10.30 |
| 12 000 x 5 000 | .544 | .350 | 31,80 | 9,35 |
12. 000 x 5.078 | .544 | .428 | 35.00 | 10.30 |
| 12.000 x 5.252 | .659 | .472 | 40,80 | 12.00 |
| 12 000 x 5 477 | .659 | .687 | 50,00 | 14,70 |
15. 000 x 5.500 | .622 | .411 | 42,90 | 12,60 |
| 15.000 x 5.640 | .622 | .550 | 50,00 | 14,70 |
| 18.000 x 6.000 | .691 | .461 | 54,70 | 16. 10 |
| 18.000 x 6.251 | .691 | .711 | 70,00 | 20,60 |
| 20 000 x 6 255 | .795 | .505 | 66.00 | 19.40 |
| 24,00 x 7,000 | .870 | .![]() |

Балка двутавровая (двутавр)по ГОСТ 8239-89 с уклоном внутренних граней полок 6–12%
Масса 1 м двутавра вычислена по номинальным размерам при плотности материала 7850 кг/м3 и является справочной величиной.
Размеры, масса и количество метров в тонне двутавров стальных горячекатаных по ГОСТ 19425-74
Масса 1 м двутавра вычислена по номинальным размерам при плотности материала 7850 кг/м3 и является справочной величиной.
Размеры, масса и количество метров в тонне
Размеры, масса и количество метров в тонне
Масса 1 м двутавра вычислена по номинальным размерам при плотности материала 7850 кг/м3 и является справочной величиной.
Масса 1 м (балки двутавровой) двутавра вычислена по номинальным размерам при плотности материала 7850 кг/м3.
Масса 1 м двутавра вычислена по номинальным размерам при плотности материала 7850 кг/м3.



Двутавры горячекатаные с параллельными гранями полок. Технические условия Нижнетагильского металлургического комбината
Еще один плюс в том, что отсутствуют сварные швы, что сводит к минимуму вероятность коррозии. Несущие качества у обоих видов материала хорошие. Благодаря своей легкости изделия просты в сборке. Полки распределяют нагрузку таким образом, чтобы свести к минимуму риск перекоса.