Генератор бг 100 схема бг 100: -100, -1003, -200, -2001 | |
alexxlab | 14.01.1989 | 0 | Разное
Синхронный генератор БГ
Весь каталог – генераторы
Общие технические характеристики синхронного генератора
Принцип действия любого генератора основан на явлении электромагнитной индукции, который заключается в появлении ЭДС (Вольт)на концах проводника при движении его в магнитном поле или магнитного поля относительно проводника. В описании конструкции синхронных генераторов часто используются термины: обмотка индуктора, обмотка якоря, ротор, статор.
Принято считать, что обмотка индуктора создает постоянное магнитное поле при протекании тока в её катушках. В обмотке якоря наводится ЭДС (Вольт)при движении полюсов индуктора. Ротор и статор это подвижная и не подвижная части машины соответственно. 
Конструкция генератора БГ такова, что магнитное поле создается обмоткой индуктора, расположенной на роторе при протекании электрического тока в ней, а ЭДС (напряжение)появляется в обмотке якоря, расположенной на статоре, при вращении ротора, см.
 Рис 1. 
Таким образом, генератор БГ будет преобразовывать механическую энергию первичного двигателя (дизельный, бензиновый, или иной)в электрическую энергию, при условии соединения валов двигателя и генератора. Устройство же обмотки якоря таково, что она может формировать трехфазное или однофазное напряжение генератора (исходя из её конструкции и назначения генератора).
 
Частота электрического тока определяется величиной скорости вращения ротора и количеством полюсов обмотки индуктора. Так, у 4-х полюсной машины при скорости вращения ротора 1500 об/мин эта частота всегда равна 50-ти Герцам (Гц). Соответственно, для получения частоты 60 Гц скорость вращения этой машины должна быть 1800 об/мин.
Кроме описанной выше конструкции синхронного генератора, имеется так называемое «обращенное» исполнение см. Рис. 2. В «обращенном» исполнении обмотка индуктора размешена на неподвижной части, а на подвижной части размещена обмотка якоря. Такое исполнение имеет возбудитель генераторов БГ.
Устройство генераторов синхронных серии БГ
Исторически сложилось так, что наибольшее распространение получили генераторы в конструктивном исполнении по Рис. 1 – с неподвижной обмоткой якоря. В этом случае передача постоянного электрического тока во вращающуюся обмотку индуктора, выполняется с помощью скользящих контактов: контактные кольца - меднографитовые «щётки».
Способ передачи электрического тока во вращающуюся обмотку индуктора в синхронных генераторах без использования скользящих контактов считается в мировой практике наиболее надежным, а при эксплуатации экономически более выгодным. Генераторы, в которых применяется такой способ, стали называть -«бес щеточные синхронные генераторы» или «синхронные генераторы с бесконтактным возбуждением». В генераторах серии БГ применяется бесконтактное возбуждение.
Устройство генератора БГ
Генератор состоит из собственно генератора и системы автоматического регулирования напряжения (АРН).
– двух опорное – на двух подшипниках с одним свободным концом вала,
– одноопорное – с одним подшипниковым узлом и диском для соединения с валом приводного двигателя.
Направление вращения генератора правое или левое, если смотреть со стороны привода. Указывается 
стрелкой. Станина стальная сварная. Генератор выполнен на подшипниках качения. Смазка подшипников консистентная. Подшипниковые щиты выполнены стальными сварными. 
Сердечник якоря набран из изолированных листов электротехнической стали, запрессован в станину и закреплен от поворота и осевого смещения. Обмотка якоря генератора имеет два варианта исполнения:
– на генераторах свыше 100 кВт выполнена из жестких катушек.
 
Обмотка соединена в звезду и имеет четыре вывода: три фазных и один нулевой, которые подведены к контактным болтам доски зажимов трансформатора силового. Подвод внешних силовых кабелей предусмотрен через штуцеры. 
Ротор генератора явнополюсный, состоит из полюсного сердечника индуктора с катушками обмотки возбуждения и демпферной обмотки. Сердечник индуктора шихтованный, набран из цельноштампованных четырехполюсных листов электротехнической стали. Катушки обмотки возбуждения индуктора выполнены из изолированного провода, наматываемого непосредственно на сердечник. Выводные концы обмотки индуктора присоединены к контактным болтам вращающегося выпрямителя. Демпферная обмотка выполнена из круглых стержней, установленных в пазы полюсных башмаков. Концы стержней каждого полюса припаяны тугоплавким припоем к медным листам. Вентилятор центробежный, выполненный литым из алюминиевого сплава для генераторов до 100 кВт включительно, или стальным клепаным для генераторов свыше 100 кВт.
Возбудитель генератора
Синхронный возбудитель состоит из индуктора, якоря и вращающегося выпрямителя. Индуктор возбудителя состоит из сердечника, выполненного из листов электротехнической стали, и обмотки возбуждения. Индуктор запрессован в станину генератора – для генераторов до 100 кВт, включительно, и в подшипниковый щит – для генераторов свыше 100 кВт. Для обеспечения самовозбуждения генератора в пазах полюсов сердечника индуктора установлены постоянные магниты. 
Якорь возбудителя выполнен из сердечника, набранного из листов электротехнической стали. Для генераторов свыше 100 кВт сердечник залит в остов из сплава алюминия.
Устройство системы автоматического регулирования напряжения (АРН)
Система АРН конструктивно выполнена в виде блока питания, расположенного на площадке, сверху станины генератора. АРН состоит из трансформатора силового, корректора напряжения, усилителя, трансформатора питания корректора, трансформатора параллельной работы, выпрямителя питания корректора, блока отсечки и резисторов. Сверху система АРН закрыта колпаком.
Все генераторы имеют современную бесщеточная систему возбуждения, автоматическое регулирование напряжения. В зависимости от желания заказчика, генераторы комплектуются встроенным или выносным блоком управления, коммутационной аппаратурой, соединительной муфтой и переходным фланцем для сопряжения с двигателем заказчика.
 Генераторы изготавливаются в различном климатическом исполнении, в т.ч. тропики и север. Различные монтажные формы исполнения позволяют разместить генератор наиболее удобно для заказчика. Общее количество модификаций по формам исполнения, категориям размещения, частоте тока и напряжению на каждую машину достигает в среднем 35. Кроме того, по желанию покупателя, предприятие проводит изменение конструкции генераторов по ТЗ заказчика.
Условные обозначения генератора БГ
 БГ 315-4у2, БГ 16-2у3
БГ- бесщеточный генератор;
315 – мощность генератора;
4 – количество полюсов;
У – климатическое исполнение;
2 – категория размещения.
Генераторы синхронные бесконтактные БГ-315, БГ-200, БГ-160, БГ-120, БГ-100, БГ-75, БГ-60, БГ-30, БГ-16, БГ-8
Предназначены для работы в составе стационарных, передвижных, а также судовых электростанций на судах морского (речного) флота в качестве источника трехфазного тока частоты 50 Гц (60 Гц по желанию заказчика).
 Режим работы продолжительный, характер работы: одиночный, параллельно с промышленной сетью или с другими генераторами. Степень защиты JP 22.Форма исполнения по способу монтажа IM1001,IM2101, M2403, M2503, M2401, M2501.
В режиме холостого хода допускается прямой пуск асинхронного двигателя мощностью 70% номинальной мощности генератора.
Габаритные и присоединительные размеры генераторов синхронных серии БГ
Тип  | 
L10  | 
L30  | 
L31  | 
B10  | 
H  | 
h44  | 
D24  | 
l1  | 
d1  | 
b1  | 
h5  | 
|   БГ-8-2  | 
330  | 
610  | 
135  | 
230  | 
160  | 
452  | 
280  | 
50  | 
28  | 
8  | 
31  | 
БГ-16-2  | 
228  | 
640  | 
133  | 
318  | 
200  | 
498  | 
425  | 
66  | 
55  | 
16  | 
59  | 
БГ-16-4  | 
228  | 
640  | 
133  | 
318  | 
200  | 
498  | 
425  | 
66  | 
55  | 
16  | 
59  | 
БГ-30-4  | 
296  | 
740  | 
170  | 
318  | 
200  | 
470  | 
425  | 
70  | 
55  | 
16  | 
59  | 
БГ-60-4  | 
311  | 
835  | 
227  | 
356  | 
225  | 
545  | 
520  | 
70  | 
65  | 
18  | 
69  | 
БГ-75-4  | 
265  | 
930  | 
188  | 
450  | 
270  | 
766  | 
550  | 
70  | 
61  | 
18  | 
37,3  | 
БГ-100-4  | 
406  | 
975  | 
220  | 
406  | 
250  | 
605  | 
545  | 
70  | 
63,2  | 
18  | 
37,3  | 
БГ-200-4  | 
560  | 
1250  | 
225  | 
580  | 
280  | 
660  | 
670  | 
102  | 
90  | 
28  | 
52  | 
БГ-315-4  | 
680  | 
1400  | 
395  | 
630  | 
315  | 
785  | 
650  | 
120  | 
98  | 
25  | 
59  | 
Основные технические характеристики бесконтактных генераторов БГ
Технические характеристики  | 
Тип генератора  | 
||||||||||||||
БГ-315-4  | 
БГ-200-4  | 
БГ-160-4  | 
БГ-120-4  | 
БГ-100-4  | 
БГ-75-4  | 
БГ-60-4  | 
БГ-30-4  | 
БГ-16-4  | 
БГ-16-2  | 
БГ-8-2  | 
|||||
Номинальная мощность, кВт  | 
315  | 
200  | 
160  | 
120  | 
100  | 
75  | 
60  | 
30  | 
16  | 
16  | 
8  | 
||||
Номинальный ток, А  | 
570  | 
360  | 
289  | 
216  | 
181  | 
135  | 
109  | 
54,2  | 
28,9  | 
28,9  | 
14,4  | 
||||
КПД, %  | 
93  | 
92  | 
91,6  | 
91  | 
91  | 
91  | 
90,5  | 
88,5  | 
85  | 
85  | 
80,5  | 
||||
Номинальное напряжение, В  | 
400 В ( по желанию заказчика 230 В )  | 
||||||||||||||
Коэффициент мощности  | 
0,8  | 
||||||||||||||
Частота вращения об/мин  | 
1500  | 
3000  | 
|||||||||||||
Режим работы  | 
продолжительный  | 
||||||||||||||
Система возбуждения  | 
бесщеточная  | 
||||||||||||||
Уставка напряжения в % от Vном  | 
+5/-10  | 
||||||||||||||
Установившееся отклонение V при изменении нагрузки от 0 до 100%  | 
+1/-1  | 
||||||||||||||
Отклонение V в процессе нагрева до установившейся температуры от U номинального, в %  | 
+0,5/-0,5  | 
||||||||||||||
Переходное отклонение напряжения при набросе-сбросе нагрузки  | 
|||||||||||||||
50% номинальной  | 
+_10%  | 
||||||||||||||
100% номинальной  | 
не более 20%  | 
||||||||||||||
При этом время восстановления V до вхождения в зону точности поддержания напряжения  | 
0,3 с.  | 
||||||||||||||
Коэффициент небаланса линейных напряжений при холостом ходе, в %  | 
не более 1  | 
||||||||||||||
Класс собственной вибрации  | 
4,5  | 
||||||||||||||
Допустимый уровень шума по ГОСТ 16372-93, класс  | 
1  | 
||||||||||||||
Коэффициент искажения синусоидальной кривой линейного V, в %  | 
не более 5  | 
не более 3,5  | 
|||||||||||||
Габаритные размеры: – длина, мм  | 
1400  | 
1250  | 
1180  | 
1030  | 
975  | 
930  | 
835  | 
740  | 
640  | 
620  | 
610  | 
||||
– ширина, мм  | 
740  | 
670  | 
860  | 
500  | 
545  | 
550  | 
520  | 
425  | 
380  | 
390  | 
280  | 
||||
– высота, мм  | 
910  | 
820  | 
870  | 
766  | 
670  | 
766  | 
650  | 
576  | 
590  | 
590  | 
452  | 
||||
Масса, кг  | 
1355  | 
900  | 
810  | 
545  | 
500  | 
465  | 
350  | 
250  | 
185  | 
175  | 
95  | 
||||
Купить синхронный генератор БГ у нас – это просто!
Каталог – генераторы
Генераторы синхронные для электростанций СГСБ
Генераторы постоянного тока экскаваторные серии 4ГПЭМ
Генераторы синхронные БСГС трехфазного тока 
Генераторы синхронные СГС трехфазного тока 
Гидрогенераторы синхронные ВГС, СГ, СГС 
Генераторы ГПЭ 2500-750-4 и двигатели МПЭ 1000-630, МПВЭ 400-400
Генераторы постоянного тока ГПТ-220М 
Генераторы дизельные ГСД, СГДП, ГСДФ
Генераторы синхронные бесконтактные серии БГ
Генераторы синхронные ГС
Генераторы синхронные СГ, СГД
Генераторы синхронные СГ-600-2 и СГВ-600-2
 Генераторы синхронные серии БГ морского исполнения
Генератор постоянного тока КГ-5,6 и КГ-12,5
Генераторы синхронные ЭГВ для электроснабжения пассажирского вагона
Генератор синхронный типа БГ-100
Генераторы синхронные серии БГ используются на путеукладочных машинах для выработки трехфазного переменного тока частотой 50 Гц.
 Основные технические данные генератора БГ-100 приведены в табл. 4.1.
Таблица 4.1.
| Тип генератора | Номинальная мощность, кВт | Номи-нальное напряжение, В | Номи-нальный ток, А | Коэф-фициент мощности | Частота вращения, об/мин | Коэффициент полезного действия; % | Частота тока, Гц | 
| БГ-100 | 100 | 230 400 | 314 181 | 50 | 1500 | 91,0 | 0,8 | 
Соединение фаз генератора произведено в «звезду» с выводом нулевого провода.
Система возбуждения генератора бесщеточная, регулирование напряжения автоматическое.
Самовозбуждение генератора обеспечивается при частоте вращения близкой к номинальной.
Система возбуждения обеспечивает:
– поддержание выходного напряжения с точностью ±1% от среднерегулируемого значения при изменении нагрузки от 0 до номинальной с коэффициентом мощности от 0,7 до 1,0;
– ручное изменение уставки напряжения в пределах ± 5% номинального для генераторов до 30 кВт включительно и (+5%) – (–10%) для генераторов свыше 30 кВт;
– переходное отклонение напряжения при набросе-сбросе 100% симметричной линейной нагрузки с коэффициентом мощности от 0,7 до 1,0 не более 20% от номинального при времени восстановления не более 2 8;
– переходное отклонение напряжения при набросе-сбросе 50% симметричной линейной нагрузки с коэффициентом мощности от 0,7 до 1,0 отклонения напряжения ± 10%.
Время восстановления не более 1 секунды.
– изменение напряжения генератора вследствие теплового увода от момента запуска из холодного состояния до установившегося теплового режима не более ± 1% от номинального;
– допустимая температура нагрева обмоток статора, ротора и силовой части системы возбуждения 140°С, кремниевых диодов 125°С, подшипников 100°С.
Генератор состоит из собственно генератора и системы автоматического регулирования напряжения (АРН).
Устройство генератора показано в на рис. 4.3.
рис. 4.3. Генератор БГ-100:
1 – щит подшипниковый; 2 – крышка; 3, 4 – колпак; 5 – статор; 6 – индуктор; 7 – якорь; 8 – ротор; 9 – трансформатор; 10 – выпрямитель.
Собственно генератор состоит из синхронного генератора и синхронного возбудителя обращенного исполнения.
Исполнение генераторов фланцевое, защищенное, с самовентиляцией, горизонтальное, на двух подшипниках с одним свободным концом вала.
Направление вращения генератора может быть как правое, так и левое, если смотреть со стороны привода и указывается стрелкой.
Станина стальная сварная.
Сердечник статора 5 (рис. 4.3) набран из изолированных листов электротехнической стали, запрессован в станину и закреплен от поворота и осевого смещения.
Обмотка статора генераторов до 100 кВт включительно – всыпная двухслойная.
Обмотка соединена в звезду и имеет четыре вывода: три фазных и один нулевой, которые подведены к контактным болтам доски зажимов трансформатора силового. Подвод внешних силовых кабелей предусмотрен через штуцеры.
Ротор 8 генератора явнополюсный, состоит из полюсного сердечника с катушками обмотки возбуждения генератора и демпферной обмотки. Сердечники полюсов генераторов набраны из цельноштампованных четырехполюсных листов электротехнической стали.
Катушки обмотки возбуждения генератора выполнены из изолированного провода, наматываемого непосредственно на сердечник.
Выводные концы обмотки ротора выведены через отверстие в валу генератора и присоединены к контактным болтам вращающегося выпрямителя 10.
Демпферная обмотка выполнена из круглых стержней, установленных в пазы полюсных башмаков. Концы стержней каждого полюса припаяны тугоплавким припоем к медным листам.
Вентилятор центробежный, выполненный литым из алюминиевого сплава для генераторов до 100 кВт включительно.
Генератор выполнен на двух шарикоподшипниках, которые установлены в стальных сварных подшипниковых щитах 1. При сборке подшипники заполняются консистентной смазкой.
Подшипниковые щиты выполнены стальными сварными. Подшипниковый щит со стороны противоположной свободному концу вала выполнен совместно с корпусом возбудителя.
Генератор имеет аксиально-вытяжную вентиляцию, осуществляемую центробежным вентилятором. Забор воздуха производится через окна, выполненные в колпаке возбудителя.
В генераторе поток воздуха разделяется на две части: одна часть потока охлаждает лобовые части обмотки и сердечник статора, другая, проходя между полюсами ротора – обмотку возбуждения генератора. Выбрасывается воздух вентилятором через окна подшипникового щита со стороны привода.
Синхронный возбудитель состоит из индуктора 6, якоря 7 и вращающегося выпрямителя 10 закрытых колпаком 4. Индуктор возбудителя состоит из сердечника, выполненного из листов электротехнической стали, и обмотки возбуждения.
Индуктор запрессован в подшипниковый щит или корпус генератора.
Выводы обмотки возбуждения возбудителя выведены через окно щита к доске зажимов трансформатора силового.
Для обеспечения самовозбуждения генератора в пазах полюсов сердечника индуктора установлены постоянные магниты.
Якорь возбудителя выполнен из сердечника, набранного из листов электротехнической стали, и залитого в остов из сплава алюминия. Обмотка якоря всыпная двухслойная, уложена в пазы сердечника.
Выводы обмотки соединены в звезду и подключены к зажимным болтам вращающегося выпрямителя. Якорь установлен на конический конец вала и закреплен гайкой со стопорной шайбой.
В полости остова якоря устанавливается вращающийся выпрямитель, состоящий из изоляционного кольца, на котором смонтированы силовые выпрямительные диоды.
Система АРН расположена на площадке сверху станиныгенератора и закрыта колпаком 3.
Система АРН состоит из следующих элементов:
– трансформатора холостого хода ТХХ;
– трансформатора силового ТС;
– выпрямителя питания корректора ВПК – четырехплечевоймост;
– корректора-регулятора напряжения КРН-04.
Трансформатор силовой выполнен на шихтованном сердечнике с двумя обмотками на каждом стержне – сериесной (включенной в разрыв силовой цепи) и вторичной.
Корректор-регулятор напряжения устанавливается на стенке коробки выводов.
Система АРН предназначена для поддержания напряжения на выходе генератора на заданном уровне в установившихся и переходных режимах его работы путём изменения тока в обмотках возбуждения возбудителя.
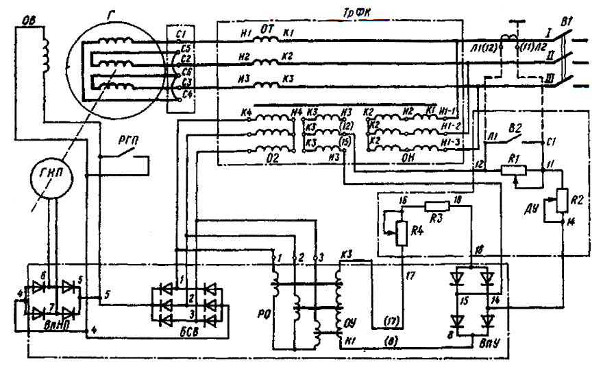
Схема электрическая принципиальнаягенератора приведена на рис. 4.4. Обмотки возбуждения возбудителя запитываются постоянным током от трансформаторов ТХХ и ТС.
В режиме холостого хода генератора питание обмотки возбуждения осуществляется только от трансформатора ТХХ. Характеристики ТХХ могут подстраиваться (имеются отпайки) таким образом, что при неисправности КРН-04 выходное напряжение генератора не превышает 120% от номинального значения. При наличии нагрузки на выходе генератора дополнительная энергия поступает от ТС.
рис. 4.4. Принципиальная электрическая схема генератора типа БГ:
G – генератор синхронный; ТС – трансформатор силовой; ТХХ – трансформатор холостого хода; ТТ – трансформатор тока; ВС – выпрямитель силовой; КРН – корректор-регулятор напряжения; СУН – резистор; П1, П2 – тумблер; Ср1…Ср3 – конденсатор К-75-10-500В-0,22мкФ; С4, С5 – конденсатор К-42У-2-160В-0,1мкФ; С6, С7 – конденсатор К-42У-2-1000В-0,1мкФ; VD1…VD14 – диод
Корректор-регулятор напряжения КРН-04 осуществляет изменение тока в обмотках возбуждения возбудителя посредством закорачивания выходных клемм «+» и «–» выпрямителя ВПК (источника питания) и таким образом происходит изменение магнитного потока возбудителя и соответственно регулирование выходного напряжения генератора.
Схема корректора-регулятора напряжения КРН-04 построена таким образом, что применение внешнего регулирующего сопротивления уставки напряжения СУН не является обязательным.
 При отсутствии необходимости оперативной регулировки выходного напряжения генератора регулировку можно осуществлять регулирующим сопротивлением «Уставка», расположенном на КРН-04. При наличии внешнего регулирующего сопротивления СУН его обрыв или замыкание не приводит к аварийному выходу генератора из строя и напряжение на выходе генератора в этих случаях составит примерно 80% и 110% от номинального, соответственно.
Переключатель «Гашение поля» (коммутационная способность не менее 5А, 100В) подключается к клеммам «И» и «–» генератора.
Параллельная работа генераторов . Возможны следующие случаи параллельной работы:
а) параллельная работа генератора с другими такими же генераторами или с генераторами других серий, имеющими аналогичные по принципу действия системы возбуждения;
б) параллельная работа с сетью.
При параллельной работе генераторов (вариант «а») необходимо получить пропорциональное распределение активных и реактивных мощностей, а при работе на сеть (вариант «б») требуется получение от генератора заданных активной и реактивной мощностей.
 В обоих случаях изменение активной мощности обеспечивается соответствующим регулированием привода.
Распределение и изменение реактивной мощности осуществляется системой возбуждения. Для этой цели в КРН предусмотрен блок параллельной работы, реализующий линеаризованную статическую характеристику выходного напряжения с регулируемым наклоном.
Информационным сигналом для блока параллельной работы является вторичный ток трансформатора тока I ном/1А фазы В. При отсутствии этого сигнала на клеммах Т1, Т2 КРН блок параллельной работы не функционирует и регулятор работает по астатической характеристике.
Настройкой микросопротивления «Статизм» КРН наклон статической характеристики выходного напряжения генератора по полному току может меняться в пределах 0…5% .
Изменение реактивной мощности вырабатываемой при параллельной работе генератора с сетью возможно посредством СУН или микросопротивлением «Уставка».
Параллельная работа генераторов .
  Возможны следующие случаи параллельной работы:
– параллельная работа генератора с другими такими же генераторами или с генераторами других серий, имеющими аналогичные по принципу действия системы возбуждения;
– параллельная работа с сетью.
При параллельной работе генераторов необходимо получить пропорциональное распределение активных и реактивных мощностей, а при работе на сеть требуется получение от генератора заданных активной и реактивной мощностей. В обоих случаях изменение активной мощности обеспечивается соответствующим регулированием привода.
Распределение и изменение реактивной мощности осуществляется системой возбуждения. Для этой цели в КРН предусмотрен блок параллельной работы, реализующий линеаризованную статическую характеристику выходного напряжения с регулируемым наклоном.
Эксплуатация генератора должны выполняться с соблюдением следующих основных требований:
– корпус генератора при эксплуатации должен быть заземлен;
– не допускается работа генератора:
· с незаземленным корпусом;
· со снятой крышкой коробки выводов генератора;
· со снятым колпаком возбудителя;
· со снятыми решетками генератора;
· при сопротивлении изоляции обмоток относительно корпуса ниже нормы.
Перед первым пуском после монтажа или ремонта, связанного с разборкой генератора необходимо:
· продуть генератор сухим чистым воздухом;
· проверить затяжку болтов крепления генератора, подшипниковых щитов, крышек и все другие доступные крепления;
· проверить надежность заземления корпуса генератора;
· проверить затяжку контактных болтов;
· проверить сопротивление изоляции обмоток генератора, системы возбуждения и регулирования напряжения по отношению к корпусу, сняв предварительно колпаки генератора и возбудителя.
Сопротивление изоляции измеряется мегомметром напряжением 500В на следующих цепях: «обмотка статора (1С1,1С2,1СЗ) – корпус», «обмотка возбуждения (И1, «–») – корпус», «обмотка возбуждения генератора (+, — на вращающемся выпрямителе) – корпус», «обмотка якоря возбудителя (~ на вращающемся выпрямителе) – корпус».
При измерении сопротивления изоляции цепей кабели силовые и управления допускается не отключать.
При эксплуатации сопротивление изоляции, измеренное мега-омметром напряжения 500В, не должно быть ниже 1 МОм – для цепи статора генератора и 0,3 МОм для цепи возбуждения и управления.
 Сопротивление изоляции нового или вышедшего из ремонта генератора в холодном состоянии должно быть не ниже 20 МОм. При более низком сопротивлении изоляции эксплуатацию генератора должна быть приостановлена до установления и устранения причин;
· запустить генератор и убедится, что вибрация в норме;
· возбудить генератор, установив переключатель «Гашение поля» (при его наличии) в положение «разомкнуто» и дать поработать на холостом ходу 10-15 минут.
В некотрых случаях после длительного хранения в нерабочем состоянии, особенно при воздействии низких или высоких температур, генератор может не самовозбуждаться. В этом случае возбуждение должно быть произведено от постороннего источника тока напряжением до 40В (рекомендуется от автомобильного или другого аккумулятора) подключением «+» источника к клемме «И1», а «–» источника к клемме «–» генератора. Номинальное значение тока возбуждения от независимого источника –12В достигается при последовательном включении дополнительного сопротивления порядка 10-15 Ом при токе 0,5А.
Запуск генератора производится в следующем порядке:
– осмотреть генератор;
– убедится, что автомат главной цепи разомкнут;
– запустить привод и довести частоту вращения до номинальной;
– установить переключатель «Гашение поля» (при его наличии) в положение «разомкнуто»;
– установить требуемую величину напряжения генератора регулированием резистора уставки напряжения СУН;
– включить автомат главной цепи и нагрузить генератор;
–проверить показания приборов (амперметра, вольтметра, частотомера).
Включать генератор на параллельную работу рекомендуется способом точной синхронизации, для чего:
– запустить генератор и возбудить его, установив переключатель «Гашение поля» в положение «разомкнуто»;
– с помощью регулятора частоты вращения привода установить частоту тока генератора равной частоте тока сети или другого генератора;
– при помощи резистора уставки напряжения СУН установить напряжение генератора равным напряжению сети или другого генератора;
– подключить к клеммам Т1, Т2 КРН вторичную обмотку трансформатора тока фазы В.
Включение генератора на параллельную работу производится при помощи синхроноскопа или автоматически. Посредством СУН и регулятора частоты вращения привода установить требуемые реактивный и активный токи генератора.
Включение генератора способом самосинхронизации более трудоемко и в обычных условиях не рекомендуется.
Для остановки генератора:
– выключить автомат главной цепи;
– установить переключатель «Гашение поля» (при его наличии) в положение «замкнуто»;
– остановить привод;
– осмотреть и привести генератор в состояние готовности к следующему пуску.
Возможные неисправности генератора БГ-100 и способы их устранения указаны в табл. 4.2.
Таблица 4.2.
| Неисправность | Вероятная причина | Способ устранения | 
| Повышенный нагрев подшипников. Температура крышки подшипника превышает 353К (80°С) |  1 . Недостаток или избыток смазки в подшипниках
 2.  Повреждение подшипника
  
 | 1. Проверить количество смазки, сняв наружную крышку подшипника 2. Заменить подшипник | 
| Утечка смазки | 1 . Повышенный нагрев подшипника 2. Избыток смазки в подшипниках | 1 . Проверить состояние подшипника 2. Удалить излишки смазки | 
| Повышенная вибрация генератора, исчезающая при снятии возбуждения. | Междувитковое замыкание в обмотке возбуждения генератора | Разобрать генератор, вынуть ротор и подвести к обмотке возбуждения переменное напряжение 220В. Измерить напряжение на отдельных катушках. На поврежденных катушках падение напряжения будет значительно меньше, чем на исправ-ных. | 
| Напряжение генератора ниже номинального. | Двойное замыкание на корпус обмотки возбуждения генератора |  Замыкание на корпус определить мегомметром.  Замыкание устраняется в условиях мастерской
  
 | 
| Генератор гудит, возможно появление дыма | Междувитковое замыкание в обмотке статора или якоря возбудителя. Двойное замыкание обмотки статора или якоря возбудителя на корпус. Междуфазное замыкание обмотки статора или якоря возбудителя. | Заменить поврежденные катушки в условиях мастерской. Поврежденные катушки определяют по потемневшей поверхности. Устранить замыкание в условиях мастерской. Устранить замыкание в условиях мастерской. | 
| Перегрев корпуса генератора. Температура охлаждающего генератор воздуха на выходе из генератора повышена | Нагрузка генератора превышает допускаемую Генератор работает с пониженной часто- той вращения Повышенное напряжение генератора | Уменьшить нагрузку до допускаемой Установить номинальную частоту вращения Установить допускаемое напряжение | 
| Низкое сопротивление изоляции (ниже допустимых норм) |  Увлажнение обмоток
 генератора, системы
 возбуждения и регулирования
 Загрязнение обмоток
 и соединительных
 концов.  
  
 Образование проводящих мостиков
  
  
 | Просушить генератор Рассоединить схему и проверьте мегомметром сопротивление изоляции отдельных элементов. После определения места утечки, очистить и продуть обмотки сжатым воздухом. При необходимости разобрать генератор | 
| Генератор не возбуждается | Плохой контакт или обрыв в цепи возбуждения генератора, возбудителя или блока питания. Потеря остаточной намагниченности постоянных магнитов Короткое замыкание в цепи возбуждения генератора или возбудителя Пробой или обрыв плеч силового выпрямителя ВС |  Проверить цепь возбуждения и устранить неисправность
  
  
 Возбудить генератор
  
  
 Проверить цепь возбуждения и устранить неисправность
  
 Выпрямитель отсоединить от всех зажимов, и с помощью омметра проверить сопротивление его плеч.  Заменить поврежденный диод
 | 
| Напряжение генератора мало и не регулируется | Обрыв или короткое замыкание цепей возбуждения (обмотка ротора, возбудитель, блок выпрямителей и блок питания) | Проверить цепи, устранить неисправность | 
| Не обеспечивается уставка напряжения 1,05U) на холостом ходу генератора и под нагрузкой | Не отрегулирован или не исправен корректор напряжения КРН Витковое замыкание в обмотке или обрыв фаз трансформатора холостого хода ТХХ Неисправность резистора СУН Обрыв или витковое замыкание во вторичной обмотке трансформатора силового Пробой или обрыв плеч силового выпрямителя | Отрегулировать уставку корректора. В случае необходимости заменить корректор напряжения Заменить ТХХ Восстановить или заменить резистор СУН Восстановить цепь, устранить замыкание Устранить обрыв или заменить неисправные диоды выпрямителя | 
| Напряжение генератора велико и не регулируется резистором уставки напряжения СУН | Замыкание СУН, обрыв силового транзистора КРН или неисправность корректора регулятора напряжения |  Проверить цепь СУН.  Заменить силовой транзистор КРН. Восстановить или заменить КРН.
 | 
| Не обеспечивается минимальная уставка напряжения 0,95 Uн | Не настроен или неисправен корректор напряжения. Неисправна цепь резистора СУН | Устранить неисправность | 
| Несимметрия напряжения по фазам | Обрыв параллельной ветви фазы Витковое замыкание фазы | Определить неисправную фазу по разности электрического сопротивления Устранить неисправность в условиях мастерской | 
| Наличие автоколебаний напряжения | Не настроен корректор регулятор напряжения | Настройка корректора производится в заводских условиях. Заменить КРН. | 
| Не обеспечивается точность поддержания напряжения генератора | Неисправность в цепи возбуждения Неисправен корректор напряжения | Проверить цепь, устранить неисправность При необходимости заменить корректор регулятор напряжения | 
| Отрицательный статизм напряжения при параллельной работе (напряжение возрастает) | Неправильное включение трансформатора ТТ | Поменять местами концы Т1 и Т2 | 
| Неравномерное распределение реактивных токов при работе со статизмом | Разная величина статизма Неправильная настройка |  Настраивая резистор, установить одинаковый положительный статизм на обоих генераторах и выровнять напряжение.  
  
 | 
Техническое обслуживание генератора БГ-100. Через каждые 500 часов работы генератора, но не реже одного раза в три месяца необходимо:
– осматривать и обтирать генератор;
– проверять на ощупь величину вибрации и при необходимости измерять ее виброметром. При вибрации выше допускаемой не начинать использование генератора до устранения причины;
– во время работы генератора наблюдать за показаниями вольтметра, амперметра, ваттметра. Превышение номинальных значений не допускается;
– продувать генератор сухим чистым воздухом. Особенно тщательно очищать от пыли и грязи блок выпрямителей (расположенный во внутренней полости якоря возбудителя) и блок питания;
– следить за состоянием подшипников, для чего через деревянную рейку прослушивать шум, создаваемый ими при работе. Один конец рейки приложить к уху, а другой к подшипниковому щиту. При хорошем состоянии подшипников слышен равномерный гул без стуков и ударов.
При возникновении в подшипниках резкого шума, треска, стука и ударов, сопровождающихся обычно сильным нагревом подшипниковых крышек и ступицы подшипникового щита, подшипник необходимо заменить, предварительно разобрав генератор.
Через каждые 2000 часов работы, но не реже одного раза в год производить профилактический осмотр генератора с обязательной проверкой его состояния в объеме, предусмотренном через каждые 500 часов работы.
При профилактическом осмотре:
– измерить сопротивление изоляции обмоток статора и ротора генератора, так же якоря и индуктора возбудителя мегомметром напряжением 500В. Во время эксплуатации сопротивление изоляции не должно падать ниже 1МОм – для цепи статора генератора и 0,3 МОм – для цени возбуждения и управления. Сопротивление изоляции нового или вышедшего из ремонта генератора в холодном состоянии должно быть не ниже 20МОм. При более низком сопротивлении изоляции эксплуатацию генератора приостановить до устранения дефектов. Если неисправность нельзя обнаружить внешним осмотром, следует отсоединить подходящие к генератору кабели, разъединить обмотки и измерить сопротивление изоляции каждой из них.
Одной из причин низкого сопротивления изоляции обмоток является отсыревание изоляции.
 В этом случае обмотки просушить продуванием через генератор горячего воздуха, можно использовать нагнетающий вентилятор, воздуходувку.
Температура воздуха, применяемого для просушки, не должна превышать 90°С.
В начале сушки сопротивление изоляции обмоток будет несколько снижаться, затем быстро возрастать. Сушку можно закончить, когда рост сопротивления изоляции замедлится: при этом величина сопротивления изоляции должна быть не ниже 1МОм – для статора генератора и 0,3 МОм – для цепи возбуждения;
– проверить затяжку соединений и при необходимости подтянуть болты крепления подшипниковых щитов, переходного фланца, трансформатора силового, трансформатора питания корректора и корректора регулятора напряжения, крышек подшипника, а также болты крепления станины к раме установки;
– проверить крепление наконечников выводных концов якоря возбудителя, статора генератора и контактов вращающегося выпрямителя;
– проверить состояние выводных концов, обращая особое внимание на состояние переходов «кабель-наконечник» и изоляцию выводных концов;
– проверить состояние контактной поверхности и затяжку болтов заземления генератора;
– проверить состояние паек.
Через каждые 10000 часов работы, но не реже одного раза в четыре года:
– выполнить операции, предусмотренные через 2000часов работы;
– разобрать генератор со снятием подшипниковых щитов, промыть подшипники и заменить смазку.
Промыть подшипники в 6-8% растворе трансформаторного или веретенного масла в бензине. Подшипник, установленный на валу, погружать в ванночку с раствором и вращать до полного удаления старой смазки. Допускается промывка подшипников в предварительно подогретом до 80-100°С масле АУ или МС-20. После промывки подшипник должен легко и свободно вращаться. Заполнить смазку в пространство между обоймой подшипника и сепаратором, а остаток смазки заложить в подшипниковые крышки. Масса смазки на подшипниковый узел – 100 г.
В подшипниковые узлы генераторов на заводе-изготовителе закладывается смазка Литол-24.
В качестве заменителя при эксплуатации возможно применение смазок ЦИАТИМ-201, ЦИАТИМ-221.
– продуть генератор чистым сухим воздухом перед заменой смазки в подшипниковых узлах при снятых подшипниковых щитах;
– проверить состояние лакокрасочных покрытий, при повреждении – покрытие восстановить.
Разбора и сборка генератора. При разборке и сборке генератора использовать стандартный инструмент и рекомендуемый комплект деталей для съемников.
При разборке и сборке генератора обращать внимание на защиту обмоток, вращающегося выпрямителя и других частей генератора от случайных повреждений. Разборку производить в установленные регламентные периоды или в случаях крайней необходимости. На рабочем месте, где производится разборка и сборка генератора, не должно быть грязи, стружки и других посторонних предметов. Разборке предшествует демонтаж генератора. При демонтаже не заводить стропы за вращающиеся части генератора.
После демонтажа очистить генератор от пыли, грязи, масла и т. п.
При разборке генератора все сопрягаемые детали пронумеровать. Разборку производить в следующей последовательности:
– снять колпак возбудителя и крышку коробки выводов генератора;
– отсоединить силовые выводы С1, С2, СЗ, 0 от генератора;
– отсоединить выводные концы индуктора возбудителя («И1», «Н», «–»), обмотки возбуждения генератора («+»,«–») и выводы якоря возбудителя «~» от вращающегося выпрямителя;
– отсоединить выводные концы статора 1С1, 1С2, 1СЗ, 0 ;
–снять вращающийся выпрямитель;
– отогнуть усик стопорной шайбы и отвернуть гайку крепления якоря возбудителя, снять стопорную шайбу;
– с помощью съемника снять якорь возбудителя;
– отвернуть болты, крепящие наружную крышку подшипника со стороны возбудителя, и снять крышку;
– отвернуть болты, крепящие подшипниковый щит с индуктором и, пользуясь резьбовыми отверстиями для съема щита, вывести его от замка станины этими же болтами.
 Снять щит;
– снять полумуфту с рабочего конца вала;
– отвернуть болты, крепящие переходный фланец к подшипниковому щиту и, пользуясь резьбовыми отверстиями для съема фланца, вывести его из замка щита этими же болтами. Снять переходный фланец;
– снять наружную крышку подшипника и щит со стороны рабочего конца вала;
– вынуть ротор.
Ротор из статора вынимать следующим образом:
– выдвинуть ротор до образования щели между вентилятором и корпусом, в которую можно завести трос;
– прицепить трос за вал между вентилятором и полюсами;
– слегка приподняв ротор, нажимая на рабочий конец вала для сохранения горизонтального положения ротора, вывести его из статора. Ротор вынимать осторожно, чтобы не повредить лобовые части обмотки статора и обмотку полюсов ротора.
При необходимости снятия подшипников:
– отогнуть усик стопорной шайбы и отвернуть гайку крепления
подшипника со стороны возбудителя;
– с помощью съемника снять подшипники с вала.
Перед сборкой генератора все детали осмотреть и протереть. Сопрягаемые поверхности крышек, щитов, станины покрыть слоем смазки. Очистить место для подшипника на валу и в ступице щита, устранить заусенцы, промыть уайт-спиритом и смазать тонким слоем смазки.
Проверить вручную легкость и бесшумность хода подшипника (заедание, тугой ход и сильный шум при работе могут вызвать повышенный нагрев и быстрый износ подшипника). Перед посадкой подшипник нагреть в масле до температуры не выше 373К (100°С).
Сборку генератора производить в обратной последовательности. Посадку подшипника на вал производить с помощью трубчатой оправки. Усилия при посадке не должны передаваться через тела качения подшипника.
После сборки генератора:
– проверить ход ротора вращением от руки;
– проверить, не задевают ли вращающиеся части за неподвижные и не трутся ли соединительные провода о ротор или якорь возбудителя;
– убедиться в отсутствии замыкания обмоток генератора и системы возбуждения на корпус, проверив мегомметром сопротивление изоляции.
Стартеры
Стартер (четырехполюсный электродвигатель постоянного тока, последовательного возбуждения с электромагнитным тяговым реле и жестким рычажным приводом) установлен на постели блока цилиндров с правой стороны и крепится к нему двумя стяжными стальными лентами. На двигателях устанавливаются стартеры СТ-103А-01 или 25.3708. Надежное соединение стартера с массой ЖДСМ обеспечивается подсоединением к нему гибкой токопроводящей перемычки. Технические характеристики стартеров указаны в табл. 4.3.
Таблица 4.3.
| Параметр | СТ-103А-01 | 25.3708 | 
| Номинальное напряжение, В | 24 | 24 | 
| Номинальная мощность, л. с | 9,5 | 11 | 
| Ток холостого хода, А | не более 110  | |
| Ток при тормозном моменте 60 н.м (6 кгс-м), А | 825 | 825 | 
| Напряжение включения реле стартера, В | 18 | 18 | 
| Давление щеточных пружин, кгс | 1,25—1,75 | 1,5±0,15 | 
| Направление вращения (со стороны привода) | правое  | |
Включение стартера — дистанционное, кнопочный включатель расположен на пульте управления.
В корпусе 2 (рис. 4.5.) стартера на полюсах закреплены четыре катушки возбуждения 14, соединенные между собой попарно последовательно, а пары — параллельно. Один конец обмотки возбуждения подключен к массе, второй — к контактному болту 22 через специальную перемычку и контактный болт в крышке 23.
рис. 4.5. Стартер Ст-103:
1 – якорь; 2 – корпус; 3 – барабан привода; 4 – поводок шестерни; 5 – шестерня привода; 6 – винтовая часть вала ротора; 7 – упорное кольцо; 8, 13, 24 – втулка; 9 – масленка; 10 – крышка корпуса со стороны привода; 11 – рычаг привода; 12 – серьга; 14 – катушка возбуждения; 15 – якорь реле; 16 – шток якоря реле; 17 – втягивающая обмотка реле; 18 – удерживающая обмотка реле; 19 – сердечник реле; 20 – тяговое реле стартера; 21 – контактный диск; 22 –контактный болт; 23 –крышка корпуса со стороны коллектора; 25 –стяжной болт; 26 –защитная лента
Между полюсами расположен якорь 1, обмотка которого размещена в пазах пакета сердечника и подключена к ламелям коллектора.
 Ротор опирается на пористые подшипники скольжения, изготовленные из бронзы и запрессованные в крышки 10 и 23 и в промежуточную опору. В маслоподводящих каналах крышек и промежуточной опоры заложены фетровые фитили-накопители масла. На траверсе в крышке 23 смонтированы щеткодержатели с пружинами и восемью медно-графитовыми щетками. Для удобства обслуживания щеточно-коллекторного узла в крышке имеются смотровые окна, закрытые защитной лентой 26.
На конце вала 6 якоря между промежуточной опорой и крышкой 10 нарезана четырехзаходная прямоугольная резьба, по которой с помощью приводного рычага // перемещается барабан 3 привода стартера. Барабан свободно посажен на вал. Весь механизм привода смонтирован внутри крышки 10. Шестерня 5 привода передает крутящий момент от вала якоря стартера на коленчатый вал двигателя через зубчатый венец маховика. Шестерня имеет 11 зубьев. Поводок 4 шестерни и упорное кольцо 16 изготовлены из стали.
Для приведения в действие рычага 11 на корпусе стартера установлено тяговое электромагнитное реле 20, состоящее извтягивающей (сериесной) и удерживающей (шунтовой) обмотки. Внутри обмоток помещен подвижный якорь 15, соединенный через серьгу 12 с приводным рычагом 11. Контактный диск 21 закреплен на штоке 16, перемещающемся во втулке сердечника 19 реле вместе с якорем 15.
После включения стартера и пуска двигателя шестерня 5 автоматически отбрасывается маховиком двигателя по резьбе вала 6 ротора и винтовой прорези барабана 3 и фиксируется в исходном положении. Продолжительность включения стартера при пуске двигателя не должна превышать 20 с. Повторный пуск можно производить спустя 1—2 мин. Допускается не более трех повторных пусков. При температуре окружающего воздуха ниже —5° С двигатель перед пуском необходимо обязательно прогреть подогревателем или ЭФУ.
Синхронный генератор БГ-100-4 в Баранчинском (Комплектующие генераторов)
-  org/ListItem”>
 Россия
 - Баранчинский
 - Генераторы
 - Комплектующие генераторов Синхронный генератор БГ-100-4 в Баранчинском
 
Цена: Цену уточняйте
за 1 ед.
Компания ООО “Баранчинский электромеханический завод им.Калинина“ (Баранчинский) является зарегистрированным поставщиком на сайте BizOrg.su. Вы можете приобрести товар Синхронный генератор БГ-100-4 с доставкой по 4 регионам России, расчеты производятся в ₽.
 Если у вас возникли проблемы при заказе товара, пожалуйста, сообщите об этом нам через форму обратной связи.
Описание товара
100 кВт, 1500 об/мин, 220/400 В
Генераторы синхронные серии БГ общепромышленного исполнения предназначены для работы в составе стационарных автоматизированных агрегатов и передвижных электроустановок в качестве источников трёхфазного электрического тока частотой 50 и 60 Гц и напряжением 400 и 230 В. Степень защиты IP 21, IP22, IP 23. Форма исполнения по способу монтажа IM 1001, IM 2403, IM 2503, IM 2501, IM 2401, IM 2101.
Генераторы синхронные серии БГ судового исполнения предназначены для использования в качестве источников трёхфазного электрического тока частотой 50 или 60 Гц напряжением 230 или 400 В в составе энергоустановок, судовых электростанций на судах морского и речного флотов с неограниченным районом плавания. Степень защиты IP 23. Форма исполнения по способу монтажа IM 1001, IM 2403, IM 2503, IM 2501, IM 2401, IM 2101.
 
Все генераторы имеют современную бесщеточная систему возбуждения, автоматическое регулирование напряжения. В зависимости от желания заказчика, генераторы комплектуются встроенным или выносным блоком управления, коммутационной аппаратурой, соединительной муфтой и переходным фланцем для сопряжения с двигателем заказчика. Генераторы изготавливаются в различном климатическом исполнении, в т.ч. тропики и север.
Режим одиночной и параллельной работы продолжительный S1. Точность поддержания напряжения при изменении нагрузки от 0 до 100% составляет не более 1%. Коэффициент искажения синусоидальной кривой напряжения не более 5% номинального. Генераторы выдерживают трёхфазное короткое замыкание в течение 5 сек, а 50% перегрузку в течение 2 минут. В режиме холостого хода генератор обеспечивает прямой пуск асинхронного электродвигателя мощностью до 70% номинальной мощности. Класс нагревостойкости от В до Н.
Характеристики синхронного генератора БГ-100-4
- 
 — Производитель: Баранчинский электромеханический завод имени Калинина М.
 И.
 - — Страна производитель: Россия
 
Товары, похожие на Синхронный генератор БГ-100-4
Вы можете оформить заявку на «Синхронный генератор БГ-100-4» в компании «ООО Баранчинский электромеханический завод им.Калинина» через торговую площадку BizOrg. На сегодня предложение находится в статусе “под заказ”.
Плюсы «ООО Баранчинский электромеханический завод им.Калинина»
специальное предложение по сервису и цене для пользователей площадки BizOrg;
своевременное выполнение своих обязательств;
разнообразные способы оплаты.
Ждем Вашего звонка!
Часто задаваемые вопросы
- Как оформить заказ?Чтобы оформить заказ на  «Синхронный генератор БГ-100-4» свяжитесь с компанией «ООО Баранчинский электромеханический завод им.
 Калинина» по контактным данным, которые указаны в правом верхнем углу страницы. Обязательно укажите, что нашли компанию на площадке BizOrg. - Где посмотреть более полную информацию о компании «ООО Баранчинский электромеханический завод им.Калинина»?Для получения подробных даных о компании перейдите в правом верхнем углу страницы по ссылке-названию компании. Далее перейдите на интересную Вам вкладку с описанием.
 - Предложение описано с ошибками, номер телефона не отвечает и т.п.Если у вас возникли проблемы при работе с «ООО Баранчинский электромеханический завод им.Калинина» – сообщите идентификаторы компании (324917) и товара/услуги (3050356) в нашу службу технической поддержки.
 
Служебная информация
«Синхронный генератор БГ-100-4» относится к категории: «Комплектующие генераторов».
Предложение появилось на сайте 01.09.2013, дата последнего обновления – 16.11.2013.
За все время предложение было просмотрено 507 раз.
 Обращаем ваше внимание на то, что торговая площадка BizOrg.
 su носит исключительно информационный характер и ни при каких условиях не является публичной офертой. 
Заявленная компанией ООО “Баранчинский электромеханический завод им.Калинина“ цена товара «Синхронный генератор БГ-100-4» может не быть окончательной ценой продажи. Для получения подробной информации о наличии и стоимости указанных товаров и услуг, пожалуйста, свяжитесь с представителями компании ООО “Баранчинский электромеханический завод им.Калинина“ по указанным телефону или адресу электронной почты.
Часы работы:
Телефоны:
+7 (343) 372-86-94
+7 (343) 372-86-95
+7 (800) 200-02-71
Купить синхронный генератор БГ-100-4 в Баранчинском:
п. Баранчинский Свердловской области, ул. Ленина, д-2а, Баранчинский, 624315, Россия
Условия доставки из другого региона:
 Доставка в страны:
 – Россия
Доставка в регионы:
 – Пермский край
 – Челябинская область
 – Свердловская область
 – Тюменская область
|  основной  Основной цвет  | требуется |  Имя класса:  bg-primary  Переменная CSS:  hsl(var(--p))  | |
|  основной фокус  Основной цвет при фокусировке  |  необязательный  Будет более темным тоном основного, если не указан  |  Имя класса:  bg-primary-focus  Переменная CSS:  hsl(var(--pf))  | |
|  primary-content  Цвет содержимого переднего плана для использования с основным цветом  |  необязательный  Будет читаемым тоном основного, если не указан  |  Имя класса:  bg-primary-content  Переменная CSS:  hsl(var(--pc))  | |
|  вторичный  вторичный цвет  | требуется |  Имя класса:  bg-secondary  Переменная CSS:  hsl(var(-s))  | |
|  вторичный фокус  Вторичный цвет при фокусировке  |  необязательный  Будет более темным тоном вторичного, если не указан  |  Имя класса:  bg-secondary-focus  Переменная CSS:  hsl(var(--sf))  | |
|  вторичное содержимое  Цвет содержимого переднего плана для использования на вторичном цвете  |  необязательный  Будет читаемым тональным сигналом вторичного, если не указан  |  Имя класса:  bg-secondary-content  Переменная CSS:  hsl(var(--sc))  | |
|  Акцент  Акцентный цвет  | требуется |  Имя класса:  bg-accent  Переменная CSS:  hsl(var(--a))  | |
|  акцент-фокус  Акцентный цвет при фокусировке  |  опционально  Будет более темным тоном акцента, если не указано иное  |  Имя класса:  bg-accent-focus  Переменная CSS:  hsl(var(--af))  | |
|  акцент-контент  Цвет содержимого переднего плана для использования на акцентном цвете  |  необязательный  Будет читаемым тоном акцента, если не указан  |  Имя класса:  bg-accent-content  Переменная CSS:  hsl(var(--ac))  | |
|  нейтральный  нейтральный цвет  | требуется |  Имя класса:  bg-neutral  Переменная CSS:  hsl(var(--n))  | |
|  нейтральный фокус  Нейтральный цвет при фокусировке  |  необязательный  Будет более темным тоном нейтрального, если не указан  |  Имя класса:  bg-neutral-focus  Переменная CSS:  hsl(var(--nf))  | |
|  нейтральный-контент  Цвет содержимого переднего плана для использования на нейтральном цвете  |  необязательный  Будет читаемым нейтральным тоном, если не указан  |  Имя класса:  bg-neutral-content  Переменная CSS:  hsl(var(--nc))  | |
|  base-100  Основной цвет страницы, используемый для пустого фона  | требуется |  Имя класса:  bg-base-100  Переменная CSS:  hsl(var(--b1))  | |
|  база-200  Базовый цвет, немного темнее  |  необязательный  Будет более темным тоном основного 100, если не указан  |  Имя класса:  bg-base-200  Переменная CSS:  hsl(var(--b2))  | |
|  base-300  Базовый цвет, еще более темный  |  необязательный  Будет более темным тоном базы-200, если не указан  |  Имя класса:  bg-base-300  Переменная CSS:  hsl(var(--b3))  | |
|  base-content  Цвет содержимого переднего плана для использования на базовом цвете  |  необязательный  Будет читаемым тоном основания-100, если не указан  |  Имя класса:  bg-base-content  Переменная CSS:  hsl(var(--bc))  | |
|  информационный  информационный цвет  |  необязательный  Будет синим цветом по умолчанию, если не указан  |  Имя класса:  bg-info  Переменная CSS:  hsl(var(-in))  | |
|  информационный контент  Цвет содержимого переднего плана для использования с информационным цветом  |  необязательный  Будет читаемым информационным тоном, если не указан  |  Имя класса:  bg-info-content  Переменная CSS:  hsl(var(--inc))  | |
|  успех  Цвет успеха  |  необязательный  Будет зеленым цветом по умолчанию, если не указан  |  Имя класса:  bg-success  Переменная CSS:  hsl(var(--su))  | |
|  success-content  Цвет содержимого переднего плана для использования при успешном выполнении  |  необязательный  Будет читаемым тоном успеха, если не указан  |  Имя класса:  bg-success-content  Переменная CSS:  hsl(var(--suc))  | |
|  предупреждение  Предупреждающий цвет  |  необязательный  Будет оранжевым цветом по умолчанию, если не указан  |  Имя класса:  bg-warning  Переменная CSS:  hsl(var(--wa))  | |
|  warning-content  Цвет содержимого переднего плана для использования с предупреждающим цветом  |  необязательный  Будет читаемым тональным сигналом предупреждения, если не указан  |  Имя класса:  bg-warning-content  Переменная CSS:  hsl(var(--wac))  | |
|  ошибка  Ошибка цвета  |  необязательный  Будет красным цветом по умолчанию, если не указан  |  Имя класса:  bg-error  Переменная CSS:  hsl(var(--er))  | |
|  error-content  Цвет содержимого переднего плана для использования с цветом ошибки  |  необязательный  Будет читаемым тоном ошибки, если не указан  |  Имя класса:  bg-error-content  Переменная CSS:  hsl(var(--erc))  | 
Использование, приемлемость и процесс, преимущества
 Гарантия означает предоставление чего-либо в качестве гарантии.
 Банковская гарантия – это когда банк предлагает поручительство и гарантии по различным деловым обязательствам от имени своих клиентов в рамках определенных правил. Кредитные учреждения предоставляют банковскую гарантию, которая действует как обещание покрыть убытки клиента, если он/она не выполнит обязательства по кредиту. Это заверение бенефициара в том, что финансовое учреждение будет поддерживать договор между клиентом и третьей стороной, если клиент не сможет этого сделать.
Значение банковской гарантии
 Банковская гарантия обещание, данное банком любому третьему лицу, взять на себя платежный риск от имени своих клиентов. Банковская гарантия дается по договорному обязательству между банком и его клиентами. Такие гарантии широко используются в деловых и личных сделках для защиты третьих лиц от финансовых потерь. Эта гарантия помогает компании приобретать то, что она обычно не могла купить, тем самым способствуя развитию бизнеса и стимулируя предпринимательскую активность.
Например, компания Xyz — это недавно созданная текстильная фабрика, которая хочет закупить сырье для ткани на 1 крор рупий. Поставщик сырья требует, чтобы компания Xyz предоставила банковскую гарантию для покрытия платежей, прежде чем они отправят сырье компании Xyz. Компания Xyz запрашивает и получает гарантию от кредитной организации, которая ведет свои денежные счета. По сути, банк подписывает договор купли-продажи с продавцом. Если компания Xyz не выполняет платеж, продавец может взыскать его с банка.
 Аналогичным образом, крупный производитель мебели хочет заключить договор с небольшим продавцом столярной мастерской. Крупный производитель потребует от мелкого поставщика предоставить банковскую гарантию перед заключением контракта на древесный материал на сумму 50 лакхов. В этом случае крупный производитель является бенефициаром, который требует гарантии перед заключением контракта. Если мелкий продавец не может доставить древесный материал, крупный производитель мебели может потребовать у банка возмещения убытков.
Образец банковской гарантии для справки: https://www.nlcindia.com/tenders/format_bgp.pdf
Использование банковской гарантии
- Когда крупные компании покупают у мелких банки, прежде чем предоставлять такие возможности для бизнеса.
 - Преимущественно используется при купле-продаже товаров в кредит, когда продавец гарантирует получение платежа от банка в случае невыполнения обязательств покупателем.
 - Помогает удостоверить благонадежность физических лиц, что, в свою очередь, позволяет им получать кредиты, а также помогает в коммерческой деятельности.
 
Несмотря на то, что у заявителя есть множество вариантов использования банковской гарантии, банк должен обрабатывать ее только после обеспечения финансовой стабильности заявителя/бизнеса. Риск, связанный с предоставлением такой гарантии, должен быть тщательно проанализирован банком.
Преимущества и недостатки банковских гарантий
 Банковская гарантия имеет свои преимущества и недостатки.
 Преимущества:
- Банковская гарантия снижает финансовый риск, связанный с коммерческой операцией.
 - В связи с низким уровнем риска побуждает продавца/бенефициаров расширять свой бизнес на кредитной основе.
 - Банки, как правило, берут низкие комиссионные за гарантии, что выгодно даже малому бизнесу.
 - Когда банки анализируют и подтверждают финансовую устойчивость бизнеса, доверие к нему повышается, а это, в свою очередь, расширяет возможности для бизнеса.
 - В большинстве случаев гарантия требует меньше документов и быстро обрабатывается банками (если представлены все документы).
 
С другой стороны, есть некоторые недостатки, такие как:
- Иногда банки очень жестко оценивают финансовое положение бизнеса. Это усложняет процесс и отнимает много времени.
 - При строгой оценке банков очень сложно получить банковскую гарантию убыточным субъектам.
 -  Для некоторых гарантий, связанных с операциями с высокой стоимостью или высоким риском, банкам потребуется залоговое обеспечение для обработки гарантии.

 
Типы банковских гарантий
Существует два основных типа банковских гарантий, используемых в бизнесе, а именно:
Финансовая гарантия
Эти гарантии обычно выдаются вместо гарантийных депозитов. Некоторые контракты могут потребовать от покупателя финансовых обязательств, таких как залог. В таких случаях вместо внесения денег покупатель может предоставить продавцу финансовую банковскую гарантию, с помощью которой продавец может получить компенсацию в случае каких-либо убытков.
Гарантия исполнения
Эти гарантии выдаются для выполнения контракта или обязательства. В случае неисполнения, неисполнения или несвоевременного исполнения договора убыток бенефициара возмещается банком.
 Например, А заключает контракт с В на завершение определенного проекта, и контракт поддерживается банковской гарантией. Если А не завершит проект вовремя и не возместит В убытки, В может потребовать возмещения убытков от банка с предоставлением банковской гарантии.
Банковская гарантия (BG) Право на участие и процедура
Любое лицо с хорошим финансовым положением имеет право подать заявление на получение BG. BG может быть применен бизнесом в своем банке или любом другом банке, предлагающем такие услуги. Перед утверждением BG банк проанализирует предыдущую банковскую историю, кредитоспособность, ликвидность, рейтинг CRISIL и CIBIL заявителя.
Банк также проверит период BG, стоимость, данные получателя и валюту, необходимые для утверждения. В некоторых случаях банки потребуют от заявителя предоставления обеспечения для покрытия стоимости BG. Как только сотрудники банка будут удовлетворены всеми критериями, они предоставят необходимые разрешения, необходимые для обработки BG.
Сборы за банковскую гарантию
 Как правило, сборы BG основаны на риске, принимаемом банком в каждой транзакции. Например, считается, что финансовая BG берет на себя больший риск, чем производительная BG. Следовательно, плата за финансовую BG будет выше, чем плата, взимаемая за производительность BG.
 В зависимости от типа BG сборы обычно взимаются ежеквартально в зависимости от значения BG в размере 0,75% или 0,50% в течение срока действия BG.
Кроме того, банк может также взимать плату за обработку заявления, плату за документацию и плату за обработку. В некоторых случаях банк требует от заявителя обеспечения, которое обычно составляет 100% от стоимости BG. В некоторых случаях банк-эмитент также может принять залоговое обеспечение или денежную маржу.
Разница между BG и аккредитивом (LOC)
 LOC — это финансовый документ, который налагает на банк обязательство произвести платеж бенефициару по завершении определенных услуг, требуемых заявителем. LOC выдается банком, когда покупатель просит свой банк произвести платеж продавцу при получении определенных товаров или услуг. То есть, когда покупатель сталкивается с трудностями с наличностью или подобными ситуациями и, таким образом, не может произвести немедленный платеж продавцу, он обращается в свой банк, чтобы произвести платеж продавцу после представления определенных документов.
Позднее банк возместит уплаченную покупателем сумму вместе с требуемыми сборами. С другой стороны, в соответствии с BG банк обязан произвести платеж третьему лицу только в том случае, если заявитель не производит платеж третьему лицу или не выполняет требуемые обязательства по договору.
BG в основном используется для защиты продавца от убытков или ущерба из-за неисполнения другой стороной договора. LOC обычно неправильно понимают как BG, поскольку они имеют некоторые общие характеристики. Оба они играют значительную роль в торговом финансировании, когда стороны сделок не установили деловые отношения. Однако между LOC и BG есть много различий.
Основные различия между аккредитивом (LOC) и банковской гарантией (BG) следующие: платеж получателю при оказании определенных услуг.


Получите эксперта по доступной цене
Для ITR, возврата GST, регистрации компании, регистрации товарного знака, регистрации GST
ENAP, Чили, предупреждает, что возможное сокращение поставок СПГ со стороны BG «неприемлемо»
Автор: Reuters Staff
Чтение за 5 минут
* BG говорит, что проблемы с добычей в Египте могут ударить по поставкам СПГ в Чили
* Чили ENAP и Endesa призывают BG выполнить контракт
*
*
Данные, источники предполагают, что в Чили было отправлено мало газа BG Egypt САНТЬЯГО/ЛОНДОН, 9 ноя (Рейтер) – Чилийская государственная нефтяная компания ENAP заявила, что считает потенциальное сокращение поставок сжиженного природного газа британской нефтегазовой компанией BG Group в 2013 году «неприемлемым».
 и будет требовать выполнения своего контракта.
BG Group Plc заявила, что производственные проблемы в Египте могут повлиять на поставки СПГ для ENAP и производителя энергии Endesa Chile, но третьего чилийского клиента, Metrogas, это не затронет.
«Декларация (BG) неприемлема для ENAP, которая сообщила, что потребует полного соблюдения контрактов в защиту своих прав как чилийской государственной компании», — говорится в заявлении ENAP. Фирма добавила, что по этому вопросу ее консультируют международные юристы.
Газ, который BG отправляет на регазификационный терминал Quintero LNG, которым управляют BG, ENAP, Endesa, Metrogas и испанская Enagas, составляет около 1,7 млн тонн СПГ в год, согласно данным, собранным отраслевой группой.
СПГ, поставляемый Quintero, поступает из Тринидада и Тобаго, Катара и Экваториальной Гвинеи, говорится в отчете Международной группы международных импортеров сжиженного природного газа (GIIGNL).
 Источники в отрасли сообщили, что очень мало грузов из Египта, если таковые вообще были, когда-либо отправлялись в Чили.
 Источники не захотели называться, так как не уполномочены общаться с прессой.
Новости о египетских проблемах и других проблемах производства сильно ударили по цене акций BG на прошлой неделе.
«Endesa примет все необходимые меры для защиты своих договорных прав и стабильности поставок СПГ», — говорится в заявлении Endesa ранее на этой неделе.
ENAP, Endesa Chile, GNL Chile, посольство Великобритании в Сантьяго и министерство энергетики Чили отказались от комментариев.
BRENT VS HENRY HUB
ENAP, Endesa и Metrogas имеют равные доли в GNL Chile, которая получает газ по контракту с BG. Контракты предусматривают более низкие цены с 2013 года, если фирмы запрашивают определенный фиксированный объем в долгосрочной перспективе, сообщает ENAP. Участвующие фирмы отказались комментировать объемы и цены, о которых идет речь.
Контракт должен был измениться в следующем году от индексации к ценам Brent до Henry Hub, эталонной точки поставок в США.
 Бум добычи сланцевого газа в Соединенных Штатах привел к снижению цен наличными в Henry Hub — в конце апреля они достигли 10-летнего минимума в $1,82 за млн БТЕ — это означает, что переход на индексацию нанесет удар по BG.
«BG не понимает, почему она должна принимать цены, отражающие экспортный рынок СПГ в США, которого еще не существует, на реальном рынке, который остается ограниченным и, следовательно, оправдывает более высокую цену», — сказал Reuters источник, близкий к этому вопросу.
Источник в правительстве Чили сообщил, что Чили связалась с посольством Великобритании в Сантьяго, чтобы попытаться решить проблему. Источник не хотел называться из-за отсутствия полномочий говорить по этому поводу.
ЧИЛИ ПОТЕРЯЕТСЯ ОТ ПРОБЛЕМ ЭЛЕКТРОЭНЕРГИИ
Крупнейший в мире производитель меди Чили страдает от высоких цен на электроэнергию, так как ключевые энергетические проекты терпят юридические неудачи, а засухи и ограниченность местных источников электроэнергии приводят к перебоям с поставками.
 Видно, что андская страна все больше обращается к производству СПГ и дизельного топлива, поскольку суды все чаще отклоняют проекты угольных теплоэлектростанций и гидроэлектростанций в нетронутой Патагонии.
«Мощности генерации есть, так что сокращений не будет. Но это будет ощущаться с точки зрения более высоких цен», — сказал Педро Фуэнзалида, старший аналитик LarrainVial в Сантьяго.
Он сказал, что 40-процентное сокращение поставок СПГ BG, цифра, опубликованная в местных СМИ, будет более или менее эквивалентна 12 процентам энергии в центральной энергосистеме Чили SIC.
SIC, крупнейшая энергосистема Чили, обеспечивает электроэнергией более 90 процентов жителей страны. Однако большинство крупных медных рудников расположены на крайнем севере страны и питаются от другой энергосистемы.
«Если отрежут газ, это ударит по экономическому росту. Если сокращение будет завершено и будет невозможно получить поставки, оно может сократиться на 0,3–0,4% ВВП 2013 года», — сказал Фуэнсалида.
Медные рудники в Чили, на которых производится около трети мирового красного металла, могут пострадать из-за более высоких цен на электроэнергию.
 «Те, кто открыт для спотовых цен, (Antofagasta Minerals’), Los Pelambres и Codelco (могут быть затронуты).

 
 Повреждение подшипника
  
 Замыкание устраняется в условиях мастерской
  
 
  
 Образование проводящих мостиков
  
  
 Заменить поврежденный диод
 Заменить силовой транзистор КРН. Восстановить или заменить КРН.
 
  
 И.
 Калинина» по контактным данным, которые указаны в правом верхнем углу страницы. Обязательно укажите, что нашли компанию на площадке BizOrg.