Гс2116К настольно сверлильный станок – Настольно-сверлильный станок ГС2116К(В) цена,купить с доставкой,отзывы
alexxlab | 03.11.2019 | 0 | Разное
ПАРАМЕТР | ЗНАЧЕНИЕ |
---|---|
Максимальный диаметр сверления, мм. | 18 (сталь) |
Диапазон нарезаемой резьбы | М4 – М12 |
Наибольшее расстояние от торца шпинделя до плиты, мм. | 100 – 400 |
Расстояние от оси шпинделя до колонны, мм. | 190 |
Размер рабочей поверхности плиты, мм. | 250 х 250 |
Количество Т-образных пазов | 2 |
Ширина Т-образного паза | 14Н14 |
Расстояние между осями Т-образных пазов, мм. | 100 |
Конус шпинделя | Морзе 2 |
Ход шпинделя, мм. | 100 |
Количество скоростей вращения шпинделя | 6 |
Диапазон частот вращения шпинделя, об./мин. | 200, 320, 560, 800, 1200, 2100 |
Наибольший крутящий момент на шпинделе, Нм | 30 |
Наибольшая осевая сила резания, Н | 4000 |
Диапазон подач шпинделя, мм./об. | ручная |
Класс точности | Н |
Радиальное биение шпинделя у торца, мкм. | 16 |
Радиальное биение шпинделя на расстоянии 100 мм., мкм. | 25 |
Мощность привода главного движения, кВт | 0,75 |
Напряжение питания, В | 380 |
Габаритные размеры (LxBxH), мм. | 460 х 640 х 1260 (800 х 600 х 1230 в упаковке) |
Масса, кг. | 140 (175 брутто) |
belctanko.ru
Настольный сверлильный станок ГС2116К – ООО «Инвест-Гарант»
Сверлильный станок ГС2116К предназначен для обработки отверстий. Оборудование успешно применяется для работы в мастерских, на малых предприятиях.
Легкость управления, надежность и долговечность станка обусловлена простотой конструкции. По круговому лимбу штурвала отсчитывается глубина обработки.
При помощи сверлильного станка выполняют операции:
- сверления
- рассверливания
- зенкерования
- развертывания
- нарезания резьб
На станке установлены рукоятки (2шт) переключения коробки скоростей, с их помощью можно получить шесть частот вращения шпинделя. Предусмотрено реверсивное движение шпинделя.
На валу штурвального устройства закреплена спиральная пружина для предотвращения самопроизвольного опускания шпинделя.
В отличии от аналога ГС2112 – данный станок имеет вверху сверлильного узла электродвигатель, реверс шпинделя включается отдельной кнопкой.
Кинематическая схема станка содержит три кинематические цепи:
- вращения шпинделя;
- ручной подачи;
- перемещение шпиндельной бабки по колонне.
Технические характеристики | станок ГС2116К |
---|---|
Класс точности | H |
Максимальный диаметр сверления, мм | 18 |
Диапазон нарезаемой резьбы | М4…М16 |
Наибольший ход сверлильной головки, мм | 200 |
Наибольший ход шпинделя, мм | 100 |
Вылет шпинделя, мм | 190 |
Количество Т-образных пазов, шт. | 3 |
Расстояние между пазами, мм | 50 |
Ширина паза | 14Н14 |
Частота вращения шпинделя, об/мин | 170…2000 |
Мощность электродвигателя главного привода, кВт | 0,75 |
Размер конуса шпинделя | Морзе 2 |
Количество скоростей шпинделя, шт | 6 |
Поверхность стола мм | 300х300 |
Габаритные размеры, мм | 900 |
1130 | |
Напряженность питающей сети, В | 380 |
Мощность привода, кВт | 0,75 |
Масса станка, кг | 125 |
Базовый комплект станка:
- станок в сборе;
- втулка переходная 6100-0141 ГОСТ 13598;
- клин 7851-0012 ГОСТ 3025;
- ключ к электрошкафу 2К52-1.89.10.000;
- лампа М024-40У2;
- руководство по эксплуатации.

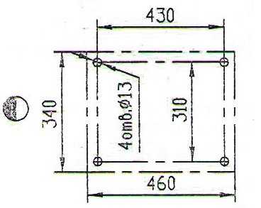
Схема основания
www.invest-garant.com
Гс2116К настольно сверлильный станок
Настольно-сверлильный станок ГС2116К
Станок настольно-сверлильный ГС2116К применяется для проведения технических работ по высверливанию отверстий и обработке резьбы в деталях из цветных сплавов, чугуна, металлов, неметаллических элементов. Устройство предназначено для работы на предприятиях, в ремонтных мастерских и в бытовых условиях.

Общий вид станка ГС2116К
Особенности использования станка в работе
Настольно-сверлильный станок ГС2116К используется для проведения таких работ:
- нарезка резьбы;
- зенкерование;
- сверление;
- рассверливание;
- развертывание.
Простота структуры станка обеспечивает легкость во время процесса эксплуатации. К числу преимуществ этого станка также относят надежность и износостойкость.
Для того, чтобы успешно выполнять сверлильные работы, работник может рассчитывать отсчет глубины по плоскостной шкале или упору. Такие операции, как реверс вращения, включение и отключение регулируются рукояткой для реверсных работ шпинделя.

Кинематическая схема сверлильной головки станка ГС2116К
Производитель станка обеспечивает поставку дополнительных комплектующих, среди которой есть:
- ключ к электрическому шкафу;
- втулка;
- лампа;
- клин.
Потребитель может заказать и другие комплектующие при условии доплаты:
- патрон для нарезки резьбы;
- тиски;
- оправку;
- монтажную станковую головку;
- патрон для выполнения сверлильных работ.

Тиски настольно-сверлильного станка ГС2116К
В стандартную комплектацию также входит электрическое оборудование, которое применяется для питания из трехфазной электросети переменного тока с установленным напряжением в 380В и частотой в 50 Гц. Работу механизма обеспечивают асинхронные трехфазные электрические двигатели:
- электронасос с предельной мощностью в 0.18 кВт;
- основной двигатель с рабочей мощностью 0.75 кВт.
Чтобы не допускать аварийных ситуаций, поломок, замыканий, настоятельно рекомендуется ознакомиться с инструкцией по эксплуатации. В случае несоблюдения правил эксплуатации потребитель лишается гарантийных обязательств.
Скачать паспорт (инструкцию по эксплуатации) настольно-сверлильного станка ГС2116К
Для того, чтобы начать правильную работу со станком, требуется соблюдать осторожность. Во время включения рукоятка реверсного механизма должна пребывать в нейтральном расположении.
Механизм начала работы со станком следующий:
- Реверсная рукоятка поворачивается в одно из рабочих расположений. Во время изменения режима работы запускается один из встроенных пускателей посредством конечных контактных выключателей.
- Оба пускателя приводят в рабочее состояние основной электродвигатель. Шпиндель перестает работать в том случае, когда рукоятку реверса обращают в нейтральную позицию.
- Когда на станке размещают электронасос, он запускается посредством одного из переключателей на управляющем пульте.
- Если возникает необходимость, можно воспользоваться установленным на станке светильником. Светильник включается посредством тумблера, который расположен при его основании.
- Для того чтобы упредить возникновения поломок, в механизм устройства встроен толкатель красного цвета. Также можно остановить работу при помощи вводного переключателя.
Разработчиками устройства предусмотрены механизмы защиты от короткого замыкания, которые встроены в электрическую схему. Защита трансформатора и двигателя реализована посредством выключателя с автоматическим механизмом.
Двигатель защищен не только от замыканий, но и от рабочих перегрузок. Для целей защиты электрического механизма от таких негативных явлений в устройство встроены срабатывающие тепловые реле.
Не следует спешить начать работу на станке. Начало работы возможно после срабатывания сигнала лампы.
Во время эксплуатации настольно-сверлильного устройства может возникнуть аварийная ситуация, когда выходит из строя какой-либо элемент. В технических характеристиках оборудования описаны такие защитные механизмы:
- имеется возможность нажать на кнопку экстренного прекращения работы;
- тепловые реле;
- защита нуля, благодаря которой исключается возможность непроизвольного продолжения работы после возникновения перерывов напряжения, скачков в электропитании;
- устройство не может включиться, если рукоять реверса располагается не в нейтральной позиции.

Электрическая схема настольно-сверлильного станка ГС2116К
Монтажные работы по установке станка возможны исключительно электриком. Только он может с достаточной безопасностью осуществить подключение электростанка к сети. Для подключения к сети подойдет не всякий кабель, а только четырехжильный, поперечное сечение которого должно составлять хотя бы 1.0 мм кв. Если такого кабеля нет, можно воспользоваться жгутовым материалом из изолированных проводов меди.
Перед тем, как использовать станок для разного рода работ, потребитель должен проверить общее рабочее состояние механизма. При выявлении какого-либо брака потребителю следует сообщить о нем продавцу, чтобы получить возможность своевременно заменить неисправный прибор.
Отзывы о работе станка
На рынке представлен широкий выбор станков. По этой причине выбор может оказаться сложным. Спрашивая у продавцов, можно выбрать не тот товар, ведь они заинтересованы в продаже.
Чтобы не ошибиться в выборе, можно изучить отзывы о станке потребителей, которые испытали его в работе.
Станок ГС2116К достаточно распространен на рынке. Нередко можно встретить описание этого устройства. На специализированных форумах можно встретить немало информации об отличиях в модификациях оборудования данного типа.
Покупатели отмечают стабильную работу устройства на предприятиях, надежность, неплохую износостойкость. Хотя гарантия на станок распространяется только на двенадцатимесячный срок, тем не менее, нигде не встречается упоминаний о том, что устройство когда-либо у кого-либо ломалось за период в один год. Наоборот, часто встречается информация о том, что его используют для работы уже много лет.
Станок имеет ряд преимуществ перед своими конкурентами. Отмечено, что встроенная в него коробка скоростей присутствует далеко не в каждой подобной модели. Один пользователь форума нашел этот плюс, сравнивая станок ГС2116К с 2М112.

Внешний вид станка ГС2116К
К числу удобств электроприбора ГС2116К относят наличие боковой ручки для перехода в рабочее состояние и перехода на реверс. В процессе эксплуатации может раскручиваться патрон, но его можно без лишних усилий восстановить в исходное положение.
Нередко бывает, что действия пользователя могут привести к аварийным ситуациям. Один пользователь форума отмечает,
i-perf.ru
Гомельский ГС2116М – Сверлильные станки
что подкупило именно в этом экземпляре: во первых он относительно свежий – 2004 год все таки. Довольно редко.
Потом конус морзе 2 в шпинделе, и коробка с шестернями для переключения скоростей.
Из минусов – отсутствие двигателя и болтание шкива на валу (рассыпался подшипник вала шкива.) Двигатель правда дали в нагрузку от другой сверлилки многошпиндельной, но он слабоват на мой взгляд – 370 ватт всего.
Станок был перетащен в гараж и забыт там на 2 месяца. РУки дошли до него только сегодня.
станок был разобран на части.
предварительный осмотр принес положительные впечатления: все шестерни в коробке целые, переключаются отлично, шпиндель не бьет, пиноль не болтается.
Необходимо заменить подшипник вала со шкивом, найти двигатель думаю кило ваттный пойдет. ну й заменить смазку, собрать покрасить и в бой))
Советы пожалания критика только приветствуются, я в принципе полный новичек, но желание что то делать самому огромное.)
Изменено пользователем _saab_www.chipmaker.ru
Настольный сверлильный станок ГС2116КВ – euro-stanok.ru
Настольный сверлильный станок ГС2116КВ – сверлильные станки предназначены для обработки отверстий в мелких деталях. Простота конструкции обеспечивает легкость управления, надежность и долговечность станков. Отсчет глубины обработки производится по круглому лимбу штурвала. Станки позволяют выполнять следующие операции:
– сверления;
– зенкерования;
– развертывания;
– рассверливания
– нарезания резьб
Настольный сверлильный станок ГС2116КВ подходит для серийного или единичного производства деталей, метизов, рабочих инструментов, строительных конструкций, декоративных изделий из металла, а также ремонта узлов, деталей и запасных частей для машин и механизмов.
Макс. Ø сверления (сталь), мм
18
Макс. Ø нарезаемой резьбы (сталь)
М4-М12
Количество скоростей шпинделя
6
Диапазон скоростей шпинделя, об/мин
200, 320, 560, 800 1200, 2100
Ход пиноли шпинделя, мм
100
Конус шпинделя, Морзе
КМ2
Размеры раб. поверхности стола, мм
250х250
Количество пазов на плите
2
Напряжение питания, В
3×380
Мощность двигателя гл. привода, кВт
0.75
Габаритные размеры, мм
640х460х1260
Масса станка, кг
140
www.euro-stanok.ru
Модель |
ГС2112 |
ГС2116К |
Наибольший условный диаметр сверления в стали, мм |
12 |
18 |
Диапазон нарезаемой резьбы |
– |
М4…М16 |
Вылет шпинделя (расстояние от оси шпинделя до образующей колонны), мм, не менее |
190 |
190 |
Расстояние от нижнего торца шпинделя до рабочей поверхности плиты, мм наибольшее, не менее наименьшее, не более |
450 100 |
400 100 |
Наибольший ход сверлильной головки, мм |
250 |
200 |
Наибольший ход шпинделя, мм |
100 |
|
Размер конуса шпинделя, мм наружный по ГОСТ 9953-82 внутренний по ГОСТ 25557-82 |
В18 – |
Морзе 2 или В18* |
Размер рабочей поверхности плиты, мм ширина длина |
250 250 |
|
Количество Т-образных пазов |
3 |
|
Расстояние между пазами |
100 |
|
Ширина паза |
14 Н14 |
|
Количество скоростей шпинделя |
5 |
6 |
Пределы чисел оборотов шпинделя, об/мин. |
450, 800, 1400, 2500, 4500 |
200, 320, 560, 800 1200, 2100 |
Мощность привода, кВт |
0,55 |
0,75 |
Напряженность питающей сети, В |
380 |
|
Габаритные размеры станка, мм не более длина ширина высота |
780 420 982 |
640 460 1260 |
Масса станка (нетто/брутто), кг, не более |
100/135 |
140/175 |
Габаритные размеры тумбы (LxBхH), мм не более |
505х405х720 |
|
Масса тумбы, кг, не более |
35 |
|
Масса станка с тумбой (нетто/брутто), кг, не более |
135/170 |
175/225 |
Габаритные размеры упаковки (LxBхH), мм не более |
900х595х1020 |
800х600х1230 |
afalina74.ru
Станок настольно-сверлильный ГС2116 | Станочный Мир
Если Вам необходимо купить Станок настольно-сверлильный ГС2116 звоните по телефонам:
в Москве +7 (499) 372-31-73
в Санкт-Петербурге +7 (812) 245-28-87
в Минске +375 (17) 246-40-09
в Екатеринбурге +7 (343) 289-16-76
в Новосибирске +7 (383) 284-08-84
в Челябинске +7 (351) 951-00-26
в Тюмени +7 (3452) 514-886
в Нижнем Новгороде +7 (831) 218-06-78
в Самаре +7 (846) 201-07-64
в Перми +7 (342) 207-43-05
в Ростове-на-Дону +7 (863) 310-03-86
в Воронеже +7 (473) 202-33-64
в Красноярске +7 (391) 216-42-04
в Нур-Султане +7 (7172) 69-62-30;
в Абакане, Альметьевске, Архангельске, Астрахани, Барнауле, Белгороде, Благовещенске, Брянске, Владивостоке, Владимире, Волгограде, Вологде, Иваново, Ижевске, Иркутске, Йошкар-Оле, Казани, Калуге, Кемерово, Кирове, Краснодаре, Красноярске, Кургане, Курске, Кызыле, Липецке, Магадане, Магнитогорске, Майкопе, Мурманске, Набережных Челнах, Нижнекамске, Великом Новгороде, Новокузнецке, Новороссийске, Новом Уренгое, Норильске, Омске, Орле, Оренбурге, Пензе, Перми, Петрозаводске, Пскове, Рязани, Саранске, Саратове, Севастополе, Симферополе, Смоленске, Сыктывкаре, Тамбове, Твери, Томске, Туле, Улан-Удэ, Ульяновске, Уфе, Хабаровске, Чебоксарах, Чите, Элисте, Якутске, Ярославле и в других городах
По всей России бесплатный номер 8 (800) 775-16-64.
В странах СНГ — Беларуси, Казахстане, Туркменистане, Узбекистане, Украине, Таджикистане, Молдове, Азербайджане, Кыргызстане, Армении в городах Нур-Султан, Бишкек, Баку, Ереван, Минск, Ашхабад, Кишинев, Душанбе, Ташкент, Киев и других для покупки оборудования типа Станок настольно-сверлильный ГС2116 звоните на любой удобный номер, указанный на нашем сайте, или оставьте свои контакты под кнопкой ЗАКАЗАТЬ ЗВОНОК вверху сайта – мы сами Вам перезвоним.
stanok-kpo.ru