Характеристики 7815: L7815CV, Стабилизатор напряжения +15В 1.5А 4% (0…+125C), [TO-220], ST Microelectronics
alexxlab | 28.11.1995 | 0 | Разное
7805, 7812, 7815 – стабилизаторы напряжения – схема включения, описание на русском, параметры, аналоги – Зарубежные стабилизаторы напряжения – Стабилизаторы напряжения – Справочник Радиокомпонентов – РадиоДом
Теперь поговорим о трех выводном стабилизаторе L7805. Микросхема выпускается в двух видах, в пластмассовом корпусе – ТО-220, например как транзистор КТ837 и металлическом корпусе – ТО-3, например как всем известный КТ827. Три вывода, если считать слева на право – то соответственно вход, минус и выход.
Последних две цифры в маркировке указывают на стабилизированный выход микросхемы – L7805 – 5 в, 7806 – 6 в.
Ниже будет описание и схема включения стабилизатора, которая подходит для всех микросхем этой серии.
На конденсаторы малой емкости не смотрим, желательно поставить побольше.
Внутренняя структура стабилизатора 7805Output voltage – выходное напряжение.
Input voltage – входное напряжение. В нашем примере выдает нам на выходе 5 вольт. Желательным входным напряжением производители отметили не более 10 в. Но, бывает так, что выходное стабилизированное напряжение иногда бывает или чуть занижено, или чуть завышено. Здесь мы видим, что стабилизатор L7805 может нам выдать одно из напряжений диапазона 4.75 – 5.25 в, но при этом должны соблюдаться условия (conditions), что ток на выходе в нагрузке не будет превышать 1 ампер. Нестабилизированное постоянное напряжение может быть от 7.5 и до 20 в, при это на выходе будет всегда 5 в. Это есть большой плюс данного радиокомпонента.
Цоколёвка и размеры стабилизатора напряжения 7805 в пластмассовом корпусеЦоколёвка и размеры стабилизатора напряжения 7805 в металлическом корпусе
При нагрузке свыше 14 Вт, стабилизатор желательно установить на алюминиевый теплоотвод, чем больше нагрузка тем больше нужна площадь охлаждаемой поверхности.
Производят в основном в корпусе ТО-220
Максимальный ток нагрузки: 1.
5, а
Допустимое входное напряжение: 35 в
Выходное напряжение: 5 в
Число регуляторов в корпусе: 1
Ток потребления: 6 мА
Погрешность: 4 %
Диапазон рабочих температур: 0 C … +140 C
Отечественный аналог КР142ЕН5А
Для того, чтобы стабилизатор не вывести из строя окончательно, нужно придерживаться нужного минимума на входе микросхемы, то есть если L7805, то на вход пускаем примерно 7-8 в.

| Выходное напряжение В | ||
| 78L05 78L06 78L08 78L09 78L12 78L15 78L18 78L24 | 7,230 8,230 10,230 11,230 14,230 17,230 20,230 26,230 | 5 6 8 9 12 15 18 24 |
| Тип | Входное напряжение В |
МИНМАКС
78М06
78М08
78М12
78М15
78М20
78М24
8,535
10,535
14,535
17,535
22,540
26,540
6
8
12
15
20
24
Общие сведения:
Вход стабилизатора — IN
Выход стабилизатора — OUT
Общий — GND (Ground)
Вход управления регулируемого стабилизатора — ADJ
По входу INPUT, а так же по выходу OUTPUT стабилизатора во избежание самовозбуждения необходимо подключать конденсатор 47.
220нФ.
Если емкость конденсатора на выходе стабилизатора очень велика, а ток нагрузки мал, между входом и выходом необходимо включать диод. Это решение гарантирует, что напряжение будет очень быстро уменьшаться до величины входного напряжения.
Для надежной работы стабилизатора напряжение на входе выбирается не менее чем на 3 В выше, чем выходное напряжение.
Стабилизаторы постоянного отрицательного напряжения с максимальным выходным током 100мА в корпусе ТО-92(рис.2)
| Тип | Выходное напряжение В | |
| 79L05 79L06 79L08 79L09 79L12 79L15 79L18 79L24 | -7,2-30 -8,2-30 -10,2-30 -11,2-30 -14,2-30 -17,2-30 -20,2-30 -26,2-30 | -5 -6 -8 -9 -12 -15 -18 -24 |
Перфикс зависит от изготовителя :
LM79Lxx ACZ
MC79Lxx CP
ML79Lxx A
Стабилизаторы постоянного положительного напряжения с выходным током более 1А в корпусе ТО-3(рис.
Источник: tehnopage.ru
Схема источника тока на 7805 и других 78xx стабилизаторах
Ни для кого не секрет, как собрать блок питания на стабилизаторах 7805, 7809, 7812 и тд. Но не все знают, что на этих же стабилизаторах можно собрать приличный источник тока. Схема источника тока и стала героем этой статьи.
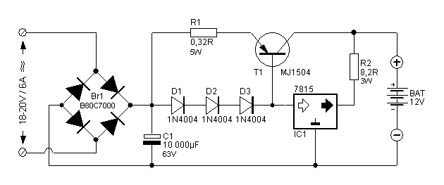
Так выглядит стандартная схема стабилизатора напряжения на микросхемах серии 78xx. Эти микросхемы настолько популярны, что их выпускает каждая, уважающая себя контора. Обычно в разговоре или на схеме даже опускают первые буквы, характеризующие производителя, указывая просто 7815. Ибо нефиг захламлять схему и сразу ясно, что речь о стабилизаторе напряжения.
Для тех, кто мало знаком с подобными стабилизаторми небольшое видео по сборке «на коленках»:
Качество компонентовВ реальности производитель очень важен. Всегда старайтесь покупать стабилизаторы, да и любые детали от крупных производителей и у проверенных поставщиков.
Я лично предпочитаю STMicroelectronics. Их отличает эмблема ST в углу.
Ноунейм стабилизаторы или производства дедушки чаньханьбздюня очень часто имеют значительный разброс значений выходного напряжения от изделия к изделию. На практике встречалось, что стабилизатор 7805, который должен давать 5 вольт выдавал 4.63, либо же некоторые образцы давали до 5.2 вольта.
Ладно бы это, напряжение то он держит постоянным, но проблема еще и в том, что в несколько раз сильнее выбросы, фон и больше потребление самого стабилизатора. Думаю вы поняли.
Схема источника тока на 78xxВеличина тока задается резистором R*, который является нагрузкой для стабилизатора. При этом стабилизатор не заземлен. Заземление происходит только через нагрузку Rн. Такая схема включения вынуждает микросхему пытаться обеспечить в нагрузку заданный ток, путем регулировки напряжения на выходе.
Выходной ток источника тока на L78Небольшой неприятностью представляется ток покоя >
В идеале из стабилизатора можно выжать токи от 8 мА до 1 А.
Однако при токах больше 200-300 мА крайне желателен радиатор. Гнать токи более 700-800 мА в принципе не желательно. Указанный в даташите 1А — это пиковое значение, в реальности стабилизатор скорее всего перегреется. На основании сказанного можно заключить, что диапазон выходных токов составляет 10-700 мА.
При этом нестабильность тока покоя составляет Δ I d = 0.5мА. Эта величина определяет точность установки выходного тока. Так же точность задания величины выходного тока определяется точностью сопротивления R*. Лучше использовать резистор, точностью не хуже 1%.
Определенное удобство тут представляет тот факт, что схемы не может выдать напряжение выше заложенного напряжения стабилизации. Например при использовании стабилизатора 7805, напряжение на выходе не сможет превысить 5 вольт. Это бывает критично.
Сопротивление нагрузкиВ то же время стоит учитывать сопротивление нагрузки.
Например если требуется обеспечить 100 мА через нагрузку сопротивлением 100 Ом, то по закону ома получаем напряжение
V= I*R = 0.1 * 100 = 10 Вольт
Такими нехитрыми подсчетами мы получили величину напряжения, которую требуется приложить к нагрузке в 100 Ом, чтобы обеспечить в ней ток в 100мА. Это означает, что для данной задачи рационально поставить стабилизатор 7812 или 7815 на 12вольт и 15 вольт соответственно, дабы иметь запас.
А вот обеспечить такой же ток, через резистор в 10кОм уже не выйдет. Для этого необходимо напряжение в 100 вольт, что данные микросхемы уже не умеют.
Заключение
Конечно такой источник тока имеет свои ограничения, однако он может пригодиться для подавляющего числа задач, где не требуется особая точность. Простота схемы и доступность компонентов, позволяет на коленке собрать источник тока.
Источник: audiogeek.ru
Подробное руководство по использованию и многое другое!
Регуляторы напряжения очень популярны в электрических проектах.
Они работают, обеспечивая устойчивое выходное напряжение, несмотря на представленное входное напряжение. Выпрямитель LM7815 относится к серии консолидированных схем LM78XX. Выпрямители напряжения этой серии имеют три контакта и выдают фиксированное выходное напряжение. Однако стабилизаторы напряжения в этой серии поставляются с противоположными фиксированными выходными напряжениями. Эта функция позволяет применять регуляторы напряжения серии LM78XX во многих приложениях. В этой статье речь пойдет о стабилизаторе напряжения LM7815, его характеристиках и использовании в проектах.
Стабилизатор напряжения LM7815 представляет собой стабилизатор постоянного напряжения. Его название 7815 означает «78», что означает, что регулятор обеспечивает положительное напряжение. В то время как регулятор напряжения работает, обеспечивая постоянный выходной сигнал, от 7815 «15» означает выходное напряжение 15 В. Примечательно, что из двух приведенных выше утверждений стабилизатор положительного напряжения LM7815 выдает выходное напряжение +15 В.
Кроме того, при положительном напряжении 15 В регулятор может обеспечивать достаточное количество энергии для большинства компонентов TTL. Примечательно, что регулятор поставляется в упаковке и доступен в корпусах ТО-220, ТО-3, ТО-220ФП и Д2ПАК.
(изолированный электронный компонент в корпусе TO-220 с тремя выводами.)
Выходной ток этой интегральной схемы может достигать 1,5 А. Однако та же ИС претерпевает большие потери тепла. Было бы полезно, если бы вы использовали радиатор для смягчения и предотвращения потери ИС слишком большого количества тепла. Это действие делается в первую очередь для проектов, которые требуют больше энергии.
Например, такой проект, как местное приложение регулирования на карте. Важно отметить, что это приложение работает, устраняя проблемы с распределением, возникающие при одноточечном регулировании. Кроме того, наличие этих терминальных регуляторов играет важную роль в создании логических систем и HiFi.
Примечание; Было бы полезно, если бы вы помнили, что входное напряжение LM7815 всегда должно быть между 17В и 35В.
Любой ток ниже 17 В не даст стабильного выхода. Кроме того, стабилизатору напряжения требуется не менее 2 В сверх его фиксированного выхода, чтобы эффективно работать и воспроизводить звук. Однако подавать ток более 35 В не рекомендуется, так как это повредит устройство.
(автоматический регулятор напряжения.)
7815 Характеристики регулятора напряжения- Во-первых, конструкция схемы регулятора сконфигурирована для вывода напряжения +15 В.
- Во-вторых, минимальное необходимое входное напряжение составляет 17 В.
- В-третьих, переменное входное напряжение имеет максимальное входное напряжение 35 В.
- Также регулятор выдает максимальный ток 1,5 А.
- Далее, регулятор напряжения 7815 имеет встроенную функцию отключения при коротком замыкании.
- Кроме того, регулятор имеет встроенную функцию отключения при перегреве.
- Кроме того, регулятор напряжения использует резервный ток 8 мА.
- Кроме того, это электрическое устройство имеет защиту от короткого замыкания и внутреннюю тепловую перегрузку.

- Затем регулятор напряжения LM7815 имеет высокую температуру перехода 125 градусов Цельсия.
- Наконец, регулятор напряжения выпускается в корпусах TO-220, TO-220FP, D2PAK и TO-3.
(изображение наборов значков регулятора напряжения.)
Конфигурация контактов LM7815Регулятор напряжения LM7815 входит в число трехвыводных стабилизаторов. А именно, вход, выход и контакт заземления. Кроме того, эти штифты имеют разные функции. В приведенной ниже таблице описывается каждый контакт.
| PIN | Наименование вывода | Описание |
| 1 | Вход (V+) | Этот пин-штифт обеспечивает неспешную вход. |
| 2 | Заземление | Штырь заземления обеспечивает заземление всей цепи. Кроме того, штифт заземляет курс. |
| 3 | Выход (V0) | Этот контакт выдает настроенное выходное напряжение +15 В.![]() |
(регулируемые регуляторы напряжения, понижающие модули питания.)
Как использовать регулятор напряжения LM7815? Важно использовать его с двумя конденсаторами, чтобы регулятор давал надежные результаты. Например, одно из значений 0,1 мкФ, а другое должно иметь значение 0,33 мкФ.Обычно входным конденсатором является конденсатор 0,33 мкФ. В то же время 0,1Uf является выходным конденсатором. Примечательно, что входной конденсатор, керамический конденсатор, доступный в схеме, справляется с проблемами входной индуктивности. С другой стороны, керамический выходной конденсатор обеспечивает или добавляет стабильность.
При подключении важно располагать входной и выходной конденсаторы ближе к клеммам цепи. Этот фактор важен, потому что конденсаторы эффективно работают ближе к клеммам.
Вы могли заметить, что все два конденсатора сделаны из керамики. Керамический конденсатор работает быстрее, чем электролитический конденсатор, поэтому он и используется.
Всегда используйте радиатор, если вы хотите использовать регулятор в течение длительного времени, сохраняя при этом стабильные результаты. Кроме того, избегайте нагрузки более 1,5 А и не подавайте напряжение более 35 В. Кроме того, следите за тем, чтобы ваше устройство постоянно работало при температуре от 0 до 125 градусов Цельсия. Кроме того, храните электроприбор при температуре от -65 до 150 градусов Цельсия.
(регулятор напряжения на электростанции)
Применение регулятора напряжения LM7815.- Во-первых, вы можете использовать регулятор напряжения в качестве ограничителя тока в некоторых электронных приложениях.
- Во-вторых, выходной стабилизатор LM7815 может работать как регулируемый двойной источник питания в электронных схемах.
- Также регулятор можно использовать как регулятор постоянного напряжения 15В. Эта выходная мощность +15 В помогает запускать микроконтроллеры и электронные датчики во многих электрических проектах.

- Наконец, вы можете использовать этот регулятор напряжения в качестве выходной схемы защиты от неправильной полярности.
(изображение регулятора напряжения.)
РезюмеРегулятор напряжения +15 В — это важная часть электронного оборудования серии LM78XX. Мы уже научились работать с ним для достижения наилучших результатов.
Мы надеемся, что эта статья была вам полезна. По любым вопросам, касающимся наших статей, не стесняйтесь обращаться к нам.
Ошибка 404
Ошибка 404 изображение/svg+xmlВыбранная страна и язык определяют ваши торговые условия, цены на товары и специальные предложения.
Страна
Язык
Валюта
Цены
нетто
брутто
сеть
валовой
Воспользуйтесь поисковой системой, чтобы найти интересующие вас вопросы, или перейдите в одну из следующих областей:
Каталог Как купить Помощь
или вернуться к: Главная страница
Мы рекомендуем вам подписаться
В каждом информационном бюллетене вы найдете важную и интересную информацию о новых продуктах, распространении и изменениях на сайте TME.
Здесь же можно отписаться от рассылки.
* обязательное поле
ПодписатьсяОтписаться
Я ознакомился и понял Политику информационных бюллетеней TME и настоящим даю свое согласие на отправку информационного информационного бюллетеня сервиса TME на мой адрес электронной почты. Политика информационного бюллетеня TME
* 1. Transfer Multisort Elektronik sp. о.о., ул. Ustronna 41, 93-350 Łódź настоящим информирует вас о том, что он будет контролером ваших личных данных.
2. Контроллер персональных данных назначил ответственного за защиту данных, с которым можно связаться по электронной почте: [email protected].
3. Ваши данные будут обрабатываться на основании пункта (а) статьи 6(1) Регламента Европейского парламента и Совета (ЕС) 2016/679 от 27 апреля 2016 г.
о защите физических лиц в отношении обработки персональных данных и о свободном перемещении таких данных и отмене Директивы 95/46/ЕС (далее: GDPR), для отправки на указанный адрес электронной почты электронного информационного бюллетеня TME .
4. Предоставление данных является добровольным, однако необходимо направить информационный бюллетень.
5. Ваши персональные данные будут храниться до тех пор, пока вы не отзовете свое согласие на обработку ваших персональных данных.
6. Вы имеете право получить доступ к своим личным данным и запросить их исправление, удаление или ограничение их обработки;
7. Если ваши личные данные обрабатываются на основании вашего согласия, вы имеете право отозвать это согласие. Отзыв согласия не влияет на законность обработки, которая была выполнена до отзыва.
8. Вы также имеете право подать жалобу в надзорный орган по защите данных.
более меньше
Подпишитесь на информационный бюллетень TME
Специальные предложения – скидки – новинки.

Это минимальные значения конденсаторов, можно, и даже желательно поставить большего номинала. Это требуется для уменьшения пульсаций как по входу, так и по выходу. Кто забыл, что такое пульсации, можно заглянуть в статью как получить из переменного напряжения постоянное.
Нестабилизированное постоянное напряжение может “колыхаться” в диапазоне от 7,5 и до 20 Вольт, при это на выходе будет всегда 5 Вольт.
Для этого Вам нужно прочитать вот эту статейку и поставить на выход стабилизатор на радиаторе! И все! Схема будет приблизительно вот такая для блока питания 5 Вольт:
Следовательно, чем больше входное напряжение стабилизатора, тем больше мощность, потребляемая им. А излишняя мощность – это и есть нагрев. В результате нагрева такой стабилизатор может перегреться и войти в состояние защиты, при котором дальнейшая работа стабилизатора прекращается или вовсе сгореть.
Именно об этом линейном регуляторе входного постоянного напряжения пойдет речь в данном материале.

Согласно эти расчетам получается, что оптимальным вариантом будет использовать микросхему 7812 либо 7815, рассчитанную на 12v и 15v в соответствии, с целью иметь запас.
д.
Для более безопасной работы, желательно добавить индикацию для визуализации включения прибора. Тогда схема приобретет такой вид:
А именно температура микросхемы находится в пределах от 0 до 125 градусов Цельсия, входном напряжении 10 В, выходном токе 500 мА (если иное не оговорено в условиях, колонка Test conditions), и стандартном обвесе конденсаторами по входу 0,33 мкФ и по выходу 0,1 мкФ.
