Лебедка чертеж ручная: Ручная лебедка своими руками: чертежи, размеры
alexxlab | 17.04.2023 | 0 | Разное
ХАРАКТЕРИСТИКИ РУЧНОЙ ЛЕБЕДКИ ЛРО-1, ТЕХНИЧЕСКИЕ ХАРАКТЕРИСТИКИ РУЧНОЙ ЛЕБЕДКИ ЛРО-1, ОПИСАНИЕ ЛЕБЕДКИ ЛРО-1, ЛРО-1 ХАРАКТЕРИСТИКИ ЛЕБЕДКА, ЧЕРТЕЖ РУЧНОЙ ЛЕБЕДКИ ЛРО-1
Лебедка ручная барабанная ЛРо-1-50,0 г/п 500/1000кг.
Модель | ЛРо-1-50,0 | |
Грузоподъемность, кг | 500 / 1000 с блоком | |
Усилие на рукоятке при номинальной нагрузке не более, кгс | 25 | |
Канатоемкость, м | 50 | |
Рабочий ход каната, м | 49 / 24,5 с блоком | |
Диаметр каната,мм | 7,0 | |
Группа режима не выше | 1М ГОСТ 25583 | |
Исполнение | У1 ГОСТ 15150 | |
Температура окр. | от -20 до + 40 | |
Габариты, мм | А | 390 |
В | 450 | |
С | 270 | |
Монтажные размеры, мм | D | |
E | ||
d | ||
Вес, кг | 31 / 38 | |
Ручная барабанная лебедка ЛР-1 предназначена для осуществления подъемно-транспортных операций с грузами массой до 500 кг.
При использовании блока возможно увеличение массы груза до 1000кг. Блок не входит в комплект поставки, и, в случае необходимости, приобретается отдельно. Схема применения лебедки с блоком представлена ниже.
Схема лебедки – схемы управления лебедкой
Внутри каждого автолюбителя живет любопытный исследователь, который хочет в мельчайших подробностях знать, как работает его “железный конь”. Знания о внутреннем устройстве лебедки могут пригодится Вам во время ее установки или внепланового техосмотра. Также, не лишним будет, самостоятельно проверить силу затяжки внутренних узлов при покупке китайской лебедки.
Устройство лебедки во многом зависит от ее вида:
- ручная лебедка
- электрическая
- гидравлическая
Схема ручной барабанной лебедки
Ручная лебедка – один из самых распространенных механизмов по перемещению грузов. Может выпускаться с одним, двумя или тремя барабанами.
Ручная лебедка приводится в действие путем применения механической силы. Оператор вращает рукоятку, которая соединена через подшипники и промежуточный вал с барабаном. Усилие передается через прочный кевларовый или металлический трос. Барабан с тросом вращается посредством зубчатой передачи через храпун. Весь механизм ручной лебедки закреплен на прочном металлическом основании.
Принято считать, чем больше барабанов присутствуют в схеме лебедки, тем более производительной она является. На случай экстренных ситуаций предусмотрен ленточный тормоз, который остановит лебедку в случае заклинивания или обратном движении груза.
Более детально схема управления барабанной лебедкой представлена на рисунке:
Конструкция ручной барабанной лебедки состоит из:
- барабана
- собачки
- храповика
- шкива
- рукоятки для управления
- троса (металлического или синтетического)
- груза
- рычага
- зубчатых передач
Как видим, на первый взгляд простая и незамысловатая конструкция ручной лебедки включает в себя множество деталей и механизмов.
Поскольку “домашняя” лебедка не проходила тестирование на граничную нагрузку, разрывную прочность троса и т.д., никто не может гарантировать ее безопасность и качество исполнения. В магазине Lebedka.ua представлен широкий ассортимент фирменных лебедок по доступным ценам, которые прошли официальную сертификацию на территории Украины и ЕС. Поэтому крайне рекомендуем Вам не тратить время на игры в домашнего Кулибина и не возится с самостоятельным изготовлением, а купить ручную лебедку у нас.
Схема ручной рычажной лебедки
Рычажная лебедка хоть и относится к механизмам ручного типа, все же конструктивно отличается от барабанной. Работает она благодаря протяжному механизму. Отлично справляется с грузами в условиях ограниченного пространства.
Рычажная ручная лебедка состоит из:
- Рычагов управления вперед/назад, к которым крепится рукоятка
- Анкерный штифт и штифт от перегрузки
- Система зажимов
- Трос
- Рычаг освобождения зажима каната
- Корпус лебедки
Детальнее расположение всех внутренних узлов и механизмов рычажной лебедки можно увидеть на схематическом рисунке:
Электрические лебедки или автомобильные лебедки имеют гораздо более сложную конструкцию, нежели две предыдущих версии. В классической электрической лебедке барабан приводится в движение через двигатель, посредством редуктора. Зубчатая передача открытого типа соединена с валом редуктора. Шестеренки барабана находятся в закрытом кожухе для большей надежности. Вал вращения опирается на подшипники. Все внутренние узлы и детали крепятся к прочному корпусу-основанию. Управление бывает нескольких видов: при помощи проводного пульта, установленного на руле или дистанционного пульта управления с определенным радиусом действия.
Современные лебедки оборудованы автоматическим тормозом, который фиксирует груз при его обратном движении. Что очень удобно, например, при буксировке под гору. В таком случае, если автомобиль начнет откатываться назад – сработает тормозная система лебедки и остановит его движение.
Для владельца автомобиля также полезно будет знать как подключить лебедку. В принципе, здесь все предельно просто и понятно, если следовать схеме. Красный кабель – на плюс АКБ, черный – на минус. Но и тут могут быть ньюансы. Одна из самых частых оплошностей автолюбителей – забыть подключить тонкий кабель массы соленоида. Также многие считают необязательным подключение провода массы, поскольку лебедка крепится на массу. При этом не берется во внимание что контакт по раме и корпусу несет потери. Во избежание таких потерь, кабель массы нужно подключать от мотора на клемму массы.
Важно следить и за “свежестью” аккумулятора, поскольку старый не даст возможности лебедке работать на полную мощность.
Если на вашем авто установлено сразу 2 аккумулятора, стоит посмотреть какой из них расположен ближе к генератору. Напряжение на нем будет немного выше. Именно к нему и стоит подключать лебедку.
Для того, чтобы провода не перетирались и служили дольше, стоит упаковать их в защитные рукава или текстиль. Как минимум в местах касаний, где есть риск перетирания.
Как подключить лебедку – вопрос достаточно не сложный и простой в исполнении. Если же Вы решили разобрать или усовершенствовать лебедку – на помощь придет схема лебедки.
Руководство по запасным частям лебедки Caterpillar 58
| |||
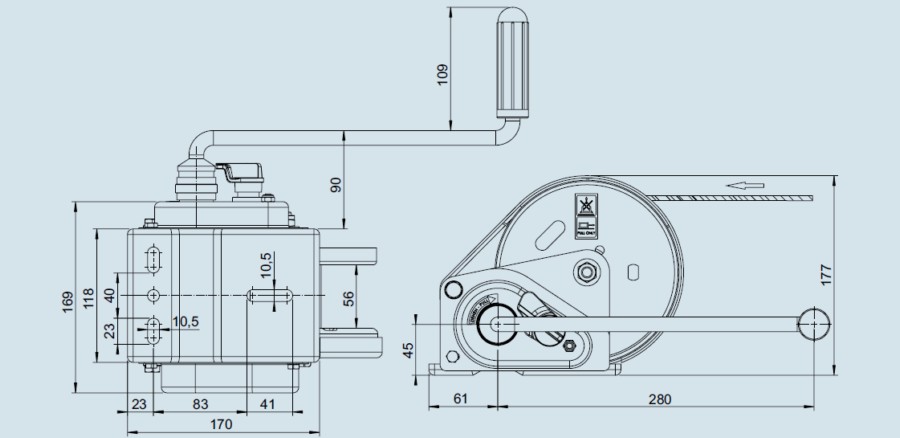
1501 Ручная лебедка Hewitt с кожухом редуктора
Компания HEWITT благодарит вас за проявленный интерес к нашей продукции. Мы уверены, что обслуживание, качество, качество изготовления и дизайн всех продуктов HEWITT будут лучшими в отрасли. Уже более 40 лет владельцы лодок и плавсредств доверяют безопасность и долговечность своих инвестиций подъемникам, докам и навесам HEWITT.
ОГРАНИЧЕННАЯ ГАРАНТИЯ Новые доки производства HEWITT, за исключением плавучих доков и плотов, имеют 15-летнюю условную гарантию на все алюминиевые и алюминиевые сварные швы.
На плавучие доки и плоты предоставляется 2-летняя условная гарантия. На алюминиевый настил (за исключением краски) распространяется отдельная 5-летняя условная гарантия.
HEWITT Machine and Manufacturing, Inc. гарантирует, что все док-станции и принадлежности HEWITT, приобретенные первоначальным владельцем новыми, не имеют дефектов материалов и изготовления при нормальном использовании в течение 24 месяцев с даты покупки (за исключением компонентов и опции, на которые распространяется собственная гарантия производителя, при этом эта гарантия будет применяться). На алюминиевые настилы предоставляется отдельная гарантия сроком на пять лет. Гарантия недействительна, если причиной является неправильное использование или небрежность. НАСТОЯЩАЯ ГАРАНТИЯ ДЕЙСТВИТЕЛЬНА ТОЛЬКО В США И КАНАДЕ ДЛЯ ПРОДУКТОВ, ИСПОЛЬЗУЕМЫХ ДЛЯ ПРЕСНОЙ ВОДЫ. ПРОВЕРЬТЕ ТРЕБОВАНИЯ ДЛЯ ИСПОЛЬЗОВАНИЯ В СОЛЕНОЙ ВОДЕ.
Никакие другие явные гарантии или гарантии, за исключением упомянутых выше, предоставленные любым физическим или юридическим лицом в отношении продуктов HEWITT, не являются обязательными для HEWITT Machine and Manufacturing, Inc.
Эта гарантия заменяет все другие гарантии, выраженные или подразумеваемые. НИКАКИЕ ПОДРАЗУМЕВАЕМЫЕ ГАРАНТИИ, ВКЛЮЧАЯ ЛЮБЫЕ ПОДРАЗУМЕВАЕМЫЕ ГАРАНТИИ КОММЕРЧЕСКОЙ ПРИГОДНОСТИ ИЛИ ПРИГОДНОСТИ ДЛЯ ОПРЕДЕЛЕННОЙ ЦЕЛИ, НЕ ПРИМЕНИМЫ К ПРОДУКЦИИ HEWITT, И НАСТОЯЩИМ ОТКАЗЫВАЮТСЯ.
В случае возможной претензии по гарантии дефектные продукты должны быть возвращены в HEWITT Machine and Manufacturing, Inc. Если при проверке будет доказано, что дефекты, они будут заменены на новые или сопоставимые восстановленные продукты, как это определено HEWITT Machine and Manufacturing, Inc. и отправлен обратно первоначальному покупателю. Все расходы по доставке несет заказчик. Гарантийная замена не продлевает первоначальный гарантийный срок дефектной продукции HEWITT. Компания HEWITT Machine and Manufacturing, Inc. должна быть уведомлена в письменной форме в течение одного месяца после истечения применимого периода явно выраженной ограниченной гарантии, указанной выше, для предмета, подлежащего оценке на предмет гарантии.
Средства правовой защиты клиента в отношении дефектных продуктов HEWITT должны быть исключительно ограничены ремонтом или заменой, как указано выше, и ни при каких обстоятельствах HEWITT Machine and Manufacturing, Inc. не несет ответственности за упущенную выгоду, доходы, сбережения, неудобства, связанные расходы, расходы на оборудование или услуги, использование капитала, объектов, услуг, расходы на хранение, ущерб имуществу или любой другой особый, случайный или косвенный ущерб, вызванный использованием, неправильным использованием или невозможностью использования продукта HEWITT, независимо от правовой теории, на которой основан иск, и даже если HEWITT Machine and Manufacturing, Inc. была уведомлена о таких убытках. Ни при каких обстоятельствах возмещение любого рода против HEWITT Machine and Manufacturing, Inc. не может превышать сумму покупки продукта HEWITT, проданного HEWITT Machine and Manufacturing, Inc. и причинившего предполагаемый ущерб. Не ограничивая вышеизложенное, покупатель принимает на себя весь риск и ответственность за утрату, повреждение или ранение людей, животных или имущества в результате использования, неправильного использования или невозможности использования продукта HEWITT.
HEWITT Machine and Manufacturing, Inc. не несет ответственности за претензии третьих лиц. Эта ограниченная гарантия не распространяется ни на кого, кроме первоначального покупателя продукта HEWITT или лица, для которого он был приобретен в качестве подарка, и устанавливает ваше исключительное средство правовой защиты. Ни при каких обстоятельствах компания HEWITT Machine and Manufacturing, Inc. не несет ответственности за случайные или косвенные убытки в полном объеме, который может быть исключен по закону.
Если не указано иное, данное гарантийное соглашение является единственным гарантийным соглашением между сторонами. В этом соглашении указаны пределы и ассоциация риска между двумя сторонами. Клиент признает, что понимает эту гарантию и соглашение и связывает их с условиями, содержащимися в них.
ДРУГИЕ ГАРАНТИИ ИЗГОТОВИТЕЛЯ
Продукция, произведенная не HEWITT Machine and Manufacturing, Inc., продается «как есть», без каких-либо гарантий со стороны HEWITT Machine and Manufacturing, Inc.
, включая подразумеваемую гарантию в отношении КОММЕРЧЕСКОЙ ПРИГОДНОСТИ ИЛИ ПРИГОДНОСТИ ДЛЯ КОНКРЕТНАЯ ЦЕЛЬ, и все подобные гарантии не распространяются. Единственная гарантия, если таковая имеется, в отношении такой продукции, произведенной не компанией HEWITT Machine and Manufacturing, Inc., предоставляется производителем или ее производителем. Основываясь на знаниях компании HEWITT Machine and Manufacturing, Inc., другие производители предоставляют следующие гарантии: Флотационные резервуары имеют 12-летнюю гарантию производителя.
Технические характеристики могут быть изменены без предварительного уведомления. Сделано в США.
ГАРАНТИЯ НА ЛОДОЧНЫЙ ПОДЪЕМ
Компания HEWITT благодарит вас за проявленный интерес к нашей продукции. Мы уверены, что обслуживание, качество, качество изготовления и дизайн всех продуктов HEWITT будут лучшими в отрасли. Уже более 40 лет владельцы лодок и плавсредств доверяют безопасность и долговечность своих инвестиций лифтам, докам и навесам Hewitt.
ОГРАНИЧЕННАЯ ГАРАНТИЯ
Новые лодочные и понтонные подъемники производства HEWITT имеют 15-летнюю условную гарантию на все алюминиевые и алюминиевые сварные швы. 5-летняя условная гарантия на оцинкованную сталь и сварные швы BoatPort. 5-летняя условная гарантия на полиэтиленовые баки BoatPort.
5-летняя условная гарантия на винил, полотна SeaMark и Defender, за исключением выцветания.
Компания HEWITT Machine and Manufacturing, Inc. дополнительно гарантирует, что все другие детали, используемые в подъемниках и аксессуарах производства HEWITT, приобретенные новыми первоначальным владельцем, не имеют дефектов материала и качества изготовления при нормальном использовании в течение 24 месяцев с даты выпуска. дата покупки (за исключением компонентов и опций, на которые распространяется гарантия производителя, в случае которых эта гарантия будет применяться). Гарантия аннулируется, если причиной является неправильное использование или небрежное обращение. Технические характеристики могут быть изменены без предварительного уведомления.
НАСТОЯЩАЯ ГАРАНТИЯ ДЕЙСТВИТЕЛЬНА ТОЛЬКО В США И КАНАДЕ ДЛЯ ПРОДУКТОВ, ИСПОЛЬЗУЕМЫХ ДЛЯ ПРЕСНОЙ ВОДЫ. ПРОВЕРЬТЕ ТРЕБОВАНИЯ ДЛЯ ИСПОЛЬЗОВАНИЯ В СОЛЕНОЙ ВОДЕ.
Никакие другие явные гарантии или гарантии, за исключением упомянутых выше, предоставленные любым физическим или юридическим лицом в отношении продуктов HEWITT, не являются обязательными для HEWITT Machine and Manufacturing, Inc. Эта гарантия заменяет все другие гарантии, выраженные или подразумеваемые. НИКАКИЕ ПОДРАЗУМЕВАЕМЫЕ ГАРАНТИИ, ВКЛЮЧАЯ ЛЮБЫЕ ПОДРАЗУМЕВАЕМЫЕ ГАРАНТИИ КОММЕРЧЕСКОЙ ПРИГОДНОСТИ ИЛИ ПРИГОДНОСТИ ДЛЯ ОПРЕДЕЛЕННОЙ ЦЕЛИ, НЕ ПРИМЕНИМЫ К ПРОДУКЦИИ HEWITT, И НАСТОЯЩИМ ОТКАЗЫВАЮТСЯ.
В случае возможной претензии по гарантии дефектные продукты должны быть возвращены в HEWITT Machine and Manufacturing, Inc. Если дефекты будут доказаны при проверке, они будут заменены на новые или сопоставимые восстановленные продукты, как это определено HEWITT Machine and Manufacturing, Inc. , Inc. и отправлен обратно первоначальному покупателю.
Все расходы по доставке несет заказчик. Гарантийная замена не продлевает первоначальный гарантийный срок дефектной продукции HEWITT. Компания HEWITT Machine and Manufacturing, Inc. должна быть уведомлена в письменной форме в течение одного месяца после истечения применимого периода явно выраженной ограниченной гарантии, указанной выше, для предмета, подлежащего оценке на предмет гарантии.
Средства правовой защиты клиента в отношении дефектных продуктов HEWITT должны быть исключительно ограничены ремонтом или заменой, как указано выше, и ни при каких обстоятельствах HEWITT Machine and Manufacturing, Inc. не несет ответственности за упущенную выгоду, доходы, сбережения, неудобства, связанные расходы, расходы на оборудование или услуги, использование капитала, объектов, услуг, расходы на хранение, ущерб имуществу или любой другой особый, случайный или косвенный ущерб, вызванный использованием, неправильным использованием или невозможностью использования продукта HEWITT, независимо от правовой теории, на которой основан иск, и даже если HEWITT Machine and Manufacturing, Inc.
была уведомлена о таких убытках. Ни при каких обстоятельствах возмещение любого рода против HEWITT Machine and Manufacturing, Inc. не может превышать сумму покупки продукта HEWITT, проданного HEWITT Machine and Manufacturing, Inc. и причинившего предполагаемый ущерб. Не ограничивая вышеизложенное, покупатель принимает на себя весь риск и ответственность за утрату, повреждение или ранение людей, животных или имущества в результате использования, неправильного использования или невозможности использования продукта HEWITT. HEWITT Machine and Manufacturing, Inc. не несет ответственности за претензии третьих лиц. Эта ограниченная гарантия не распространяется ни на кого, кроме первоначального покупателя продукта HEWITT или лица, для которого он был приобретен в качестве подарка, и устанавливает ваше исключительное средство правовой защиты. Ни при каких обстоятельствах компания HEWITT Machine and Manufacturing, Inc. не несет ответственности за случайные или косвенные убытки в полном объеме, который может быть исключен по закону.
Если не указано иное, данное гарантийное соглашение является единственным гарантийным соглашением между сторонами. В этом соглашении указаны пределы и ассоциация риска между двумя сторонами. Клиент признает, что понимает эту гарантию и соглашение и связывает их с условиями, содержащимися в них.
ДРУГИЕ ГАРАНТИИ ИЗГОТОВИТЕЛЯ
Продукция, произведенная не HEWITT Machine and Manufacturing, Inc., продается «как есть», без каких-либо гарантий со стороны HEWITT Machine and Manufacturing, Inc., включая подразумеваемую гарантию в отношении ТОВАРНОЙ ПРИГОДНОСТИ ИЛИ ПРИГОДНОСТИ ДЛЯ ОПРЕДЕЛЕННОЙ ЦЕЛИ , и все такие гарантии аннулируются. Единственная гарантия, если таковая имеется, в отношении такой продукции, произведенной не компанией HEWITT Machine and Manufacturing, Inc., предоставляется производителем или ее производителем. Основываясь на знаниях компании HEWITT Machine and Manufacturing, Inc., другие производители предоставляют следующие гарантии: Гарантия производителя на гидравлические насосы и шланги составляет 2 года.

среды, Сº
Это руководство никогда больше не позволит вам заказать неправильные детали!