Лодочный мотор своими руками из бензопилы чертежи: Лодочный мотор из бензопилы своими руками: самодельный, как сделать
alexxlab | 02.01.2023 | 0 | Разное
Лодочный мотор из бензопилы — изготовление, приимущества
Главная » Самоделки из бензопил
Содержание
- 1 Преимущества и недостатки готовых приставок
- 2 Подготовка к изготовлению самодельного мотора
- 3 Как сделать лодочный мотор из бензопилы своими руками?
Многим проживающим вблизи водоемов людям требуется лодочный мотор. Однако большинство навесных двигателей стоят достаточно дорого, что делает их недоступными для большинства населения. Оптимальной в таком случае станет самостоятельная сборка лодочного мотора из бензопилы. Эта конструкция выделяется простой в использовании и обслуживании. К тому же, мотор для лодки из бензопилы потребляет на порядок меньше топлива. Эти и множество других преимуществ делают самодельный агрегат надежным помощником для каждого любителя рыбной ловли.
Преимущества и недостатки готовых приставок
Для изготовления самодельного лодочного мотора требуются определенные навыки. Владельцу бензопилы нужно иметь опыт в работе с дрелью, сварочным аппаратом и ручной электрической болгаркой. В случае если необходимых навыков нет, можно приобрести уже готовую насадку для имеющегося бензинового инструмента. Лодочный мотор приставка к бензопиле выделяется рядом преимуществ. В их число входит:
- экономичность – насадка на бензопилу требует на порядок меньше топлива, чем профессиональные лодочные двигатели;
- небольшие габариты – перевозить насадку можно в багажнике автомобиля, в то время, как для транспортировки полноценного двигателя требуется специально оборудованный прицеп;
- простота в обслуживании – приставка не нуждается в регулярном замене обслуживаемых механизмов. Главное – использовать качественный бензин и моторное масло.
Помимо плюсов у использования насадки для бензопилы есть и один существенный недостаток.
Подготовка к изготовлению самодельного мотора
Непосредственно перед сборкой самодельного лодочного мотора потребуется изучить чертежи. Они должны наглядно демонстрировать размеры используемых деталей, а также указывать на способы их монтажа. После изучения схем, нужно приступить к подготовке оборудования.
В число требуемых для работы инструментов входит:
- станок для токарных работ;
- штангенциркуль и небольшая линейка;
- металлические болванки;
- заготовки из стального уголка;
- крепежные элементы.
С готовых деталей потребуется:
- бензопила;
- винт – можно сделать из стального листа, или взять уже готовый элемент от строго лодочного двигателя;
- исправный редуктор от старой болгарки;
- струбцина для крепежных работ;
- транец.

Для тестирования и эксплуатации лодочного мотора из бензопилы также потребуется бензин и качественное трансмиссионное масло.
Как сделать лодочный мотор из бензопилы своими руками?
Подготовив все требуемые для работы схемы и инструменты, можно переходить непосредственно к сборке лодочного мотора.
Алгоритм работы выглядит следующим образом:
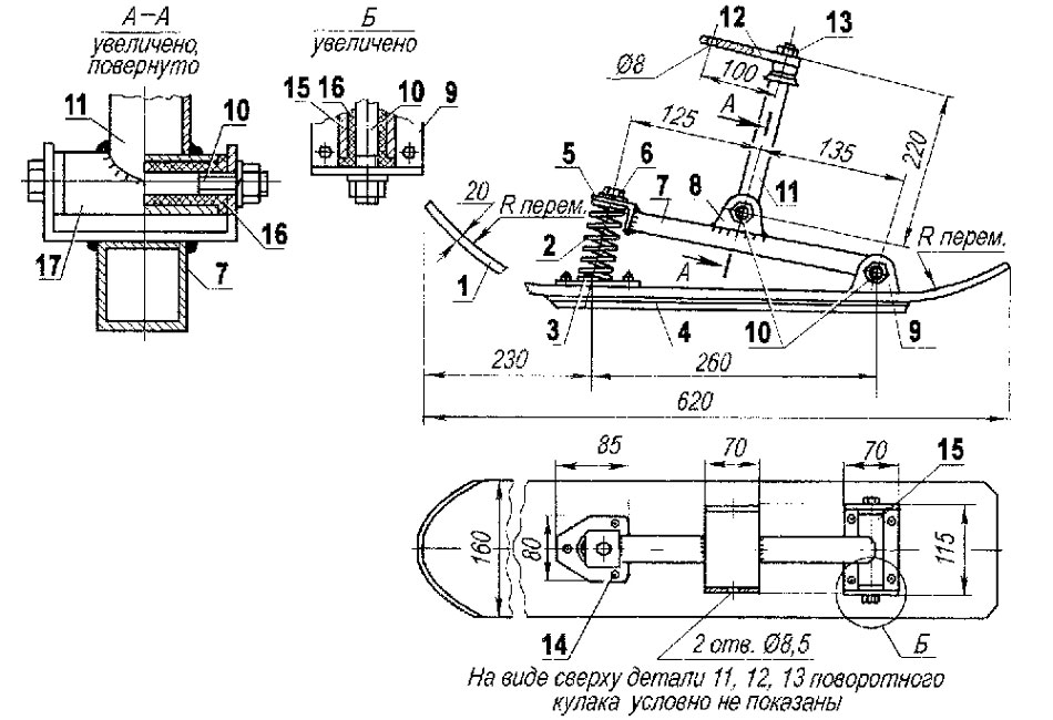
- Сперва нужно переделать заводскую муфту имеющейся бензопилы. Для этого потребуется выточить чашку требуемых размеров, а также заменить штатную пружину. Например, если под руками есть подходящий металлический вал, 2 роликовых подшипника с маркировкой 941/12, а также 2 детали типа 7000 CD, то для сборки лодочного мотора подойдет выточенная чашка, толщиной 16,5 и внешним диаметром 78 мм. Эта чашка будет хорошо взаимодействовать с роликовыми подшипниками, показывая стабильную работу при пониженном трении. Для крепления чашки потребуются три скобы, которые должны быть зафиксированы в пазах. Для изготовления скоб лучше всего использовать металлический уголок, в котором одна сторона сделана в форме трапеции и имеет 25 мм в длину.
При помощи скоб потребуется соединить крышку муфты и чашку. После этого крепежные скобы нужно зажать шайбой и винтом; - После выполненных действий высота готовой конструкции с учетом экрана, корпуса и расстояния до опорной пластины должна составить не более 10 см. Расстояние от первой штатной шпильки до вала должно быть равным 5,4 см. Так как общая масса конструкции составит около 4,5 кг, то для ее крепления потребуется использовать шпильку, с нанесенной на нее метрической резьбой с шагом 1 мм и диаметром 8 мм;
- Для крепления вала и используемого мотора нужно подготовить швеллер. При помощи болгарки из него потребуется вырезать заготовку подходящих размеров и просверлить в ней отверстие под болт. После этого останется соединить бензопилу с готовой конструкцией;
- После этого нужно сделать поворотный узел. С этой целью нужно взять отрезок металлической трубы, диаметр которой будет на несколько миллиметров больше диаметра вала. Также для сборки узла потребуется предварительно приваренный уголок, полая металлическая направляющая с шестью гранями, металлическая заготовка с прямоугольным сечением и прочный металлический стержень нужного диаметра .
В заготовке потребуется вырезать ручку, кромки которой следует зачистить. Затем на концах используемого стержня потребуется нарезать резьбу, после чего весь узел нужно установить на вал и закрепить в самом удобном для этого месте; - В конце останется адаптировать редукторный вал с используемым для сборки винтом. Если этой детали в наличии нет, то потребуется сделать ее самостоятельно. Для этого из листовой стали нужно вырезать заготовку, в которую следует залить эпоксидный клей и стеклоткань. После этого готовый винт потребуется очистить от заусенцев и покрасить. При изготовлении винта для лодочного мотора из бензопилы очень важно соблюдать все размеры и пропорции его лопастей. В противном случае одна из частей винта будет поддаваться повышенной нагрузке, из-за чего элемент очень быстро сломается.
Как только вал используемого редуктора через шпильку будет соединен с винтом, останется протестировать готовый лодочный мотор.
Нужно отметить, что самодельные лодочные моторы из бензопилы рассчитаны на передвижение резиновой лодки с двумя взрослыми пассажирами со скоростью не более 20 км/ч. Если регулярно увеличивать скорость, то это приведет к чрезмерной нагрузке на двигатель бензопилы. Он быстро перегреется и выйдет из строя. В результате владельцу бензопилы придется менять все уплотнители, цилиндро-поршневую группу мотора, а также заново отрегулировать карбюратор.
Понравилась статья? Поделиться с друзьями:
Лодочный мотор из бензопилы своими руками
Ранее мы уже рассказывали какие можно сделать самоделки из бензопилы, сегодня речь пойдет о лодочном моторе. Одну и ту же технику возможно эксплуатировать по различному назначению. Из за этого приобретать мотопилу и навесной лодочный движок мы не будем.
Ведь их объединяет мотодвигатель. Одновременно их применять не удастся, необходимо или плыть, или пилить. Исходя из этого можно применить мотодвижек одного из устройств в разных назначениях. Что мы сделали – поменяли цепную стрелу бензопилы на самодельную приставку с гребным винтом. Главный плюс то, что мы не ломаем, не переделываем а попросту переставляем агрегаты. На такую процедуру в полевых условиях тратится всего пару минут.
Как из бензопилы сделать лодочный мотор
Мы остановимся на том, как сделать приставку с гребным винтом, в этом нам поможет t.alex69.
Для начала необходимо переделать муфту: выточка новой меньшей чашки и замена стягивающей пружины, это необходимо для того, что бы снизить начальный момент сцепления ну и конечно же размеры – массу. Был куплен 941\12 роликовый подшипник. + два подш.7000CD на трубу + вал=510 мм + соед. муфта.
узел муфты
Выточили корпус муфты
корпус муфты
корпус
Муфта в сборе с валом
Соединяем валы диаметром 10мм редуктора и мотора через сектор шпонку.
Вес двигателя – 4,7 кг (3,3 л.с.), вес ноги с редуктором – 4,2 кг. Осталось изготовит крепёж и винт с валом.
вал
Для крепление двигателя и вала возьмем швеллер.
Обрезав болгаркой лишние части швеллера, высверливаем отверстие под крепление к бензопилки. Что получилось смотрим фото.
Обратную сторону вала насаживаем на редуктор от болгарки.
Далее делаем поворотный узел. Нам понадобятся такие детали (см. фото). Последовательность работ указано ниже.
поворотный механизм
поворотный механизм
поворотный механизм
Готовая приставка в зборе до покраски.
перед покраской
Детали зачищены, зашлифованы и готовые к покраске.
комплект
Далее переделываем вал редуктора под винт. Чертеж.
чертеж вала
вал с винтом
Крышку редуктора с установленным валом усаживаем на герметик, перед этим заливаем в редуктор ТАД-17
крышка редуктора
По окончанию работ, для удобства, лодочный мотор можно оснастить ручкой газа.
ручка газа
В итоге у нас получилось из бензопилы “Штиль180” самодельный лодочный мотор с мощностью-3.3л.с., скоростью – более 10км.ч. и расходом топлива – 250гр. на 20мин. хода.
Лодочный мотор из бензопилы видео
Учитель Издание Содержание Мастерство, Инструменты и мастерство Резка
& Сушка рыбы Приюты Дерево
Печи Путешествия Пилотирование
Лодка Снегоход Сцепление Снегоступы Зима Тропы | Виды деятельности
Ответ учащегося
Математика
|
Кто производит бензопилы Tanaka
Надеюсь, вам понравятся продукты, которые я порекомендовал ниже, просто хочу отметить, что как сотрудник Amazon я зарабатываю на соответствующих покупках.
Это означает, что я могу получать комиссионные за продукты, купленные по ссылкам на этой странице.
Tanaka – это компания, которая на протяжении многих лет производила действительно впечатляющие бензопилы, но у многих людей возникает вопрос: кто производит бензопилы Tanaka и хороши ли они?
Как они противостоят мощным ударникам, таким как Stihl и Husqvarna?.
Поскольку Танака — это бренд, которым я пользуюсь уже около года, мне захотелось узнать о нем побольше. Мне нравится узнавать о производителях бензопил независимо от того, насколько хорошо они работают.
Потому что я считаю, что вы можете многое узнать о продукте, если хорошо понимаете политику и убеждения компании. Не только о том, где они начинались и где они были сделаны, но и об истории компании.
Знание истории компании поможет вам принять более взвешенное решение при покупке электроинструмента, такого как бензопила, особенно при значительных инвестициях в дровокол .
Лично мне было бы трудно потратить более 800 долларов на бензопилу, если бы я знал, что компания сталкивается с финансовыми проблемами. Так как есть вероятность, что они могут выйти из строя, и они не будут ремонтировать ваш инструмент по гарантии. Хотя это крайний пример, он заставляет задуматься.
Быстрые ссылки на информацию на этой странице
- 1 Хороши ли бензопилы Tanaka?
- 1.1 Бензопила Танака хороша?
- 2 Где производятся бензопилы Tanaka?
- 2.1 И кто их производит
- 3 Торговцы бензопилами Танака
- 4 История Танаки
- 4.1 Когда бензопилы Танака появились в США?
- 5 Мои последние впечатления от Танаки
Хороши ли бензопилы Танаки?
Как и в случае с любым другим инструментом, вы можете опираться на него только на свой личный опыт. Первое, что я замечаю, когда вижу, что люди оставляют негативные отзывы, это то, что в половине случаев они почти ничего не делают, чтобы даже попытаться это исправить.
Вот почему в моих обзорах бензопил Tanaka вы можете получить полную разбивку, включая негативы, связанные с каждой моделью бензопилы.
Конечно, бывают случаи, когда вы что-то покупаете, а оно ломается раньше, чем ожидалось, это происходит независимо от продукта. Это неизбежно, к сожалению. Я видел, как люди покупают новые автомобили за 80 000 долларов, и они ломаются буквально всего в нескольких сотнях футов от дилерского центра, это расстраивает, но это случается.
Бензопила Танака хороша?
Исходя из моего личного опыта использования нескольких моделей Tanaka за последний год или около того, я могу с уверенностью сказать, что это первоклассная и доступная бензопила. Я нахожу их очень впечатляющими маленькими бензопилами, обладающими удивительной мощностью благодаря небольшим двигателям. Они были одними из самых надежных бензиновых бензопил, которые я когда-либо использовал, поэтому одна из более дешевых пил с верхней ручкой является фаворитом среди лесоводов.
Не все в них идеально, это точно, я заметил на нескольких бензопилах, что у них есть проблемы с натяжением. На самом деле это всего лишь небольшая жалоба по большому счету, но я чувствую, что должен упомянуть.
Где производятся бензопилы Танака?
И кто их производит
Где производятся бензопилы Танака – довольно сложный вопрос. Я знаю, что старые модели производятся в Японии и являются одними из лучших бензопил. Современная бензопила Tanaka теперь принадлежит компании Hitachi, которая производит множество инструментов в Китае.
Многие недорогие бензопилы произведены в Китае , именно так обстоят дела в наши дни. Компании должны продолжать производить все больше и больше для роста, в то время как я считаю, что бензопилы Tanaka, сделанные в Китае, по-прежнему имеют более высокое качество. Так как они все еще разработаны в Японии.
Имея это в виду, некоторые высококлассные ножницы для живой изгороди Tanaka по-прежнему производятся в Японии, поэтому есть надежда, что в будущем Tanaka продолжит производить профессиональные пилы, и они будут производиться в Японии.
Hitachi также отвечает за производство некоторых потрясающих электроинструментов, вам будет трудно пойти на работу и не увидеть где-нибудь инструмент Hitachi.
Торговцы бензопилами Танака
На сегодняшний день существует всего несколько мест, где можно купить бензопилы Танака, и большинство из них являются дилерскими центрами или крупными магазинами. Хотя в Интернете есть места, такие как Amazon, которые продают несколько 9Бензопилы Танака качества 0300 .
Лично я предпочитаю покупать в Интернете, мне не нравится ездить в магазин и слушать продавца, который почти ничего не знает об инструменте, который они пытаются мне продать.
Так что мне очень нравится онлайн, так как вы можете прочитать отзывы людей, которые действительно вложили туда свои с трудом заработанные деньги и действительно использовали бензопилу. Так что они знают больше, чем тот, кто только что прочитал брошюру.
Однако, если вы хотите купить бензопилы Tanaka в магазине, вы можете посетить их домашнюю страницу и щелкнуть по локатору магазина розничного продавца.
Проверьте, есть ли в вашем регионе дилеры бензопил Tanaka. 9 точно не помешает0300 сравните цены на амазоне. com после посещения магазина.
История Танаки
История Танаки показалась мне весьма увлекательной. То, что это семейная компания в четвертом поколении, придает ей определенный уровень доверия и надежности в моих глазах. Если бы ваша фамилия была на чем-то, вы бы рискнули испортить это, сделав что-то низшего качества?
Танака была основана в 1918 году человеком, известным в Японии как Такаси Танака. Это было примерно до 1948, что он построил производственный завод, который потратил бессчетное количество часов на исследования и разработку компактных двигателей внутреннего сгорания. Они были ведущим производителем самолетов, известным высоким уровнем точности.
Затем в 1951 году они обратили свое внимание на производство двигателей для мопедов, выпустив на рынок мотоциклетный двигатель объемом 125 куб.
Они продолжали сосредотачиваться на этих более крупных двигателях в течение нескольких лет, и только в 1962 году они создали самый маленький в мире промышленный двухтактный двигатель общего назначения. 3 года спустя сын Такаши, Сикен Танака, возглавил компанию с целью вывести ее на международный уровень.
Только в 1968 году они начали экспортировать двигатели в Северную Америку. Спустя 3 года Танака, наконец, изготовила свою первую бензопилу и кусторез, которые они начали экспортировать в Северную Америку. Они действительно создали действительно прочный подвесной мотор, который в 1974 году стал частной торговой маркой Sears. После этого Танака решил еще раз расшириться, но сделать велосипедные моторы меньшего размера объемом 23 куб.
Получите обзоры здесьКогда бензопилы Танака появились в США?
Наконец, через 60 лет Танака прорвался на американский рынок и в 1978 году открыл филиал в США, чтобы помочь с продажами в Америке. Это была отдельная компания, но все еще под именем Танака, которая приобрела небольшую компанию по доставке товаров по почте.
В 1985 году Танака перевела всю свою деятельность на предприятие в Ботелл, штат Вашингтон. Здесь все становится немного запутанным, поскольку новая американская компания Танака покупается японской корпорацией Танака. Но они оба по-прежнему работают под двумя разными именами Танака. Они по-прежнему работали за пределами США и сохранили там американское имя и исключительные маркетинговые права для Tanaka North.
К 1989 году права на американскую Танаку были приобретены компанией Ariens, которая создала дочернюю компанию под названием Ariens Tanaka. Это было создано, чтобы помочь продолжить маркетинг и поддержку продуктов Tanaka. К сожалению, это партнерство было недолгим после того, как Ariens выпустила брендовые двухтактные портативные устройства, сделанные Танакой. В 1992 году их пути разошлись, и пятеро участников Tanaka создали ISM.
В течение многих лет все было тихо, и только в 2007 году компания Hitachi Koki приобрела Танаку и приступила к созданию двух разных филиалов.
Одна из них, ориентированная на Японию, называлась Nikko Tanaka Engineering Co., которая занималась производством и продажами в Японии. Другим филиалом является Nikki Tanaka Engineering USA CO, который занимается продажами и поддержкой в США.
К 2009 году компания Nikkio Tanaka Engineering USA Co полностью перешла под бренд Hitachi. У которого есть цель попытаться создать команду, основанную на двух мощных японских компаниях по производству электроинструментов. Хотя до этого момента история была интересной, на этом она действительно заканчивается, поскольку с тех пор две компании работают вместе. С момента приобретения произошло очень мало.
Мои последние впечатления от Танаки
Мне очень нравится оборудование Танака, легкость запуска и доступная цена на протяжении многих лет меня впечатляли. Мне немного грустно, что у них больше нет собственной независимой компании, но, похоже, это не мешает им делать качественные бензопилы. Но я могу понять людей, которые не хотят, чтобы их товары производились в Китае, поскольку это всегда авантюра.


При помощи скоб потребуется соединить крышку муфты и чашку. После этого крепежные скобы нужно зажать шайбой и винтом;
В заготовке потребуется вырезать ручку, кромки которой следует зачистить. Затем на концах используемого стержня потребуется нарезать резьбу, после чего весь узел нужно установить на вал и закрепить в самом удобном для этого месте;
Определите детали, карданный вал,
приводной вал, антикавитационная пластина, скег, водозаборник и двигатель
выхлоп.
Современный нижний
агрегаты очень дорого менять. Иногда я желаю, чтобы
неудобство срезных штифтов.
Одна сторона винта имеет низкое давление, исходящее от
вершина; другая сторона имеет низкое давление снизу.
Определите каждый. Если опора должна была кавитировать, с какой стороны она будет
кавитировать?
от нижнего блока. Металлические сколы есть? (Накрыть магнит
тонкой полиэтиленовой пленкой перед этим, чтобы облегчить очистку.)
Разотрите немного этой смазки между пальцами. Натри новую смазку
между пальцами. Чувствуете разницу в трении? В
толщина (способность удерживать металлические части от соприкосновения друг с другом)?
Колебается ли,
указывает на то, что он изогнут? Как вы думаете, что случилось с
сальники, если вал погнулся?
это много
так тише.
Двигатель крутится 5000 об/мин. Как быстро
в оборотах винт крутится?
Нержавеющая опора служит в два раза дольше, чем алюминиевая.
Что экономичнее?