Нш 10 характеристика: Насос НШ 10 шестеренный ⋙ цена в Украине и характеристики
alexxlab | 16.03.2023 | 0 | Разное
Замена Отечественных НШ
Главная Каталог Товаров Гидравлические… Насосы шестеренные Jihostroj (Чехия) Замена Отечественных…
Аналоги отечественных НШ
Концерн «Jihostroj a.s.» производит качественные аналоги гидронасосов НШ с рабочим объемом 6, 10, 14, 16, 20, 32, 50, 80, 100, 125, 150 см3, адаптированные по установочным размерам, климатическому исполнению, а также испытанные на российской технике.
Что дает потребителям применение гидравлики «Jihostroj a.s.»?
- Надежность: гарантия 18 месяцев (с даты производства).
- 100 % соответствие заявленным техническим характеристикам по КПД, рабочему давлению и расходу.
- Работу на давлениях до 330 бар с частотой вращения до 3600 об. / мин.
- Выгоду при покупке по сравнению с импортной гидравликой из США, Германии, Италии, Швеции, Португалии и др.

- Экономия от применения в сравнении с дешевыми НШ от 15 % и более.
- Полную совместимость с российской техникой.
- Морозоустойчивость: климатическое исполнение (от – 45 до +120°С).
Что заставляет потребителей покупать дешевые НШ в ущерб собственным интересам?
Заблуждение первое: Зачем покупать «дорогие» насосы «Jihostroj a.s.», если есть дешевые НШ? Действительно, можно продолжать покупать и устанавливать дешевые насосы, надеясь на то, что на этот раз приобретены изделия без брака, и их не придется обменивать; что они проработают чуть дольше, чем обычно; что их работа наконец-то будет соответствовать заявленным характеристикам по КПД, давлению, расходу, оборотам и пульсации давлений. Но дополнительные расходы на ремонт и замену изделий, упущенная прибыль из-за простоев, срыв графика работ, психологический дискомфорт – всегда дороже, чем мнимая экономия. | Заблуждение второе: Не факт, что «дорогие» насосы не сломаются также как дешевые. В продукцию «Jihostroj a.s.» заложен принцип исключения брака на весь период эксплуатации. Концерну «Jihostroj a.s.» десятилетиями доверяют такие производители как Tatra, Ammann, Doosan-Bobcat, Zetor, ТoBroCo и др. Мировой лидер в производстве гидравлики Parker-Hannifinn многие годы классифицирует концерн «Jihostroj a.s.» как поставщика высшей категории «А». Как показывает опыт, при внимательной эксплуатации шестеренные гидронасосы и моторы «Jihostroj a.s.» работают 10 лет и более. |
По сравнению с обычными НШ насосы концерна “JihoStroj a.s.” имеют более высокие характеристики:
| Характеристики | НШ-10 | T3-10 | НШ-32 | Q2-34 | НШ-50 | Q2-51 | НШ-100 | QHD2-100 | |
| Обороты | номинальные | – | 1500 | – | 1500 | – | 1500 | – | 1500 |
| минимальные | 500 | 500 | 500 | 350 | 500 | 350 | 500 | 350 | |
| максимальные | 3600 | 3600 | 3000 | 3000 | 3000 | 2600 | 2400 | 2700 | |
| Давление на выходе | макс. постоянное | 160 | 280 | 200 | 290 | 200 | 270 | 160 | 230 |
| макс. кратковременное | 210 | 300 | 250 | 310 | 250 | 290 | 210 | 250 | |
| пиковое | 250 | 310 | 280 | 320 | 280 | 300 | 250 | 260 | |
Устанавливая гидравлику JihoStroj, ВЫ усиливаете конкуретные преимущества своей продукции!
Назад
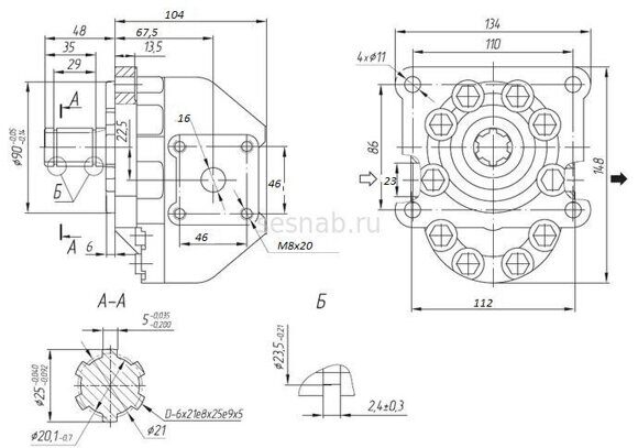
Насос НШ 10

Насосы НШ выпускается как левого, так и правого вращения, в зависимости от сборки. Левого вращения – вращение ведущего ротора против часовой стрелки, правого вращения – вращение ведущего ротора по часовой стрелке, если смотреть со стороны привода.
Пример:
| НШ | 10 | У | – | 3 | Л | Т |
| 1 | 2 | 3 | 4 | 5 | 6 |
Расшифровка:
| Пример | Описание | Возможные значения | |
| 1 | НШ | Насос шестеренный | |
| 2 | 10 | Рабочий объем насоса | От 4 см3 до 250 см3 |
| 3 | У | Конструктивное исполнение | Серия ”У” – стандарт |
| Серия”A” – ANTEY | |||
| Серия “М” – MASTER | |||
| Серия “Г” | |||
| 4 | 3 | Исполнение насоса по давлению | 3 – номинальное давление 16 Мпа(160 кгс/см2), максимальное 21 Мпа(210 кгс/см2) |
| 4 – номинальное давление 20 Мпа(200 кгс/см2), максимальное 25 Мпа(250 кгс/см2) | |||
| 5 | Л | Направление вращения вала (смотреть со стороны вала) | Л – левое вращение (против часовой стрелки) |
| Если обозначение направления вращения вала отсутствует, тогда насос правого вращения (по часовой стрелке) | |||
| 6 | Т | Климатическое исполнение | Т – тропический климат |
| У – умеренный климат (допускается не указывать) |
| Наименование параметра | НШ 10Г-3 | НШ 10У-3 | НШ 10М-3 |
| Рабочий объем, см3 | 10 | 10 | 10 |
| Давление на выходе номинальное, МПа | 16 | 16 | 16 |
| Давление на выходе максимальное, МПа | 21 | 21 | 21 |
| Номинальная подача, л/мин | 21,0 | 21,0 | 22,0 |
| Номинальная частота вращения, об/с | 40 | 40 | 40 |
| Номинальная мощность, кВт | 8,6 | 8,6 | 8,6 |
| Масса, кг | 2,7 | 2,0 | 1,5 |
Насос НШ 10 с электродвигателем 28042020.
pdf
— Последняя документация NuttX
Библиотека NSH . Подкаталог apps/nshlib содержит
Библиотека NuttShell (NSH). Эта библиотека может быть легко связана с
создать приложение NSH (см. пример приложений/примеров/nsh ). Библиотека NSH предоставляет простую оболочку
приложение для NuttX.
Консоль/интерфейс NSH
Консоли НШ . Используя настройки в конфигурационном файле, NSH можно настроен на использование (1) последовательного входа/выхода, (2) последовательного порта USB устройство (такое как CDC/ACM) или (3) соединение telnet в качестве приставка. Или, возможно, даже все сразу, так как или ОБА. неопределенный количество сеансов telnet поддерживается.
Стартовая подсказка . Когда NSH запустится, вы увидите приветствие такое сообщение на выбранной консоли:
Ореховая скорлупа (НСХ) нш>
Приветствие может также содержать информацию о версии NuttX, если вы
используют версионную копию NuttX.
nsh> — это приглашение NSH
и указывает, что вы можете ввести команду из консоли.
Запуск USB-консоли . При использовании USB-консоли запуск последовательность немного отличается: в этом случае требуется нажать ВВЕДИТЕ три раза. Затем появится приглашение NSH, как описано выше. Это необходимо по следующим причинам:
Это гарантирует стабильность соединения USB. USB соединение может устанавливаться, прерываться и восстанавливаться несколько раз если кабель USB еще не вставлен полностью. Ожидание ВВЕДИТЕ трехкратное нажатие гарантирует, что соединение стабильный.
Установление соединения выполняется в два этапа: во-первых, последовательное соединение USB осуществляется с хост-компьютером. Тогда приложение, использующее последовательный интерфейс, запускается на хозяин. Когда последовательное соединение установлено на хосте, операционная система хоста может отправить несколько Команды модема AT к хосту в зависимости от того, как последовательный порт хоста настроен.
Дождавшись трехкратного нажатия ENTER несколько раз подряд все эти команды модема будут отправлены на bit-bucket и не будет интерпретироваться как ввод команды NSH.
Аналогично, на втором этапе при запуске приложений могут быть дополнительные команды модема AT , отправленные по последовательному порту. порт. Большинство программ последовательного терминала будут делать это, если только они не специально настроены для подавления команды модема вывод. В ожидании ВВОД ввод устраняет неверный ошибки команд из (2) и (3).
Наконец, если бы NSH не дождался какого-либо положительного признака того, что программа последовательного терминала запущена и работает, затем вывод приветствие NSH и начальная подсказка NSH будут потеряны.
Расширенное редактирование командной строки . По умолчанию NuttX использует простой
редактор командной строки, позволяющий вводить команды после nsh> и поддерживает только 9У
Удалить всю строку
Обзор команд
Простые, перенаправленные и фоновые команды .
Ореховая скорлупа
(NSH) — это простое приложение-оболочка. NSH поддерживает следующие
формы команд:
Простая команда | |
Команда с перенаправленным выводом | |
Фоновая команда | |
Перенаправленная фоновая команда | |
Где:
хороший ‘d Фоновые команды . NSH выполняется в
средний приоритет (128). Можно заставить выполнять фоновые команды
с более высоким или более низким приоритетом с использованием nice :
[хороший [-d <красивость>>]][> <файл>|>> <файл>] [&]
Где <красивость> — любое значение от -20 до 19, если меньше
(более отрицательные значения) соответствуют более высоким приоритетам.
вежливость по умолчанию 10.
Несколько команд в строке . NSH будет принимать несколько команд на командную строку, где каждая команда отделяется точкой с запятой символ (;).
Необязательные расширения синтаксиса Поскольку эти функции фиксируются значительные ресурсы, по умолчанию они отключены.
CONFIG_NSH_CMDPARMS: Если выбрано, вывод из команд, из файловых приложений и из встроенного NSH команды могут использоваться в качестве аргументов для других команд. Организация для выполнения идентифицируется путем включения командной строки в обратные кавычки. Например,установить FOO myprogram $BARВыполнит программу с именем
myprogram, передав ей значение переменной окруженияBAR. Значение затем переменная средыFOOустанавливается на выводmyprogramнастандартный вывод.
CONFIG_NSH_ARGCAT: поддержка объединения строк с переменными среды или выводом команды.Например:
комплект FOO XYZ установить БАР 123 установить FOOBAR ABC_${FOO}_${BAR}установит переменную среды
FOOнаXYZ,BARдо123иFOOBARдоABC_XYZ_123. ЕслиCONFIG_NSH_ARGCATне выбран, тогда немного меньший Результаты FLASH, но также и простая среда такие переменные, как$FOO, можно использовать в командной строке.
CONFIG_NSH_QUOTE: Включает цитирование некоторых символов внутри команды. Эта опция полезна для случай, когда сценарий NSH используется для динамического создания нового Скрипт НСХ. В этом случае команды должны рассматриваться как простые текстовые строки без интерпретации каких-либо специальных символов. Специальные символы, такие как$,`,"и другие должны оставаться нетронутыми как часть испытательной цепочки. Этот опция в настоящее время доступна толькоCONFIG_NSH_ARGCATтакже выбран.
Условное выполнение команды
Конструкция if-then[-else]-fi также поддерживается для
поддержка условного выполнения команд. Это работает из
командная строка, но в первую очередь предназначена для использования в сценариях NSH
(см. `ш <#cmdsh>`__ команда). Синтаксис следующий:
если [!]тогда [последовательность ] еще [последовательность ] фи
Где — простая команда.
значение успеха команды, равное нулю, считается истинным; ненулевая команда
значение ошибки считается ложным. `тест <#cmdtest>`__
Команда часто используется для сравнения.
Зацикливание
Циклические конструкции . пока-делаю-делаю и до выполнения Циклические конструкции также поддерживаются. Они работают от команды
строки, но в первую очередь предназначены для использования в сценариях NSH (см.
команду `sh <#cmdsh>`__).
while-do-done: выполнить[последовательностьдо тех пор, пока as] имеет нулевой статус выхода. Синтаксис как следует: покаделать [последовательность ] сделано
до выполнения: выполнить[последовательностьдо тех пор as] имеет ненулевой статус выхода. Синтаксис как следует: до <команда> делать [последовательность] сделано
Где — простая команда.
значение успеха команды, равное нулю, считается истинным; ненулевая команда
значение ошибки считается ложным. `тест <#cmdtest>`__
Команда часто используется для сравнения.
перерыв Команда . Также поддерживается команда break .
Команда break имеет смысл только в теле файла a.
в то время как или до цикла, между сделать и сделать токенов.
Если команда break выполняется в теле цикла,
цикл немедленно завершится, и выполнение продолжится
со следующей командой сразу после done 9Токен 0006.
Встроенные переменные
| Результат выполнения последней простой команды. |
Текущий рабочий каталог
cd и pwd . Все аргументы пути к командам могут быть
либо абсолютный путь, либо путь относительно текущего рабочего
каталог. Текущий рабочий каталог устанавливается с помощью cd и может быть запрошена с помощью pwd или с помощью команды echo $PWD .
Переменные среды
| Путь по умолчанию в файловых системах для поиска |
| Текущий рабочий каталог |
| Предыдущий рабочий каталог |
Сценарий запуска NSH
Сценарий запуска NSH . NSH поддерживает параметры для запуска
скрипт для NSH. Как правило, эта возможность активируется с помощью CONFIG_NSH_ROMFSETC , но имеет несколько других связанных
параметры конфигурации, как описано в NSH-специфичном
настройки конфигурации. Эта возможность
также зависит от:
CONFIG_DISABLE_MOUNTPOINTне задано
CONFIG_NFILE_DESCRIPTORS> 4
CONFIG_FS_ROMFSвключено
Поведение при запуске по умолчанию .
Реализация, которая предоставляется
предназначен для обеспечения большой гибкости для использования Start-Up
файлы. В этом параграфе будет обсуждаться общее поведение, когда все
параметров конфигурации установлены значения по умолчанию.
В этом случае по умолчанию включение CONFIG_NSH_ROMFSETC вызовет
NSH будет вести себя следующим образом во время запуска NSH:
NSH создаст RAM-диск только для чтения (ROM-диск), содержащий крошечная файловая система ROMFS, содержащая следующее:
`--init.d/ `-- рСГде rcS — сценарий запуска NSH.
Затем NSH смонтирует файловую систему ROMFS по адресу
/etc, в результате:|--dev/ | `-- рам0 `--и т.д./ `--init.d/ `-- рСПо умолчанию содержимое сценария rcS:
# Создайте RAMDISK и смонтируйте его в XXXRMOUNTPOINTXXX мкрд -м 1 -с 512 1024 mkfatfs /dev/ram1 mount -t vfat /dev/ram1 /tmpNSH выполнит сценарий по адресу
/etc/init.при запуске (до первого приглашения NSH). После выполнения скрипта корневая ФС будет выглядеть так:d/rcS
|--dev/ | |-- баран0 | `-- баран1 |--и т.д./ | `--init.d/ | `-- рС `--tmp/
Изменение образа ROMFS . Содержимое /etc каталог сохраняется в файле apps/nshlib/nsh_romfsimg.h ИЛИ, если определено CONFIG_NSH_ARCHROMFS , include/arch/board/rcs.template ). Для того, чтобы изменить
поведение при запуске, есть три вещи для изучения:
Опции конфигурации. Доп.
CONFIG_NSH_ROMFSETCпараметры конфигурации обсуждались с другая специфичная для NSH конфигурация настройки.tools/mkromfsimg.sh` Скрипт . Сценарий
tools/mkromfsimg.shсоздаетnsh_romfsimg.h. Нет, это не так выполняется автоматически. Если вы хотите изменить конфигурацию настройки, связанные с созданием и монтированием/tmpкаталог, то необходимо будет повторно сгенерировать этот заголовок файл с помощью скриптаtools/mkromfsimg..sh
Поведение этого скрипта зависит от трех вещей:
Параметры конфигурации затем установлены конфигурации.
Инструмент
genromfs(доступен в http://romfs.sourceforge.net).Файл
apps/nshlib/rcS.template(ИЛИ, еслиCONFIG_NSH_ARCHROMFSопределенinclude/arch/board/rcs.template.
rcS.template: Файлapps/nshlib/rcS.templateсодержит общую формуфайл rcS; настроен значения вставляются в этот файл шаблона для получения окончательногоRCSфайл.
Примечание
apps/nshlib/rcS.template генерирует стандарт,
по умолчанию файл nsh_romfsimg.h . Если CONFIG_NSH_ARCHROMFS определенный в файле конфигурации NuttX, затем настраиваемый,
специфичный для платы файл nsh_romfsimg.h , находящийся в плат/<архив>/<чип>/<плата>/включая 9Будет использоваться каталог 0006.
ПРИМЕЧАНИЕ, когда ОС настроена, include/arch/board будет
связано с платами/ .
Все поведение при запуске содержится в rcS.template .
Роль mkromfsimg.sh заключается в том, чтобы (1) применить конкретный
настройки конфигурации на rcS.template для создания окончательного rcS и (2) для создания файла заголовка nsh_romfsimg.h содержащий образ файловой системы ROMFS.
Дополнительная информация . См. раздел «Настройка NuttShell для дополнительных, более подробных информация о сценарии запуска NSH и о том, как его изменить.
Гистопатология неалкогольной жировой болезни печени/неалкогольного стеатогепатита
1. Marchesini G, Bugianesi E, Forlani G, Cerrelli F, Lenzi M, Manini R, Natale S, Vanni E, Villanova N, Melchionda N, et al. Неалкогольная жировая дистрофия печени, стеатогепатит и метаболический синдром.
Гепатология. 2003;37:917–923. [PubMed] [Google Scholar]
2. Абдельмалек М.Ф., Диль А.М. Неалкогольная жировая болезнь печени как осложнение инсулинорезистентности. Мед Клин Норт Ам. 2007; 91:1125–1149, ix. [PubMed] [Google Scholar]
3. Нойшвандер-Тетри BA. Жирная печень и метаболический синдром. Курр Опин Гастроэнтерол. 2007; 23: 193–198. [PubMed] [Google Scholar]
4. Takahashi Y, Fukusato T. Детская неалкогольная жировая болезнь печени: обзор с упором на гистологию. Мир J Гастроэнтерол. 2010;16:5280–5285. [Бесплатная статья PMC] [PubMed] [Google Scholar]
5. Фаррелл Г.К., Лартер К.З. Неалкогольная жировая болезнь печени: от стеатоза к циррозу. Гепатология. 2006;43:S99–S112. [PubMed] [Google Scholar]
6. Cohen JC, Horton JD, Hobbs HH. Жировая болезнь печени человека: старые вопросы и новые идеи. Наука. 2011; 332:1519–1523. [Бесплатная статья PMC] [PubMed] [Google Scholar]
7. Neuschwander-Tetri BA, Caldwell SH. Неалкогольный стеатогепатит: резюме конференции по одной теме AASLD.
Гепатология. 2003; 37: 1202–1219. [PubMed] [Академия Google]
8. Брант Э.М., Тиниакос Д.Г. Алкогольная и неалкогольная жировая болезнь печени. В: Одзе Р.Д., Голдблюм Дж.Р., Кроуфорд Дж.М., редакторы. Патология ЖКТ, печени, желчевыводящих путей и поджелудочной железы. Филадельфия: Сондерс; 2009. С. 1087–1114. [Google Scholar]
9. Нойшвандер-Тетри Б.А., Кларк Дж.М., Басс Н.М., Ван Натта М.Л., Унальп-Арида А., Тонаша Дж., Зейн К.О., Брант Э.М., Кляйнер Д.Е., Маккалоу А.Дж. и др. Клинические, лабораторные и гистологические ассоциации у взрослых с неалкогольной жировой болезнью печени. Гепатология. 2010;52:913–924. [Бесплатная статья PMC] [PubMed] [Google Scholar]
10. Sanyal AJ, Brunt EM, Kleiner DE, Kowdley KV, Chalasani N, Lavine JE, Ratziu V, McCullough A. Конечные точки и дизайн клинических испытаний неалкогольного стеатогепатита. Гепатология. 2011;54:344–353. [Статья PMC бесплатно] [PubMed] [Google Scholar]
11. Patton HM, Lavine JE, Van Natta ML, Schwimmer JB, Kleiner D, Molleston J.
Клинические корреляты гистопатологии при педиатрическом неалкогольном стеатогепатите. Гастроэнтерология. 2008;135:1961–1971.e2. [Бесплатная статья PMC] [PubMed] [Google Scholar]
12. Schwimmer JB, Behling C, Newbury R, Deutsch R, Nievergelt C, Schork NJ, Lavine JE. Гистопатология педиатрической неалкогольной жировой болезни печени. Гепатология. 2005; 42: 641–649. [PubMed] [Google Scholar]
13. Brunt EM, Janney CG, Di Bisceglie AM, Neuschwander-Tetri BA, Bacon BR. Неалкогольный стеатогепатит: предложение по классификации и стадированию гистологических поражений. Am J Гастроэнтерол. 1999; 94: 2467–2474. [PubMed] [Академия Google]
14. Kleiner DE, Brunt EM, Van Natta M, Behling C, Contos MJ, Cummings OW, Ferrell LD, Liu YC, Torbenson MS, Unalp-Arida A, et al. Разработка и валидация гистологической системы оценки неалкогольной жировой болезни печени. Гепатология. 2005;41:1313–1321. [PubMed] [Google Scholar]
15. Брант Э.М., Кляйнер Д.Э., Уилсон Л.А., Белт П.
, Нойшвандер-Тетри Б.А. Оценка активности неалкогольной жировой болезни печени (НАЖБП) и гистопатологический диагноз при НАЖБП: различные клинико-патологические значения. Гепатология. 2011;53:810–820. [Бесплатная статья PMC] [PubMed] [Google Scholar]
16. Йех М.М., Брант Э.М. Патология неалкогольной жировой болезни печени. Ам Джей Клин Патол. 2007; 128: 837–847. [PubMed] [Google Scholar]
17. Bondini S, Kleiner DE, Goodman ZD, Gramlich T, Younossi ZM. Патологическая оценка неалкогольной жировой болезни печени. Клин печени Dis. 2007;11:17–23, vii. [PubMed] [Google Scholar]
18. Tandra S, Yeh MM, Brunt EM, Vuppalanchi R, Cummings OW, Unalp-Arida A, Wilson LA, Chalasani N. Наличие и значение микровезикулярного стеатоза при неалкогольной жировой болезни печени. J Гепатол. 2011; 55: 654–659.. [Бесплатная статья PMC] [PubMed] [Google Scholar]
19. Chalasani N, Wilson L, Kleiner DE, Cummings OW, Brunt EM, Unalp A; Сеть клинических исследований NASH. Взаимосвязь степени и зональной локализации стеатоза с гистологическими особенностями стеатогепатита у взрослых пациентов с неалкогольной жировой болезнью печени.
J Гепатол. 2008; 48: 829–834. [Бесплатная статья PMC] [PubMed] [Google Scholar]
20. Brunt EM. Алкогольный и неалкогольный стеатогепатит. Клин печени Dis. 2002; 6: 399–420, vii. [PubMed] [Академия Google]
21. Брант Э.М. Неалкогольная жировая болезнь печени: что патологоанатом может сказать клиницисту. Копать Дис. 2012; 30 Дополнение 1:61–68. [PubMed] [Google Scholar]
22. Brunt EM, Kleiner DE, Wilson LA, Unalp A, Behling CE, Lavine JE, Neuschwander-Tetri BA. Портальное хроническое воспаление при неалкогольной жировой болезни печени (НАЖБП): гистологический маркер передовых НАЖБП-клинико-патологических корреляций из сети клинических исследований неалкогольного стеатогепатита. Гепатология. 2009; 49: 809–820. [Бесплатная статья PMC] [PubMed] [Google Scholar]
23. Rakha EA, Adamson L, Bell E, Neal K, Ryder SD, Kaye PV, Aithal GP. Портальное воспаление связано с выраженными гистологическими изменениями при алкогольной и неалкогольной жировой болезни печени. Джей Клин Патол.
2010;63:790–795. [PubMed] [Google Scholar]
24. Брант Э.М. Патология неалкогольной жировой болезни печени. Нат Рев Гастроэнтерол Гепатол. 2010;7:195–203. [PubMed] [Google Scholar]
25. Лакнер С., Гогг-Камерер М., Затлукал К., Штумптнер С., Брант Э.М., Денк Х. Раздутые гепатоциты при стеатогепатите: значение иммуногистохимии кератина для диагностики. J Гепатол. 2008; 48: 821–828. [PubMed] [Академия Google]
26. Skoien R, Richardson MM, Jonsson JR, Powell EE, Brunt EM, Neuschwander-Tetri BA, Bhathal PS, Dixon JB, O'Brien PE, Tilg H, et al. Гетерогенность паттернов фиброза при неалкогольной жировой болезни печени подтверждает наличие множественных фиброгенных путей. Печень инт. 2013; 33: 624–632. [PubMed] [Google Scholar]
27. Тиниакос Д.Г. Неалкогольная жировая болезнь печени/неалкогольный стеатогепатит: гистологические диагностические критерии и системы оценки. Eur J Гастроэнтерол Гепатол. 2010;22:643–650. [PubMed] [Академия Google]
28. Арго К.К.
, Нортап П.Г., Аль-Осаими А.М., Колдуэлл С.Х. Систематический обзор факторов риска прогрессирования фиброза при неалкогольном стеатогепатите. J Гепатол. 2009; 51: 371–379. [PubMed] [Google Scholar]
29. Колдуэлл С.Х., Ли В.Д., Клейнер Д.Е., Аль-Осаими А.М., Арго К.К., Нортап П.Г., Берг К.Л. НАСГ и криптогенный цирроз: гистологический анализ. Энн Хепатол. 2009; 8: 346–352. [Бесплатная статья PMC] [PubMed] [Google Scholar]
30. Caldwell SH, Oelsner DH, Iezzoni JC, Hespenheide EE, Battle EH, Driscoll CJ. Криптогенный цирроз: клиническая характеристика и факторы риска основного заболевания. Гепатология. 1999;29:664–669. [PubMed] [Google Scholar]
31. Пунавала А., Наир С.П., Тулуват П.Дж. Распространенность ожирения и диабета у пациентов с криптогенным циррозом: исследование случай-контроль. Гепатология. 2000; 32: 689–692. [PubMed] [Google Scholar]
32. Struben VM, Hespenheide EE, Caldwell SH. Неалкогольный стеатогепатит и криптогенный цирроз в пределах родства.
Am J Med. 2000; 108:9–13. [PubMed] [Google Scholar]
33. Ong J, Younossi ZM, Reddy V, Price LL, Gramlich T, Mayes J, Boparai N. Криптогенный цирроз и посттрансплантационная неалкогольная жировая болезнь печени. Трансплант печени. 2001;7:797–801. [PubMed] [Google Scholar]
34. Брант Э.М., Тиниакос Д.Г. Гистопатология неалкогольной жировой болезни печени. Мир J Гастроэнтерол. 2010;16:5286–5296. [Бесплатная статья PMC] [PubMed] [Google Scholar]
35. Pinto HC, Baptista A, Camilo ME, Valente A, Saragoça A, de Moura MC. Неалкогольный стеатогепатит. Клинико-патологическое сравнение с алкогольным гепатитом у амбулаторных и госпитализированных больных. Dig Dis Sci. 1996; 41: 172–179. [PubMed] [Google Scholar]
36. Фельдштейн А.Е., Горс Г.Дж. Апоптоз при алкогольном и неалкогольном стеатогепатите. Фронт биосай. 2005;10:3093–3099. [PubMed] [Google Scholar]
37. Zatloukal K, Stumptner C, Fuchsbichler A, Fickert P, Lackner C, Trauner M, Denk H. Кератиновый цитоскелет при заболеваниях печени.
Джей Патол. 2004; 204: 367–376. [PubMed] [Google Scholar]
38. Zatloukal K, French SW, Stumptner C, Strnad P, Harada M, Toivola DM, Cadrin M, Omary MB. От Мэллори к телам Мэллори-Денка: что, как и почему? Разрешение ячейки опыта. 2007; 313:2033–2049. [PubMed] [Google Scholar]
39. Denk H, Stumptner C, Zatloukal K. Повторное посещение тел Мэллори. J Гепатол. 2000;32:689–702. [PubMed] [Google Scholar]
40. Брант Э.М. Неалкогольная жировая болезнь печени: что нового под микроскопом? Кишка. 2011;60:1152–1158. [PubMed] [Google Scholar]
41. Valenti L, Fracanzani AL, Bugianesi E, Dongiovanni P, Galmozzi E, Vanni E, Canavesi E, Lattuada E, Roviaro G, Marchesini G, et al. Генотип HFE, паренхиматозное накопление железа и фиброз печени у пациентов с неалкогольной жировой болезнью печени. Гастроэнтерология. 2010; 138:905–912. [PubMed] [Академия Google]
42. Нельсон Дж. Э., Уилсон Л., Брант Э. М., Йе М. М., Кляйнер Д. Е., Уналп-Арида А., Каудли К. В. Взаимосвязь между характером отложения железа в печени и гистологической тяжестью неалкогольной жировой болезни печени.
Гепатология. 2011; 53: 448–457. [Бесплатная статья PMC] [PubMed] [Google Scholar]
43. Le TH, Caldwell SH, Redick JA, Sheppard BL, Davis CA, Arseneau KO, Iezzoni JC, Hespenheide EE, Al-Osaimi A, Peterson TC. Зональное распределение мегамитохондрий с кристаллическими включениями при неалкогольном стеатогепатите. Гепатология. 2004;39: 1423–1429. [PubMed] [Google Scholar]
44. Richardson MM, Jonsson JR, Powell EE, Brunt EM, Neuschwander-Tetri BA, Bhathal PS, Dixon JB, Weltman MD, Tilg H, Moschen AR, et al. Прогрессирующий фиброз при неалкогольном стеатогепатите: связь с нарушением регенерации и протоковой реакцией. Гастроэнтерология. 2007; 133:80–90. [PubMed] [Google Scholar]
45. Гилл Р.М., Белт П., Уилсон Л., Басс Н.М., Феррелл Л.Д. Центризональные артерии и микрососуды при неалкогольном стеатогепатите. Ам Дж. Сург Патол. 2011;35:1400–1404. [Бесплатная статья PMC] [PubMed] [Google Scholar]
46. Schwimmer JB, Deutsch R, Kahen T, Lavine JE, Stanley C, Behling C.
Распространенность жировой дистрофии печени у детей и подростков. Педиатрия. 2006; 118:1388–1393. [PubMed] [Google Scholar]
47. Park HS, Han JH, Choi KM, Kim SM. Связь между повышенным уровнем аланинаминотрансферазы в сыворотке крови и метаболическим синдромом у корейских подростков. Am J Clin Nutr. 2005; 82: 1046–1051. [PubMed] [Google Scholar]
48. Томинага К., Курата Дж. Х., Чен Ю. К., Фудзимото Э., Миягава С., Абэ И., Кусано Ю. Распространенность жировой дистрофии печени у японских детей и связь с ожирением. Эпидемиологическое ультразвуковое обследование. Dig Dis Sci. 1995;40:2002–2009. [PubMed] [Google Scholar]
49. Джорджио В., Проно Ф., Грациано Ф., Нобили В. Педиатрическая неалкогольная жировая болезнь печени: старые и новые концепции развития, прогрессирования, метаболического понимания и потенциальных целей лечения. БМС Педиатр. 2013;13:40. [Бесплатная статья PMC] [PubMed] [Google Scholar]
50. Nobili V, Marcellini M, Devito R, Ciampalini P, Piemonte F, Comparcola D, Sartorelli MR, Angulo P.
НАЖБП у детей: проспективное клинико-патологическое исследование и влияние рекомендаций по образу жизни. Гепатология. 2006; 44: 458–465. [PubMed] [Академия Google]
51. Картер-Кент С., Йериан Л.М., Брант Э.М., Ангуло П., Кохли Р., Линг С.К., Ксантакос С.А., Уитингтон П.Ф., Чаратчароенвиттхая П., Яп Дж. и соавт. Неалкогольный стеатогепатит у детей: многоцентровое клинико-патологическое исследование. Гепатология. 2009;50:1113–1120. [Бесплатная статья PMC] [PubMed] [Google Scholar]
52. Takahashi Y, Inui A, Fujisawa T, Takikawa H, Fukusato T. Гистопатологические характеристики неалкогольной жировой болезни печени у детей: сравнение со случаями у взрослых. Гепатол рез. 2011;41:1066–1074. [PubMed] [Академия Google]
53. Molleston JP, Schwimmer JB, Yates KP, Murray KF, Cummings OW, Lavine JE, Brunt EM, Scheimann AO, Unalp-Arida A. Гистологические аномалии у детей с неалкогольной жировой болезнью печени и нормальным или слегка повышенным уровнем аланинаминотрансферазы .
J Педиатр. 2014;164:707–713.e3. [Бесплатная статья PMC] [PubMed] [Google Scholar]
54. Накано М., Фукусато Т. Гистологическое исследование сравнения НАСГ и ALD. Гепатол рез. 2005; 33: 110–115. [PubMed] [Академия Google]
55. Фукусато Т., Фукусима Дж., Сига Дж., Такахаси Й., Накано Т., Маэяма С., Масаюки У., Охбу М., Мацумото Т., Мацумото К. и др. Различия между исследователями в гистопатологической оценке неалкогольного стеатогепатита. Гепатол рез. 2005; 33: 122–127. [PubMed] [Google Scholar]
56. Younossi ZM, Gramlich T, Liu YC, Matteoni C, Petrelli M, Goldblum J, Rybicki L, McCullough AJ. Неалкогольная жировая болезнь печени: оценка вариабельности патологических интерпретаций. Мод Патол. 1998; 11: 560–565. [PubMed] [Академия Google]
57. Ratziu V, Charlotte F, Heurtier A, Gombert S, Giral P, Bruckert E, Grimaldi A, Capron F, Poynard T. Вариабельность биопсии печени при неалкогольной жировой болезни печени. Гастроэнтерология. 2005; 128:1898–1906. [PubMed] [Google Scholar]
58.
Вонг В.В., Вергниол Дж., Вонг Г.Л., Фуше Дж., Чан Х.Л., Ле Бей Б., Чой П.С., Ково М., Чан А.В., Мерруш В. и др. Диагностика фиброза и цирроза с помощью измерения жесткости печени при неалкогольной жировой болезни печени. Гепатология. 2010; 51: 454–462. [PubMed] [Академия Google]
59. Фельдштейн А.Е., Вецковска А., Лопес А.Р., Лю Ю.С., Зейн Н.Н., Маккалоу А.Дж. Уровни фрагментов цитокератина-18 как неинвазивные биомаркеры неалкогольного стеатогепатита: многоцентровое проверочное исследование. Гепатология. 2009; 50:1072–1078. [Бесплатная статья PMC] [PubMed] [Google Scholar]
60. Kamada Y, Fujii H, Fujii H, Sawai Y, Doi Y, Uozumi N, Mizutani K, Akita M, Sato M, Kida S, et al. Уровни сывороточного белка, связывающего Mac-2, как новый диагностический биомаркер для прогнозирования тяжести заболевания и неалкогольного стеатогепатита. Протеомика Clin Appl. 2013: Epub впереди печати. [PubMed] [Академия Google]
61. Guha IN, Parkes J, Roderick P, Chattopadhyay D, Cross R, Harris S, Kaye P, Burt AD, Ryder SD, Aithal GP, et al.
Неинвазивные маркеры фиброза при неалкогольной жировой болезни печени: проверка Европейской панели по фиброзу печени и изучение простых маркеров. Гепатология. 2008; 47: 455–460. [PubMed] [Google Scholar]
62. Yatsuji S, Hashimoto E, Tobari M, Taniai M, Tokushige K, Shiratori K. Клинические особенности и исходы цирроза вследствие неалкогольного стеатогепатита по сравнению с циррозом, вызванным хроническим гепатитом C. J Гастроэнтерол Гепатол. 2009 г.;24:248–254. [PubMed] [Google Scholar]
63. Salomao M, Yu WM, Brown RS, Emond JC, Lefkowitch JH. Стеатогепатитная гепатоцеллюлярная карцинома (SH-HCC): отличительный гистологический вариант HCC при циррозе, связанном с вирусом гепатита C, с ассоциированной НАЖБП/НАСГ. Ам Дж. Сург Патол. 2010; 34:1630–1636. [PubMed] [Google Scholar]
64. Salomao M, Remotti H, Vaughan R, Siegel AB, Lefkowitch JH, Moreira RK. Стеатогепатитный вариант гепатоцеллюлярной карциномы и его связь с фоновым стеатогепатитом. Хум Патол. 2012;43:737–746.



постоянное
Дождавшись трехкратного нажатия ENTER несколько раз подряд все эти команды модема будут отправлены на
bit-bucket и не будет интерпретироваться как ввод команды NSH.
Например:
d/rcS
sh