Нш 50 характеристики – Насос НШ 50
alexxlab | 24.07.2019 | 0 | Разное
Насосы НШ 50 (Насосы шестеренные НШ 50) — ГК “ОРИОН”
Пример:| НШ | 50 | А | - | 3 | Л | Т |
| 1 | 2 | 3 | 4 | 5 | 6 |
Расшифровка:
| Пример | Описание | Возможные значения | |
| 1 | НШ | Насос шестеренный | |
| 2 | 50 | Рабочий объем насоса | От 4 см3 до 250 см3 |
| 3 | А | Конструктивное исполнение | Серия ”У” – стандарт |
| Серия”A” – ANTEY | |||
| Серия “М” – MASTER | |||
| Серия “Г” | |||
| 4 | 3 | Исполнение насоса по давлению | 3 – номинальное давление 16 Мпа(160 кгс/см2), максимальное 21 Мпа(210 кгс/см2) |
| 4 – номинальное давление 20 Мпа(200 кгс/см2), максимальное 25 Мпа(250 кгс/см2) | |||
| 5 | Л | Направление вращения вала (смотреть со стороны вала) | Л – левое вращение (против часовой стрелки) |
| Если обозначение направления вращения вала отсутствует, тогда насос правого вращения (по часовой стрелке) | |||
| 6 | Т | Климатическое исполнение | Т – тропический климат |
| У – умеренный климат (допускается не указывать) |
| Наименование параметра | НШ 50А-3 | НШ 50М-3 | НШ 50М-4 |
| Рабочий объем, см3 | 50 | 50 | 50 |
| Давление на выходе номинальное, МПа | 16 | 16 | 20 |
| Давление на выходе максимальное, МПа | 21 | 20 | 25 |
| Номинальная подача, л/мин | 107,2 | 107,2 | 113,7 |
| Номинальная частота вращения, об/с | 40 | 40 | 40 |
| Номинальная мощность, кВт | 41,5 | 41,5 | 51,9 |
| Масса, кг | 7,1 | 3,94 | 4,1 |

Наши сотрудники помогут подобрать Насосы шестеренные НШ 50 согласно Вашим требованиям и предпочтениям.
Свяжитесь с нами для дальнейшего обсуждения технического задания любым удобным способом:- позвоните по номеру телефона 8 (3412) 65‑57‑30 или 8 (3412) 65‑58‑30
- отправьте заявку по электронной почте [email protected]
- по факсу: 8 (3412) 65‑53‑40
- воспользуйтесь кнопкой “ПОЛУЧИТЬ КОНСУЛЬТАЦИЮ”, заполните необходимые поля и мы Вам перезвоним.
orion-18.ru
цена, описание. “ООО “Компания СМС””
Насос шестеренный НШ 50У-3 правого и левого вращения (шестишлицевой вал)
Данный насос широко применяется в гидросистемах тракторов, автопогрузчиков, комбайнов, грузовых автомобилей, гидросистемах рулевого управления колесных тракторов класса 3 тс.
Размеры насоса НШ 50У-3
Модель насоса выпускается с 6-и шлицевыми валами. Направления вращения вала – левое или правое.
При подборе мощности моторов для насоса НШ-50 необходимо учитывать номинальную частоту вращения двигателя, а также необходимое давление в гидросистеме.
Обратите внимание! Направление вращения ведущего вала шестеренчатого насоса НШ-50 должно совпадать с направлением вращения привода.
Направление вращения определяется со стороны ведущего вала: правое – по часовой стрелке, левое-против часовой стрелки.
Конструкция привода должна исключать передачу радиальных и осевых усилий на ведущий вал насоса, а также обеспечивать возможность его радиальных перемещений до 0,3 мм. Крепление насоса к корпусу привода осуществляется с помощью четырёх болтов или шпилек М8.
В качестве рабочей жидкости гидронасоса НШ 50У-З необходимо применять моторные масла М-82, М-8Г, по ГОСТ 8581-78; М-8В,, М-8Г, по ГОСТ 10541-78; гидравлические масла МГЕ-46В по ТУ 38.001347-83; МГТ по ТУ 38.1011103-87; индустриальные масла И-ЗОА, И-40А, И-50А по ГОСТ 20799-88.
Рекомендуемый объём гидробака находиться в пределах от 30% до 200% подачи насоса в минуту (от 32 до 200 литров при работе на номинальной скорости вращения насоса 2400 оборотов в минуту), в зависимости от режима работы машины (лёгкий или тяжёлый), но в два раза превышать заполняемьй объём рабочих полостей гидравлической системы и обеспечивать необходимый терморежим. Внутри гидравлического бака, между всасывающим и сливным отверстиями, должна быть предусмотрена перегородка высотой 2/3 уровня. Отверстие всасывающей гидролинии (к шестеренному насосу) необходимо располагать у дна гидробака на расстоянии не менее шести радиусов трубы от боковой стенки бака и не менее четырех радиусов от дна бака. Отверстие сливной магистрали должно быть расположено ниже минимально допустимого уровня жидкости в гидробаке. Бак необходимо оборудовать уровнемером и сапуном для очистки поступающего воздуха. Уровень гидромасла должен быть выше входного отверстия насоса на 150 мм, не менее. Рекомендуется использовать гидробак закрытого типа с избыточным давлением до 0,02 МПа (0,2 бар).
gidro21.ru
Насос НШ 50 У3, цена | Насосы шестерённые
Гидронасос шестерённый НШ 59 У3 Насос НШ50Купить насос НШ 50с доставкой из Челябинска
Насосы шестеренные НШ4Г3 пр, НШ4Г3 лев, НШ-10У-3, НШ-32У-3 пр, НШ-32У-3 лев, НШ-50У-3, НШ-50У-3Л, НШ-71А 3, НШ-100А-3 кр.прав, НШ-180Г-4, НШ 250Г-4 пр, НШ 250Г-4 лев предназначены для нагнетания минерального масла в гидравлических системах тракторов, погрузчиков, сельскохозяйственных, коммунальных, строительно-дорожных машин и другой техники.
Технические характеристика шестеренных насосов
Насосы НШ-10У, НШ-32У(УКФ), НШ-50У(УКФ), НШ-32А, НШ-50А, НШ-71А, НШ-100А предназначены для подачи рабочей жидкости в гидравлические системы приводов управления навесными, полунавесными и прицепными орудиями тракторов, сельскохозяйственных, дорожных и других машин.
НШ работают на минеральных маслах с вязкостью масла 55-70 мм²/с (сСт) при температуре масла 50±2°С.
Технические характеристики
| Группа по рабочему объему | 3 (20…90 cм3) | |
| Код рабочего объема | 32 | 50 |
| Рабочий объем, см3 | 32 | 50 |
| Номинальное давление, Мпа | 16 | 16 |
| Макс. кратковременное давление, Мпа | 21 | 21 |
| Максимальное пиковое давление, МПа | 25 | 25 |
| Максимальная частота вращения, об/мин. | 3000 | |
| Минимальная частота вращения, об/мин | 500 | 500 |
www.ugm74.com
Шестеренный насос НШ 50У-3 (правого / левого вращения)
Шестеренный насос НШ 50У-3.
Компания ООО “Уралкрандеталь” занимается производством, реализацией запчастей для автомобильных, гусеничных кранов и другой спецтехники. Одним из направлений деятельности компании является реализация гидрооборудования, такого как шестеренчатый насос для спецтехнике. Купить насос НШ 50У-3, узнать о его наличии или цене, вы можете любым удобным способом: оформив заявку через интернет магазин, отправив на e-mail или позвонив менеджеру (см. вкладку “контакты”).
Насос НШ 50 У-3 производится как левого, так и правого вращения. Левое вращение подразумевает под собой вращение ведущего ротора против часовой стрелки. Правое вращение – по часовой стрелке, если смотреть со стороны привода.
Устройство служит для нагнетания минерального масла в гидравлических системах различных механизмов, тракторов, сельскохозяйственных машин и другой техники, с номинальным давлением до 160 кгс/см2. Насос крепится на валу отбора мощности, имеется возможность использования насосов в различных стационарных установках с приводом от электродвигателя. Крутящий момент передается при помощи шлицевого соединения вала насоса и вала отбора мощности, или приводного устройства другого типа.
Шестеренчатый насос серий У, УК, полностью взаимозаменяем с насосами серии MASTER НШ созданными на базе НШ32М, НШ50М и является более экономичным их аналогом.
Расшифровка обозначений:
- НШ – насос шестеренный;
- 50 – рабочий объем;
- У – конструктивное исполнение;
- 3 – исполнение по номинальному давлению, 16 МПа.
Применяется в гидравлических системах транспортных средств автомотриса АГД-1А, трактора МТЗ 80,82,ДС 4, гусен. трактор Д 05 Автогрейзеры ДЗ-143,122,180, экскаваторы, погрузчики на базе МТЗ 80,82.
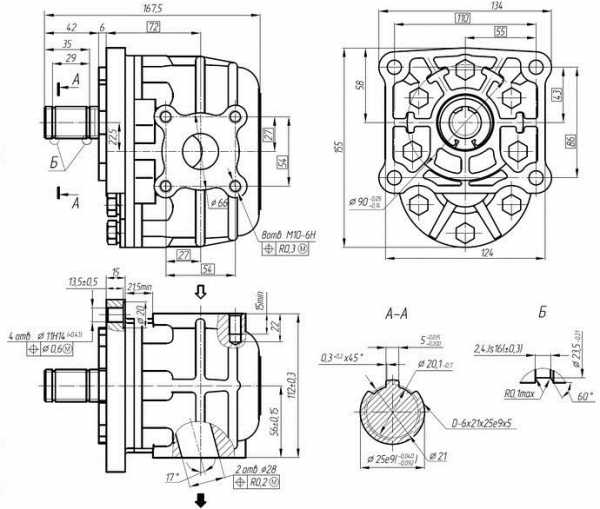
Габаритные и присоединительные размеры устройства НШ 50-У:
Габариты НШ 50УК-3:
Устройство шестеренного насоса:
а – конструктивная схема, б – детали насоса; 1, 3, 12, 13 – кольца уплотнения, 2 – крышка, 4 – уплотнение, 5, 7 – втулки, 6 – корпус, 8, 9 – шестерни, 10 – пластина, 11 – винт, 14 – отверстие, 15 – проволоки.
В насосе или гидромоторах ведущая 8 и ведомая 9 шестерни cсделаны заодно с валами и заключены в алюминиевый корпус 6. Корпус закрыт крышкой 2, закрепленной к нему винтами 11. Опорными подшипниками скольжения для валов служат «плавающие» бронзовые втулки 5 и 7. Одновременно с этим они выступают в роли упорных подшипников для торцов шестерен 8 и 9. Между крышкой и корпусом находится уплотнительное кольцо 13 из маслостойкой резины.
С целью предотвращения протечек РЖ и защиты втулки 5 от попадания пыли и грязи установлено уплотнение 4, фиксируемое стопорным 1 и опорным 3 кольцами. Помимо этого, в крышке выполнены расточки, в которые вводят дополнительные уплотнительные кольца 12. Передние бронзовые втулки 5 способны перемещаться вдоль валов. Втулки автоматически прижимаются к шестерням вне зависимости oт их износа за счет подаче рабочей жидкости под давлением в торец втулки. Таким образом, достигается высокий коэффициент полезного действия гидромоторов и увеличивается срок их использования.
Для избежания перекоса втулок из-за неравномерной нагрузки в зоне камер всасывания и нагнетания, со стороны всасывающей камеры установлена фигурная разгрузочная пластина 10, обтянутая по контуру резиновым кольцом. Пластину располагают между крышкой 2 и втулками 5. Между сопряженными поверхностями втулок 5 и 7 для упрощения сборки имеется зазор 0,1…0,15 мм. После сборки этот зазор принудительно выбирают, поворачивают втулки и фиксируя их проволоками 15, вставленными в отверстия втулок. Жидкость, просочившаяся вдоль валов, поступает через отверстие в крышке 2 и отверстие в ведомой шестерне в полости, соединенные, с камерой всасывания. К боковым поверхностям корпуса конструкции, крепят винтами всасывающий и нагнетательный патрубки.
Две шестерни равной ширины ведущая 1 и ведомая 2 находятся в зацеплении и расположены в корпусе 3 с минимальным радиальным зазором. К торцовым поверхностям шестерен прилегают боковые стенки насоса. При вращении шестерен перекачиваемая жидкость, заполняющая впадины между зубьями, переносится по внутренней поверхности корпуса из полости всасывания А в полость нагнетания Б.
Купить насос НШ 50 различных модификаций и исполнений Вы можете в компании ООО “Уралкрандеталь”. Цены производителя. Гарантия. Организуем доставку шестеренного насоса НШ 50У-3 в города Уфа, Саранск, Якутск, Владикавказ, Казань, Кызыл, Ижевск, Абакан, Чебоксары, Барнаул, Краснодар, Красноярск, Владивосток, Ставрополь, Хабаровск, Благовещенск, Архангельск, Астрахань, Белгород, Брянск, Владимир, Волгоград, Вологда, Воронеж, Иваново, Ижевск, Иркутск, Калининград, Калуга, Петропавловск-Камчатский, Кемерово, Киров, Кострома, Курган, Курск, Санкт-Петербург, Липецк, Магадан, Москва, Мурманск, Нижний Новгород, Новгород, Новосибирск, Омск, Оренбург, Орел, Пенза, Пермь, Псков, Ростов-на-Дону, Рязань, Самара, Саратов, Южно-Сахалинск, Екатеринбург, Смоленск, Тамбов, Тверь, Томск, Тула, Тюмень, Ульяновск, Челябинск, Чита, Ярославль, Ханты-Мансийск, Анадырь, Салехард, Грозный, Майкоп, Улан-Удэ, Горно-Алтайск, Махачкала, Назрань, Нальчик, Элиста, Черкесск, Петрозаводск, Сыктывкар, Йошкар-Ола, Новый Уренгой, Сургут, Салехард и другие города России, стран СНГ наиболее дешевой и удобной для Вас транспортной компанией.
Если Вы не нашли необходимую запчасть на нашем сайте – свяжитесь с нашими менеджерами. Вас проконсультируют и подберут нужную деталь. Для более оперативной работы, держим большой ассортимент ходовых запчастей на складе в городах Челябинск, Новый Уренгой, Актобе(Республика Казахстан).
ukd174.ru
Насос НШ 50 А (насос шестеренный 50 А)
Тракторы: ДТ-175, Т-250, Т-180. Погрузчики: ПЭА-1,0, ЭО-2628. С/х машины: ПНД-250, РЖУ-3,6, МКО-3, ПГХ-0.5, ПГ-02А. Автогрейдеры: ДЗ-140, Д-122. Автомобили: МоАЗ-546П/6014Насосы шестеренные НШ 50 А «Асток», предназначены дли создания энергетического потока рабочей жидкости в гидравлических системах привода управления навесными, полунавесными и прицепными орудиями сельскохо¬зяйственных факторов, комбайнов, автомобильной, строительной и дорожной техники. Насосы НШ50 А «Асток»» изготавливаются с правым и левым направлением вращения ведущего вала.
Применяемость НШ50А правое вращение вала
Тракторы: ДТ-175, Т-250, Т-180. Погрузчики: ПЭА-1,0, ЭО-2628. С/х машины: ПНД-250, РЖУ-3,6, МКО-3, ПГХ-0.5, ПГ-02А. Автогрейдеры: ДЗ-140, Д-122. Автомобили: МоАЗ-546П/6014
Технические характеристики НШ 50 А
| Рабочий объем, q | см3 | 50 |
| Номинальное давление, Рном | МПа | 16 (160) |
| Макс. кратковременное давление, Р2 | МПа | 21 (210) |
| Коэффициент подачи насоса, не менее | 0,94 | |
| Максимальная частота вращения, nmax | об/мин | 3000 |
| Минимальная частота вращения, nmin | об/мин | 500 |
Комплектность
В комплект поставки входит: – насос.
К партии насосов прилагается паспорт. По согласованию с потребителем паспорт может прилагаться к каждому насосу.
Указание мер безопасности
- Монтаж, эксплуатация и демонтаж насоса нш50а в гидравлической системе должны вестись персоналом, ознакомленным с требованиями по эксплуатации при строгом соблюдении правил по технике безопасности.
- Эксплуатация насосов, на режимах с параметрами, превышающими значе¬ния установленные настоящим паспортом, не допускается.
- Проводить подтягивание болтов гаек и других соединений во время работы гидропривода запрещается.
Требования по эксплуатации НШ50А
- Перед установкой насоса необходимо проверить направление вращения выходного вала.
- При эксплуатации насоса (Нш 50) необходимо следить за уровнем масла в баке, его качеством, а также за герметичностью всех соединений трубопроводов, особенно всасывающего, так как подсос воздуха ведет к ценообразованию и совершенно не допустим.
- В качестве рабочей жидкости должны применяться: в автотехнике
-летом – масла М-10В2, М-10Г2 ГОСТ 8581; -зимой – масла М-8В2, М-8Г2 ГОСТ 8581; в технике – масла И-ЗОА, И-40А.
Примечание – Применяемое масло служит не только рабочей жидкостью для приведения в действие рабочих органов машин, но и одновременно осуществляет смазку компенсаторов и втулок насоса. Загрязнение рабочей жидкости механически¬ми примесями или влагой является причиной преждевременного выхода насоса из строя. - При установке насоса в гидравлическую систему необходимо соблюдать следующие условия:
- Емкость бака и система охлаждения должны обеспечивать температурный режим рабочей жидкости. При периодической работе емкость бака должна быть не менее 1/3 минутной подачи насоса.
- В гидравлической системе должна быть предусмотрена надежная фильтра¬ция масла.
- На вал насоса не должны передаваться радиальные и осевые нагрузки.
- В процессе эксатуатации насос не требует дополнительного раулирования.
Сведения о хранении и консервации
- Насос(Нш 50), подлежащий хранению, должен быть законсервирован. Условия хране¬ния 2 по ГОСТ 15150.
- При консервации насоса необходимо слить из насоса рабочую жидкость, уда¬лить с наружных поверхностей пыль и грязь, промыть и заполнить внутренние полос¬ти чистой рабочей жидкостью. При этом входное и выходное отверстия должны быть закрыты пробками.
- Срок хранения без переконсервации насоса – 6 месяцев.
Гарантийные обязательства
- Изготовитель гарантирует соответствие параметров насоса требованиям
ТУ У 13305646.01 при соблюдении условий эксплуатации, транспортировки и хранения. - Гарантийнз-й срок эксплуатации Нш 50 – 12 месяцев со дня ввода насоса в эксплуатацию. При этом наработка насоса не должна превышать 1000 моточасов.
- Гарантийные обязательства распространяются на насосы, которые эксплуати¬ровались в соответствии с требованиями настоящего паспорта, не разбирались и не имеют наружных повреждений.
- Сведения о приемке – насос соответствует требованиям ТУ У 13305646.01 и годен к эксплуатации.
Габаритный чертеж
vostok-agro.info
Шестеренный насос НШ 50А-3 / НШ 50А-3Л
Шестеренный насос НШ 50А-3 / НШ 50А-3Л.
Компания ООО “Уралкрандеталь” занимается производством, реализацией запчастей для автомобильных, гусеничных кранов и другой спецтехники. Одним из направлений деятельности компании является реализация гидрооборудования, такого как шестеренчатый насос для различной спецтехнике. Купить гидронасос НШ 50 А-3, узнать о его наличии или цене, вы можете любым удобным способом: оформив заявку через интернет магазин, отправив на e-mail или позвонив менеджеру (см. вкладку “контакты”).
Насос НШ 50А-3 / НШ 50А-3Л с рабочим объемом 50 см3 применяется для работы в гидросистемах с номинальным давлением 16 МПа. В зависимости от сборки, может быть левого вращения, т. е. вращение ведущего ротора происходит против часовой стрелки, или правого вращения – вращение ведущего ротора по часовой стрелке, если смотреть со стороны привода.
Устройства крепятся на валу отбора мощности. Крутящий момент передается при помощи шлицевого соединения вала насоса и вала отбора мощности, или приводного устройства другого вида. Применять насос можно в различных стационарных установках с приводом от электродвигателя.
Обозначение насоса:
Габаритный чертеж:
Функциональные зависимости:
Насосы серии Антей (получившие название “круглые”) применяются для нагнетания минерального масла в гидравлических системах различных механизмов, тракторов, погрузчиков, сельскохозяйственных, строительных, дорожных, лесных, коммунальных машин и другой технике. За счет модернизации удалось свести к минимуму гидравлические нагрузки на корпусные детали модели. Размещение в монолитном блоке подшипников скольжения предоставило комфортные условия работа и возможность выдерживать высокие гидравлические нагрузки.
| Исполнение | Применение |
|---|---|
| НШ50А-3 | ДТ-175, Т-250, Т-180, Т-25,01, МоАЗ, БелАЗ, МАЗ, ДЗ, ПЭА-1.0, ЭО-2629 |
| НШ50А-3Л | Т-150, Т-150К, Т-250, ТБ-1, ДТ-75, ТТ-4, ХТЗ, КрАЗ, МоАЗ, КрАЗ, МАЗ, БелАЗ |
Купить шестеренный насос различных модификаций и исполнений Вы можете в компании ООО “Уралкрандеталь”. Цены производителя. Гарантия. Организуем доставку насоса НШ 50 А-3Л в города Уфа, Саранск, Якутск, Владикавказ, Казань, Кызыл, Ижевск, Абакан, Чебоксары, Барнаул, Краснодар, Красноярск, Владивосток, Ставрополь, Хабаровск, Благовещенск, Архангельск, Астрахань, Белгород, Брянск, Владимир, Волгоград, Вологда, Воронеж, Иваново, Ижевск, Иркутск, Калининград, Калуга, Петропавловск-Камчатский, Кемерово, Киров, Кострома, Курган, Курск, Санкт-Петербург, Липецк, Магадан, Москва, Мурманск, Нижний Новгород, Новгород, Новосибирск, Омск, Оренбург, Орел, Пенза, Пермь, Псков, Ростов-на-Дону, Рязань, Самара, Саратов, Южно-Сахалинск, Екатеринбург, Смоленск, Тамбов, Тверь, Томск, Тула, Тюмень, Ульяновск, Челябинск, Чита, Ярославль, Ханты-Мансийск, Анадырь, Салехард, Грозный, Майкоп, Улан-Удэ, Горно-Алтайск, Махачкала, Назрань, Нальчик, Элиста, Черкесск, Петрозаводск, Сыктывкар, Йошкар-Ола, Новый Уренгой, Сургут, Салехард и другие города России, стран СНГ наиболее дешевой и удобной для Вас транспортной компанией.
Если Вы не нашли необходимую запчасть на нашем сайте – свяжитесь с нашими менеджерами. Вас проконсультируют и подберут нужную деталь. Для более оперативной работы, держим большой ассортимент ходовых запчастей на складе в городах Челябинск, Новый Уренгой, Актобе(Республика Казахстан).
ukd174.ru
НШ 50 А-3Л цены, характеристики, гарантия от производителя
Описание товара
Применение для НШ 50А-3Л:
Тракторы: Т-150, Т-150К, Т-250, ТБ-1, ДТ-75, ТТ-4, ХТЗ, ТДТ-55, ЛХТ-55.
Погрузчики: МоАЗ-4048, свеклопогрузчик СПС-4,2А-02.
Грузовые автомобили: КрАЗ, МАЗ, БелАЗ.
Свеклоуборочный комбайн: РКМ6-01
Предназначен для нагнетания минерального масла в гидравлических системах тракторов, погрузчиков, сельскохозяйственных, коммунальных, строительно-дорожных машин, в горно-добывающей промышленности для шахтных комбайнов и другой техники.
В зависимости от назначения, класса и мощности, шестеренные гидравлические насосы НШ изготавливаются с различными (от 4 до 250 см³) рабочими объемами и развиваемыми давлениями (от 14,0 до 25,0 МПа).
Высокие эксплуатационные характеристики насосов обусловили их применение в гидросистемах тракторов производства Минского, Харьковского, Волгоградского, Владимирского, Алтайского, Кишиневского, Днепропетровского, Ташкентского, Петербургского, Липецкого тракторных заводов; комбайнов Ростовского, Таганрогского, Красноярского, Херсонского, Гомельского, Тернопольского заводов сельхозмашиностроения; автомобилей МАЗ, КаМАЗ, САЗ, дорожно-строительных, коммунальных и многих других машин и механизмов.
Обозначение насосов НШ 50
Пример:
| НШ | 50 | А | — | 3 | Л | Т |
| 1 | 2 | 3 | 4 | 5 | 6 |
Расшифровка:
| Пример | Описание | Возможные значения | |
| 1 | НШ | Насос шестеренный | |
| 2 | 50 | Рабочий объем насоса | От 4 см3 до 250 см3 |
| 3 | А | Конструктивное исполнение | Серия ”У” – стандарт |
| Серия”A” – ANTEY | |||
| Серия “М” – MASTER | |||
| Серия “Г” | |||
| 4 | 3 | Исполнение насоса по давлению | 3 – номинальное давление 16 Мпа(160 кгс/см2), максимальное 21 Мпа(210 кгс/см2) |
| 4 – номинальное давление 20 Мпа(200 кгс/см2), максимальное 25 Мпа(250 кгс/см2) | |||
| 5 | Л | Направление вращения вала (смотреть со стороны вала) | Л – левое вращение (против часовой стрелки) |
| Если обозначение направления вращения вала отсутствует, тогда насос правого вращения (по часовой стрелке) | |||
| 6 | Т | Климатическое исполнение | Т – тропический климат |
| У – умеренный климат (допускается не указывать) |
Технические характеристики НШ 50 (НШ 50А-3, НШ 50М-3,НШ 50М-4)
| Наименование параметра | НШ 50А-3 | НШ 50М-3 | НШ 50М-4 |
| Рабочий объем, см3 | 50/td> | 50 | 50 |
| Давление на выходе номинальное, МПа | 16 | 16 | 20 |
| Давление на выходе максимальное, МПа | 21 | 20 | 25 |
| Номинальная подача, л/мин | 107,2 | 107,2 | 113,7 |
| Номинальная частота вращения, об/с | 40 | 40 | 40 |
| Номинальная мощность, кВт | 41,5 | 41,5 | 51,9 |
| Масса, кг | 7,1 | 3,94 | 4,1 |
Габаритный чертёж НШ 50

atldon.ru
