Перехлест при вязке арматуры: Нахлест арматуры при вязке – СНиП, ключевые нюансы + Видео
alexxlab | 03.06.2023 | 0 | Разное
Сколько диаметров СНиП при перехлесте арматуры?
Верно рассчитанный нахлест арматуры при вязке влияет на итоговое качество конструкции. Надежность такого метода оспорить сложно, однако в процессе работы присутствуют определенные нюансы, при несоблюдении которых результат соединения может оказаться хрупким и недолговечным. Это также может повлиять на скорость затвердевания бетона, что сильно размягчит основание.
Зачем необходимо соблюдать нормы нахлеста арматуры при вязке
При заливке фундамента дома или при возведении любого другого бетонного сооружения (колонны или монолитного блока) насущным остается вопрос прочности и долговечности конструкции. При соблюдении всех строительных норм, дополнительный металлический каркас сильно укрепит конструкцию и сделает ее долговечной, а основание неподверженным влиянию природных условий и времени.
В случае несоблюдения правил, фундамент дома может вскоре обвалиться, что приведет не только к потере большого количества материалов, но и к человеческим жертвам.
Это связано с тем, что неверно рассчитанный нахлест арматуры ведет к незатвердеванию бетона в некоторых местах, что приводит к ослабеванию всей конструкции в целом. Для постройки крепкого и надежного каркаса используют несколько способов, в том числе вязку, для которой необходимо использовать нахлест.
Точечная сварка и с принудительным формированием шва
Иногда строительный проект предусматривает проведение сварных швов крестовых соединений арматуры с формированием принудительного шва. Для подобных арматурных изделий применяются стержни из стали, имеющие диаметр 14-40 мм.
Предварительно они собираются в кондукторах, что обеспечивает их плотное примыкание друг к другу. Еще можно зафиксировать стержни при помощи прихваток сваркой. Но важно учитывать, что прихватки и кондукторы не должны препятствовать установлению формующих элементов.
Но бывает так, что на многих строительных площадках в процессе возведения монолитных конструкций из железобетона в виде арматурных изделий используются каркасы и сетки, которые изготавливаются на месте.
В них присутствует масса разнообразных крестовых соединений, которые соединяются при помощи точечной дуговой сварки.
Использование многих марок стали ограничено по причине особенности процесса сварки. Когда она проводится точечно, в контактах крестовых соединений стержней довольно быстро от наплавленного металла отводится теплота, что провоцирует местное закаливание стали, в результате чего она становится хрупкой. К указанному термическому воздействию особенно чувствительны низкоуглеродистые и среднеуглеродистые арматурные стали.
Вернуться к оглавлению
Величина нахлеста при соединении арматуры по СНИП
Санитарные Нормы и Правила от 2003 года (сокращенно СНиП) описывают все виды соединений арматур, существующих на данный момент.
Стыки внахлест создаются без использования сварочных аппаратов, этим они отличаются от механических (для которых используют муфты и специальное оборудование) и сварных (для которых соответственно нужен сварочный аппарат). Стыки внахлест существуют трех типов:
- Стержни с крюками, лапами (загибами) на концах.
- Стержни, у которых прямой конец (с приваркой или монтажом на пересечении арматур).
- Стержни с прямыми концами (профильные).
Санитарные Нормы и Правила от 2003 года рекомендуют соединять внахлест арматуры сечением до 40 мм. В свою очередь, мировой аналог строительных норм, а именно ACI 318-05 утверждает максимальное допустимое значение сечения стержней 36 мм. Обусловлено это отсутствием доказательной базы надежности соединений большего диаметра, так как испытания не проводились. Также во время вязки, стоит оставлять определенное свободное пространство вокруг нахлеста.
Надо учитывать, что минимальное расстояние, которое нужно оставить для запаса, как по горизонтали, так и по вертикали составляет 25 мм.
Однако, если само сечение арматуры больше 25 мм, то и запас нужно рассчитывать, согласно шагу диаметра. Наибольшим расстоянием между элементами является 8 сечений стержня. Но при использовании в вязке проволоки расстояние сокращается до 4 сечений.
Не рекомендуется использовать вязку на участках наибольшего давления, так как место соединения не рассчитано на подобные нагрузки, а лишь на крепление арматур и поддержание их в качестве единой конструкции.
Фиксация арматурных прутков электросваркой
Стыковка арматуры с использованием электрической сварки применяется в областях промышленного и специального строительства. При соединении с помощью электросварки важно добиться минимального расстояния между стержнями и зафиксировать элементы без зазора. Повышенная нагрузочная способность зоны соединения, растянутой от действия, достигается при использовании арматурных прутков с маркировкой А400С или А500С.
Профессиональные строители обращают внимание на следующие моменты:
- недопустимость применения для сварных соединений распространенной арматуры с маркировкой А400.
В результате нагрева значительно снижается прочность и повышается восприимчивость к воздействию коррозии; - повышенную вероятность нарушения целостности стержней под влиянием значительных нагрузок. Действующие правила разрешают применять электродуговую сварку для фиксации арматуры диаметром до 25 мм;
- протяженность сварочного шва и класс применяемых прутков взаимосвязаны. Таблица нормативного документа содержит всю необходимую информацию о фиксации стержней с помощью электродуговой сварки.
Нормативный документ допускает при выполнении сварочных мероприятий применение электродов диаметром 0,4-0,5 см и регламентирует величину нахлеста, превышающую десять диаметров применяемых стержней.
Арматуру запрещено соединять в местах максимального напряжения стержней и зонах приложения (концентрированного) нагрузки на них
Нахлест арматуры при разных условиях
Места состыковки арматуры и расположение решетки должен определять проектировщик, а не строители.
Так как общая картина проекта, а также знание о величине нагрузки в разных местах известны только ему. В противном случае конструкция может быть нарушена.
Например, во время армирования колонны, следует придерживаться нескольких принципиально важных шагов:
- Выпуск необходимо согнуть на немного большую длину, чем сечение арматуры (для диаметра 16мм — это 20мм).
- Сгибать арматуру необходимо без нагрева, а с помощью специальных средств, которые смогут обеспечить нужный радиус загиба.
- Радиус загиба необходимо указать в проекте и сделать на нем акцент, так как строители вряд ли будут делать это без поручения.
Соединение армостержней свариванием
Для частного строительства сваривание стержней арматуры нахлестом – это дорого, так как класс рекомендуется использовать свариваемый класс А400С или А500С арматуры. При применении прутьев без символа «С» в маркировке приведет к потере прочности и устойчивости к коррозии. Арматуру марки А400С – А500С следует сваривать электродами Ø 4-5 мм.
Таким образом, согласно таблице, длина сварного шва при вязании стержней марки В400С должна быть 10 Ø прута. При использовании 12-миллиметровых стержней шов будет длиной 120 мм.
Нормы расхода арматуры на нахлест
Необходимая длина стержней арматуры различается по нескольким критериям:
- Для арматуры работающей на сжатие, необходимая длина будет следующей. Так, для арматур диаметра 6 мм — длина 20-22см; 8мм — длина 20-29см; 10мм — длина 25-36см; 12мм — длина 30-43см; 14мм — длина 35-50см.
- Для арматур работающих на растяжение, требуемая длина нахлеста стержней должна быть больше. Например, для диаметра 6 мм — длина 20-29см; 8мм — длина 27-38см; 10мм — длина 33-48см; 12мм — длина 40-57см; 14мм — длина 46-67см.
Чем выше класс бетона по прочности, тем меньше должна быть длина стержней для нахлеста. Исключениями являются только арматуры 20, 28 и 32 мм. При классе прочности бетона B35 длина стержней должна составлять 655, 920 и 1050 мм соответственно.
Вы соблюдаете нормы нахлеста арматуры при вязке?
Да
Нет
Основные требования к выполнению соединений нахлестом
При выполнении вязки стыков арматуры нахлестом существуют определенные строительной документацией правила. Они определяют следующие параметры:
- Величину накладки стержней;
- Особенности расположения самих соединений в теле бетонируемой конструкции;
- Местонахождение соседних перепусков относительно друг друга.
Учет этих правил позволяет создавать надежные железобетонные конструкции, и увеличивать срок их безаварийной работы. Теперь обо всем подробнее.
Где располагать при вязке нахлестные соединения арматуры
СНиП не допускает расположение мест вязки арматуры нахлестом в областях наибольшей нагрузки на них. Не рекомендуется располагать стыки и в местах, где стальные стержни испытывают максимальное напряжение. Все стыковочные соединения прутов лучше всего размещать в ненагруженных участках ЖБИ, где конструкция не испытывает напряжения.
При заливке ленточного фундамента перепуски окончаний арматуры разносят в места с минимальным крутящим моментом и с минимальным изгибающим моментом.
В случае отсутствия технологической возможности выполнить данные условия, протяженность нахлеста армирующих стержней берется из расчета 90 диаметров стыкуемых прутов.
Какую делать величину нахлеста арматуры при вязке
Поскольку вязка арматуры внахлест определяется технической документацией, то там четко указана протяженность стыковочных соединений. При этом величины могут колебаться не только от диаметра используемых прутов, но и от таких показателей как:
- Характер нагрузки;
- Марка бетона;
- Класс арматурной стали;
- Мест соединения;
- Назначения ЖБИ (горизонтальные плиты, балки или вертикальные колонны, пилоны и монолитные стены).
Сращивание арматурных стержней при выполнении нахлеста
В целом же протяженность нахлеста прутов арматуры при вязке определяется влиянием усилий, возникающих в стержнях, воспринимаемых сил сцеплением с бетоном, воздействующими по всей длине стыка, и силами, оказывающими сопротивления в анкеровке армирующих прутов.
Основополагающим критерием при определении длинны напуска арматуры при вязке, берется ее диаметр.
Для удобства расчетов нахлеста армирующих стержней при вязке силового каркаса монолитного фундамента предлагаем воспользоваться таблицей с указанными величинами диаметра и их напуска. Практически все величины сводятся к 30-ти кратному диаметру применяемых стержней.
| Величина напуска арматуры в диаметрах | ||
| Диаметр арматурной стали А400, мм | Величина нахлеста | |
| в диаметрах | в мм | |
| 10 | 30 | 300 мм |
| 12 | 31,6 | 380 мм |
| 16 | 30 | 480 мм |
| 18 | 32,2 | 580 мм |
| 22 | 30,9 | 680 мм |
| 25 | 30,4 | 760 мм |
| 28 | 30,7 | 860 мм |
| 32 | 30 | 960 мм |
| 36 | 30,3 | 1090 мм |
В зависимости от нагрузок и назначения железобетонных изделий длина нахлестных соединений стержневой стали изменяется в сторону увеличения:
| Напуск арматуры в зависимости от назначения ЖБИ | ||
| Вид нагрузки | Назначение ЖБИ | |
| Горизонтальное использование, в диаметрах | Вертикальное использование, в диаметрах | |
| В сжатом бетоне | 33,8 ᴓ | 48,3 ᴓ |
| В растянутом бетоне | 47,3 ᴓ | 67,6 ᴓ |
В зависимости от марки бетона и характера нагрузки, применяемого для заливки монолитной ленты фундамента и прочих железобетонных элементов, минимальные рекомендуемые величины перепуска арматуры в процессе вязки будут следующими:
| Для сжатого бетона | ||||
| Диаметр армирующей стали А400 используемой в сжатом бетоне, мм | Длина нахлеста армирующих стержней для марок бетона (класс прочности бетона), в мм | |||
| М250 (В20) | М350 (В25) | М400 (В30) | М450 (В35) | |
| 10 | 355 | 305 | 280 | 250 |
| 12 | 430 | 365 | 335 | 295 |
| 16 | 570 | 490 | 445 | 395 |
| 18 | 640 | 550 | 500 | 445 |
| 22 | 785 | 670 | 560 | 545 |
| 25 | 890 | 765 | 695 | 615 |
| 28 | 995 | 855 | 780 | 690 |
| 32 | 1140 | 975 | 890 | 790 |
| 36 | 1420 | 1220 | 1155 | 985 |
| Для растянутого бетона | ||||
| Диаметр армирующей стали А400 используемой в растянутом бетоне, мм | Длина нахлеста армирующих стержней для марок бетона (класс прочности бетона), в мм | |||
| М250 (В20) | М350 (В25) | М400 (В30) | М450 (В35) | |
| 10 | 475 | 410 | 370 | 330 |
| 12 | 570 | 490 | 445 | 395 |
| 16 | 760 | 650 | 595 | 525 |
| 18 | 855 | 730 | 745 | 590 |
| 22 | 1045 | 895 | 895 | 275 |
| 25 | 1185 | 1015 | 930 | 820 |
| 28 | 1325 | 1140 | 1040 | 920 |
| 32 | 1515 | 1300 | 1185 | 1050 |
| 36 | 1895 | 1625 | 1485 | 1315 |
Как расположить друг относительно друга арматурные перепуски
Для увеличения прочности силового каркаса фундамента очень важно правильно располагать нахлесты арматуры относительно друг друга в обеих плоскостях тела бетона.
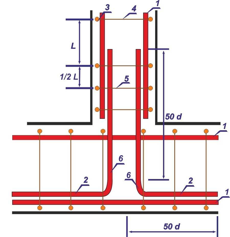
СНиП и ACI рекомендуют разносить соединения, таким образом, чтоб в одном сечении было не более 50% перепусков. При этом расстояние разбежки, как определено в нормативных документах, должно быть не менее 130% длинны стыковочного соединения стержней.
Взаимное расположение арматурных перепусков в теле бетона
Если центры нахлеста вязаной арматуры находятся в пределах указанной величины, то считается, что соединения стержней располагается в одном сечении.
Согласно нормам ACI 318-05 взаимное расположение стыковочных соединений должно находиться на расстоянии не менее 61 сантиметра. Если дистанция будет не соблюдена, то повышается вероятность деформации бетонного монолитного основания от нагрузок, оказываемых на него в процессе возведения здания и его последующей эксплуатации.
Как располагать соединения
Чтобы каркас будущего железо-бетонного изделия выдерживал большие нагрузки, необходимо правильно располагать перепуски в плоскостях конструкции.
Стыковочные соединения должны быть расположены на расстоянии не меньше 0,6 м. В идеале расстояние должно составлять 1,5 длины перепуска.
Таким образом, есть три основных способа соединения арматуры. Каждый из них имеет свои плюсы и минусы. Но все они одинаково безопасно могут применяться для монтажа конструкций, если правильно соблюдена технология монтажа.
Стыковка арматуры внахлестку – особенности и важные моменты
Архив рассылки “Непрошеные советы” для начинающих проектировщиков. Выпуск № 7.
Доброе утро!
Сегодня в Непрошеных советах я продолжу тему о рабочих швах бетонирования и стыковке арматуры. Точнее, о швах мы уже поговорили, теперь поговорим о стыковке.
Далеко не всегда на стройку попадает арматура нужной длины, в итоге встает вопрос о том, что ее нужно стыковать. Как и с вопросом о швах бетонирования, многие проектировщики пытаются игнорировать эту проблему и отдают принятие решения на откуп строителям.
Все, кто так делает, подвергают риску проектируемую конструкцию.
Строитель не обязан знать о том, где стыковать арматуру. Он состыкует ее в самом удобном для него месте, но одновременно – в самом опасном месте для конструкции. В «Рекомендациях по применению арматурного проката по ДСТУ 3760-98 при проектировании и изготовлении железобетонных конструкций без предварительного напряжения арматуры» хорошо описаны требования (см. п. 2.3.3), парочку, особо важных, я приведу здесь:
1. «Стыки рабочей арматуры внахлестку не рекомендуется располагать в растянутой зоне изгибаемых и внецентренно растянутых элементов в зоне действия максимальных усилий и местах полного использования арматуры. Стыки рабочей арматуры внахлестку не допускаются в линейных элементах, сечение которых полностью растянуто». Поясню немного. Мы должны четко донести до строителя, где ему можно стыковать арматуру. Нельзя стыковать в растянутой зоне: то есть, нижнюю рабочую арматуру в плите, например, нельзя стыковать в середине пролета, а верхнюю – над опорами (для многопролетных плит).
Именно там плита растянута, об этом нам и эпюра моментов говорит, и даже просто попытка представить, как изогнется перекрытие в процессе нагружения: какие его поверхности будут пытаться растянуться, а какие – сжаться. Очень просто сделать на чертеже вот такую схему:
Я привела пример для плиты перекрытия, но подобные схемы можно сделать для любой конструкции, арматура в которой заказана погонными метрами. Иногда проектировщик сразу задает раскладку стержней определенной длины с указанием мест стыковки. Здесь есть риск утонуть в переписке по согласованию все новых мест стыковки, т.к. у строителей может оказаться в наличии арматура совсем не предсказуемой длины. Величины L/4 и L/3 берутся из конкретного расчета и могут отличаться от приведенных мной.
2. «Стыки сварных сеток и каркасов, а также растянутых стержней вязаных каркасов и сеток внахлестку должны располагаться вразбежку. При этом площадь сечения рабочих стержней, стыкуемых в одном месте или на расстоянии менее длины перепуска ll, должна составлять не более 50% общей площади сечения растянутой арматуры.
Стержни должны располагаться по возможности без зазора, максимальное расстояние в свету между стыкуемыми стержнями не должно превышать 4d или 50мм.
Расстояние в свету между стыками, расположенными в разных местах по длине элемента, должно быть не менее 0,5 ll, или в осях стыков не менее 1,5 ll.
Соседние стыки внахлестку должны располагаться на расстоянии в свету не менее 2d и не менее 30 мм». Как все это донести до строителя? Я советую взять за основу рисунок 6 «Рекомендаций…» и привести на чертеже следующую схему:
Обратите внимание, величина нахлестки для рабочей арматуры в верхней и нижней зоне плиты отличается (см. коэффициент из таблицы 12 «Рекомендаций…»). В примере я привела схему для арматуры диаметром 12 мм.
Всегда обращайте внимание на то, что в одном сечении должно быть не более 50% стыков растянутых стержней арматуры. Иногда это требование очень сложно выполнить, особенно в стесненных обстоятельствах, и приходится менять диаметры стержней и их количество.
Вообще, советую Вам вдоль и поперек изучить рекомендации, прежде чем приступать к конструированию нахлестки в конкретной конструкции.
Еще хочу написать о стыковке арматуры в колоннах. Это специфическая тема, разгадка которой для меня еще не найдена. Как раньше, до введения проката по ДСТУ 3760, стыковали арматурные стержни по ГОСТ 5781? Вот рисунок из «Руководства по конструированию жбк»:
Из рисунка ясно, что половина стержней-выпусков выходят из перекрытия на длину нахлестки, вторая половина – на две длины нахлестки. Этим обеспечивается разбежка стыков – не более 50% в одном сечении. Но в гостовской арматуре были совсем другие длины нахлестки – в несколько раз меньше (!), чем для арматуры по ДСТУ 3760. Для примера глянем: для стержня по ДСТУ диаметром 20 мм в бетоне В25 величина нахлестки составляет 1630 мм (согласно расчету по «Рекомендациям…»). Две длины нахлестки – это уже 3260 мм (иногда, это меньше, чем высота этажа!). Что с этим делать, нормы молчат. Что с этим делают проектировщики? Либо выпускают все стержни на одну величину нахлестки (не скажу, что это верно), либо выбирают способ стыковки сваркой с накладками или методом опрессовки.
Пожалуй, об особенностях стыковки арматуры в колоннах я расскажу в следующем выпуске. Успешного Вам проектирования!
С уважением, Ирина.
схема действий, вязка и армирование
Главная » Строительство фундамента под дом, дачу и гараж
Ленточный фундамент– самый востребованный и популярный вид несущей системы в индивидуальном строительстве. Эти конструкции надежны, практичны и долговечны. Однако реализовать эти преимущества можно только при соблюдении технологии монтажа на каждом этапе. Один из них — армирование. Наиболее ответственными точками являются углы, принимающие на себя максимальные вертикальные нагрузки.
Содержание
- Необходимость усиления углов ленточного фундамента
- Схема действий
- Правильная вязка и укрепление углов
- Армирование устоев
- Распространенные ошибки и полезные советы 9 0019
- Неравномерное давление на разные стороны основания. Это приводит к нагрузке на суставы. Металлический каркас может компенсировать и нейтрализовать их.
- Концентрация линейных нагрузок. Они переносятся по монолитному поясу в углы, где достигают значительных величин.
- Внахлест.
Свободные концы внешнего и внутреннего горизонтальных стержней загнуты и наложены на противоположные по ориентации линии. Дополнительную прочность обеспечивают мосты. - Г-образные зажимы. Здесь переход от наружной продольной арматуры к внутренней также осуществляется с помощью соединения внахлест. Получившийся узел закрепляют Г-образным фрагментом со стороной 50-80 см.
- U-образный зажим. Внутренние и внешние линии изогнуты в П-образные контуры, которые замыкаются вертикальными и горизонтальными фрагментами. Считается самым прочным и надежным узлом.
- Тупой угол. Такие соединения не несут высокой нагрузки, но и требуют внимания. Соединение осуществляется путем прохождения наружных и наружных стержней в противоположные стороны с нахлестом 50 см. При этом вертикальные и горизонтальные перемычки ставятся в 2 раза чаще.
- внахлест;
- Г-образные зажимы;
- П-образные зажимы.
- работа без чертежа и предварительных расчетов, что приводит к трудностям при сборке и нарушениям ее технологии;
- усиление угловых зон вязкостными стержнями из продольных стержней под прямым углом;
- установка гнутых элементов без анкеровки;
- сварка арматуры встык, что является крайне ненадежным вариантом;
- вязание перекрестий без применения складок и нахлестов;
- применение сварки для металла, не предназначенного для этого;
- использование железных деталей или материалов, впитывающих влагу, в качестве опор и распорок – это приводит к повреждению рамы ржавчиной;
- усиление фундамента стержнями сомнительного происхождения или не имеющими недостаточного запаса прочности;
- сборка из металла, покрытого ржавчиной и предварительно не обработанного от коррозии;
- забивка вертикальных элементов каркаса в грунт через дренаж и гидроизоляцию.

Необходимость усиления углов ленточного фундамента
Наибольшая нагрузка приходится на углы ленточного фундамента Бетон – очень прочный материал, выдерживающий высокие сжимающие нагрузки.
Однако и у него есть свой запас прочности, особенно когда речь идет о нагрузках на кручение и разрушение. Именно они приходятся на углы систем поддержки ремня.
Необходимость правильного армирования этих участков обусловлена следующими факторами:
Стальная рама действует как жесткая и упругая рама, которая нейтрализует давление, оказываемое зданием и землей на опорную систему.
Схема действий
Способы усиления углов П-образными хомутамиДостижение прочности углового узла каркаса ленточного фундамента достигается правильным применением существующих и проверенных технологий.
Существуют такие способы углового соединения арматуры:
При создании вертикальной и замкнутой монолитной плиты рекомендуется использовать одинаковую технологию вязки уголков арматуры.
Это позволит создать равный запас прочности по всему фундаменту. Даже если лента заливается на ростверк, эти участки все равно остаются критическими с точки зрения нагрузки.
Правильная вязка и усиление углов
Сварку использовать нельзя. Вместо него для соединения арматуры используется проволока. Соединение стержней целесообразно обжимать стержнями с помощью проволочных или пластиковых стяжек. Сварка не рекомендуется по двум причинам. Первая заключается в том, что после сильного нагрева металл становится гибким и хрупким. Второй минус – под накипью развивается ржавчина, которая со временем разрушает соединение.
Для вязания необходимо использовать проволоку толщиной 1-1,3 мм в мотках или зажимах от готовых зажимов. Скрутить проволоку можно плоскогубцами, ручным крючком или беспроводным полуавтоматическим пистолетом. С пластиковыми стяжками работать проще и быстрее, но такой вариант не очень прочный и дорогой.
Изгиб угловых фрагментов следует производить без предварительного нагрева арматуры, с помощью станка или тисков.
После выполнения соединений на боковые и нижние фрагменты каркаса устанавливаются распорки. Лучшим вариантом являются звездочки, которые крепятся без клея или сварки. Бетон тяжелый и вязкий, а жесткая фиксация армирующей конструкции не позволит ему съехать в стороны при заливке раствора.
При установке каркаса необходимо соблюдать дистанцию не только между внутренней и внешней линиями. Вертикальные перемычки следует устанавливать с шагом 40-80 см, а по углам — 20-40 см друг от друга. Основные стержни выбирают диаметром 10-16 см, а вспомогательные – 6-10 мм. Желательно выбирать арматуру с рифленой поверхностью, обеспечивающей наилучшее сцепление с вязальной проволокой и бетоном. Обратите внимание на металлическую маркировку. «С» означает, что его можно сваривать, а «К» означает, что он устойчив к коррозии.
Армирование устоев
Схема армирования углов ленточного фундамента аналогична способам, которые применяются при соединении стержней в острых, прямых и тупых углах.
В местах примыкания внутренних фрагментов к периметру фундамента применяют следующие способы соединения:
Соединение осуществляется аналогично фасонкам, только все действия выполняются дважды, в зеркальной ориентации. Кроме того, стыки усилены продольными фрагментами, проходящими по внутреннему и внешнему стержням.
Распространенные ошибки и полезные советы
Стыковая сварка арматуры приводит к ржавчинеОсновные ошибки, наиболее часто встречающиеся при армировании ленточной несущей системы:
Ошибки армирования являются причинами появления трещин в углах основания, дорогостоящего ремонта, перекосов и возможного обрушения конструкции.
tutorial_Как нарезать и закончить стейк
Что такое стейк?
Стек – это дополнительный кусок трикотажной ткани, который позволяет сделать отверстие для пройм, вырезов горловины или центральных отверстий переда. Он действует как кромка, препятствуя распутыванию вязания. При работе с цветными изделиями вы можете менять пряжу в центре стека, уменьшая количество концов, которые необходимо заштопать.
Если вы впервые вяжете стик, вы можете потренироваться в вырезании и укреплении образца, чтобы знать, как будет вести себя ваше вязание, прежде чем вырезать стейк для одежды.
Вы также почувствуете себя более уверенно, зная, что ваш образец не распутается после разрезания.
Установка стежков
Надавливание паром на область стейка позволяет установить стежки на место перед разрезанием. Используйте паровой утюг, установленный на минимальную температуру для образования пара, или подержите утюг над влажной муслиновой салфеткой.
Плетение на концах
Если вы изменили цвет по бокам стейка, концы нужно будет заштопать до или после обрезки. Чтобы уменьшить объем в любом месте, их можно вплести в стержень, а также в основную часть вязания по мере необходимости. Избегайте сшивания концов за линию армирования до обрезки и обрезки. При вязании плетение близко к линии шва будет означать, что вплетенные концы будут покрыты стековой и отделочной лентой.
Если вы изменили цвет в центре стейка, нет необходимости вплетать эти концы внутрь. Просто обрежьте их, прежде чем армировать и резать стейк.
Методы армирования
Стикс можно укрепить несколькими способами.
Я предпочитаю использовать вшитое усиление, используя либо швейную машину, либо прочный ручной шов. При использовании швейной машины особенно важно проверить шитье на образце и при необходимости отрегулировать длину стежка. Армировать стейк перед нарезкой предпочтительнее. Если вам нужно вырезать перед армированием, подготовьте швейное оборудование, чтобы вы могли армировать сразу после вырезания.
Пришейте усиливающие линии через два стежка от края стека, стараясь не зацепить оставшиеся концы пряжи. На стеке из восьми петель вы будете усиливать между второй и третьей петлями, а также между шестой и седьмой петлями.
Если ваш проект был выполнен с использованием тонкой скользкой пряжи, такой как шелк, стежок-молния, используемый для эластичных тканей, может подойти. Это узкий стежок, поэтому при необходимости вы можете пришить 2 укрепляющие линии на расстоянии одного стежка по обе стороны от линии разреза, а не только одну.
Поместите кусок папиросной бумаги или отрывной стабилизатор под стек, чтобы предотвратить зацепление пряжи за гребенки транспортера швейной машины.
Вырезание стейка
Если вы посмотрите на стейк, связанный по одному из моих рисунков, вы заметите, что две центральные петли одного цвета. Центральная линия между центральными двумя колонками стежков также отмечена на диаграммах Steek, чтобы указать место разреза. Для изделий с участками, связанными одним цветом, можно пришить контрастную нить по линии, которую нужно отрезать. Используя портновские ножницы или другие острые ножницы, разрежьте между этими центральными столбиками две петли; начните с обрезания набранного края, затем обрежьте снизу вверх и закончите обрезанием сброшенного края.
Подхватывающие стежки
Прежде чем обрезать стек, поднимите все необходимые петли вдоль первого столбца стежков основной ткани ИЛИ между стежками стежка и основной ткани. Лучший способ набрать петли для полос или рукавов — это работать лицевой стороной, хотя вы работаете с пряжей внизу. Проденьте иглу через V-образный зазор в середине петли и зацепите пряжу острием иглы снизу, протягивая новую петлю.
Продолжайте до тех пор, пока на спице не будет набрано необходимое количество петель. Подхватывание петель таким образом надежно удерживает разрезанные петли на месте. После того, как вы закончили вязание пояса или рукава, вы можете обрезать стебель близко к линии закрепления или на ширине 2 стежков.
Завершение соединения рукавов
На соединении рукавов обработайте края стейка, прострочив необработанные края прочной пряжей. Для этой цели хорошо подходит шерсть для починки/штопки. Стежок «елочка» можно использовать, чтобы прикрепить стейк к основной ткани одежды.
Облицовка шейного обода (дополнительно)
Начиная с правой передней части, закрепите ленту булавками вверх по правому переднему скосу, вокруг шеи и вниз по левому переднему скосу, следя за тем, чтобы не выходить за центральные передние стержни. Пришейте ленту небольшим скользящим стежком по всему периметру.
Облицовка ленты с пуговицами и отверстиями для пуговиц
Лента, обращенная поверх передних стеков, должна быть размещена так, чтобы закрыть стекинговый край, чтобы необработанный край проходил по центру под лентой.


Это позволит создать равный запас прочности по всему фундаменту. Даже если лента заливается на ростверк, эти участки все равно остаются критическими с точки зрения нагрузки.