Размер цанги: Выбираем ручной фрезер: советы, рекомендации
alexxlab | 21.04.2023 | 0 | Разное
Цанги ER
Фильтры товаров Фильтры товаров
- CMT (Италия)
- Utensil Centro (Италия)
- IMS (Италия)
- Koves (Китай)
- WoodWork (Китай)
По этим критериям поиска ничего не найдено
- ER11
- ER16
- ER20
- ER25
- ER32
- ER40
По этим критериям поиска ничего не найдено
- 2
- 3
- 3.
175 - 4
- 5
- 6
- 6.35
- 8
- 9.525
- 10
- 12
- 12.7
- 14
- 16
- 18
- 19.05
- 20
- 24
- 25
По этим критериям поиска ничего не найдено
- 0.008 мм
- 0.01 мм
- 0.015 мм
- 0.02 мм
По этим критериям поиска ничего не найдено
Сбросить
Цанга (от немецкого Zange — “клешня”, “щипцы”) — разрезная втулка, предназначенная для крепления фрезы или другого концевого режущего инструмента. В магазине Freza.Club вы можете купить цанги ER — это самый распространённый стандарт для станков. Читать дальше.
Показать картинки Скрыть картинки
- ER11
- ER16
- ER20
- ER25
- ER32
- ER40
Сортировать по цене: дешевые выше
В наличии:
10 шт.
350 Р
В наличии: 12 шт.
350 Р

350 Р
В наличии: 9 шт.
350 Р
В наличии:
7 шт.
350 Р
550 Р
В наличии:
6 шт.
625 Р
В наличии: 6 шт.
625 Р
В наличии:
3 шт.
625 Р
В наличии: 2 шт.
625 Р
В наличии: 7 шт.
650 Р
Чтобы определить, используются ли в вашем станке цанги ER, посмотрите его технические характеристики или поищите надписи на гайке шпинделя. Если Вы уже купили цанги для станка, но хотите ещё,— просто обратите внимание на их гравировку. Нередко она содержит указание стандарта (например, ER25 или хотя бы ER).
Убедившись, что необходимы именно цанги ER, но не зная цифрового кода, можно замерить диаметр цанги в самой широкой её части. Он всегда на миллиметр больше цифрового обозначения: 33 мм для ER32, 26 мм для ER25 и т. д.
Важный параметр при выборе цанги — внутренний диаметр. Он должен быть равен диаметру хвостовика (хотя может быть чуть больше: допускается разница в 1 мм).
Меньше — нельзя! Например, для фрезы с хвостовиком 3,175 мм необходимо использовать цангу ER с внутренним диаметром 3,175 мм (1/8 дюйма) или 3,5 мм, но не 3 мм.
Качество цанги определяется её концентричностью. Этот показатель описывает максимальное отклонение зажатого инструмента при вылете в 3 диаметра. Чем лучше концентричность, тем меньше величина отклонения и выше точность обработки, а также дольше срок службы инструмента.
Все цанги ER, представленные в нашем магазине, соответствуют стандарту DIN6499.
Если вы хотите купить цангу для станка, но не можете определиться с выбором — позвоните по номеру: 8 (800) 222-57-01, это бесплатно. Мы постараемся ответить на все Ваши вопросы.
Магазин Freza.Club расположен в Санкт-Петербурге, что не мешает Вам получать инструмент быстро (и даже бесплатно!) в любом городе — см. условия. Например, в Москве — на следующий рабочий день. Обращайтесь!
Стандартные и суперпрецизионные цанги для шпинделей ER, KRESS
www.
TOPINCITY.ru > Фрезы > Аксессуары для шпинделей > Стандартные и высокопрецизионные цанги для шпинделей ER, KRESS
| Название | Диаметр | Точность | Производитель | Цена | Купить |
| ER8 | |||||
| ER8 1.0 (0.005) | 1.0 | ≤0.005 | US | 2 800₽ | ✘ |
| ER8 1.5 (0.005) | 1.5 | ≤0.005 | US | 2 800₽ | ✘ |
| ER8 3.0 (0.015) | 3.0 | ≤0.015 | CN | 480₽ | ✘ |
ER8 3. 0 (0.008) | 3.0 | ≤0.008 | CN | 560₽ | ✘ |
| ER8 3.0 (0.005) | 3.0 | ≤0.005 | US | 2 800₽ | ✘ |
| ER8 3.175 (0.015) | 3.175 | ≤0.015 | CN | 640₽ | |
| ER8 4.0 (0.015) | 4.0 | ≤0.015 | CN | 480₽ | |
| ER8 4.0 (0.005) | 4.0 | ≤0.005 | US | 2 800₽ | ✘ |
| ER8 4.76 (0.005) | 4.76 | ≤0.005 | US | 2 800₽ | ✘ |
| ER8 5.0 (0.005) | 5.0 | ≤0.005 | US | 2 800₽ | ✘ |
| ER11 | |||||
| ER16 | |||||
| ER20 | |||||
| ER25 | |||||
| ER32 | |||||
| ER40 | |||||
| KRESS (оригинал, если не в наличии, то под заказ 5-15 дней) | |||||
Прецизионный расширенный набор цанг ER20 17шт (биения до 0.
005мм)
Набор цанг ER20
|
Влияние точности (биения) цанги на инструмент:
Биения 0.003-0.005 на вылете 4xD
|
Потеря 10% от срока службы инструмента/фрез/гравера за каждые 0.002 мм биений. Таким образом, применяя стандартные китайские цанги с 0.015мм биений, уменьшается срок службы инструмента более чем в 2 раза, по сравнению с цангой с 0.
003мм.
Для увеличения максимальной эффективности цанги применяются прецизионные гайки из Испанской износостойкой стали 40CrMo4. Данные гайки сбалансированы до 30 000 об/мин с улучшенным сцеплением со шпинделем на 75% (по сравнению с классическими китайскими гайками). Увеличенная балансировка и сцепление так же увеливают срок службы инструмента.
Сравнение китайских и фирменных цанг с биениями 0.015 и 0.003
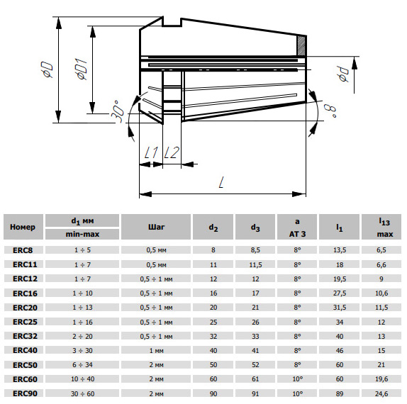
Размеры цангER – LittleMachineShop.com
| Цанги ER имеют широкий диапазон зажима и высокую точность. Пока они рассчитаны для удержания инструмента, они отлично подходят для удержания работы на небольших токарных станках. С полный набор цанг ER, вы можете использовать любой диаметр, который находится в диапазоне зажима набора.
Существует несколько типов цанг, которые выглядят как цанги ER.
В таблице ниже показаны доступные размеры цанг ER. Щелкните размер цанги в вверху столбца (например, ER-32), чтобы перейти на страницу со списком всех цанги в этом диапазоне размеров. Это делает заказ нескольких цанг в одинаковый размерный ряд простой.
|
Основные сведения о цанге ER — что нужно знать для начала работы
С момента своего появления в 1973 году цанга ER стала важным элементом каждого механического цеха.
Независимо от того, хотите ли вы удерживать инструменты или даже круглый материал, эти цанги являются отраслевым стандартом для машинной обработки.
Стандарты цанг ER
Эти цанги обычно входят в стандартную серию: ER-8, ER-11, ER-16, ER-20, ER-25, ER-32, ER-40 и ER- 50. Цифры обозначают диаметр отверстия конической розетки в миллиметрах. Когда вы затягиваете гайку на держателе, цанга ER складывается вместе, чтобы удерживать круглые инструменты или заготовки размером от 0,5 до 2 мм (или 0,019 мм).7-0,0787 дюйма, в зависимости от размера цанги) меньше внутреннего диаметра цанги.
В то время как первоначальная система ER основана на метрической системе, существуют также цанги ER с дюймовыми размерами.
Цанга ER какого размера мне нужна?
Краткий ответ на вопрос «Цанга ER какого размера мне нужна?» есть: вся серия. Настоящая сила цанг ER заключается в том, что они складываются, чтобы соответствовать тому, что вы пытаетесь удержать, но один размер не может вместить все.
Поскольку диаметр уменьшается только от 0,5 до 2 мм (в зависимости от размера цанги), наличие набора размеров с различными приращениями позволяет удерживать любой инструмент в диапазоне зажима серии цанг. Имейте в виду, что чем ближе ваш инструмент к номинальному размеру цанги, тем точнее он будет его зажимать, поэтому наличие этих промежуточных размеров может оказаться полезным, особенно когда вы используете цанги ER для крепления сверл. Биение важно при сверлении, и наличие цангового патрона, близкого к размеру вашего сверла, поможет вам свести биение к минимуму.
Очень важно иметь в своем арсенале большое количество цанг ER. Это очень универсальный держатель, предлагающий широкий диапазон зажима. Другие держатели инструментов, такие как установочный винт, термоусадочные или фрезерные патроны, могут предложить вам еще более высокий уровень жесткости и точности, но не предлагают такой универсальности, поскольку они ограничены одним размером.
Еще одна важная деталь цанг ER, которую обычно упускают из виду, – это то, насколько сильно вы затягиваетесь.
Это ходячая шутка, что спецификация крутящего момента была немецкой… Goutensnug… Но на практике крутящий момент, с которым вы затягиваете гайку, обеспечивает надлежащее зажатие инструмента. Чрезмерное затягивание гайки может привести к повреждению цанги, а также к плохому биению инструмента.
Правильная установка цанг ER
Цанги ER кажутся простыми, но есть несколько способов неверно истолковать механическую простоту этих держателей.
Начинающему слесарю может показаться, что эти зажимные гайки изготовлены неправильно из-за смещенной кромки внутри цанги (иногда это не смещение, а свободное кольцо). Он встроен в цанговые гайки, и без него вы не сможете вставить цангу в гайку
Ключевым моментом является полное зацепление (защелкивание) цангового зажима внутри гайки, прежде чем затягивать его на держателе. При правильной посадке поверхность цангового патрона должна быть на одном уровне с поверхностью гайки — почти плотно входить в гайку. В этот момент вы готовы поместить инструмент в цангу и затянуть детали в держателе.
Существует два распространенных типа цанговых гаек, которые фиксируют цангу в держателе и помогают закрывать саму цангу. Стандартная цанговая гайка довольно прямолинейна, в ней используется цельная гайка со всеми функциями для удержания и зажима врезанной в нее цанги, тогда как зажимная гайка на шарикоподшипнике состоит из нескольких частей, что увеличивает сложность и цену. Преимуществом использования зажимной гайки на шарикоподшипнике является увеличение силы зажима. Чаще всего зажимные гайки для шарикоподшипников необходимы только в особых случаях использования.
Удержание концевой фрезы (или других инструментов/приклада)
Чтобы обеспечить наилучшую фиксацию при установке инструмента или припуска в цангу ER, лучше, чтобы инструмент находился в контакте с цангой, насколько это возможно. Если возможно, в идеале, чтобы инструмент работал как минимум на всю длину цанги.
Это обеспечивает два основных преимущества, которые на самом деле являются одним и тем же.
Во-первых, удержание власти.
Очевидно, вы хотите, чтобы ваш инструмент оставался в цанге. Чем больше цанга захватывает инструмент, тем надежнее он будет. Повышенная удерживающая сила не только предотвращает выскальзывание инструмента во время обработки, но также может помочь уменьшить биение инструмента.
Во-вторых, жесткость.
Независимо от того, в каком помещении вы находитесь и какую машину используете, чем больше жесткости вы можете добиться, тем лучше. Наличие большей удерживающей силы на самом инструменте приводит к меньшему биению концевой фрезы при резке. Лучшая жесткость означает более быструю резку, более длительный срок службы инструмента и лучшее качество поверхности.
Если вы новичок и хотите добавить аксессуары к своей машине, одна из лучших покупок, которую вы можете сделать, — это надежный набор цанг ER. Начиная с полного набора, вы можете держать практически любой инструмент, а затем вы можете добавлять нужные вам размеры в несколько раз.

175
0 (0.008)
Если ваша цанга
выглядит как цанга ER, но не соответствует ни одному из размеров, показанных выше, это
цанга другого типа, а не цанга ER.