Сортамент уголок неравнобокий: Сортамент неравнобоких уголков | Сопромату.НЕТ
alexxlab | 05.09.1991 | 0 | Разное
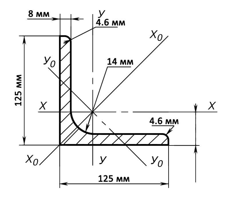
Уголок неравнополочный по ГОСТ 8510-86. Размеры и вес профиля.
- Сортамент
- ГОСТ 8510-86
- Уголок неравнополочный
| Профиль | h, мм | b, мм | t, мм | R, мм | А, см2 | M, кг | Ix, см4 | Wx, см3 | ix, см | Iy, см4 | Wy, см3 | iy, см | Iv, см4 | Wv, см3 | iv, см | Ixy, см4 | x0, см | y0, см | a, o | |
|---|---|---|---|---|---|---|---|---|---|---|---|---|---|---|---|---|---|---|---|---|
| 25x16x3 | 25. 0 | 16.0 | 3.0 | 3.5 | 1.16 | 0.91 | 0.7 | 0.43 | 7.8 | 0.22 | 0.19 | 4.4 | 0.13 | 0.16 | 3.4 | 0.22 | 4.2 | 8.6 | 21.41 | |
| 30x20x3 | 30.0 | 20.0 | 3.0 | 3.5 | 1.43 | 1.12 | 1.27 | 0.62 | 9.4 | 0.45 | 0.3 | 5.6 | 0.26 | 0.25 | 4.3 | 0.43 | 5.1 | 10.0 | 23.12 | |
| 30x20x4 | 30.0 | 20.0 | 4.0 | 3.5 | 1.86 | 1.45 | 1.61 | 0.82 | 9.3 | 0.56 | 0.39 | 5.5 | 0.34 | 0.32 | 4.3 | 0.54 | 5.4 | 10.4 | 22.83 | |
| 32x20x3 | 32.0 | 20.0 | 3.0 | 3.5 | 1.49 | 1.17 | 1.52 | 0.72 | 10.1 | 0.46 | 0. 3 | 5.5 | 0.28 | 0.25 | 4.3 | 0.47 | 4.9 | 10.8 | 20.91 | |
| 32x20x4 | 32.0 | 20.0 | 4.0 | 3.5 | 1.94 | 1.52 | 1.93 | 0.93 | 10.0 | 0.57 | 0.39 | 5.4 | 0.35 | 0.33 | 4.3 | 0.5 | 5.3 | 11.2 | 20.51 | |
| 40x25x3 | 40.0 | 25.0 | 3.0 | 4.0 | 1.89 | 1.48 | 3.06 | 1.14 | 12.7 | 0.93 | 0.49 | 7.0 | 0.56 | 0.41 | 5.4 | 0.96 | 5.9 | 13.2 | 21.06 | |
| 40x25x4 | 40.0 | 25.0 | 4.0 | 4.0 | 2.47 | 1.94 | 3.93 | 1.49 | 12.6 | 1.18 | 0.63 | 6.9 | 0.71 | 0.52 | 5.4 | 1.22 | 6.3 | 13.7 | 15.7 | |
| 40x25x5 | 40. 0 | 25.0 | 5.0 | 4.0 | 3.03 | 2.37 | 4.73 | 1.82 | 12.5 | 1.41 | 0.77 | 6.8 | 0.86 | 0.64 | 5.3 | 1.44 | 6.6 | 14.1 | 20.51 | |
| 40x30x4 | 40.0 | 30.0 | 4.0 | 4.0 | 2.67 | 2.26 | 4.18 | 1.54 | 12.5 | 2.01 | 0.91 | 8.7 | 1.09 | 0.75 | 6.4 | 1.68 | 7.8 | 12.8 | 28.55 | |
| 40x30x5 | 40.0 | 30.0 | 5.0 | 4.0 | 3.28 | 2.46 | 5.04 | 1.88 | 12.4 | 2.41 | 1.11 | 8.6 | 1.33 | 0.91 | 6.4 | 2.0 | 8.2 | 13.2 | 28.32 | |
| 45x28x3 | 45.0 | 28.0 | 3.0 | 5.0 | 2.14 | 1.68 | 4.41 | 1.45 | 14.8 | 1. 32 | 0.61 | 7.9 | 0.79 | 0.52 | 6.1 | 1.38 | 6.4 | 14.7 | 20.91 | |
| 45x28x4 | 45.0 | 28.0 | 4.0 | 5.0 | 2.8 | 2.2 | 5.68 | 1.9 | 14.2 | 1.69 | 0.8 | 7.8 | 1.02 | 0.67 | 6.0 | 1.77 | 6.8 | 15.1 | 20.76 | |
| 50x32x3 | 50.0 | 32.0 | 3.0 | 5.5 | 2.42 | 1.9 | 6.18 | 1.82 | 16.0 | 1.99 | 0.81 | 9.1 | 1.18 | 0.68 | 7.0 | 2.01 | 7.2 | 16.0 | 21.95 | |
| 50x32x4 | 50.0 | 32.0 | 4.0 | 5.5 | 3.17 | 2.4 | 7.98 | 2.38 | 15.9 | 2.56 | 1.05 | 9.0 | 1.52 | 0.88 | 6.9 | 2.59 | 7.6 | 16.5 | 21.85 | |
| 56x36x4 | 56. 0 | 36.0 | 4.0 | 6.0 | 3.58 | 2.81 | 11.37 | 3.01 | 17.8 | 3.7 | 1.34 | 10.2 | 2.19 | 1.13 | 7.8 | 3.74 | 8.4 | 18.2 | 22.1 | |
| 56x36x5 | 56.0 | 36.0 | 5.0 | 6.0 | 4.41 | 3.46 | 13.82 | 3.7 | 17.7 | 4.48 | 1.65 | 10.1 | 2.65 | 1.37 | 7.8 | 4.5 | 8.8 | 18.7 | 22.0 | |
| 63x40x4 | 63.0 | 40.0 | 4.0 | 7.0 | 4.04 | 3.17 | 16.33 | 3.83 | 20.1 | 5.16 | 1.67 | 11.3 | 3.07 | 1.41 | 8.7 | 5.25 | 9.1 | 20.3 | 21.65 | |
| 63x40x5 | 63.0 | 40.0 | 5.0 | 7.0 | 4.98 | 3.91 | 19.91 | 4.72 | 20.0 | 6. 26 | 2.05 | 11.2 | 3.73 | 1.72 | 8.6 | 6.41 | 9.5 | 20.8 | 21.6 | |
| 63x40x6 | 63.0 | 40.0 | 6.0 | 7.0 | 5.9 | 4.63 | 23.31 | 5.58 | 19.9 | 7.29 | 2.42 | 11.1 | 4.36 | 2.02 | 8.6 | 7.44 | 9.0 | 21.2 | 21.45 | |
| 63x40x8 | 63.0 | 40.0 | 8.0 | 7.0 | 7.68 | 6.03 | 29.6 | 7.22 | 19.6 | 9.15 | 3.12 | 10.9 | 5.58 | 2.6 | 8.5 | 9.27 | 10.7 | 22.0 | 21.11 | |
| 65x50x5 | 65.0 | 50.0 | 5.0 | 6.0 | 5.56 | 4.36 | 23.41 | 5.2 | 20.5 | 12.08 | 3.23 | 14.7 | 6.41 | 2.68 | 10.7 | 9.77 | 12.6 | 20.0 | 29. 94 | |
| 65x50x6 | 65.0 | 50.0 | 6.0 | 6.0 | 6.6 | 5.18 | 27.46 | 6.16 | 20.4 | 14.12 | 3.82 | 14.6 | 7.52 | 3.15 | 10.7 | 11.46 | 13.0 | 20.4 | 29.9 | |
| 65x50x7 | 65.0 | 50.0 | 7.0 | 6.0 | 7.62 | 5.93 | 31.32 | 7.08 | 20.3 | 16.05 | 4.38 | 14.5 | 8.6 | 3.59 | 10.6 | 12.94 | 13.4 | 20.8 | 29.73 | |
| 65x50x8 | 65.0 | 50.0 | 8.0 | 6.0 | 8.62 | 6.77 | 35.0 | 7.99 | 20.2 | 18.88 | 4.93 | 14.4 | 9.65 | 4.02 | 10.6 | 13.61 | 13.7 | 21.2 | 29.68 | |
| 70x45x5 | 70.0 | 45.0 | 5.0 | 7.5 | 5.59 | 4. 3 | 27.76 | 5.88 | 22.3 | 9.05 | 2.62 | 12.7 | 5.34 | 2.2 | 9.8 | 9.12 | 10.5 | 22.8 | 22.1 | |
| 75x50x5 | 75.0 | 50.0 | 5.0 | 8.0 | 6.11 | 4.79 | 34.81 | 6.81 | 23.9 | 12.47 | 3.25 | 14.3 | 7.24 | 2.73 | 10.9 | 12.0 | 11.7 | 23.9 | 23.56 | |
| 75x50x6 | 75.0 | 50.0 | 6.0 | 8.0 | 7.25 | 5.69 | 40.92 | 8.08 | 23.8 | 14.6 | 3.85 | 14.2 | 8.48 | 3.21 | 10.8 | 14.1 | 12.1 | 24.4 | 23.51 | |
| 75x50x7 | 75.0 | 50.0 | 7.0 | 8.0 | 8.37 | 6.57 | 46.77 | 9.31 | 23.6 | 16.61 | 4.43 | 14.1 | 9.69 | 3. 69 | 10.8 | 16.18 | 12.5 | 24.8 | 23.51 | |
| 75x50x8 | 75.0 | 50.0 | 8.0 | 8.0 | 9.47 | 7.43 | 52.38 | 10.52 | 23.5 | 18.52 | 4.88 | 14.0 | 10.87 | 4.14 | 10.7 | 17.8 | 12.9 | 25.2 | 23.27 | |
| 80x50x5 | 80.0 | 50.0 | 5.0 | 8.0 | 6.36 | 4.49 | 41.64 | 7.71 | 25.6 | 12.68 | 3.28 | 14.1 | 7.57 | 2.75 | 10.0 | 13.2 | 11.3 | 26.0 | 21.16 | |
| 80x50x6 | 80.0 | 50.0 | 6.0 | 8.0 | 7.55 | 5.92 | 48.98 | 9.15 | 25.5 | 14.85 | 3.88 | 14.0 | 8.88 | 3.24 | 10.8 | 15.5 | 11.7 | 26.5 | 21.11 | |
| 80x60x6 | 80. 0 | 60.0 | 6.0 | 8.0 | 8.15 | 6.39 | 52.06 | 9.42 | 25.3 | 25.18 | 5.58 | 17.6 | 13.61 | 4.66 | 12.9 | 20.98 | 14.9 | 24.7 | 28.68 | |
| 80x60x7 | 80.0 | 60.0 | 7.0 | 8.0 | 9.42 | 7.39 | 59.61 | 10.87 | 25.2 | 28.74 | 6.43 | 17.5 | 15.58 | 5.34 | 12.9 | 24.01 | 15.3 | 25.2 | 28.63 | |
| 80x60x8 | 80.0 | 60.0 | 8.0 | 8.0 | 10.67 | 8.37 | 66.88 | 12.38 | 25.0 | 32.15 | 7.26 | 17.4 | 17.49 | 5.99 | 12.8 | 26.83 | 15.7 | 25.6 | 28.55 | |
| 90x56x5 | 90.0 | 56.0 | 5.5 | 9.0 | 7.86 | 6.17 | 65.28 | 10. 74 | 28.8 | 19.67 | 4.53 | 15.8 | 11.77 | 3.81 | 12.2 | 20.54 | 12.6 | 29.2 | 21.01 | |
| 90x56x6 | 90.0 | 56.0 | 6.0 | 9.0 | 8.54 | 6.7 | 70.58 | 11.66 | 28.8 | 21.22 | 4.91 | 15.8 | 12.7 | 4.12 | 12.2 | 22.23 | 12.8 | 29.5 | 21.01 | |
| 90x56x8 | 90.0 | 56.0 | 8.0 | 9.0 | 11.18 | 8.77 | 90.87 | 15.24 | 28.5 | 27.08 | 6.39 | 15.6 | 16.29 | 5.32 | 12.1 | 28.33 | 13.6 | 30.4 | 20.81 | |
| 100x63x6 | 100.0 | 63.0 | 6.0 | 10.0 | 9.58 | 7.53 | 98.29 | 14.52 | 32.0 | 30.58 | 6.27 | 17.9 | 18.2 | 5.27 | 13. 8 | 31.5 | 14.2 | 32.3 | 21.45 | |
| 100x63x7 | 100.0 | 63.0 | 7.0 | 10.0 | 11.09 | 8.7 | 112.86 | 16.78 | 31.9 | 34.99 | 7.23 | 17.8 | 20.83 | 6.06 | 13.7 | 36.1 | 14.6 | 32.8 | 21.41 | |
| 100x63x8 | 100.0 | 63.0 | 8.0 | 10.0 | 12.57 | 9.87 | 126.96 | 19.01 | 31.8 | 39.21 | 8.17 | 17.7 | 23.38 | 6.82 | 13.6 | 40.5 | 15.0 | 33.2 | 21.36 | |
| 100x63x10 | 100.0 | 63.0 | 10.0 | 10.0 | 15.47 | 12.14 | 153.95 | 23.32 | 31.5 | 47.18 | 9.99 | 17.5 | 28.34 | 8.31 | 13.5 | 48.6 | 15.8 | 34.0 | 21.16 | |
| 100x65x7 | 100. 0 | 65.0 | 7.0 | 10.0 | 11.23 | 8.81 | 114.05 | 16.87 | 31.9 | 38.32 | 7.7 | 18.5 | 22.77 | 6.43 | 14.1 | 38.0 | 15.2 | 32.4 | 22.54 | |
| 100x65x8 | 100.0 | 65.0 | 8.0 | 10.0 | 12.73 | 9.99 | 128.31 | 19.11 | 31.8 | 42.96 | 8.7 | 18.4 | 25.24 | 7.26 | 14.1 | 42.64 | 15.6 | 32.8 | 22.49 | |
| 100x65x10 | 100.0 | 65.0 | 10.0 | 10.0 | 15.67 | 12.3 | 155.52 | 23.45 | 31.5 | 51.68 | 10.64 | 18.2 | 30.6 | 8.83 | 14.0 | 51.18 | 16.4 | 33.7 | 22.29 | |
| 110x70x6 | 110.0 | 70.0 | 6.5 | 10.0 | 11.45 | 8.98 | 142. 42 | 19.11 | 35.3 | 45.61 | 8.42 | 20.0 | 26.94 | 7.05 | 15.3 | 46.8 | 15.8 | 35.5 | 21.9 | |
| 110x70x8 | 110.0 | 70.0 | 8.0 | 10.0 | 13.93 | 10.93 | 171.54 | 23.22 | 35.1 | 54.64 | 10.2 | 19.8 | 32.31 | 8.5 | 15.2 | 55.9 | 16.4 | 36.1 | 21.8 | |
| 125x80x7 | 125.0 | 80.0 | 7.0 | 11.0 | 14.06 | 11.04 | 226.53 | 26.67 | 40.1 | 73.73 | 11.89 | 22.9 | 43.4 | 9.96 | 17.6 | 74.7 | 18.0 | 40.1 | 22.15 | |
| 125x80x8 | 125.0 | 80.0 | 8.0 | 11.0 | 15.98 | 12.58 | 225.62 | 30.26 | 40.0 | 80.95 | 13.47 | 22.8 | 48. 82 | 11.25 | 17.5 | 84.1 | 18.4 | 40.5 | 22.1 | |
| 125x80x10 | 125.0 | 80.0 | 10.0 | 11.0 | 19.7 | 15.47 | 311.61 | 37.27 | 39.8 | 100.47 | 16.52 | 22.6 | 59.33 | 13.74 | 17.4 | 102.0 | 19.2 | 41.4 | 22.0 | |
| 125x80x12 | 125.0 | 80.0 | 12.0 | 11.0 | 23.36 | 18.34 | 364.79 | 44.07 | 39.5 | 116.84 | 19.46 | 22.4 | 69.47 | 16.11 | 17.2 | 118.0 | 20.0 | 42.2 | 21.8 | |
| 140x90x8 | 140.0 | 90.0 | 8.0 | 12.0 | 18.0 | 14.13 | 363.68 | 38.25 | 44.9 | 119.79 | 17.19 | 25.8 | 70.27 | 14.39 | 15.8 | 121.0 | 20.3 | 44. 9 | 22.34 | |
| 140x90x10 | 140.0 | 90.0 | 10.0 | 12.0 | 22.24 | 17.46 | 444.45 | 47.19 | 44.7 | 145.54 | 21.14 | 25.8 | 85.51 | 17.58 | 19.6 | 147.0 | 21.2 | 45.8 | 22.24 | |
| 160x100x9 | 160.0 | 100.0 | 9.0 | 13.0 | 22.87 | 17.96 | 605.97 | 56.04 | 51.5 | 186.03 | 23.96 | 28.5 | 110.4 | 20.01 | 22.0 | 194.0 | 22.4 | 51.9 | 21.36 | |
| 160x100x10 | 160.0 | 100.0 | 10.0 | 13.0 | 25.28 | 19.85 | 666.59 | 61.91 | 51.3 | 204.09 | 26.42 | 28.4 | 121.16 | 22.02 | 21.9 | 213.0 | 22.8 | 52.3 | 21.31 | |
| 160x100x12 | 160. | 100.0 | 12.0 | 13.0 | 30.04 | 23.58 | 784.22 | 73.42 | 51.1 | 238.75 | 31.23 | 28.2 | 142.14 | 25.93 | 21.8 | 249.0 | 23.6 | 53.2 | 21.21 | |
| 160x100x14 | 160.0 | 100.0 | 14.0 | 13.0 | 34.72 | 27.26 | 897.19 | 84.65 | 50.8 | 271.6 | 35.89 | 28.0 | 162.49 | 29.75 | 21.6 | 282.0 | 24.3 | 54.0 | 21.06 | |
| 180x110x10 | 180.0 | 110.0 | 10.0 | 14.0 | 28.33 | 22.2 | 952.28 | 78.59 | 58.0 | 276.37 | 32.27 | 31.2 | 165.44 | 29.96 | 24.2 | 295.0 | 24.4 | 58.8 | 20.61 | |
| 180x110x12 | 180.0 | 110.0 | 12.0 | 14.0 | 33. 69 | 26.4 | 1122.56 | 93.33 | 57.7 | 324.09 | 38.2 | 31.0 | 194.28 | 31.83 | 24.0 | 348.0 | 25.2 | 59.7 | 20.51 | |
| 200x125x11 | 200.0 | 125.0 | 11.0 | 14.0 | 34.87 | 27.37 | 1449.02 | 107.31 | 64.5 | 446.36 | 45.98 | 35.8 | 263.84 | 38.27 | 27.5 | 465.0 | 27.9 | 65.0 | 21.41 | |
| 200x125x12 | 200.0 | 125.0 | 12.0 | 14.0 | 37.89 | 29.74 | 1568.19 | 116.51 | 64.3 | 481.93 | 49.85 | 35.7 | 285.04 | 41.45 | 27.4 | 503.0 | 28.3 | 65.4 | 21.41 | |
| 200x125x14 | 200.0 | 125.0 | 14.0 | 14.0 | 43.87 | 34.43 | 1800.83 | 134.64 | 64. 1 | 550.77 | 57.43 | 35.4 | 326.54 | 47.57 | 27.3 | 575.0 | 29.1 | 66.2 | 21.31 | |
| 200x125x16 | 200.0 | 125.0 | 16.0 | 14.0 | 49.77 | 39.07 | 2026.08 | 152.41 | 63.8 | 616.66 | 64.83 | 35.2 | 366.99 | 53.56 | 27.2 | 643.0 | 29.9 | 67.1 | 21.21 |
25x16x3 30x20x3 30x20x4 32x20x3 32x20x4 40x25x3 40x25x4 40x25x5 40x30x4 40x30x5 45x28x3 45x28x4 50x32x3 50x32x4 56x36x4 56x36x5 63x40x4 63x40x5 63x40x6 63x40x8 65x50x5 65x50x6 65x50x7 65x50x8 70x45x5 75x50x5 75x50x6 75x50x7 75x50x8 80x50x5 80x50x6 80x60x6 80x60x7 80x60x8 90x56x5 90x56x6 90x56x8 100x63x6 100x63x7 100x63x8 100x63x10 100x65x7 100x65x8 100x65x10 110x70x6 110x70x8 125x80x7 125x80x8 125x80x10 125x80x12 140x90x8 140x90x10 160x100x9 160x100x10 160x100x12 160x100x14 180x110x10 180x110x12 200x125x11 200x125x12 200x125x14 200x125x16
- Все профили
- Нормальный (балочный)
- Широкополочный
- Колонный
- Балочный нормальный
- Балочный широкополочный
- Колонный
- Свайный
- Дополнительной серии балочный
- Дополнительной серии колонный
- Нормальный (балочный)
- Широкополочный
- Колонный
- Дополнительной серии
- С уклоном полок
- С уклоном полок
- Квадратная
- Прямоугольная
- Квадратная
- Прямоугольная
- Квадратная
- Прямоугольная
- Квадратная
- Прямоугольная
- Квадратная
- Квадратная специального размера
- Равнополочный
- Неравнополочный
- С параллельными гранями полок
- С уклоном полок
- С параллельными гранями полок
- С уклоном полок
- Экономичный с параллельными гранями полок
- Легкой серии с параллельными гранями полок
- Специальный
- С уклоном полок
- С уклоном полок
Сделать заказ | Задать вопрос | Карта сайта | ||||||||||||||||||||||||||||||||||||||||||||||||||||||||||||||||
| ||||||||||||||||||||||||||||||||||||||||||||||||||||||||||||||||
Уголки стальные горячекатаные неравнополочные относят к группе фасонный прокат и изготавливают по ГОСТ 8510-86. Уголки стальные горячекатаные неравнополочные
В таблице приведены справочные величины веса погонного метра, рассчитанные по номинальным размерам, без учета допусков по толщине и ширине полки. По точности прокатки уголки изготавливают: А – высокой точности
Уголки, поступающие в продажу на склады, как правило, имеют нормальную точность, что означает следующие допуски по ширине полки: До 63 – 1,5мм
И по толщине полки не более 0,3-0,5мм. Радиусы скругления профиля, указанные в ГОСТ 8510-86, даны для построения калибра валкового инструмента и на профиле не проверяются. Уголки поставляются мерной и немерной длины. Уголки мерной длины могут быть изготовлены длиной от 4 до 12 метров. В каждой партии мерной длины допускается наличии профилей немерной длины не более 5% от веса партии. Уголки немерной длины должны быть не короче 3 метров и не длиннее 12 метров. Предельные отклонения по длине для уголков мерной длины и кратной мерной длины не должны превышать 70мм (при длине свыше 6 метров). Кривизна уголков не должна превышать 0,4% длины профиля, для высокой точности кривизна не должна превышать 0,2%. Изготавливают стальные неравнополочные уголки из углеродистых марок стали по ГОСТ 380-2005, как правило, Ст3сп/пс различных категорий, в зависимости от назначения, а так же низколегированных марок по ГОСТ 19281-89, главным образом 09Г2С, 17Г1С, 10ХСНД и 15ХСНД. Марки 10ХСНД и 15ХСНД являются атмосферно коррозионно-стойкими. Благодаря применению таких марок возможно значительное облегчения металлоконструкций при сохранении срока их службы. Используют неравнополочные уголки, так же как и равнополочные, в производстве различных металлоконструкций: легких конструкций – металлические двери, металлическая мебель промышленного и бытового назначения, заборы, ограды, прочие малые архитектурные формы; средних и крупных конструкций – пункты остановки общественного транспорта, торговые павильоны, навесы и козырьки, торговые и офисные здания, построенные по технологии сварных металлоконструкций, мосты, эстакады. Уголки отгружают партиями, размер каждой партии обычно не превышает 70 тонн. Каждая партия сопровождается сертификатом качества. Уголки мелких и средних размеров упаковывают в пачки (связки), которые обеспечивают удобство при погрузо-разгрузочных работах и транспортировке. По желанию заказчика и за дополнительную плату, уголки могут быть упакованы паз в паз, т.е. елочкой. Каждый пакет снабжается биркой, на которой производитель указывает наименование проката, размер, длину, марку стали, номер партии и/или плавки, количество профилей (опционально), вес в пачке. Купить неравнополочный уголок в нашей компании можно от 1 тонны, любыми количествами и различных марок стали. Поставки осуществляются по Москве, Московской области и в другие регионы России автомобильным транспортом, в жд вагонах или контейнерах. ЦеныВ последние годы цена на неравнополочный уголок меняется очень динамично, что сильно затрудняет публикацию актуальной цены, соответствующей настоящему моменту. Просим Вас уточнять текущие цены и наличие интересующей продукции по телефону + 7 (495) 669-29-10 или направляйте Ваш заказ. | ||||||||||||||||||||||||||||||||||||||||||||||||||||||||||||||||
©s235group 2019 Металлопрокат, стальные трубы.
|
| |||||||||||||||||||||||||||||||||||||||||||||||||||||||||||||||
Уголок неравнополочный по ГОСТ 8510-86*
| ru/usr/templates/images/skin/MYsopromatDesign_1x2.png”>
|
|
© MYsopromat.ru, 2003-2006
Купить алюминий (алюминий), нарезанный по размеру
Сэкономьте до 60% на Выберите лист/плиту из углеродистой стали сегодня!
Выбор по материалам, формам и сплавамРавноугольный
Угол-Неравный
Пруток – Шестигранник
Бар – Прямоугольник
Бар – Раунд
Бар – Квадрат
Бар – Т-образный профиль
Канал
Двутавровая балка
Протобокс
Пакет образцов
Лист и плита
Лист – Расширенный
Лист – перфорированный
Лист – Текстурированный
Лист – ступенчатая пластина
Резьбовой стержень
Трубка – Прямоугольник
Трубка – Прямоугольный радиус с углом
Трубка круглая
Трубка квадратная
Трубка – квадратный радиусный угол
Равноугольный
Угол-Неравный
Бар – Шестигранник
Бар – Прямоугольник
Пруток – Круглый
Бар – Квадрат
Бар – Т-образный
Канал
Фольга
Двутавровая балка
Труба
Протобокс
Набор образцов
Лист и плита
Лист – Расширенный
Лист – перфорированный
Лист – Текстурированный
9Лист 0002 — ступенчатая пластинаЛента
Резьбовой стержень
Трубка – Прямоугольник
Трубка – Прямоугольный радиусный угол
Трубка круглая
Трубка квадратная
Труба – Угол квадратного радиуса
Часто задаваемые вопросы – Алюминий
Алюминий, также называемый алюминием, является одним из самых распространенных и популярных металлов на планете.
Хотя его легко найти, важно, как вы выбираете, где купить алюминий. Online Metals предлагает различные формы и сплавы, доступные в полном размере и с нестандартной длиной резки. Ознакомьтесь с нашим Руководством по продуктам, чтобы получить информацию о наших запасах алюминия и о том, как лучше всего использовать каждый доступный сплав.
Почему вам следует использовать алюминий?
Алюминий имеет отличное соотношение прочности и веса, а также очень устойчив к коррозии. Его многочисленные сплавы делают его универсальным материалом, используемым в бесчисленных производственных процессах.
Какой алюминиевый сплав наиболее распространен?
Ответ зависит от приложения. Для алюминия общего назначения 3003 был бы лучшим выбором из-за его коррозионной стойкости и обрабатываемости. 6061 – это обычный прочный конструкционный алюминий, используемый из-за соотношения прочности и веса и его способности экструдировать в различные формы.
Ржавеет ли алюминий?
Мы часто считаем алюминий устойчивым к коррозии материалом, и хотя это правда, коррозия алюминия делает его таким устойчивым к коррозии.
Когда алюминий подвергается коррозии, он создает внешний слой оксида алюминия, твердое коррозионностойкое покрытие. В отличие от оксида железа (ржавчины), это покрытие защищает материал от дальнейшего разрушения. Оксид алюминия очень похож на алюминий, поэтому его труднее обнаружить, чем коррозию на других материалах.
Можно ли сваривать алюминий и какой процесс используется для сварки алюминия?
Алюминий поддается сварке, однако есть сплавы, сварка которых не рекомендуется, в том числе высокопрочные аэрокосмические сплавы, такие как 2024 и 7075. Наиболее распространенные сплавы: 1100, 3003, 6061 и 5052. Методы ТИГ. Для начинающих рекомендуется сварка алюминия TIG.
Можно ли термически обрабатывать алюминий?
Более прочные сплавы, используемые в аэрокосмической отрасли, такие как 2024, 6061 и 7075, можно упрочнить с помощью процессов термообработки. Сплавы более общего назначения, такие как 1100, 3003, 5052 и 5086, упрочняются только с использованием процессов холодной обработки давлением или деформационного упрочнения.
Примеры этих процессов холодной обработки включают прокатку, растяжение и протяжку через штампы.
Является ли алюминий магнитным?
В нормальных условиях алюминий не магнитится из-за своей кристаллической структуры
Какой алюминий является лучшим проводником тепла и электричества?
Лучшим сплавом для проведения тепла и электричества является алюминиевый сплав 1100 или другие алюминиевые сплавы серии 1000, поскольку они очень чистые и практически не содержат легирующих элементов. Другие алюминиевые сплавы имеют подходящую проводимость, например, сплав 3003, который используется для синхронизации тепла. 6101 является хорошим проводником и предпочтительнее 1100 из-за его способности экструдироваться в формы и использоваться для изготовления шин и других коммерческих применений.
Одинаковые ли температуры T6, T651 и T6511?
Эти три сплава подвергаются термообработке на твердый раствор и искусственному старению, что повышает прочность материала.
В зависимости от формы и метода производства к материалу может быть применен дополнительный процесс. Для листового и пруткового проката меньшего размера, которые не будут подвергаться тяжелой механической обработке, дополнительный процесс не применяется, поэтому используется просто состояние Т6.
Отпуск T651 имеет дополнительный процесс снятия напряжений и используется для проката прутков и листов, что предотвращает коробление при механической обработке. Для прессованных стержней и стержней применяется отпуск T6511. Этот отпуск также снимает напряжение, но применяемый процесс выпрямления гарантирует, что стержень будет максимально прямым после экструзии.
Можно ли согнуть алюминий 6061 T6?
Да, если все сделано правильно. Известно, что закалка T6 не может легко сгибаться без образования трещин, поэтому лучше всего закаливать материал после формовки. Если это невозможно, есть несколько шагов, которые помогут вам согнуть этот материал.
- Нагрев материала
- Сохраняйте радиус изгиба большим по сравнению с толщиной материала
- Изгиб перпендикулярно волокнам материала, а не параллельно волокнам
Aluminum Tread Plate: 6061 vs 3003
Read More
2024 Aluminum
Read More
3003 Aluminum
Read More
5052 Aluminum
Read More
6061 Aluminum
Read More
7075 Aluminum
Подробнее
Как гендерное разнообразие среди учителей влияет на обучение учащихся
Наша продолжающаяся серия статей о разнообразии учителей до сих пор была сосредоточена на недопредставленности расовых и этнических групп среди государственных учителей в Америке.
Насколько мы можем судить, отсутствие разнообразия учителей связано с целым рядом негативных последствий для учащихся из числа меньшинств.
Эти результаты поднимают еще один важный вопрос: если мы беспокоимся о расовой/этнической недостаточности среди учителей, должны ли мы также заботиться о гендерной недостаточности? Разница в гендерном представительстве — 75 % учителей-женщин в студенческом контингенте, равномерно разделенном по половому признаку, — почти так же велика, как разрыв в расовой и этнической принадлежности (примерно 80 % белых учителей в студенческом контингенте, который примерно на 50 % состоит из белых). Может ли пол учителя способствовать растущему разрыву в пользу женщин при выпуске колледжей?
В этом посте мы рассмотрим данные о гендерных различиях и обсудим три способа проявления гендерного несоответствия между учителями и учениками в классах K-12. Наш вывод: неясно, вызывает ли тревогу большое количество женщин среди учителей в большинстве случаев — может быть даже больше учителей-женщин предпочтительнее на уроках математики и естественных наук.
Ориентация на цветных учителей-мужчин — единственное место, где может быть достаточно веское обоснование, чтобы оправдать привлечение большего числа мужчин в эту профессию, хотя неясно, что одних только усилий по набору будет достаточно, чтобы что-то изменить. Следовательно, мы утверждаем, что поощрение гендерного разнообразия в рабочей силе не гарантирует того же приоритета, что и расовое и этническое разнообразие.
Мальчики отстают?
Повышение статуса женщин в промышленно развитых странах мира за последние десятилетия не вызывает сомнений. Между тем, контрнарратив сетует на снижение статуса мужчин по сравнению с женщинами, порицая то, что подавляющее большинство женских учителей K-12 создает условия для «войны против мальчиков». Эта история существует уже почти два десятилетия, привлекая внимание некоторых родителей, и немного возродилась в новую эру Трампа и гендерной политики.
Проще говоря, эта идея утверждает, что преподавательский состав, в котором доминируют женщины, навязывает всем учащимся нормы обучения и поведения, которые соответствуют уровню развития девочек, но неявно ставят в невыгодное положение мальчиков.
По сути, это параллельный аргумент о том, как этническое и расовое несоответствие между учениками и учителями может подорвать образовательные достижения цветных учеников из-за скрытой предвзятости.
Тем не менее, мы должны четко понимать, что любой анализ различий в гендерных достижениях по своей сути отличается от анализа расовых/этнических различий в достижениях. Ключевое отличие заключается в том, что девочки и мальчики примерно поровну распределены по разным типам школ и сообществ, чего нельзя сказать о расовых и этнических меньшинствах. Следовательно, любые возможности для дифференциации по признаку пола должны проявляться тонкими способами, не зависящими от разных географических или физических условий, что часто является основной причиной расового / этнического неравенства.
Помимо этой теоретической разницы, когда мы смотрим на цифры, мальчики на самом деле уступают девочкам в США? Хотя аргумент о том, что женщины превосходят мужчин по успеваемости, кажется убедительным, если посмотреть на некоторые результаты — в частности, на количество выпускников колледжей — мы не видим доказательств, которые были бы столь же убедительны в отношении других результатов образования.
Возьмем, к примеру, недавние результаты Национальной оценки образовательного прогресса (NAEP), согласно которым мальчики немного опережают девочек по математике как в 4, так и в -й и 8-й -й марок. Мальчики по-прежнему отстают в чтении, но они действительно предприняли шаги к сокращению отставания в успеваемости по сравнению с серединой 1990-х годов в обоих классах.
Если объединить результаты NAEP по чтению и математике по классам и отследить их во времени, как показано на рисунке ниже, девочки действительно имеют преимущество с небольшим отрывом, который немного сократился с 2003 года. Успеваемость обоих полов в начальной и начальной школе средние классы фактически увеличиваются с течением времени, в то время как доля учителей-мужчин в рабочей силе снизилась примерно на 2 процентных пункта (см. столбцы на рисунке ниже).
Фактически, учительская профессия медленно становилась все более женской в течение нескольких десятилетий. Согласно самым последним данным, женщины составляли 76,3% рабочей силы по сравнению с 70,5% 30 лет назад.
Хотя это процентное изменение может показаться тривиальным, это большие цифры: сегодня нам потребуется почти на 200 000 учителей-мужчин, чтобы вернуться к гендерному балансу рабочей силы, который был в 1988 году.
в детском саду по сравнению с известными расовыми/этническими различиями. Эти разрывы также меняются по мере того, как дети учатся в классе, без постоянного преимущества какого-либо пола; например, мальчики, как правило, лучше успевают девочек по математике в начальных классах, в то время как девочки постоянно превосходят мальчиков по чтению. Кроме того, гендерные разрывы в математике чувствительны к социально-экономическим условиям, а пробелы в чтении — нет.
Также стоит отметить, что гендерные различия в показателях преобладают во всем мире. Мальчики в Соединенных Штатах на самом деле показывают более высокие результаты по сравнению со своими сверстницами по сравнению с другими странами. Хотя на эти оценки влияет гораздо больше факторов, чем доля учителей-мужчин в рабочей силе, модель наблюдаемых результатов, согласно которой мальчики все еще чувствуют себя хорошо, поскольку рабочая сила становится более женской, противоречит гипотезе «войны против мальчиков».
Более того, данные, основанные на исследованиях классов с учителями-мужчинами по сравнению с учителями-женщинами, показали смешанные результаты в отношении того, влияет ли пол учителя на обучение учащихся. Во всяком случае, ожидания учителей (по крайней мере, в математике), по-видимому, отдают предпочтение мальчикам перед девочками, когда учителя систематически недооценивают способности девочек, если только они не демонстрируют усердную работу. У учителей-женщин также самые лучшие отношения со всеми учениками, независимо от пола. Следовательно, неясно, может ли поощрение большего гендерного разнообразия среди всех учителей улучшить успеваемость мальчиков в школе.
Должны ли мы на самом деле нанимать больше женщин-преподавателей по предметам STEM?
Как мы упоминали выше, единственный образовательный результат, по которому женщины имеют явное преимущество перед мужчинами, — это посещаемость и окончание колледжа. Тем не менее, неясно, является ли это результатом непропорционально большого числа женщин-сотрудников К-12, высадивших их там.
Скорее, кажется, что женщины должны преуспеть в школе, чтобы иметь приличный шанс заработать в среднем классе, где многие мужчины могут получать равную заработную плату с меньшим количеством лет в высшем образовании.
Имеющиеся данные свидетельствуют о том, что большая часть причин, по которым женщины остаются в высшем образовании дольше, чем мужчины, вероятно, связана с более высокой отдачей от образования, которое получают женщины, примерно вдвое больше, чем мужчины. Кроме того, несмотря на большее число выпускников-женщин, женщины, поступающие в колледжи, обычно специализируются в относительно низкооплачиваемых областях, таких как социальная работа и образование. Следовательно, по этой и другим причинам (таким как воспитание детей и дискриминация) гендерный разрыв в оплате труда и благосостоянии, который возникает после окончания колледжа, по-прежнему в подавляющем большинстве случаев благоприятствует мужчинам.
Глядя через эту призму, когда мальчики в конечном итоге побеждают в рабочей силе, несмотря на отставание в классе, разумно подвергнуть сомнению идею разработки стратегии K-12, которая может в конечном итоге усилить это неравенство в долгосрочной перспективе.
На самом деле в помощи действительно нуждаются девушки, а области STEM — это область, которая, по-видимому, обладает наибольшим влиянием на изменение этих тенденций в рабочей силе.
В течение достаточно долгого времени мы знали о связи между женщинами-профессорами по предметам STEM и женщинами-студентками, являющимися образцом для подражания. Наилучшие имеющиеся доказательства показывают, что это причинно-следственная связь, которая приводит к более высоким оценкам и настойчивости для женщин-студенток. Может ли это быть верно и для К-12? Несколько исследований, проведенных в последние годы, предполагают, что ответ положительный, но не нашли доказательств того, что учителя-женщины вредят интересу мальчиков к изучению областей STEM. Другими словами, увеличение числа женщин, возглавляющих классы K-12 по математике и естественным наукам, на самом деле может быть предпочтительной стратегией для обеспечения большего гендерного равенства в результатах труда.
Согласно последним данным Национального опроса учителей и директоров (NTPS) за 2015–2016 годы, среди учителей математики и естественных наук уже 65 и 62 процента женщин, соответственно.
Интересно, что эти цифры не одинаковы по всей стране. Скорее, как показано на карте ниже, во многих южных штатах относительно высока доля женщин-преподавателей математики и естественных наук, в то время как в штате Вашингтон, ориентированном на технологии, их немного. (На карте используются данные школьного и кадрового опроса для расчета процента женщин-преподавателей математики и естественных наук, поскольку NTPS не является репрезентативным на уровне штатов; кроме того, не учитываются штаты с менее чем 30 респондентами опроса.) Эти результаты предполагают некоторые географические районы могут выиграть от увеличения числа женщин-преподавателей по предметам STEM.
Мальчики из бедных семей и меньшинств, оставшиеся позади
Возвращаясь еще раз к разрыву между мальчиками и девочками в результатах тестов, демографическая группа, которая действительно страдает от явного гендерного неблагополучия, — это мальчики, выросшие в семьях с низким социальным статусом.
-экономический статус. Данные из 1 миллиона записей о рождении и студенческих записях во Флориде свидетельствуют о том, что воспитание в неблагоприятных условиях (включая непропорционально большую долю групп расовых / этнических меньшинств) особенно плохо сказывается на мальчиках — гораздо больше, чем на девочках. Эти обстоятельства особенно отталкивают чернокожих мальчиков. Этот вывод согласуется с недавними данными проекта «Равенство возможностей», который обнаружил, что черные мальчики значительно отстают от белых мальчиков по вероятности восходящей социальной мобильности и по ряду других параметров, в то время как между белыми и черными девочками почти нет разрыва.
Среди учителей растет число политиков и практиков, стремящихся нанять в профессию больше учителей-мужчин из числа меньшинств, полагая, что это окажет критическую поддержку учащимся из группы высокого риска. Хотя нам неизвестны какие-либо эмпирические доказательства того, что цветной учитель мужского пола из по-разному влияет на учеников (помимо того, что уже задокументировано в силу расового совпадения), есть некоторые наводящие на размышления доказательства того, что они, вероятно, могли бы помочь.
Результаты проекта «Равенство возможностей» указывают на то, что отсутствие фигуры отца является вероятным фактором низкой социальной мобильности, и цветные учителя-мужчины, возможно, могут помочь выполнить эту роль в социально-экономически неблагополучных сообществах. Кроме того, многие заинтересованные стороны согласны с тем, что учителя могут служить образцами для подражания и культурными мостами для цветных учащихся, даже способствуя чувству принадлежности к академической сфере. Таким образом, поощрение найма цветных учителей-мужчин может представлять собой один из способов удовлетворения потребностей студентов-мужчин из числа меньшинств.
Цветные мужчины явно недопредставлены среди учителей. Чернокожие учителя-мужчины и латиноамериканские учителя-мужчины составляют примерно по 2 процента всей рабочей силы K-12 в целом. Тем не менее, наш анализ данных опроса американского сообщества показывает, что убеждение студентов мужского пола из числа меньшинств поступать на преподавательскую работу не является причиной их недостаточной представленности.
На самом деле примерно равные доли белых, чернокожих и латиноамериканских мужчин-выпускников колледжей сообщают, что работают учителями в государственных школах (см. темно-синие столбцы на рисунке ниже).
Сравните это с образцами среди женщин (светло-голубые полосы). В целом мы видим, что все женщины с высшим образованием, независимо от расы/этнической принадлежности, чаще, чем их коллеги-мужчины, начинают преподавать. Тем не менее, белые женщины гораздо чаще становятся учителями, чем женщины с высшим образованием из других расовых/этнических групп.
Это говорит о том, что основной причиной низкого представительства цветных учителей-мужчин является низкая посещаемость колледжей и окончание колледжей среди мужчин из числа меньшинств в целом, а не неспособность убедить членов этих групп предпочесть преподавание другим профессиям.
Должны ли мы уделять больше внимания гендерному балансу среди учителей?
К этому моменту обсуждения должно быть ясно, что отношения между гендером ученика и учителя сложны и развиваются иначе, чем отношения, основанные на расовых и этнических характеристиках.
После рассмотрения всех данных неясно, что мальчики в целом систематически находятся в невыгодном положении из-за того, что среди учителей преобладают женщины.
Несмотря на возрождение повествования о войне с мальчиками, нет никаких причин думать, что преподавательский состав, в котором доминируют женщины, является проблемой. Любые усилия, направленные на преподавательский состав, связанный с гендерной принадлежностью, могут вместо этого сосредоточить свои усилия более продуктивно, возможно, за счет увеличения доли учителей STEM-женщин и учителей-мужчин из числа меньшинств. Однако мы спешим отметить, что данные о том, улучшат ли эти стратегии результаты учащихся, довольно скудны. Учитывая негативные последствия отсутствия расового разнообразия среди учителей, которые мы обсуждали в этой серии статей (и силу доказательств, подтверждающих это), мы рекомендуем уделять первоочередное внимание устранению этих пробелов, а не разрыву гендерного представительства.
Максимилиано Ромбадо и Бетани Киркпатрик внесли свой вклад в этот пост.
Подтяжка лица – клиника Майо
Обзор
Техника подтяжки лица
Техника подтяжки лица
изменены контуры. Разрезы могут быть сделаны по линии роста волос, начиная с висков, вниз и вокруг передней части ушей и заканчивая за ушами в нижней части головы.
Подтяжка лица — косметическая хирургическая процедура, направленная на придание лицу более молодого вида. Процедура может уменьшить дряблость кожи. Это также может помочь разгладить складки кожи на щеках и подбородке. Подтяжку лица также называют ритидэктомией.
Во время подтяжки лица лоскуты кожи с каждой стороны лица оттягиваются назад. Ткани под кожей изменяются, а лишняя кожа удаляется. Это придает лицу более молодой вид.
Подтяжка шеи часто проводится как часть подтяжки лица. Уменьшает жирность и дряблость кожи на шее.
Подтяжка лица не устраняет повреждения, вызванные воздействием солнца, такие как тонкие линии и морщины.
Другие косметические процедуры могут повлиять на внешний вид или качество самой кожи.
Товары и услуги
- Ассортимент товаров для здоровья в магазине клиники Мэйо
- Книга: Книга семейного здоровья клиники Мэйо, 5-е издание
- Информационный бюллетень: Письмо о здоровье клиники Мэйо — цифровое издание
Почему это сделано
Внешний вид и 9000 форма лица меняется с возрастом. Кожа становится более дряблой и не так легко стягивается. Жировые отложения уменьшаются на одних участках лица и увеличиваются на других.Подтяжка лица может устранить следующие возрастные изменения:
- Обвисание щек
- Избыток кожи на нижней челюсти
- Глубокие кожные складки от боков носа до угла рта
- Провисание кожи и избыток жира в области шеи (если процедура включает подтяжку шеи)
Подтяжка лица — это не лечение мелких морщин, повреждений от солнца, складок вокруг носа и верхней губы или неравномерного цвета кожи.
Записаться на прием в клинику Мэйо
Риски
Операция по подтяжке лица может вызвать осложнения. Некоторыми можно управлять с помощью соответствующего ухода, лекарств или другой операции. Долгосрочные или постоянные осложнения встречаются редко, но могут вызывать изменения внешнего вида. К рискам относятся:
- Гематома. Скопление крови (гематома) под кожей является наиболее частым осложнением подтяжки лица. Гематома вызывает отек и давление. Обычно он формируется в течение 24 часов после операции. При образовании гематомы оперативное хирургическое лечение помогает предотвратить повреждение кожи и других тканей.
Рубцы. Шрамы после подтяжки лица остаются навсегда. Однако они обычно скрыты линией роста волос и естественными контурами лица и ушей. В редких случаях разрезы могут привести к образованию шрамов.
Инъекции кортикостероидов или другие методы лечения могут использоваться для улучшения внешнего вида рубцов.

- Повреждение нерва. Повреждение нервов встречается редко. Травма может повлиять на нервы, которые контролируют ощущения или мышцы. Этот эффект может быть временным или постоянным. Временная потеря чувствительности или невозможность пошевелить мышцей лица может длиться от нескольких месяцев до года. Это может привести к неравномерному внешнему виду или выражению лица. Хирургия может предложить некоторое улучшение.
- Выпадение волос. Возможна временная или постоянная потеря волос в местах надрезов. Постоянную потерю волос можно решить с помощью операции по пересадке кожи с волосяными фолликулами.
- Потеря кожи. В редких случаях подтяжка лица может нарушить кровоснабжение тканей лица. Это может привести к потере кожи. Потеря кожи лечится с помощью лекарств и соответствующего ухода за раной. При необходимости процедура может уменьшить рубцы.
Как и при любом другом серьезном хирургическом вмешательстве, подтяжка лица сопряжена с риском кровотечения или инфицирования.
Также существует риск реакции на анестезию. Определенные медицинские условия или образ жизни также могут увеличить риск осложнений.
Следующие факторы могут представлять риск осложнений или привести к неблагоприятным результатам. Ваш хирург может посоветовать не делать подтяжку лица в следующих случаях:
- Препараты для разжижения крови или добавки. Прием лекарств или добавок, разжижающих кровь, может повлиять на способность крови к свертыванию. Они могут увеличить риск гематом после операции. Эти лекарства включают разжижители крови, аспирин, нестероидные противовоспалительные препараты (НПВП), женьшень, гинкго билоба, рыбий жир и другие.
- Медицинские состояния. Если у вас есть заболевание, препятствующее свертыванию крови, вы не сможете сделать подтяжку лица. Другие состояния могут увеличить риск плохого заживления ран, гематом или сердечных осложнений. К ним относятся плохо контролируемый диабет и высокое кровяное давление.

- Курение. Курение увеличивает риск плохого заживления ран, гематом и потери кожи после подтяжки лица.
- Изменения веса. Если у вас в анамнезе неоднократное увеличение и потеря веса, вы можете быть недовольны долгосрочным результатом операции. Изменения веса влияют на форму лица и состояние кожи.
Как вы готовитесь
Сначала вы поговорите с пластическим хирургом о подтяжке лица. Визит, скорее всего, будет включать:
История болезни и осмотр. Подготовьтесь ответить на вопросы о прошлых и текущих заболеваниях. Также обсудите предыдущие операции, в том числе предыдущие пластические операции. Обязательно обратите внимание на любые осложнения от предыдущих операций. Также сообщите пластическому хирургу, если у вас есть история курения, употребления наркотиков или алкоголя.
Ваш хирург проведет медицинский осмотр. Хирург также может запросить записи у вашего поставщика медицинских услуг.
Если есть опасения по поводу вашей способности сделать операцию, вас могут попросить встретиться со специалистом.- Обзор лекарств. Укажите названия и дозы всех лекарств, которые вы регулярно принимаете. Включите отпускаемые по рецепту и без рецепта лекарства, растительные препараты, витамины и другие пищевые добавки.
- Осмотр лица. Ваш пластический хирург сделает фотографии вашего лица с разных ракурсов и сделает крупные планы некоторых черт лица. Хирург также проверит вашу костную структуру, форму лица, распределение жира и качество вашей кожи. Экзамен поможет определить наилучшие варианты операции по подтяжке лица.
- Ожидания. Ваш хирург задаст вопросы о том, что вы ожидаете от подтяжки лица. Хирург объяснит, как подтяжка лица может изменить ваш внешний вид. Вы также узнаете, чего не решает подтяжка лица. Подтяжка лица не затрагивает мелкие морщины или дисбаланс формы лица.
Перед подтяжкой лица:
- Следуйте указаниям по применению лекарств.
Вы получите инструкции о лекарствах, которые следует прекратить принимать перед операцией, и о том, когда их следует прекратить. Например, вас, скорее всего, попросят прекратить принимать лекарства или добавки, разжижающие кровь, по крайней мере за две недели до операции. Спросите, какие лекарства безопасно принимать или следует ли скорректировать дозировку. - Вымойте лицо и волосы. Утром в день операции вас, скорее всего, попросят вымыть голову и лицо бактерицидным мылом.
- Не ешьте. Вас попросят не есть ничего после полуночи в ночь перед подтяжкой лица. Вы сможете пить воду и принимать лекарства, одобренные вашим хирургом.
- Организовать помощь во время восстановления. Если подтяжка лица проводится амбулаторно, позаботьтесь о том, чтобы кто-нибудь отвез вас домой после операции. Вам также понадобится помощь в первую ночь после операции.
Чего ожидать
Подтяжку лица можно сделать в больнице или в амбулаторном хирургическом отделении.
Перед процедурой
Иногда процедура проводится с седацией и местной анестезией, при которой онемеет только часть тела. В других случаях рекомендуется общая анестезия, которая погружает вас в состояние, похожее на сон.
Во время процедуры
Как правило, подтяжка лица заключается в поднятии кожи и подтяжке тканей и мышц. Жир на лице и шее можно скульптурировать, удалять или перемещать. Затем кожа лица повторно накладывается на вновь измененные контуры лица. Излишки кожи удаляются, а рана зашивается или закрывается лейкопластырем.
Разрезы для процедуры зависят от используемых методов и предпочтений пациента. Возможные варианты:
- Традиционный разрез для подтяжки лица начинается у висков по линии роста волос. Он продолжается вниз и вокруг передней части ушей. Он заканчивается за ушами в нижней части головы. Разрез может быть сделан под подбородком, чтобы улучшить внешний вид шеи.
- Ограниченный разрез короче и начинается по линии роста волос прямо над ухом.
Он обвивает переднюю часть уха, но не доходит до нижней части головы. - Разрез для подтяжки шеи начинается перед мочкой уха. Он продолжается вокруг уха в нижнюю часть головы. Также делается небольшой разрез под подбородком.
Подтяжка лица обычно занимает от 3 до 6 часов. Но это может занять больше времени, если другие косметические процедуры выполняются одновременно.
После процедуры
После подтяжки лица вы можете испытывать:
- Легкую или умеренную боль
- Дренаж из разрезов
- Отек
- Синяк
- Онемение
Немедленно обратитесь к врачу, если у вас есть:
- Сильная боль на одной стороне лица или шеи в течение 24 часов после операции
- Боль в груди
- Нерегулярное сердцебиение
Разрезы, скорее всего, будут забинтованы. Бинты обеспечивают мягкое давление, чтобы минимизировать отеки и синяки.
Под кожу за одним или обоими ушами может быть помещена небольшая трубка для оттока лишней крови или жидкости.
В первые дни после операции:
- Отдых с приподнятой головой
- Принимайте обезболивающие в соответствии с рекомендациями врача
- Прикладывайте к лицу прохладные компрессы, чтобы облегчить боль и уменьшить отек
Последующие приемы
В течение следующих двух месяцев после операции вам будет назначено несколько контрольных приемов. Они будут включать следующее:
- На следующий день после операции хирург, скорее всего, удалит дренажную трубку. Хирург также, скорее всего, нанесет на разрезы мазь с антибиотиком и наложит новые повязки на лицо.
- Через два-три дня после подтяжки лица вы сможете перейти от ношения повязок к ношению эластичной лицевой повязки.
- Примерно через неделю после операции ваш лечащий врач снимет швы и осмотрит рану.
- Более поздние визиты, скорее всего, будут запланированы для наблюдения за вашим прогрессом.

Самопомощь
Самопомощь дома в течение первых трех недель поможет вашему выздоровлению и снизит риск осложнений:
- Следуйте инструкциям хирурга по уходу за раной.
- Не ковыряйте струпья, покрывающие рану.
- Следуйте инструкциям о том, когда вы можете начать использовать шампунь и мыло и какие виды использовать.
- Носите одежду с застежкой спереди. Избегайте одежды, которая натягивается через голову.
- Избегайте чрезмерного давления или движений на разрезах и вокруг них.
- Не пользуйтесь косметикой.
- Избегайте энергичной или аэробной активности или занятий спортом.
- Избегайте прямого воздействия солнечных лучей на разрез в течение трех недель. После этого используйте солнцезащитный крем SPF 30 или выше.
- Избегайте окрашивания, обесцвечивания или химической завивки волос в течение как минимум шести недель.


0
3
0
32
0
26
94
3
69
0
74
8
0
42
82
9
69
1
Производят горячекатаные уголки методом горячего проката из стальной квадратной заготовки (квадрат). Как следует из названия, такие уголки имеют полки различной ширины.
Плотность стали принята 7,85г/см3. Отклонения фактического веса метра погонного от расчетных значений в соответствии с ГОСТ не должны превышать 3%, однако допуски по толщине, ширине и длине профиля в сумме допускают отклонения до 5%.
Иногда, по согласованию производителя и потребителя, производят уголки немерной ограниченной длины. В этом случае длина уголков не должна превышать согласованного максимального значения.


7
5
30
5
30
00
5
70
70
00
30
5
8
24
30
70
1
6
8
7
4
2
9
7
3
3
3
5
5