Споттер схема: Страница не найдена – HouseChief — online-издание для современных мастеров
alexxlab | 14.06.2021 | 0 | Разное
Споттер своими руками – электросхема и видео руководство
Главным предназначением споттера является точечная сварка, основанная на принципе сопротивления. Существуют две разновидности споттера:
- Инверторный;
- Трансформаторный.
На сегодняшний день без споттера очень сложно представить какой-либо промышленный цех. О том, как изготовить споттер своими руками, мы и поговорим в данной статье, но сначала рассмотрим принцип его работы.
Принцип работы споттера
Как было сказано ранее, принцип работы споттера основан на сопротивлении. Данный инструмент используется для того, чтобы выпрямлять большие детали кузова, в которых были установлены некоторые ограничения по доступу, ввиду конструктивных особенностей или ряда других причин. Но как это работает?
При помощи сварочного пистолета специальный липнущий элемент крепится к поврежденной области. Затем берем деталь голыми руками и выпрямляем ее.
Видео урок по сборке споттера
Делаем споттер своими руками
Честно говоря, сделать споттер не так уж сложно, главное, чтобы было желание и базовые знания в области электрики. Итак, наше устройство будет состоять из двух разных частей:
- Силовой сварочный трансформатор, именуемый Т2.
- Электронное реле, установленное на тиристор V9.
Также будет и небольшой вспомогательный трансформатор, именуемый Т1, который будет заниматься питанием сети системы управления.
Этап первый: как будет осуществляться рабочий процесс.
Этот процесс будет происходить примерно так: когда контакты S1 замыкаются, напряжение в 220В перейдет к обмотке вспомогательного трансформатора.
Этап второй.
В трансформаторе Т1 образуется импульс большой силы. Приблизительная длительность каждого такого импульса будет составлять 0.1 секунды. Стоит отметить, что за это время сила тока, проходящего через вторичную обмотку, может достигать 300-500А. Но вернемся к нашему устройству. Когда цикл заканчивается, оно будет автоматически возвращаться в исходное положение, ведь конденсаторный разряд закончится. Для того чтобы подобрать себе максимально подходящий режим, следует использовать резистор R1.
Этап третий: выбираем детали.
Касательно тиристора, то модель ПТЛ-50 очень сложно будет найти.
Скорее всего, вам это не удастся, поэтому можно выбрать и любую другую модель, которая рассчитана на напряжение двести вольт.
Теперь несколько слов о трансформаторе Т1. В принципе, здесь тоже можно подобрать любую модель. Главное при этом, чтобы напряжение вторичной обмотки было 12В. Силовому трансформатору необходимо уделять особое внимание, так как его придется изготавливать самостоятельно. Для его магнитовода нужно использовать пластины класса Ш40, имеющие толщину 10 см.
Этап четвертый: обмотка.
Первичная обмотка трансформатора Т2 состоит из двухсот витков (провод сечением 2,5 мм2). Вторичная обмотка, соответственно, имеет семь витков (используется провод сечением 50 мм 2 , при этом важно, чтобы провод был в изоляции).
При сооружении трансформатора необходимо знать, что безопасность работы устройства, будет зависеть от качества изоляции. Именно поэтому первичную и вторичную обмотки трансформатора необходимо изолировать между собой (можно использовать несколько слоев бумаги, обработанной парафином).
Необходимые детали при сборке споттера
Собственно, споттер будет состоять из 2 разных частей:
- Сварочный пистолет;
- Силовой блок.
Эти два элемента соединяются между собой с помощью гибкого кабеля. Для силового блока нужно сделать кожух (можно использовать для этого уголок на 2.5 см), а также следует обшить его тонким листом стали.
Для сварочного пистолета используется деталь от обычного полуавтомата, но в нее необходимо будет вмонтировать латунную ось с резьбой класса М10, благодаря которой устройство будет крепиться к приспособлению для рихтовки. Только после этого будет цепляться сварочный кабель.
Стоит отметить, что на другом конце этого кабеля должен находиться специальный силовой разъем, посредством которого и будет осуществляться крепление. Передвижной механизм необходимо сделать из латуни. Что касается клещей, то их можно сделать из трубы размером 20 на 20. Когда же к упорной шайбе уже будет прикреплена пара шпилек, то с обратной стороны можно будет крепить резиновую прокладку.
Теперь, когда со сборкой споттера мы более-менее разобрались, давайте поговорим немного о его преимуществах.
Преимущества.
Главным преимуществом споттера, выгодно отличающим его от любой другой сварки, является то, что у него нет сварочных клещей. Нужен только крепежный элемент, в роли которого может выступать все что угодно — от шпильки до обычной гайки. При этом главной изюминкой считается то, что поверхность в области контакта нагревается до температуры, которая буквально несколько градусов не дотягивает до температуры плавления. Это позволяет крайне прочно закрепить крепежный элемент к детали.
[Всего: Средний: /5]Сборка споттера собственными руками | электрическая схема, методы работы
Еще совсем недавно все авторемонтные мастерские, занимавшиеся кузовным ремонтом буквально на части рвали профессиональных рихтовщиков. Высокий профессионал своего дела тщательно оберегал свои профессиональные секреты, выполнял работы зачастую в отдельном помещении в стороне от посторонних глаз.
За годы работы он накапливал огромное количество различных приспособлений, позволяющих выдавить изнутри любые дефекты кузова, расположенные в самых потаенных и сложных местах. И вот чей-то пытливый ум наблюдая, возможно, за залипанием сварочного электрода при работе на недостаточно высоком токе, решил использовать это явление в благих целях и на свет появился такой прибор, как споттер.
В связи с высокой ценой промышленных аналогов этого аппарата, достигающей порой астрономических сумм в несколько десятков и даже сотни евро, многие современные умельцы были бы не против изготовить споттер с минимальными затратами времени и финансов своими руками. Наша статья поможет им в этом.
Методы работы споттером
В отличие от методов, применявшихся до появления данного приспособления, споттер позволяет работать с вмятинами не изнутри, а снаружи. Благодаря применению тока, на 10-20% меньше того, который расплавляет металл, электрод, имеющий различную форму в зависимости от обрабатываемого дефекта, надежно прилипает к материалу кузовной детали и неровность сравнительно легко выпрямляется при использовании ударных нагрузок, прилагаемых непосредственно к этому инструменту.
В случае высокого сопротивления материала кузова автомобиля к механическому воздействию споттер позволяет применять для этих целей особенности внутренних изменений металла при его нагревании и охлаждении. Применение специального угольного электрода и тока большой силы металл разогревается до достаточно высоких температур в небольшой точечной области и затем быстро охлаждается влажной ветошью. При этом в кристаллической структуре металла происходят изменения, которые так же приводят к постепенному выпрямлению листовых металлических деталей.
Главным рабочим инструментом споттера является пистолет, к которому и крепятся приспособления различного вида и формы. Для удобства обращения непосредственно на него выведен основной орган управления импульсным разрядом электрического тока, продолжительность которого не превышает 0,1 секунды.
Кроме них в настоящее время появляются различного вида вытягивающие приспособления, не использующие ударные нагрузки.
Что же необходимо для самостоятельного изготовления подобного инструмента. Во-первых, конечно, определенные знания по электротехнике и электронике. Во-вторых, необходимые материалы и немного свободного времени.
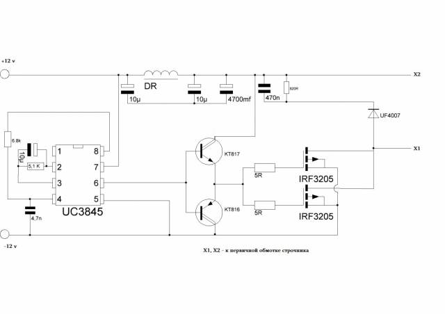
Электрическая схема споттера для изготовления своими руками
Для увеличения нажмите на картинку
На данной схеме необходимо выделить:
тиристорное электронное реле на тиристоре V9;
сварочный трансформатор Т2;
диодный мост V5 – V8, через который подключается сетевая обмотка трансформатора, и в диагональ которого подключен тиристор;
маломощный трансформатор Т1, питающий цепь управления тиристором.
Принцип работы данной схемы споттера состоит в следующем: при замыкании выключателя S1 на первичную обмотку слабого трансформатора Т1 поступает напряжение 220 вольт из бытовой электросети. Переключатель S3 подключает конденсатор С1 к выпрямительному мосту V1 – V4, что ведет к зарядке конденсатора. Нажимая на кнопочный выключатель S3, подключаем предварительно заряженный конденсатор C1 через сопротивление R1 к управляющему электроду тиристора V9. При этом последний открывается и на первичную обмотку трансформатора Т2 поступает напряжение сети. Благодаря этому во вторичной обмотке возникает импульс большой мощности. Его продолжительность зависит от параметров связки С1R1. сила тока во вторичной обмотке трансформатора при этом может достигать 250-500А. в исходное положение устройство возвращается автоматически по окончании разрядки конденсатора С1.
Тиристор, используемый в схеме споттера и диодный мост V5 – V8 должны работать при напряжении сети 220 V и силе тока 50А. Трансформатор Т1 должен обеспечивать со вторичной обмотки ток в 12 V, необходимый для зарядки конденсатора С1.
Силовой трансформатор может быть изготовлен самостоятельно с применением пластин Ш40 – толщина набора 100 мм., для первичной обмотки необходимо 200 витков провода сечением 2,5 мм2. для вторичной навейте 7 витков провода сечением 50 мм2. особое внимание необходимо уделить соблюдению электробезопасности, надежно заизолировав вторичную обмотку парафинированной бумагой или лаковой тканью.
Для удобства эксплуатации необходимо изготовить корпус споттера и вывести на лицевую панель основные органы управления прибором. Кроме этого предусмотрите точки подключения заземляющего и рабочего провода. Во избежание потерь мощности не рекомендуется выполнять их длиной более двух с половиной метров. В качестве пистолета для самодельного споттера можно использовать аналогичное приспособление от сварочного полуавтомата, слегка доработав его.
Уважаемые читатели, комментируйте статью, задавайте вопросы, подписывайтесь на новые публикации – нам интересно ваше мнение 🙂
Статьи, которые Вам будут интересны:
Контроллер точечной сварки (споттера) – Изделия и проекты
Версия 3.
1
Версия для токов ХХ не превышающих 2 А !! (версия 3.2 более надежна и работает с токами хх от 0 до 20А проверено)
Версия на (крутилках) переменных резисторах – регулируется время задержки, мощность, время импульса. Кнопка переключает авто или ручной режим.
Файлы с описанием , и т.д. в вложении .
Атмега 8 только в TQFP корпусе ….. в ДИП не получится так как в дипе нет входов ADC6 и ADC7
СПОТТЕР 3.1.rar 272,1К 1878 скачиваний
Версия 3.2
Улучшеная версия 3.1 , Может измерять напряжение импульса , в схеме и разводке предусмотрен также замер тока импульса но пока не запрограммирован. (можно не делать схему измерения напряжения)
Программная настройка автостарта .
В вложении фото готового контроллера .
В видео работа контроллера и настройка автостарта. Измеритель на мк Аттини 85 можно заменить на Аттини 25 , 45.
СПОТТЕР_3.2.rar 602,07К 2796 скачиваний
Версия 2.5
Для версии 2.5.1 —-
На дисплее –
Q=…. – мощность (регулируется угол отсечки …. 10 – 100%)
t1=…. – время задержки (настраивается от 0 до 5 сек шаг 0.1сек)
t2=…. – время сварочного импульса (настраивается от 0.1 до 5 сек.)
t3=…. – время между импульсами (0.1-5 сек)
N=…. – колличество импульсов (от 1 до 5)
Температура симистора (в меню заранее вводится температура включения вентилятора и температура отключения в случае перегрева симистора)
Для выхода в меню настроек нужно нажать и удерживать кнопку “>>” (на схеме) , в меню настраивается температура включения вентилятора охлаждения , температура тепловой защиты (отключения) , время восстановления (готовность к очередному процессу после окончания предыдущего и вкл и выкл звукового сопровождения .
Также добавлена настройка автостарта – ручная и автоматическая.
При подаче питания происходит опрос на замыкание вторички силового транса – если вторичка замкнута контроллер заблокируется – для разблокировки нужно соответственно разомкнуть вторичку но если этого делать по специфическим причинам нельзя то нужно нажать и удерживать кнопку “СТАРТ” до сигнала …. далее контроллер переходит в нормальный режим работы.
Разводка блока управления для СМД, силового блока для ДИП.
В силовом блоке в качестве источника питания применен переделаный электронный трансформатор . Для подсветки дисплея применен модуль DC-DC Step_Down с регулируемым выходным напряжением.
Варианты питания могут бытьлюбые .
Два файла hex вложены – для Русскоязычной версии и Англоязычной.
СПОТТЕР 2.5.1.rar 652,68К 1886 скачиваний
СПОТТЕР_2.5.1.rar 9,82К 1190 скачиваний
СПОТТЕР_2.
5.2.rar 93,71К 1662 скачиваний
Проверочная програмка для проверки синхроимпульсов и заодно пищалки и светодиодов.
Версия 2.5 (проверочный).rar 2,62К 1019 скачиваний
Полевой ключ IRLML0060 или любой другой на соответствующий ток (куллера), можно биполярный использовать.
Прикрепленные изображения
Сообщение отредактировал alek956: 02 Декабрь 2016 12:55
Споттер из микроволновки своими руками: схема и инструкция
Контактная сварка для рихтовки кузовных деталей автомобиля стала применяться сравнительно недавно, но быстро завоевала популярность не только у профессиональных рихтовщиков, но и у обычных автолюбителей. Промышленные аппараты контактной сварки стоят недешево, поэтому домашние мастера сообразили, что можно собрать споттер из микроволновки своими руками, и самодельный аппарат будет отлично выполнять свои функции.
Cамодельный споттер из старой микроволновки – электрическая часть
Человек, привыкший мастерить, никогда не выбросит старое, пришедшее в негодность, устройство. В этом устройстве наверняка найдутся исправные узлы и детали, способные работать еще долгое время. Не исключением является и сломанная микроволновая печь. Детали, которые можно извлечь из нее, пригодятся для того, чтобы собрать самодельный споттер, и он будет работать ничуть не хуже промышленных образцов.
Чтобы изготовить споттер из деталей пришедшей в негодность СВЧ-печи, достаточно владеть основами электротехники. Нужно выбрать подходящую электрическую схему, и, в соответствии с этой схемой, приобрести на рынке или в магазинах недостающие радиодетали и другие комплектующие.
Споттер своими руками — электросхема
Трансформатор
Трансформатор – это самый важный узел любого сварочного аппарата, в том числе и споттера. В продаже они имеются в огромном количестве, но выбрать тот, который подойдет для самодельного споттера, достаточно затруднительно.
Намного проще и дешевле сделать его своими руками, взяв в качестве базового трансформатор из СВЧ-печи. Предварительно следует убедиться, что его мощности хватает для поддержания силы тока, достаточной для сварки.
Трансформатор от микроволновки для споттера
Если мощности одного трансформатора не хватает, следует взять еще один такой же. Их следует модифицировать, для чего нужно аккуратно снять вторичные обмотки. После того, как будут сняты вторичные обмотки, на освободившееся место проводом, имеющим сечение 50 мм2 или даже больше, наматываются пользовательские обмотки в два – три витка, что даст на выходе напряжение порядка трех вольт.
Оба трансформатора подключаются к сети переменного тока параллельно, при этом важно не спутать соединительные клеммы. Силы выходного тока будет вполне достаточно для контактной точечной сварки. Соединительный силовой кабель желательно покрыть специальным слоем изоляции, который может деформироваться при перегреве проводов и восстанавливаться при охлаждении.
Электрическая схема самодельного споттера
Основной трансформатор – это только часть общей электрического блока. Он обеспечивает питание устройства и необходимую мощность для сварки. Кроме трансформатора, для сборки электрической схемы и изготовления простого самодельного споттера потребуются следующие комплектующие:
- трансформатор, подающий питание на блок управления;
- тиристор ПТЛ50;
- диодные мосты – один на базе диодов Д232А, второй на базе диодов Д226Б;
- электролитический конденсатор 1000 мкФ × 25 вольт;
- переменный резистор 100 Ом;
- предохранитель 5 А;
- кнопка включения;
- кнопка переключения режимов работы.
Схема, собранная из такого минимального набора комплектующих, формирует мощный электрический импульс, выдавая его на электрод для сварки.
Сборка самодельного споттера и его инструментов
Мало подобрать необходимые блоки и узлы, чтобы самостоятельно сделать споттер из старой микроволновки.
Нужно все это тщательно собрать, сделать из россыпи деталей законченную конструкцию, которую не только было бы приятно держать в руках, но и чтобы с аппаратом было удобно работать.
Корпус самодельного споттера
Корпус для споттера своими руками
Прежде всего необходимо позаботиться о корпусе, в который будут помещены вся силовая часть и электрическая схема самодельного споттера. Можно использовать корпус старой СВЧ-печи, но можно сделать самодельный корпус. Корпус должен обеспечить надежную защиту всех элементов схемы от механических повреждений, от пыли, для него следует продумать систему вентиляции и охлаждения.
Для удобства транспортировки у него должны иметься ручки для переноски.
В нижней части корпуса устанавливается толстая (до десяти миллиметров) плата из диэлектрического материала – гетинакса, тестолита, авиационной фанеры. На этой плате монтируются все детали аппарата. Трансформаторы желательно установить по центру платы, чтобы вес аппарата был сбалансирован. Это особенно важно, если корпус самодельного аппарата будет установлен на колесики. В стенках корпуса проделываются отверстия для вывода силовых кабелей.
Держатель электродов
Держатель электродов обычно выполняют из того же материала, из которого выполнена монтажная плата в корпусе. Выпиливаются три одинаковые заготовки нужной формы. Средняя заготовка предназначена для крепления кнопки включения, кабеля, кронштейна, фиксирующего электрод. В заготовке делаются соответствующие пазы и пропилы. После этого в подготовленные места устанавливается кнопка, кронштейн, кабели, все три заготовки складываются и скрепляются винтами.
Для винтов и гаек рассверливаются отверстия, с расчетом, что головки винтов и гайки будут спрятаны в теле ручки держателя. После сборки держатель тщательно шлифуется, все острые углы скругляются. Держатель готов к работе. Опытные мастера советуют делать держатель из корпуса клеящего пистолета.
Держатель электродов для самодельного споттера
Электроды
Для изготовления электрода обычно используется медный пруток круглого сечения или бронзовая трубка, которая очень удобна для того, чтобы внутри нее были протянуты токоведущие проводники. Рабочая часть вставляется с торца, поэтому там делается паз, в который можно вставлять привариваемую шайбу. Трубку предварительно расплющить.
Споттер, сделанный своими руками, в работе
Обратный молоток
Обратный молоток (инопуллер) каждый мастер делает так, как ему удобно. Одно непременное условие для всех конструкций – прочное соединение силового кабеля с наконечником инопуллера, что должно обеспечить минимальное сопротивление в токопроводящих соединениях.
Рукоятку можно сделать в виде пистолета, шток движения ударного элемента не должен быть большой длины. Ударный элемент должен перемещаться свободно.
Пистолет споттера в сборе с обратным молотком
Органы управления самодельным споттером
Изготовить самодельный споттер из деталей микроволновки абсолютно несложно. С этим может справиться любой мастер. Но для того, чтобы споттером было комфортно пользоваться, следует позаботиться об удобных и надежных органах управления. Прежде всего это касается системы электропитания.
Споттер из микроволновки — схема подключения
Мало вывести шнур электропитания из корпуса. Постоянно включать и выключать вилку в розетку удлинителя нерационально. Прибор может быть постоянно включен в электрическую сеть.
Но для включения прибора на корпусе нужно предусмотреть выключатель и индикатор включенного питания. Можно использовать рычажный или кнопочный переключатель на два положения и световой индикатор включения. Это избавит мастера от постоянного включения и выключения сетевого шнура в розетку, и надежно будет сигнализировать о состоянии прибора.
Для подачи импульса на электрод самодельного споттера силовой кабель подключается через кнопку включения, не имеющую механизма фиксации. Кнопку можно позаимствовать от любой старой ручной дрели, болгарки или подобного инструмента. Все токоведущие части и соединения должны быть надежно заизолированы.
Достоинства самодельного споттера
Несмотря на свою простоту, самодельный аппарат обладает несомненными достоинствами и преимуществами:
- дешевизна изготовления;
- высокая производительность;
- удобство эксплуатации;
- высокое качество сварки;
- противопожарная безопасность;
- нет необходимости в спецодежде и средствах индивидуальной защиты;
- экономичность.
Самодельный споттер из микроволновки
Видео по теме: Споттер из микроволновки
Как сделать споттер из микроволновки своими руками
Spotter переводится как корректировщик, но гаражные мастера знают, что это специфический аппарат контактной сварки для кузовных работ.
Он отличается от обыкновенной точечной сварки тем, что импульс формируется за очень короткое время, и металл не успевает нагреваться. Многие умельцы освоили изготовление такого оригинального аппарата, чтобы с его помощью выравнивать вмятины на кузовах машин. Мы подробно расскажем, как можно сконструировать споттер из микроволновки, которая отработала долгое время на кухне.
Методика изготовления
Одним из самых важных узлов будущего самодельного изделия является трансформатор, который найти или приобрести уже готовым для работы чрезвычайно сложно. Поэтому многие делают споттер своими руками из микроволновки, в которой уже присутствует готовое устройство. Для надежной работы контактного сварочного аппарата берут пару трансформаторов от старых микроволновок, удаляют вторичную обмотку и наматывают новую, используя провод сечением не менее 50 кв. мм.
Электрическая схема споттера состоит из следующих составляющих:
- основной трансформатор;
- мост на диодах;
- переменный резистор;
- тиристор.

Простейшая принципиальная схема споттера показана на рисунке.
Корпус
Чтобы обеспечить безопасную работу сделанного из микроволновки своими руками аппарата для точечной сварки, нужно все его составляющие разместить в отдельном корпусе, который будет надежно защищать их от возможных механических повреждений и воздействия окружающей среды. В этих целях некоторые используют остов старой печи.
К корпусу следует прикрепить ручки — они будут очень кстати во время перемещения аппарата.
Все детали закрепляются жестко на листе диэлектрического материала, чтобы не возникало посторонних помех. Размещать их надо равномерно: массивные трансформаторы закрепляют посредине, чтобы сбалансировать вес. Некоторые умельцы прикрепляют снизу небольшие колесики, чтобы перевозить аппарат во время эксплуатации.
Корпус споттера
После закрепления всех составляющих, начинают изготовление приспособлений, без которых нормальная работа споттера невозможна:
- электрические кабели;
- пистолет, чтобы удобно закрепить электрод для сварки;
- приспособа для последующего вытягивания погнутых сегментов металлического кузова, называемая инопуллер.

Необходимые чертежи, расчеты сечения и длины кабелей, чтобы снизить потери электричества до минимума, можно найти в интернете.
Держатель, электроды
Пистолет профессионалы кузовных работ советуют сделать из гетинакса — специальный слоистый материал, использующийся для изоляции, потому что он имеет бумажную основу, которая пропитана эпоксидной или фенольной смолой. Выпиливают из листа две идентичные по габаритам заготовки, затем устанавливают кнопку для включения, кронштейн, где крепится электрод. Все это соединяется, скрепляется. Наружная поверхность шлифуется для удобства при работе.
Электрод делают из медного прута круглого сечения или трубки из бронзы, которые удобны для протягивания внутри них подводящих напряжение проводов.
С торца, где будет находиться рабочая часть, делают прорезь, куда вставляется шайба, трубку предварительно расплющивают молотком.
Иноппуллер
Чтобы изготовить обратный молоток, можно использовать обыкновенный монтажный пистолет, только необходимо сделать небольшие доработки его конструкции. Домашние мастера, решившие своими силами сделать аппарат контактной сварки из подручных средств, могут найти точную методику изготовления каждого инструмента на сайте YouTube.
Это важно
Специалисты по работе с кузовами автомобилей разных марок советуют запомнить основные моменты, прежде чем приступать к самостоятельному изготовлению споттера.
- Рукоятку чаще всего делают из стандартного клеящего пистолета.
- Соединительный кабель покрывают специфическим изоляционным слоем, который может при нагревании жил провода деформироваться.
- При изготовлении споттера конструкция его должна быть четко продумана заранее до самых мелочей.

- Точечная сварка во время эксплуатации должна работать исправно, независимо от ее габаритов и потраченных на ее изготовление средств.
Методика, как сделать споттер из подручных деталей и узлов, мало отличается, когда вы делаете его из сломанного сварочного аппарата или старой СВЧ печи — главное, проявить изобретательность и особую внимательность при работе с трансформаторами высокого напряжения.
Клеящий пистолет
Плюсы изделия
К основным достоинствам самодельного аппарата точечной сварки можно отнести такие характеристики.
- Весьма высокий уровень производительности. С его помощью можно быстро приварить в любом месте кузова специальные приспособления для последующей вытяжки вмятин на металле.
- Достаточное удобство эксплуатации. По сравнению с большими габаритами промышленных устройств для контактной сварки и их большой массой, самоделки более мобильны. При работе практически отсутствуют искры — источник пожарной опасности при проведении таких работ в гараже, где есть ГСМ и запасы топлива.
Металл остается холодным, поэтому отпадает применение защитных очков, перчаток, специальной одежды сварщика. - Высочайший уровень качества. Такая сварка практически не оставляет на металле следов в виде окалины, шлаков, которые способствуют возникновению в процессе дальнейшей эксплуатации коррозии, не портит товарный вид деталей.
- Большая экономичность. Шайбы для крепления можно использовать многократно, они не подвергаются оплавлению, таким образом, происходит экономия расходного материала.
Положительные качества самодельных аппаратов для выравнивания вмятин приводят к тому, что многие автомобилисты-любители начинают изготавливать аналогичные приспособления для самостоятельного ремонта своих авто, чтобы реально экономить семейный бюджет.
youtube.com/embed/UTCoWdJc_bA” scrolling=”yes” frameborder=”0″/>Делаем споттер из микроволновки своими руками
Рейтинг автора
Написано статей
Просмотров: 309
Опубликована: 20-7-2019
Изменена: 20-7-2019
Время на прочтение: 3 минут
У этой статьи: 0 комментариев(я)Вы заменили микроволновую печь, а что же делать со старой? Если выбросить жалко, из ненужной печки вполне реально изготовить споттер. Этот корректирующий аппарат успешно применяется для ликвидации вмятинок и лунок на поверхности автомобильного кузова с помощью контактной сварки. Чтобы создать споттер из микроволновки самостоятельно, необходимо изучить специальные материалы, чертежи и запастись нужными деталями. В итоге вы получите недорогую, исправно функционирующую модель.
Электрическая схема самодельного споттера
Схема заключает в себе следующие элементы:
- трансформатор от МВП (2 шт.), обеспечивает электропитание и регулирование прибора;
- диодные мосты;
- тиристор;
- переменный резистор.

Все элементы, введенные в схему, создают необходимые условия для формирования и передачи электроимпульса на электрод приспособления.
Изготовление трансформатора
Мастера, опытные в «самоделках», советуют «взять в дело» не менее двух трансформаторов из СВЧ-печки для гарантированного получения силы электрического тока, удовлетворяющей сварочный процесс.
Как изготовить трансформатор:
- Очень осторожно и бережно удалите вторичную обмотку, она всегда сгорает в первую очередь.
- Намотайте новую (2–2,5 витка), воспользовавшись проводом сечением не меньше, чем 50 мм.
- Как сделать сварочное устройство с помощью двух трансформаторов, показано в видео:
Как устроен споттер
Для изготавливания корпуса целесообразно применить кожух списанной микроволновки.
Перед тем как зафиксировать элементы аппарата в корпусе — равномерно распределите их на диэлектрической основе, подходящей по размеру.
Эти меры придадут устойчивости, предотвратят короткое замыкание или поражение током.
Кроме кожуха вам понадобятся:
- Электрокабели для соединения сварочного элемента с электродами.
- Ручка для фиксации электрода.
- Приспособления, выравнивающие лунки на кузове дисками: пуллер, инопуллер, обратный молоток.
Как рассчитать площадь сечения кабеля
Используя величину силы электрического потока, можно провести расчет сечения электропровода. Каждые десять ампер силы тока требуют 1 мм квадратный провода. Также имеет значение длина провода, которая должна быть наименьшей, для предотвращения утечки тока.
Мастерим пистолеты своими руками
Изготовление самодельного, но безопасного держателя требует наличия следующих запчастей:
- Специального листа-основы (например, гетинакса, текстолита) для выточки удобных для руки выкроек, по форме напоминающих пистолет.

- Кнопки выключения, включения. Часто ее делают из тумблера старой дрели, электрочайника и других сломанных электроприборов.
- Электродной опоры.
- Электрод легко изготовить, применив медный, бронзовый прутик или трубку с круглым сечением, которую соединяют с кабелем.
- На электроде с рабочей стороны сделайте выточку для приварочной шайбы.
- При использовании трубки расплющите рабочий край, после чего сделайте разрез.
При сборке самодельного инопуллера можно использовать монтажный пистолет, слегка дополнив механизм, также отлично подойдет старая ручка для сварки. Как сделать пуллер из подручных средств — смотрите пример в видеоролике:
https://www.youtube.com/watch?v=ayu39ec7NHc
Применив данную подборку советов, создать споттер своими руками не так уж и сложно. Главное — вооружиться необходимыми знаниями, инструментами и материалами. Такая модель обойдется в разы дешевле, вы можете экспериментировать с техническими характеристиками.
Но не забывайте о правилах техники безопасности, работая с электрическими устройствами.
Споттер из микроволновки своими руками и схема как сделать
В наше время трудно представить себе квартиру, кухня которой не оборудована микроволновкой. Ведь эта электронная чудо-техника является незаменимой помощницей в быту как женщинам, так и мужчинам. Множество рецептов с фото можно найти в сети Интернет. Однако несмотря на все положительные отзывы об этой домашней помощнице, как у любой другой техники, у микроволновки есть свойство выходить из строя. Люди, которые не планируют восстанавливать свою микроволновку с помощью ремонта и давать ей вторую жизнь, должны знать, что выбрасывать ее не стоит.
Сломанная микроволновая печь
Несмотря на то, что Вы без проблем приобретете новую микроволновую печь, стоит знать, что можно сделать самодельный споттер из трансформатора микроволновки.
Споттером в наше время называют электронный аппарат, предназначенный для контактной сварки.
Этот аппарат пригодится Вам в быту не меньше, поэтому все же не спешите избавляться от ненужных, на первый взгляд, деталей.
Самодельный споттер
Схема споттера из микроволновки своими руками
Если Вы решили дать запчастям микроволновки вторую жизнь и сделать споттер из микроволновки своими руками, то для начала можно изучить мастер-классы с фото в интернете, посмотреть видео, найти схему, а затем попробовать воспроизвести все увиденное самостоятельно.
Схема для изготовления
Схема этого самодельного изобретения будет включать в себя:
трансформатор, который обеспечивает питание;
тиристор;
диодные мосты;
переменный резистор.
Несложную схему споттера можно также найти в интернете и внимательно изучить ее.
Самая ценная часть, которую можно добыть из микроволновки – это трансформатор. Именно трансформатор отвечает за питание электричеством всего блока управления будущего споттера.
Пошаговая инструкция по созданию самодельного споттера
Основная разница споттера от автоматической сварки заключается в том, что споттер основан на импульсном режиме работы, при этом каждый импульс не превышает 0,5 секунд.
Для создания таких импульсов нужен емкостный конденсатор с системой управления.
В целом, вся конструкция включает в себя два основных элемента:
- блок трансформатора;
- блок управления.
Блок трансформатора
Итак, давайте рассмотрим более детально, как сделать споттер из микроволновки:
Принцип работы аппарата
Для начала необходимо удалить всю первичную обмотку проводов используемого для изготовления электронного прибора, то есть нужно избавиться от всей первичной обмотке в сердечнике микроволновки.
Затем нужно сделать новую обмотку. Этот этап включает в себя два основных шага: первичная обмотка (200 витков из провода 2,5 квадратных миллиметра) и вторичная обмотка (7 витков из провода 50 квадратных миллиметров).
Для изоляции вполне подходит технический картон.
При этом не имеет никакого значения, какой именно тип трансформатора Вы выберете. Главное, чтобы второй контур обмотки обеспечивал подключение напряжением в 12 В.
Теперь можно непосредственно собирать сам блок управления.
Теперь время для подключения положительно и отрицательно заряженных контактов, при необходимости делаем удлинители.
Вот таким несложным способом можно собрать споттер своими руками. Если Вы впервые решили заняться самостоятельным изготовлением подобного оборудования, то рекомендуем обратиться к различными видео инструкциям, где также можно прочитать отзывы о работе получившегося инструмента.
Это интересно:
2021 Путеводитель по поиску
Одним из основных элементов NTT INDYCAR SERIES за последние два десятилетия были живописные улицы Санкт-Петербурга, Флорида, где с 2003 года прошло 17 гонок INDYCAR SERIES. Временная трасса протяженностью 1,8 мили с 14 поворотами включает улицы. центра Санкт-Петербурга и участка взлетно-посадочной полосы аэропорта Альберта Уиттеда.
Характерные высокоскоростные прямые, за которыми следуют крутые повороты, такие как быстрый сложный поворот 1-2, на протяжении многих лет бросали вызов многим водителям и предлагали много напряженных действий.В этом году в списке участников пять бывших победителей Гран-при Firestone в Санкт-Петербурге: Грэм Рахал, Уилл Пауэр, Джеймс Хинчклифф, Себастьян Бурдэ и Йозеф Ньюгарден. Двукратный чемпион Ньюгарден выиграл две последние гонки во Флориде. Включите канал NBC в воскресенье, 25 апреля, в 12:00 по восточноевропейскому времени, чтобы увидеть, как эти истребители на колесах встречаются с взлетно-посадочной полосой!
улицы Санкт-Петербурга, Флорида
# 2 JOSEF NEWGARDEN
# 3 Скотт Маклафлин
# 4 ДАЛТОН КЕЛЛЕТТ
# 5 PATO O’WARD
# 7 ФЕЛИКС РОЗЕНКВИСТ
# 8 МАРКУС ЭРИКССОН
# 9 СКОТТ ДИКСОН
# 10 АЛЕКС ПАЛУ
# 12 СИЛА ВОЛИ
# 14 SEBASTIEN BOURDAIS
# 15 ГРАХЭМ РАХАЛ
# 18 ЭД ДЖОНС
# 20 КОНОР ДАЛИ
# 21 РИНУС ВЕКАЙ
# 22 Симон пажено
# 26 COLTON HERTA
№ 27 АЛЕКСАНДР РОССИ
# 28 РАЙАН ХАНТЕР-РЕЙ
NTT INDYCAR СЕРИИ ROOKIE ГОДА КАНДИДАТ
FIRESTONE ГРАН-ПРИ СТ.
САНКТ-ПЕТЕРБУРГ
JOSEF НОВЫЙ САД
КОМАНДА ПЕНСКЕ
энцо Фиттипальди
Dale Coyne Racing с RWR
НАПРАВЛЯЮЩИЙ ДЛЯ СПОТТЕРА
результаты
график
# 29 ДЖЕЙМС ХИНЧКЛИФ
# 30 ТАКУМА САТО
# 48 ДЖИММИ ДЖОНСОН
# 51 ROMAIN GROSJEAN
# 59 МАКС ЧИЛТОН
# 60 ДЖЕК ХАРВИ
464,9250
Скотт Маклафлин
КОМАНДА ПЕНСКЕ
466.8250
ДАЛТОН КЕЛЛЕТТ
А.Дж. ФОЙТ ПРЕДПРИЯТИЯ
463.0125
ARROW MCLAREN SP
PATO О’ВАРД
469,4375
феликс Розенквист
стрелка mclaren sp
ЧИП ГАНАССИ ГОНКИ
МАРКУС ERICSSON
457.0250
464,4625
СКОТТ ДИКСОН
ЧИП GANASSI RACING
456.6500
ЧИП ГАНАССИ ГОНКИ
АЛЕКС PALOU
467.0375
БУДЕТ МОЩНОСТЬ
КОМАНДА ПЕНСКЕ
466.2125
А.Дж. ФОЙТ ПРЕДПРИЯТИЯ
СЕБАСТЬЕН BOURDAIS
467.
0750
GRAHAM RAHAL
RAHAL LETTERMAN LANIGAN RACING
466.9125
DALE COYNE RACING С VASSER SULLIVAN
ED ДЖОНС
467.2000
конор Дали
ред карпентер гоночный
469.1125
ред карпентер гоночный
ринус Veekay
469.9250
Саймон pagenaud
команда пенске
463,8875
андретти автоспорт
колтон Herta
467.4000
АЛЕКСАНДР РОССИ
АНДРЕТТИ АВТОСПОРТ
469,1375
андретти автоспорт
РАЙАН HUNTER-REAY
469,3000
Джеймс Hinchcliffe
ANDRETTI steinbrenner АВТОСПОРТ
452,8500
Рахал Леттерман Lanigan Racing
такума сато
468.2625
ДЖИММИ ДЖОНСОН
ЧИП GANASSI RACING
466.1000
DALE COYNE RACING С RWR
РОМЕН GROSJEAN
463,6000
МАКС ЧИЛТОН
КАРЛИН
459.6500
MEYER SHANK RACING
ДЖЕК HARVEY
461.
0750
100 миль | 180 миль
Гид наблюдателя
СКАЧАТЬ ПРИЛОЖЕНИЕ INDYCAR
как смотреть
#INDYCAR | #Firestonegp | #defyeverything
СВИТОК
ВНИЗ
25 АПРЕЛЯ | 12:00 PM ET
INDYCAR ПРИЛОЖЕНИЕ на базе NTT Data
садись.Шлем по желанию.
СМОТРЕТЬ НАМ ИГНОРИРОВАТЬ ПРАВИЛА ДОРОГИ
FANTASY RACING
R
R
R
R
R
R
R
* Нажмите на автомобили для получения дополнительной информации
МАРИО АНДРЕТТИ
САМОЕ БЫСТРОЕ СИДЕНЬЕ В СПОРТЕ ДВУХМЕСТНОЕ
Текущее время и счет | Автомобильные камеры с живым звуком в реальном времени
INDYCAR ПРИЛОЖЕНИЕ на базе NTT Data
садись. Шлем по желанию.
гид-наблюдатель: г.Петербург
ОЧКОВ: 7 (23RD)
ОЧКОВ: 16 (14)
ОЧКОВ: 12 (18)
ОЧКОВ: 34 (4-Й)
ОЧКОВ: 9 (21St)
ОЧКОВ: 24 (8)
ОЧКОВ: 35 (3-е)
ОЧКОВ: 53 (1-е)
ОЧКОВ: 41 (2-е)
ОЧКОВ: 31 (5)
ОЧКОВ: 26 (7)
ОЧКОВ: 15 (15)
ОЧКОВ: 14 (16)
ОЧКОВ: 29 (6)
ОЧКОВ: 18 (12)
ОЧКОВ: 8 (22)
ОЧКОВ: 22 (9)
ОЧКОВ: 6 (24)
ОЧКОВ: 13 (17)
ОЧКОВ: 17 (13)
ОЧКОВ: 11 (19-е)
ОЧКОВ: 20 (10)
ОЧКОВ: 10 (20-е)
ОЧКОВ: 19 (11-е)
Firestone рада вручить призы трем (3) командам, набравшим наибольшее количество очков Firestone Pit Stop Performance Award за сезон.
Автомобили должны проехать не менее 95% запланированных кругов соревнований, чтобы иметь право на получение баллов Firestone Pit Stop Performance Award на любом конкретном мероприятии. Очки начисляются после каждой гонки в зависимости от кратчайшего времени, проведенного на пит-лейн во время гонки, и отражают очки за гонку.
Награда TAG Heuer «Не ломайся под давлением» – это награда, вручаемая гонщику, который продвинулся по наиболее общим позициям, набранным за весь сезон, по одному очку за каждое полученное место. Если гонщик не финиширует выше своей стартовой позиции в данной гонке, ему будет начислено ноль очков за эту гонку.
НАГРАДА FIRESTONE PIT STOP PERFORMANCE AWARD
Награда tag heuer «Не ломайся под давлением»
НОВИЧКА ГОДА CANIDATE
НАГРАДА TAG HEUER «НЕ ТРЕЩАЙТЕСЬ ПОД ДАВЛЕНИЕМ»
НАГРАДА FIRESTONE PIT STOP PERFORMANCE AWARD
Чемпионат NTT P1
Чемпионат NTT P1 – это честь для гонщика, который получает максимальную отдачу от побед P1 в течение сезона.
После каждого события NTT INDYCAR SERIES очки пилотов, занявшие первое место в квалификации, будут помещены в специальный счетчик очков.В конце сезона гонщик, который наилучшим образом использует свои награды NTT P1 – и набирает наибольшее количество очков чемпионата P1 – получит трофей.
НАГРАДА NTT P1
Премия «Новичок года» вручается новичку, занявшему первое место в зачете очков NTT INDYCAR SERIES. Победитель также получает бонус в размере 50 000 долларов США. Премия «Новичок года» основывается на очках чемпионата пилотов NTT INDYCAR SERIES, заработанных на каждом мероприятии.
НАГРАДА НОВИЧКА ГОДА
R
ДВИГАТЕЛЬ ПРОИЗВОДИТЕЛЬ ПУНКТОВ
73 ОЧКА
90 ОЧКОВ
ОЧКОВ: 16 (14)
ОЧКОВ: 12 (18)
ОЧКОВ: 34 (4-е)
ОЧКОВ: 9 (21)
ОЧКОВ: 24 (8)
ОЧКОВ: 35 (3-е)
ОЧКОВ: 53 (1-е)
ОЧКОВ: 41 (2-е)
ОЧКОВ: 31 (5)
ОЧКОВ: 26 (7)
ОЧКОВ: 15 (15)
ОЧКОВ: 14 (16)
ОЧКОВ: 29 (6)
ОЧКОВ: 18 (12)
ОЧКОВ: 8 (22)
ОЧКОВ: 22 (9)
ОЧКОВ: 6 (24)
ОЧКОВ: 13 (17)
ОЧКОВ: 17 (13)
ОЧКОВ: 11 (19-е)
ОЧКОВ: 20 (10)
ОЧКОВ: 10 (20-е)
ОЧКОВ: 19 (11-е)
САМОЕ БЫСТРОЕ СИДЕНЬЕ В СПОРТЕ ДВУХМЕСТНОЕ
МАРИО АНДРЕТТИ
NTT INDYCAR SERIES возвращается на гоночную трассу Texas Motor Speedway, 1.
5-мильный овал, известный захватывающими гонками с открытыми колесами и местом проведения гонок INDYCAR SERIES каждый сезон с 1997 года. Овал с высокими наклонами, кажется, порождает чемпионов серии – девять раз победитель в Техасе выигрывал чемпионат INDYCAR SERIES, включая Скотта Диксона в 2018 и 2020 годах и Джозефа Ньюгардена в 2019 году. Это удвоит действие и вдвое больше награды в No Limits, штат Техас. Но смогут ли эти спортсмены справиться с техасским двухступенчатым движением? Настройтесь на Genesys 300 в 19:00. (ET) суббота, 1 мая, и XPEL 375 за 5 p.м. (ET) Воскресенье, 2 мая (оба в прямом эфире на NBCSN и INDYCAR Radio Network).
техасская автодром: гонка 1
# 2 JOSEF NEWGARDEN
# 3 Скотт Маклафлин
# 4 ДАЛТОН КЕЛЛЕТТ
# 5 PATO O’WARD
# 7 ФЕЛИКС РОЗЕНКВИСТ
# 8 МАРКУС ЭРИКССОН
# 9 СКОТТ ДИКСОН
# 10 АЛЕКС ПАЛУ
# 12 СИЛА ВОЛИ
# 14 SEBASTIEN BOURDAIS
# 15 ГРАХЭМ РАХАЛ
# 18 ЭД ДЖОНС
# 20 ED КАРПЕНТ
# 21 РИНУС ВЕКАЙ
# 22 Симон пажено
# 26 COLTON HERTA
№ 27 АЛЕКСАНДР РОССИ
# 28 РАЙАН ХАНТЕР-РЕЙ
NTT INDYCAR СЕРИИ ROOKIE ГОДА КАНДИДАТ
GENESYS 300 | RACE 1 TEXAS MOTOR SPEEDWAY
JOSEF НОВЫЙ САД
КОМАНДА ПЕНСКЕ
НАПРАВЛЯЮЩИЙ ДЛЯ СПОТТЕРА
результаты
график
# 29 ДЖЕЙМС ХИНЧКЛИФ
# 30 ТАКУМА САТО
# 48 ТОНИ КАНААН
№ 51 PIETRO FITTIPALDI
# 59 КОНОР ДАЛИ
# 60 ДЖЕК ХАРВИ
464.
9250
Скотт Маклафлин
КОМАНДА ПЕНСКЕ
466,8250
ДАЛТОН КЕЛЛЕТТ
А.Дж. ФОЙТ ПРЕДПРИЯТИЯ
463.0125
ARROW MCLAREN SP
PATO О’ВАРД
469,4375
феликс Розенквист
стрелка mclaren sp
ЧИП ГАНАССИ ГОНКИ
МАРКУС ERICSSON
457.0250
464,4625
СКОТТ ДИКСОН
ЧИП GANASSI RACING
456.6500
ЧИП ГАНАССИ ГОНКИ
АЛЕКС PALOU
467,0375
БУДЕТ МОЩНОСТЬ
КОМАНДА ПЕНСКЕ
466.2125
А.Дж. ФОЙТ ПРЕДПРИЯТИЯ
СЕБАСТЬЕН BOURDAIS
467.0750
GRAHAM RAHAL
RAHAL LETTERMAN LANIGAN RACING
466.9125
DALE COYNE RACING С VASSER SULLIVAN
ED ДЖОНС
467.2000
конор Дали
КАРЛИН
459.6500
ред карпентер гоночный
ринус Veekay
469,9250
Саймон pagenaud
команда пенске
463,8875
андретти автоспорт
колтон Herta
467.
4000
АЛЕКСАНДР РОССИ
АНДРЕТТИ АВТОСПОРТ
469,1375
андретти автоспорт
РАЙАН HUNTER-REAY
469,3000
Джеймс Hinchcliffe
ANDRETTI steinbrenner АВТОСПОРТ
452.8500
Рахал Леттерман Lanigan Racing
такума сато
468.2625
ТОНИ KANAAN
ЧИП GANASSI RACING
466.1000
DALE COYNE RACING С RWR
ПЬЕТРО FITTIPALDI
463,6000
МАКС ЧИЛТОН
КАРЛИН
459.6500
MEYER SHANK RACING
ДЖЕК HARVEY
461.0750
212 LAPS | 300 миль
Гид наблюдателя
СКАЧАТЬ ПРИЛОЖЕНИЕ INDYCAR
как смотреть
#INDYCAR | # Genesys300 | #defyeverything
СВИТОК
ВНИЗ
1 мая в 19:00 по восточному времени | 2 МАЯ в 17:00 по восточному времени
INDYCAR ПРИЛОЖЕНИЕ на базе NTT Data
садись.Шлем по желанию.
искры полетят в техасе
FANTASY RACING
R
R
R
R
* Нажмите на автомобили для получения дополнительной информации
МАРИО АНДРЕТТИ
САМОЕ БЫСТРОЕ СИДЕНЬЕ В СПОРТЕ ДВУХМЕСТНОЕ
Текущее время и счет | Автомобильные камеры с живым звуком в реальном времени
INDYCAR ПРИЛОЖЕНИЕ на базе NTT Data
садись.
Шлем
по желанию.
руководство по поиску: genesys 300
ОЧКОВ: 47 (10)
ОЧКОВ: 35 (15)
ОЧКОВ: 22 (19)
ОЧКОВ: 45 (11)
ОЧКОВ: 27 (18)
ОЧКОВ: 50 (9-е)
ОЧКОВ: 65 (3-е)
ОЧКОВ: 67 (1-е)
ОЧКОВ: 65 (2-е)
ОЧКОВ: 51 (6)
ОЧКОВ: 41 (13-е)
ОЧКОВ: 25 (19-е)
ОЧКОВ: 28 (17)
ОЧКОВ: 51 (8)
ОЧКОВ: 54 (5)
ОЧКОВ: 62 (4)
ОЧКОВ: 31 (16)
ОЧКОВ: 22 (21)
ОЧКОВ: 25 (20-е)
ОЧКОВ: 45 (12)
ОЧКОВ: 0 (31)
ОЧКОВ: 0 (30)
ОЧКОВ: 51 (7)
Firestone рада вручить призы трем (3) командам, набравшим наибольшее количество очков Firestone Pit Stop Performance Award за сезон.Автомобили должны проехать не менее 95% запланированных кругов соревнований, чтобы иметь право на получение баллов Firestone Pit Stop Performance Award на любом конкретном мероприятии. Очки начисляются после каждой гонки в зависимости от кратчайшего времени, проведенного на пит-лейн во время гонки, и отражают очки за гонку.
Награда TAG Heuer «Не ломайся под давлением» – это награда, вручаемая гонщику, который продвинулся по наиболее общим позициям, набранным за весь сезон, по одному очку за каждое полученное место. Если гонщик не финиширует выше своей стартовой позиции в данной гонке, ему будет начислено ноль очков за эту гонку.
НАГРАДА FIRESTONE PIT STOP PERFORMANCE AWARD
Награда tag heuer «Не ломайся под давлением»
НАГРАДА TAG HEUER «НЕ ТРЕЩАЙТЕСЬ ПОД ДАВЛЕНИЕМ»
НАГРАДА FIRESTONE PIT STOP PERFORMANCE AWARD
Чемпионат NTT P1
Чемпионат NTT P1 – это честь для гонщика, который получает максимальную отдачу от побед P1 в течение сезона. После каждого события NTT INDYCAR SERIES очки пилотов, занявшие первое место в квалификации, будут помещены в специальный счетчик очков.В конце сезона гонщик, который наилучшим образом использует свои награды NTT P1 – и набирает наибольшее количество очков чемпионата P1 – получит трофей.
НАГРАДА NTT P1
Премия «Новичок года» вручается новичку, занявшему первое место в зачете очков NTT INDYCAR SERIES. Победитель также получает бонус в размере 50 000 долларов США. Премия «Новичок года» основывается на очках чемпионата пилотов NTT INDYCAR SERIES, заработанных на каждом мероприятии.
НАГРАДА НОВИЧКА ГОДА
R
ДВИГАТЕЛЬ ПРОИЗВОДИТЕЛЬ ПУНКТОВ
148 ОЧКОВ
178 ОЧКОВ
ОЧКОВ: 35 (15)
ОЧКОВ: 19 (22)
ОЧКОВ: 45 (11-е)
ОЧКОВ: 27 (18)
ОЧКОВ: 50 (9-е)
ОЧКОВ: 65 (3-е)
ОЧКОВ: 67 (1-е)
ОЧКОВ: 65 (2-е)
ОЧКОВ: 51 (6)
ОЧКОВ: 41 (13-е)
ОЧКОВ: 25 (19-е)
ОЧКОВ: 51 (8)
ОЧКОВ: 54 (5)
ОЧКОВ: 62 (4-Й)
ОЧКОВ: 31 (16)
ОЧКОВ: 22 (21)
ОЧКОВ: 25 (20-е)
ОЧКОВ: 45 (12)
ОЧКОВ: 0 (31)
ОЧКОВ: 0 (30)
ОЧКОВ: 28 (17)
ОЧКОВ: 51 (7)
САМОЕ БЫСТРОЕ СИДЕНЬЕ В СПОРТЕ ДВУХМЕСТНОЕ
МАРИО АНДРЕТТИ
ED ПЛОТНИК
ред карпентер гоночный
469.1125
ОЧКОВ: 0 (26)
АЛЕКСАНДР РОССИ
АНДРЕТТИ АВТОСПОРТ
469,1375
ОЧКОВ: 31 (16)
RACE 2 СПОТТЕР НАПРАВЛЯЮЩИЙ
DALE COYNE RACING С VASSER SULLIVAN
ED ДЖОНС
ОЧКОВ: 0 (26)
469.1125
NTT INDYCAR SERIES возвращается на гоночную трассу Texas Motor Speedway, полуторамильный овал, известный захватывающими гонками с открытыми колесами и местом проведения гонок INDYCAR SERIES каждый сезон с 1997 года.Высокий овал, кажется, порождает чемпионов серии – девять раз победитель в Техасе выигрывал чемпионат INDYCAR SERIES, включая Скотта Диксона в 2018 и 2020 годах и Джозефа Ньюгардена в 2019 году. Это удвоит действие и вдвое больше награды в No Limits, штат Техас. Но смогут ли эти спортсмены справиться с техасским двухступенчатым движением? Настройтесь на Genesys 300 в 19:00. (ET) суббота, 1 мая, и XPEL 375 в 17:00. (ET) Воскресенье, 2 мая (оба в прямом эфире на NBCSN и INDYCAR Radio Network).
техасская автодром: гонка 2
# 2 JOSEF NEWGARDEN
# 3 Скотт Маклафлин
# 4 ДАЛТОН КЕЛЛЕТТ
# 5 PATO O’WARD
# 7 ФЕЛИКС РОЗЕНКВИСТ
# 8 МАРКУС ЭРИКССОН
# 9 СКОТТ ДИКСОН
# 10 АЛЕКС ПАЛУ
# 12 СИЛА ВОЛИ
# 14 SEBASTIEN BOURDAIS
# 15 ГРАХЭМ РАХАЛ
# 18 ЭД ДЖОНС
# 20 ED КАРПЕНТ
# 21 РИНУС ВЕКАЙ
# 22 Симон пажено
# 26 COLTON HERTA
№ 27 АЛЕКСАНДР РОССИ
# 28 РАЙАН ХАНТЕР-РЕЙ
NTT INDYCAR СЕРИИ ROOKIE ГОДА КАНДИДАТ
XPEL 375 | RACE 2 TEXAS MOTOR SPEEDWAY
JOSEF НОВЫЙ САД
КОМАНДА ПЕНСКЕ
НАПРАВЛЯЮЩИЙ ДЛЯ СПОТТЕРА
результаты
график
# 29 ДЖЕЙМС ХИНЧКЛИФ
# 30 ТАКУМА САТО
# 48 ТОНИ КАНААН
№ 51 PIETRO FITTIPALDI
# 59 КОНОР ДАЛИ
# 60 ДЖЕК ХАРВИ
464.9250
Скотт Маклафлин
КОМАНДА ПЕНСКЕ
466,8250
ДАЛТОН КЕЛЛЕТТ
А.Дж. ФОЙТ ПРЕДПРИЯТИЯ
463.0125
ARROW MCLAREN SP
PATO О’ВАРД
469,4375
феликс Розенквист
стрелка mclaren sp
ЧИП ГАНАССИ ГОНКИ
МАРКУС ERICSSON
457.0250
464,4625
СКОТТ ДИКСОН
ЧИП GANASSI RACING
456.6500
ЧИП ГАНАССИ ГОНКИ
АЛЕКС PALOU
467,0375
БУДЕТ МОЩНОСТЬ
КОМАНДА ПЕНСКЕ
466.2125
А.Дж. ФОЙТ ПРЕДПРИЯТИЯ
СЕБАСТЬЕН BOURDAIS
467.0750
GRAHAM RAHAL
RAHAL LETTERMAN LANIGAN RACING
466.9125
DALE COYNE RACING С VASSER SULLIVAN
ED ДЖОНС
467.2000
конор Дали
КАРЛИН
459.6500
ред карпентер гоночный
ринус Veekay
469,9250
Саймон pagenaud
команда пенске
463,8875
андретти автоспорт
колтон Herta
467.4000
АЛЕКСАНДР РОССИ
АНДРЕТТИ АВТОСПОРТ
469,1375
андретти автоспорт
РАЙАН HUNTER-REAY
469,3000
Джеймс Hinchcliffe
ANDRETTI steinbrenner АВТОСПОРТ
452.8500
Рахал Леттерман Lanigan Racing
такума сато
468.2625
ТОНИ KANAAN
ЧИП GANASSI RACING
466.1000
DALE COYNE RACING С RWR
ПЬЕТРО FITTIPALDI
463,6000
МАКС ЧИЛТОН
КАРЛИН
459.6500
MEYER SHANK RACING
ДЖЕК HARVEY
461.0750
248 миль | 375 миль
Гид наблюдателя
СКАЧАТЬ ПРИЛОЖЕНИЕ INDYCAR
как смотреть
#INDYCAR | # XPEL375 | #defyeverything
СВИТОК
ВНИЗ
2 МАЯ в 17:00 по восточному времени
INDYCAR ПРИЛОЖЕНИЕ на базе NTT Data
садись.Шлем по желанию.
искры полетят в техасе
FANTASY RACING
R
R
R
R
* Нажмите на автомобили для получения дополнительной информации
МАРИО АНДРЕТТИ
САМОЕ БЫСТРОЕ СИДЕНЬЕ В СПОРТЕ ДВУХМЕСТНОЕ
Текущее время и счет | Автомобильные камеры с живым звуком в реальном времени
INDYCAR ПРИЛОЖЕНИЕ на базе NTT Data
садись. Шлем по желанию.
руководство корректировщика: xpel 375
ОЧКОВ: 75 (6)
ОЧКОВ: 75 (7)
ОЧКОВ: 31 (22)
ОЧКОВ: 80 (4)
ОЧКОВ: 44 (16)
ОЧКОВ: 61 (13-е)
ОЧКОВ: 118 (1-е)
ОЧКОВ: 100 (2-е)
ОЧКОВ: 81 (3-е)
ОЧКОВ: 57 (14)
ОЧКОВ: 71 (9)
ОЧКОВ: 43 (17)
ОЧКОВ: 37 (19-е)
ОЧКОВ: 61 (12)
ОЧКОВ: 74 (8)
ОЧКОВ: 70 (10)
ОЧКОВ: 55 (15)
ОЧКОВ: 36 (20-е)
ОЧКОВ: 32 (21)
ОЧКОВ: 67 (11-е)
ОЧКОВ: 19 (23)
ОЧКОВ: 15 (26)
ОЧКОВ: 77 (5)
Firestone рада вручить призы трем (3) командам, набравшим наибольшее количество очков Firestone Pit Stop Performance Award за сезон.Автомобили должны проехать не менее 95% запланированных кругов соревнований, чтобы иметь право на получение баллов Firestone Pit Stop Performance Award на любом конкретном мероприятии. Очки начисляются после каждой гонки в зависимости от кратчайшего времени, проведенного на пит-лейн во время гонки, и отражают очки за гонку.
Награда TAG Heuer «Не ломайся под давлением» – это награда, вручаемая гонщику, который продвинулся по наиболее общим позициям, набранным за весь сезон, по одному очку за каждое полученное место. Если гонщик не финиширует выше своей стартовой позиции в данной гонке, ему будет начислено ноль очков за эту гонку.
НАГРАДА FIRESTONE PIT STOP PERFORMANCE AWARD
Награда tag heuer «Не ломайся под давлением»
НАГРАДА TAG HEUER «НЕ ТРЕЩАЙТЕСЬ ПОД ДАВЛЕНИЕМ»
НАГРАДА FIRESTONE PIT STOP PERFORMANCE AWARD
Чемпионат NTT P1
Чемпионат NTT P1 – это честь для гонщика, который получает максимальную отдачу от побед P1 в течение сезона. После каждого события NTT INDYCAR SERIES очки пилотов, занявшие первое место в квалификации, будут помещены в специальный счетчик очков.В конце сезона гонщик, который наилучшим образом использует свои награды NTT P1 – и набирает наибольшее количество очков чемпионата P1 – получит трофей.
НАГРАДА NTT P1
Премия «Новичок года» вручается новичку, занявшему первое место в зачете очков NTT INDYCAR SERIES. Победитель также получает бонус в размере 50 000 долларов США. Премия «Новичок года» основывается на очках чемпионата пилотов NTT INDYCAR SERIES, заработанных на каждом мероприятии.
НАГРАДА НОВИЧКА ГОДА
R
ДВИГАТЕЛЬ ПРОИЗВОДИТЕЛЬ ПУНКТОВ
223 ОЧКА
265 ОЧКОВ
ОЧКОВ: 75 (7)
ОЧКОВ: 31 (22)
ОЧКОВ: 80 (4)
ОЧКОВ: 44 (16)
ОЧКОВ: 61 (13-е)
ОЧКОВ: 118 (1-е)
ОЧКОВ: 100 (2-е)
ОЧКОВ: 81 (3-е)
ОЧКОВ: 57 (14)
ОЧКОВ: 71 (9)
ОЧКОВ: 43 (17)
ОЧКОВ: 61 (12)
ОЧКОВ: 74 (8)
ОЧКОВ: 70 (10)
ОЧКОВ: 55 (15)
ОЧКОВ: 36 (20-е)
ОЧКОВ: 32 (21)
ОЧКОВ: 67 (11-е)
ОЧКОВ: 19 (23)
ОЧКОВ: 15 (26)
ОЧКОВ: 37 (19-е)
ОЧКОВ: 77 (5)
САМОЕ БЫСТРОЕ СИДЕНЬЕ В СПОРТЕ ДВУХМЕСТНОЕ
МАРИО АНДРЕТТИ
ED ПЛОТНИК
ред карпентер гоночный
469.1125
ОЧКОВ: 13 (27)
АЛЕКСАНДР РОССИ
АНДРЕТТИ АВТОСПОРТ
469,1375
ОЧКОВ: 55 (15)
ГОНКА 1 СПОТТЕР НАПРАВЛЯЮЩИЙ
DALE COYNE RACING С VASSER SULLIVAN
ED ДЖОНС
ОЧКОВ: 13 (27)
469.1125
Май месяц переходит в самый разгар Гран-при GMR. С 2014 года NTT INDYCAR SERIES открывает май на автодроме Индианаполис Мотор Спидвей насыщенной битвой на 14-м повороте 2.439-мильный дорожный курс. Симон Пагено и Уилл Пауэр – мастера Гран-при GMR, выиграв первые шесть гонок в Мировой столице гонок, но Скотт Диксон одержал победу в 2020 году. Сможет ли действующий чемпион NTT INDYCAR SERIES сделать это подряд , или на пьедестале почета легендарной спидвея встанет другой спортсмен? Настройтесь на субботу, 15 мая, в 14:00. ET LIVE на NBC, чтобы узнать.
ИНДИАНАПОЛИС АВТОМОБИЛЬНЫЙ ДОРОЖНЫЙ КУРС
# 2 JOSEF NEWGARDEN
# 3 Скотт Маклафлин
# 4 ДАЛТОН КЕЛЛЕТТ
# 5 PATO O’WARD
# 7 ФЕЛИКС РОЗЕНКВИСТ
# 8 МАРКУС ЭРИКССОН
# 9 СКОТТ ДИКСОН
# 10 АЛЕКС ПАЛУ
# 12 СИЛА ВОЛИ
# 14 SEBASTIEN BOURDAIS
# 15 ГРАХЭМ РАХАЛ
# 18 ЭД ДЖОНС
# 20 КОНОР ДАЛИ
# 21 РИНУС ВЕКАЙ
# 22 Симон пажено
# 26 COLTON HERTA
№ 27 АЛЕКСАНДР РОССИ
# 28 РАЙАН ХАНТЕР-РЕЙ
NTT INDYCAR СЕРИИ ROOKIE ГОДА КАНДИДАТ
GMR ГРАН-ПРИ
JOSEF НОВЫЙ САД
КОМАНДА ПЕНСКЕ
НАПРАВЛЯЮЩИЙ ДЛЯ СПОТТЕРА
результаты
график
# 29 ДЖЕЙМС ХИНЧКЛИФ
# 30 ТАКУМА САТО
# 48 ДЖИММИ ДЖОНСОН
# 51 ROMAIN GROSJEAN
# 59 МАКС ЧИЛТОН
# 60 ДЖЕК ХАРВИ
464.9250
ДАЛТОН КЕЛЛЕТТ
А.Дж. ФОЙТ ПРЕДПРИЯТИЯ
463.0125
ARROW MCLAREN SP
PATO О’ВАРД
469,4375
феликс Розенквист
стрелка mclaren sp
ЧИП ГАНАССИ ГОНКИ
МАРКУС ERICSSON
457.0250
464,4625
СКОТТ ДИКСОН
ЧИП GANASSI RACING
456.6500
ЧИП ГАНАССИ ГОНКИ
АЛЕКС PALOU
467.0375
БУДЕТ МОЩНОСТЬ
КОМАНДА ПЕНСКЕ
466.2125
А.Дж. ФОЙТ ПРЕДПРИЯТИЯ
СЕБАСТЬЕН BOURDAIS
467.0750
GRAHAM RAHAL
RAHAL LETTERMAN LANIGAN RACING
466.9125
DALE COYNE RACING С VASSER SULLIVAN
ED ДЖОНС
467.2000
конор Дали
ред карпентер гоночный
469.1125
ред карпентер гоночный
ринус Veekay
469.9250
Саймон pagenaud
команда пенске
463,8875
андретти автоспорт
колтон Herta
467.4000
АЛЕКСАНДР РОССИ
АНДРЕТТИ АВТОСПОРТ
469,1375
андретти автоспорт
РАЙАН HUNTER-REAY
469,3000
Джеймс Hinchcliffe
ANDRETTI steinbrenner АВТОСПОРТ
452,8500
Рахал Леттерман Lanigan Racing
такума сато
468.2625
ДЖИММИ ДЖОНСОН
ЧИП GANASSI RACING
466.1000
DALE COYNE RACING С RWR
РОМЕН GROSJEAN
463,6000
МАКС ЧИЛТОН
КАРЛИН
459.6500
MEYER SHANK RACING
ДЖЕК HARVEY
461.0750
85 LAPS | 207,32 мили
Гид наблюдателя
СКАЧАТЬ ПРИЛОЖЕНИЕ INDYCAR
как смотреть
#INDYCAR | #indygp | #defyeverything
СВИТОК
ВНИЗ
15 МАЯ | 14:00 по восточному времени
INDYCAR ПРИЛОЖЕНИЕ на базе NTT Data
садись.Шлем по желанию.
INDY НЕ ПРОСТО ОВАЛ
FANTASY RACING
R
R
R
R
R
R
* Нажмите на автомобили для получения дополнительной информации
МАРИО АНДРЕТТИ
САМОЕ БЫСТРОЕ СИДЕНЬЕ В СПОРТЕ ДВУХМЕСТНОЕ
Текущее время и счет | Автомобильные камеры с живым звуком в реальном времени
INDYCAR ПРИЛОЖЕНИЕ на базе NTT Data
садись. Шлем по желанию.
гид наблюдателя: GMR GRAND PRIX
ОЧКОВ: 116 (4)
ОЧКОВ: 38 (21)
ОЧКОВ: 131 (2-ОЕ)
ОЧКОВ: 58 (16)
ОЧКОВ: 79 (13-е)
ОЧКОВ: 153 (1-е)
ОЧКОВ: 127 (3-е)
ОЧКОВ: 99 (9)
ОЧКОВ: 68 (14-е)
ОЧКОВ: 107 (5)
ОЧКОВ: 51 (18)
ОЧКОВ: 43 (20-е)
ОЧКОВ: 84 (11-е)
ОЧКОВ: 100 (7)
ОЧКОВ: 65 (15)
ОЧКОВ: 56 (17)
ОЧКОВ: 44 (19-е)
ОЧКОВ: 84 (12)
ОЧКОВ: 19 (26)
ОЧКОВ: 37 (22)
ОЧКОВ: 16 (27)
ОЧКОВ: 90 (10)
Firestone рада вручить призы трем (3) командам, набравшим наибольшее количество очков Firestone Pit Stop Performance Award за сезон.Автомобили должны проехать не менее 95% запланированных кругов соревнований, чтобы иметь право на получение баллов Firestone Pit Stop Performance Award на любом конкретном мероприятии. Очки начисляются после каждой гонки в зависимости от кратчайшего времени, проведенного на пит-лейн во время гонки, и отражают очки за гонку.
Награда TAG Heuer «Не ломайся под давлением» – это награда, вручаемая гонщику, который продвинулся по наиболее общим позициям, набранным за весь сезон, по одному очку за каждое полученное место. Если гонщик не финиширует выше своей стартовой позиции в данной гонке, ему будет начислено ноль очков за эту гонку.
НАГРАДА FIRESTONE PIT STOP PERFORMANCE AWARD
Награда tag heuer «Не ломайся под давлением»
НАГРАДА TAG HEUER «НЕ ТРЕЩАЙТЕСЬ ПОД ДАВЛЕНИЕМ»
НАГРАДА FIRESTONE PIT STOP PERFORMANCE AWARD
Чемпионат NTT P1
Чемпионат NTT P1 – это честь для гонщика, который получает максимальную отдачу от побед P1 в течение сезона. После каждого события NTT INDYCAR SERIES очки пилотов, занявшие первое место в квалификации, будут помещены в специальный счетчик очков.В конце сезона гонщик, который наилучшим образом использует свои награды NTT P1 – и набирает наибольшее количество очков чемпионата P1 – получит трофей.
НАГРАДА NTT P1
Премия «Новичок года» вручается новичку, занявшему первое место в зачете очков NTT INDYCAR SERIES. Победитель также получает бонус в размере 50 000 долларов США. Премия «Новичок года» основывается на очках чемпионата пилотов NTT INDYCAR SERIES, заработанных на каждом мероприятии.
НАГРАДА НОВИЧКА ГОДА
R
ДВИГАТЕЛЬ ПРОИЗВОДИТЕЛЬ ПУНКТОВ
318 ОЧКОВ
332 ОЧКА
ОЧКОВ: 38 (21)
ОЧКОВ: 131 (2-е)
ОЧКОВ: 58 (16)
ОЧКОВ: 79 (13-е)
ОЧКОВ: 153 (1-е)
ОЧКОВ: 127 (3-е)
ОЧКОВ: 99 (9)
ОЧКОВ: 68 (14-е)
ОЧКОВ: 51 (18)
ОЧКОВ: 42 (20-е)
ОЧКОВ: 84 (11-е)
ОЧКОВ: 102 (6)
ОЧКОВ: 100 (7)
ОЧКОВ: 65 (15)
ОЧКОВ: 56 (17)
ОЧКОВ: 44 (19-е)
ОЧКОВ: 84 (12)
ОЧКОВ: 19 (26)
ОЧКОВ: 37 (22)
ОЧКОВ: 16 (27)
ОЧКОВ: 90 (10)
САМОЕ БЫСТРОЕ СИДЕНЬЕ В СПОРТЕ ДВУХМЕСТНОЕ
МАРИО АНДРЕТТИ
КОМАНДА ПЕНСКЕ
Скотт Маклафлин
R
466.8250
ОЧКОВ: 99 (8)
# 11 ЧАРЛИ КИМБОЛ
# 86 ХУАН ПАБЛО МОНТОЯ
Стрела McLaren SP
ХУАН ПАБЛО MONTOYA
ОЧКОВ: 0
462,7875
А.Дж. ФОЙТ ПРЕДПРИЯТИЯ
ЧАРЛИ КИМБОЛ
456.3750
ОЧКОВ: 0
# 22 Симон пажено
Саймон pagenaud
команда пенске
463,8875
ОЧКОВ: 102 (6)
# 11 ЧАРЛИ КИМБОЛ
GRAHAM RAHAL
RAHAL LETTERMAN LANIGAN RACING
466.9125
В воскресенье, 30 мая, NTT INDYCAR SERIES направляется к самому грандиозному этапу всех гонок: гоночной трассе Indianapolis Motor Speedway. В этот уик-энд, посвященный Дню поминовения, 33 самых смелых спортсмена сядут в свои машины в погоне за самой большой мечтой в автоспорте, выиграв 105-й этап гонки Indianapolis 500, представленный Гейнбриджем. Rahal Letterman Lanigan Racing одержала победу в прошлом году с Такумой Сато, который вошел в историю как 20-й многократный победитель Indy 500, в то время как Team Penske и Andretti Autosport выиграли по три из последних 10 выпусков «The Greatest Spectacle in Racing .«У этого места есть послужной список, вошедший в историю, но кто будет следующим, кто будет вечно жить на трофея Борга-Уорнера? Подключайтесь в 11:00 по восточному времени в прямом эфире на NBC, чтобы узнать.
INDIANAPOLIS MOTOR SPEEDWAY
# 2 JOSEF NEWGARDEN
# 3 Скотт Маклафлин
# 4 ДАЛТОН КЕЛЛЕТТ
# 5 PATO O’WARD
# 7 ФЕЛИКС РОЗЕНКВИСТ
# 8 МАРКУС ЭРИКССОН
# 9 СКОТТ ДИКСОН
# 10 АЛЕКС ПАЛУ
# 12 СИЛА ВОЛИ
# 14 SEBASTIEN BOURDAIS
# 15 ГРАХЭМ РАХАЛ
# 18 ЭД ДЖОНС
# 20 ED КАРПЕНТ
# 21 РИНУС ВЕКАЙ
# 26 COLTON HERTA
№ 27 АЛЕКСАНДР РОССИ
# 28 РАЙАН ХАНТЕР-РЕЙ
NTT INDYCAR СЕРИИ ROOKIE ГОДА КАНДИДАТ
105-я выставка INDIANAPOLIS 500, ПРЕДСТАВЛЕННАЯ GAINBRIDGE
JOSEF НОВЫЙ САД
КОМАНДА ПЕНСКЕ
НАПРАВЛЯЮЩИЙ ДЛЯ СПОТТЕРА
результаты
график
# 29 ДЖЕЙМС ХИНЧКЛИФ
# 30 ТАКУМА САТО
# 48 ТОНИ КАНААН
№ 51 PIETRO FITTIPALDI
# 59 МАКС ЧИЛТОН
# 60 ДЖЕК ХАРВИ
464.9250
ДАЛТОН КЕЛЛЕТТ
А.Дж. ФОЙТ ПРЕДПРИЯТИЯ
463.0125
ARROW MCLAREN SP
PATO О’ВАРД
469,4375
феликс Розенквист
стрелка mclaren sp
ЧИП ГАНАССИ ГОНКИ
МАРКУС ERICSSON
457.0250
464,4625
СКОТТ ДИКСОН
ЧИП GANASSI RACING
456.6500
ЧИП ГАНАССИ ГОНКИ
АЛЕКС PALOU
467.0375
БУДЕТ МОЩНОСТЬ
КОМАНДА ПЕНСКЕ
466.2125
А.Дж. ФОЙТ ПРЕДПРИЯТИЯ
СЕБАСТЬЕН BOURDAIS
467.0750
GRAHAM RAHAL
RAHAL LETTERMAN LANIGAN RACING
466.9125
DALE COYNE RACING С VASSER SULLIVAN
ED ДЖОНС
467.2000
ред карпентер гоночный
ринус Veekay
469,9250
Andretti Autosport with Curb-Agajanian
колтон Herta
467.4000
АЛЕКСАНДР РОССИ
АНДРЕТТИ АВТОСПОРТ
469,1375
андретти автоспорт
РАЙАН HUNTER-REAY
469,3000
Рахал Леттерман Lanigan Racing
такума сато
468.2625
МАКС ЧИЛТОН
КАРЛИН
459.6500
MEYER SHANK RACING
ДЖЕК HARVEY
461.0750
200 LAPS | 500 МИЛЬ
Гид наблюдателя
СКАЧАТЬ ПРИЛОЖЕНИЕ INDYCAR
как смотреть
#INDYCAR | # indy500 | #defyeverything
СВИТОК
ВНИЗ
30 МАЯ | 11:00, восточноевропейское время
INDYCAR ПРИЛОЖЕНИЕ на базе NTT Data
садись.Шлем по желанию.
снова домой
FANTASY RACING
R
R
R
* Нажмите на автомобили для получения дополнительной информации
МАРИО АНДРЕТТИ
САМОЕ БЫСТРОЕ СИДЕНЬЕ В СПОРТЕ ДВУХМЕСТНОЕ
Текущее время и счет | Живое аудио | Автомобильные камеры в реальном времени
INDYCAR ПРИЛОЖЕНИЕ на базе NTT Data
садись. Шлем по желанию.
руководство корректировщика: КВАЛИФИКАЦИЯ КОРОЛЕВСКИХ ВООРУЖЕННЫХ СИЛ
ОЧКОВ: 148 (3-е)
ОЧКОВ: 48 (22)
ОЧКОВ: 146 (4-е)
ОЧКОВ: 71 (18)
ОЧКОВ: 99 (11-е)
ОЧКОВ: 176 (1-е)
ОЧКОВ: 163 (2-е)
ОЧКОВ: 118 (9)
ОЧКОВ: 79 (16)
ОЧКОВ: 137 (5)
ОЧКОВ: 67 (19-е)
ОЧКОВ: 135 (6)
ОЧКОВ: 117 (7)
ОЧКОВ: 91 (14)
ОЧКОВ: 75 (17)
ОЧКОВ: 98 (12)
ОЧКОВ: 16 (27)
ОЧКОВ: 97 (13-е)
Firestone рада вручить призы трем (3) командам, набравшим наибольшее количество очков Firestone Pit Stop Performance Award за сезон.Автомобили должны проехать не менее 95% запланированных кругов соревнований, чтобы иметь право на получение баллов Firestone Pit Stop Performance Award на любом конкретном мероприятии. Очки начисляются после каждой гонки в зависимости от кратчайшего времени, проведенного на пит-лейн во время гонки, и отражают очки за гонку.
Награда TAG Heuer «Не ломайся под давлением» – это награда, вручаемая гонщику, который продвинулся по наиболее общим позициям, набранным за весь сезон, по одному очку за каждое полученное место. Если гонщик не финиширует выше своей стартовой позиции в данной гонке, ему будет начислено ноль очков за эту гонку.
НАГРАДА FIRESTONE PIT STOP PERFORMANCE AWARD
Награда tag heuer «Не ломайся под давлением»
НАГРАДА TAG HEUER «НЕ ТРЕЩАЙТЕСЬ ПОД ДАВЛЕНИЕМ»
НАГРАДА FIRESTONE PIT STOP PERFORMANCE AWARD
Чемпионат NTT P1
Чемпионат NTT P1 – это честь для гонщика, который получает максимальную отдачу от побед P1 в течение сезона. После каждого события NTT INDYCAR SERIES очки пилотов, занявшие первое место в квалификации, будут помещены в специальный счетчик очков.В конце сезона гонщик, который наилучшим образом использует свои награды NTT P1 – и набирает наибольшее количество очков чемпионата P1 – получит трофей.
НАГРАДА NTT P1
Премия «Новичок года» вручается новичку, занявшему первое место в зачете очков NTT INDYCAR SERIES. Победитель также получает бонус в размере 50 000 долларов США. Премия «Новичок года» основывается на очках чемпионата пилотов NTT INDYCAR SERIES, заработанных на каждом мероприятии.
НАГРАДА НОВИЧКА ГОДА
R
ДВИГАТЕЛЬ ПРОИЗВОДИТЕЛЬ ПУНКТОВ
405 ОЧКОВ
408 ОЧКОВ
САМОЕ БЫСТРОЕ СИДЕНЬЕ В СПОРТЕ ДВУХМЕСТНОЕ
МАРИО АНДРЕТТИ
КОМАНДА ПЕНСКЕ
Скотт Маклафлин
R
466.8250
ОЧКОВ: 123 (8)
# 86 ХУАН ПАБЛО МОНТОЯ
Стрела McLaren SP
ХУАН ПАБЛО MONTOYA
ОЧКОВ: 9 (28)
462,7875
# 22 Симон пажено
Саймон pagenaud
команда пенске
463,8875
ОЧКОВ: 130 (7)
# 1 JR Хильдебранд
# 06 HELIO CASTRONEVES
# 16 SIMONA DE SILVESTRO
# 24 МУДРЕЦ КАРАМ
# 25 СТЕФАН УИЛСОН
# 45 SANTINO FERRUCCI
# 47 КОНОР ДАЛИ
# 59 МАКС ЧИЛТОН
№ 98 МАРКО АНДРЕТТИ
мл. Хильдебранд
А.J. FOYT ENTERPRISES
461,7875
ОЧКОВ: 0
Джеймс Hinchcliffe
ANDRETTI steinbrenner АВТОСПОРТ
ОЧКОВ: 56 (20-е)
452,8500
САНТИНО FERRUCCI
RAHAL LETTERMAN LANIGAN RACING
ОЧКОВ: 0
452,8500
DALE COYNE RACING С RWR
ПЬЕТРО FITTIPALDI
R
ОЧКОВ: 24 (26)
463,6000
ТОНИ KANAAN
ЧИП GANASSI RACING
ОЧКОВ: 34 (23)
466.1000
конор Дали
Эд Карпентер Гонки
459.6500
ОЧКОВ: 48 (21ST)
ANDRETTI HERTA-HAUPERT W / MARCO & CURB-AGAJANIAN
МАРКО АНДРЕТТИ
ОЧКОВ: 0
461.0750
MEYER SHANK RACING
HELIO КАСТРОНЕВ
R
ОЧКОВ: 0
463,6000
PARETTA AUTOSPORT
СИМОНА DE SILVESTRO
459.5250
ОЧКОВ: 0
ED ПЛОТНИК
ред карпентер гоночный
469.1125
ОЧКОВ: 33 (24)
МУДРЕЦ КАРАМ
DREYER & REINBOLD RACING
461.0125
ОЧКОВ: 0
АНДРЕТТИ АВТОСПОРТ
СТЕФАН WILSON
ОЧКОВ: 0
461.0750
R
R
СКАЧАТЬ PDF
Ассистент Чейза Эллиотта арестован за нападение на беременную женщину, дисквалифицирован NASCAR
После своей первой победы в сезоне на Circuit of the Americas, Чейз Эллиот и его команда Hendrick Motorsports внезапно столкнулись с серьезной проблемой, связанной с одним из основных членов их команды: Эдди Д’Хондтом, наблюдателем Чейза Эллиотта, был арестован в начале этого месяца и обвинен в нападении на беременную женщину.
Согласно отчету Даниэля Макфадина с Frontstretch.com, Д’Хонд был арестован 12 мая полицией в Хикори, Северная Каролина, и обвиняется в двух мисдиминерах: нападение на женщину и избиение еще не родившегося ребенка. По словам Боба Покрасса из Fox Sports, арест Д’Хондта связан с инцидентом 7 сентября 2020 года, когда Д’Хондт начал спорить с сотрудником компании по аренде гидроциклов. Сотрудница утверждала, что Д’Хондт «коснулся всего тела и крикнул мне в лицо, несколько раз отталкивая меня телом», а также ударил сотрудницу по руке и ударил ее кулаком.
Судебный вызов за нападение был предъявлен Д’Ондту в сентябре прошлого года до того, как две недели назад был выдан ордер на его арест. Д’Хонд предварительно должен предстать перед судом дважды: 7 июня (избиение еще не родившегося ребенка) и 30 июня (нападение на женщину). Рассматриваемое дело о нападении откладывалось «несколько раз».
Несмотря на арест, Д’Ондт последние две недели исполнял свои обычные обязанности, сначала на Международной гоночной трассе Дувра, а затем снова на Автодроме Америки.В среду утром Hendrick Motorsports отреагировал на новости о юридических проблемах Д’Хондта, отстранив его от команды на неопределенный срок.
«Мы узнали о ситуации сегодня утром и немедленно отстранили Д’Ондта на неопределенный срок», – говорится в заявлении команды. «Мы очень серьезно относимся к этому вопросу и продолжим поиск дополнительной информации о предполагаемом инциденте».
Вскоре после того, как Hendrick Motorsports объявила о своих действиях против Д’Хондта, NASCAR объявило, что они приостановили действие Д’Хондта на неопределенный срок за многочисленные нарушения сводов правил NASCAR, в которых говорится, что член NASCAR может столкнуться с штрафами или бессрочной приостановкой за «предъявление обвинений или признан виновным в серьезном уголовном правонарушении “и требует, чтобы любой участник, обвиненный в нарушении закона, уведомил NASCAR либо до следующего запланированного мероприятия, либо в течение 72 часов с момента предъявления обвинения.
Позднее в среду днем в заявлении адвоката Д’Хондта, которое поделился с Покрассом, утверждалось, что Д’Хондт невиновен, заявив, что предполагаемая жертва «присягнула перед мировым судьей без каких-либо подтверждений со стороны других лиц. отрицательно повлияли на карьеру г-на Д’Ондта и нанесли ущерб его репутации, и в настоящее время он изучает все средства правовой защиты, как уголовные, так и гражданские “, – говорится в заявлении.
Д’Хондт, 62 года, на протяжении всей своей карьеры наблюдал за Чейза Эллиоттом после того, как ранее работал в той же роли с водителями Кайлом Бушем и Джеффом Гордоном.Д’Хондт также был генеральным менеджером Evernham Motorsports в 2000-х годах, где он работал с отцом Чейза Эллиоттом Биллом Эллиоттом.
NASCAR, Hendrick Motorsports на неопределенный срок отстраняет наблюдателя
Hendrick Motorsports отстранила на неопределенный срок Эдди Д’Ондта, наблюдателя действующего чемпиона серии Чейза Эллиотта, после того, как узнала, что Д’Хонд был арестован в начале этого месяца по обвинению в нападении на беременную женщину.
Хикори, Северная Каролина, полицейское управление арестовало Д’Ондта 12 мая.Frontstretch.com впервые сообщил об аресте Д’Ондта.
Ему было предъявлено обвинение в совершении проступка в отношении женщины и нанесении побоев еще не рожденному ребенку.
Д’Ондт явился в суд 7 июня по делу о проступке, нанесенном еще не родившемуся ребенку. 30 июня Д’Ондт явится в суд по делу о совершении административного правонарушения по обвинению женщины.
Fox Sports сообщил о заявлении адвоката Д’Ондта, в котором говорилось: «Эти необоснованные обвинения негативно повлияли на карьеру г-на Д’Ондта и нанесли ущерб его репутации, и в настоящее время он использует все средства правовой защиты, как уголовные, так и гражданские.”
Больше от поверенного Д’Ондта: «Эти необоснованные обвинения отрицательно повлияли на карьеру г-на Д’Ондта и нанесли ущерб его репутации, и в настоящее время он изучает все средства правовой защиты, как уголовные, так и гражданские». (2/2)
– Боб Покрасс (@bobpockrass) 26 мая 2021 г.
Fox Sports сообщил, что инцидент произошел 7 сентября 2020 года в результате спора по поводу аренды гидроцикла, когда 62-летний сотрудник утверждал, что Д’Хондт «полностью коснулся моего тела и закричал мне в лицо, несколько раз отталкивая меня телом» и «Ударил меня по руке» и «ударил меня кулаком», согласно письменным показаниям.
В сентябре прошлого года Д’Ондт был вынесен уголовный вызов за нападение на женщину, а две недели назад был выдан ордер на арест за нанесение побоев еще не рожденному ребенку (оба проступка). Дело о нападении несколько раз откладывалось. (2/3)
– Боб Покрасс (@bobpockrass) 26 мая 2021 г.
Аргумент возник потому, что Д’Ондт хотел, согласно письменным показаниям сотрудника / жертвы, возврата денег или большего времени на арендованный водный мотоцикл, потому что у них изначально не было необходимой одежды и, следовательно, они опоздали с получением необходимой одежды.(3/3).
– Боб Покрасс (@bobpockrass) 26 мая 2021 г.
Д’Ондт был давним наблюдателем Эллиотта. После ареста он участвовал в двух кубковых гонках, в том числе в гонке в прошлые выходные на Автодроме Америки, которую выиграл Эллиотт.
Hendrick Motorsports опубликовала заявление в среду:
«Нам стало известно о ситуации (в среду) утром, и мы немедленно и на неопределенный срок приостановили работу г-на Д’Ондта в нашей компании. Мы очень серьезно относимся к этому вопросу и продолжим поиск дополнительной информации о предполагаемом инциденте.
«Наблюдатель на соревнованиях серии NASCAR Cup Series, которые пройдут в эти выходные на трассе Charlotte Motor Speedway, пока не назван».
В четверг Hendrick Motorsports внесла Трея Пула в список наблюдателей Эллиота. Пул – двоюродный брат Эллиотта и был указан в качестве одного из двух дополнительных наблюдателей за Эллиоттом в минувшие выходные на Circuit of the Americas.
Свод правил кубка NASCAR гласит в разделе 2.11.a: «Любой член NASCAR, обвиненный в любом нарушении закона (проступок и / или уголовное преступление), должен уведомить NASCAR… до следующего запланированного мероприятия или в течение 72 часов, если ему будет предъявлено обвинение.”
NASCAR процитировал это, а также руководящие принципы поведения членов в бессрочном отстранении D’Hondt.
В серии Xfinity Д’Ондт заметил Джастина Аллгайера. В серии Camping World Truck Series Д’Ондт заметил Остина Хилла.
NASCAR отстраняет наблюдателя Эдди Д’Хондта на неопределенный срок
NASCAR объявил о бессрочном отстранении в среду Эдди Д’Ондта, наблюдателя команды № 9 Hendrick Motorsports, после того, как появились подробности его недавнего ареста в округе Катоба, Северная Каролина.
Д’Ондт был арестован 12 мая, согласно записям полицейского управления Хикори (Северная Каролина). Записи в окружном суде Катавбы показывают две даты суда, указанные для Д’Ондта по двум делам о проступках – дата 7 июня по Статуту 14-23.6 (A) Северной Каролины, избиение еще не родившегося ребенка и 30 июня в соответствии со Статутом 14-33 (C) (2), нападение на женщину.
ПредставителиNASCAR заявили, что Д’Ондт нарушил разделы 12.8.1.e (Правила поведения участников) и 2.11 (Требуемое уведомление) Свода правил NASCAR.
Раздел 12.В частности, в 8.1.e указано, что действия участников, которые могут привести к штрафу и / или приостановке или прекращению членства на неопределенный срок, включают: «Обвинение или осуждение за серьезные уголовные правонарушения (например, домашнее насилие, торговля людьми, нападение) или имел определения, вынесенные уголовными или гражданскими властями, которые, по мнению NASCAR, требуют действий. NASCAR не будет предварительно судить о виновности или невиновности в уголовной или гражданской правовой системе, а также о виновности или невиновности Участника, а, скорее, будет рассматривать каждый вопрос в его собственном контексте и обстоятельствах и в отношении его потенциального воздействия на спорт.”
Раздел 2.11 гласит: «Любой член NASCAR, обвиненный в любом нарушении закона (проступок и / или уголовное преступление), должен уведомить NASCAR… до следующего запланированного события или в течение 72 часов с момента предъявления обвинения, в зависимости от того, что наступит раньше».
Hendrick Motorsports также приостановил работу Д’Ондта и опубликовал следующее заявление в среду утром: «Мы узнали о ситуации сегодня утром и немедленно и на неопределенный срок приостановили работу г-на Д’Ондта в нашей компании. Мы очень серьезно относимся к этому вопросу и продолжим поиск дополнительной информации о предполагаемом инциденте.”
Hendrick Motorsports не сразу объявила о замене наблюдателя для команды № 9 на соревнованиях в эти выходные на Charlotte Motor Speedway, но на страницах списка команд, обновленных в четверг утром, в этой роли был указан Трей Пул. Пул, двоюродный брат Эллиотта, также был дополнительным наблюдателем для команды № 9 на мероприятии в прошлые выходные на Circuit of The Americas.
Д’Ондт наблюдал за Чейза Эллиоттом с сезона его новичка в Кубке в 2016 году. Он также указан в качестве наблюдателя в серии Xfinity для JR Motorsports No.7 и пилот Джастин Аллгайер, а также в серии Camping World Truck Series для команды Hattori Racing Enterprises № 16 и пилота Остина Хилла.
Д’Хонд ранее наблюдал за Джеффом Гордоном и Кайлом Бушем в Кубковой серии.
Наблюдатель NASCAR для Чейза Эллиотта обвиняется в нападении
Наблюдатель Hendrick Motorsports Эдди Д’Ондт был обвинен в нападении и нанесении побоев.Чарльз Крупа APNASCAR и Hendrick Motorsports отстранили на неопределенный срок Эдди Д’Ондта, наблюдателя Чейза Эллиотта в команде № 9, вскоре после того, как им стало известно о двух обвинениях в правонарушении, выдвинутых против Д’Хондта.
Согласно записям судебной власти Северной Каролины, обвинения включают нападение на женщину и избиение еще не родившегося ребенка.62-летняя Д’Ондт была арестована в мае в округе Катоба, как показывают записи.
В сентябре Д’Ондту было предъявлено обвинение в нападении на женщину, которая нанесла удар по Ирен Элизабет Янг, согласно справке о судебных повестках в Северной Каролине, полученной KickinTheTires.net. В ордере на арест, выданном 12 мая, утверждается, что Д’Ондт совершил избиение еще не родившегося ребенка, толкая Янга «телом на животе», когда Янг была беременна.
Согласно FOX Sports, инцидент произошел из-за спора об аренде водных лыж, в котором Янг был сотрудником компании по аренде, и якобы Д’Хондт совершил «полный контакт с телом и кричал в (ее) лицо, отталкивая (ее) назад несколько раз. раз с (его) телом.
FOX Sports сообщил, что в среду жена Д’Ондта подала заявление под присягой, в котором говорилось, что Янг «полностью протянул руку к лицу моего мужа так быстро, что я подумал, что она вот-вот ударит его, и махнул рукой ему в лицо. Мой муж взял его ладонь и убрал (ее) руку со своего лица ».
Д’Ондт также, как сообщается, подал ходатайство об изъятии видеозаписи с камер на территории компании по аренде водных мотоциклов. В заявлении адвоката Д’Ондта, полученном FOX Sports, говорится, что Д’Ондт невиновен в предъявленных ему обвинениях и с нетерпением ждет своего дня в суде, который назначен на 7 июня.
«Эти необоснованные обвинения негативно повлияли на карьеру г-на Д’Ондта и нанесли ущерб его репутации, и в настоящее время он изучает все средства правовой защиты, как уголовные, так и гражданские», – говорится в заявлении.
FOX Sports получила письменные показания по делу Д’Ондта. Это проистекает из спора 7 сентября 2020 года по поводу аренды гидроциклов, в котором сотрудник утверждал, что Д’Хондт «коснулся всего тела и закричал мне в лицо, отталкивая меня несколько раз телом», «ударил меня по руке» и «махнул кулаком. на меня.”(1/3)
– Боб Покрасс (@bobpockrass) 26 мая 2021 г.
Компания Hendrick Motorsports сообщила в своем заявлении, что« ей стало известно о ситуации сегодня утром, и они немедленно и на неопределенный срок приостановили деятельность г-на Д’Хондта в нашей компании. . »
«Мы очень серьезно относимся к этому вопросу и продолжим поиск дополнительной информации о предполагаемом инциденте», – говорится в заявлении.
Команда не назвала запасного наблюдателя на предстоящую гонку на трассе Шарлотт Мотор Спидвей для Coca-Cola 600.Hendrick Motorsports одерживает знаковую победу на прошлых выходных на Circuit of the Americas, в которой команда № 9 выиграла свою первую гонку в сезоне, чтобы связать свою организацию с Petty Enterprises с 268 победами в серии Кубков. Это была 800-я победа Chevrolet.
В среду НАСКАР объявил о приостановлении на неопределенный срок Д’Хондта за нарушение Правил поведения участников и правила 2.11 Обязательного уведомления, в котором говорится, что «Любой член НАСКАР, обвиненный в любом нарушении закона (проступок и / или уголовное преступление), должен уведомить НАСКАР. …до следующего запланированного события или в течение 72 часов после предъявления обвинения, в зависимости от того, что наступит раньше ».
Репортер NASCAR и Charlotte FC Алекс Андреев присоединился к The Observer в январе 2020 года после стажировки в The Washington Post. Она играла в волейбол первого дивизиона Колумбийского университета, а затем получила степень магистра в Университете Южной Калифорнии. Поддержите мою работу цифровой подпискойЧейз Эллиотт говорит, что новый споттер «вписался в нашу команду»
GlobeNewswire
Информационные циркуляры Fortuna и Roxgold по управлению почтой в связи с проведением специальных встреч для утверждения объединения бизнеса с целью создания глобального производителя драгоценных металлов
ВАНКУВЕР, Британская Колумбия, 31 мая , 2021 (ГЛОБУС НОВОСТЕЙ) – Fortuna Silver Mines Inc.(«Fortuna» или «Компания») (NYSE: FSM) (TSX: FVI) и Roxgold Inc. («Roxgold») (TSX: ROXG) (OTCQX: ROGFF) подали и начали рассылку информационных проспектов для руководства и соответствующие материалы собрания для соответствующих собраний акционеров, которое состоится в понедельник, 28 июня 2021 г., в связи с предлагаемым объединением бизнеса между Fortuna и Roxgold, объявленным 26 апреля 2021 г. («Сделка»), а также вопросы годового общего собрания. . В целях упреждающего реагирования на продолжающееся общественное воздействие пандемии COVID-19 и снижения рисков для здоровья и безопасности сообществ, акционеров, сотрудников, директоров и других заинтересованных сторон соответствующие собрания акционеров будут проводиться только в виртуальном формате. посредством прямой аудиотрансляции.Зарегистрированные акционеры Fortuna и акционеры Roxgold, независимо от их географического расположения, будут иметь равные возможности для участия в соответствующем собрании акционеров. В связи со Сделкой и в соответствии с временным постановлением Верховного суда Британской Колумбии от 25 мая 2021 года Roxgold проведет специальное собрание акционеров Roxgold («Специальное собрание Roxgold») 28 июня 2021 года по адресу: 9:00 (по тихоокеанскому времени) для получения одобрения Транзакции, подробности которой изложены в информационном проспекте руководства Roxgold («Циркуляр Roxgold») от 26 мая 2021 года.Специальная встреча Roxgold будет проходить в виртуальном формате посредством прямой аудиотрансляции в Интернете по адресу https://web.lumiagm.com/205515857, пароль «roxgoldspecial2021» (с учетом регистра). Акционеры не смогут физически присутствовать на внеочередном собрании Roxgold. На специальном собрании Roxgold зарегистрированные акционеры Roxgold и должным образом назначенные доверенные лица смогут участвовать, задавать вопросы и голосовать в режиме реального времени через онлайн-портал. Fortuna проведет годовое и внеочередное собрание акционеров Fortuna («Собрание Fortuna») 28 июня 2021 года в 9:00 a.м. (По тихоокеанскому времени), когда акционерам Fortuna будет предложено утвердить, среди прочего, выпуск («Выпуск акций») обыкновенных акций Fortuna («Акции Fortuna») в обмен на простые акции Roxgold («Акции Roxgold» ). Подробности всех вопросов, которые предлагается вынести к акционерам Fortuna на собрании Fortuna, изложены в информационном проспекте руководства Fortuna («Циркуляр Fortuna») от 26 мая 2021 г. через веб-трансляцию в прямом эфире по адресу https: // web.lumiagm.com/208799817, пароль «fortuna2021» (с учетом регистра). Акционеры не смогут присутствовать на Собрании Фортуны физически. Зарегистрированные акционеры Fortuna и должным образом назначенные доверенные лица могут присутствовать на собрании Fortuna онлайн, где они могут участвовать, голосовать и задавать вопросы. Fortuna также рада сообщить, что после завершения Сделки ожидается, что Кейт Харкорт, нынешний директор Roxgold, будет назначена в совет директоров объединенной компании.Г-жа Харкорт выразила готовность быть назначенным директором в такое время, и Фортуна с нетерпением ждет возможности приветствовать ее в совете объединенной компании. Согласно условиям Сделки, Fortuna приобретет все выпущенные и находящиеся в обращении Акции Roxgold в соответствии с планом договоренностей в соответствии с Законом о коммерческих корпорациях (Британская Колумбия). В обмен акционеры Roxgold получат 0,283 акции Fortuna и 0,001 канадского доллара за каждую удерживаемую акцию Roxgold. По завершении Сделки Roxgold станет 100% дочерней компанией Fortuna, а нынешним акционерам Fortuna и бывшим акционерам Roxgold будет принадлежать около 63 акций.6% и 36,4% компании-проформы соответственно. Началась рассылка Циркуляра Fortuna и Циркуляра Roxgold и связанных с ними материалов собрания, и акционеры Fortuna и Roxgold должны рассчитывать на получение соответствующих материалов собрания в ближайшее время. Тем временем материалы встречи Fortuna можно загрузить с веб-сайта Fortuna по адресу https://ortunasilver.com/investors/agm-materials/. Материалы встреч Roxgold можно загрузить с веб-сайта Roxgold www.roxgold.com. Кроме того, материалы встреч каждой компании доступны в профиле их компании на сайте SEDAR по адресу www.sedar.com. Рекомендации Совета директоров Сделка была единогласно одобрена советами директоров компаний Fortuna и Roxgold после единогласной рекомендации специального комитета независимых директоров в случае Roxgold. Оба совета директоров единогласно рекомендуют своим акционерам проголосовать за (i) за выпуск акций в случае собрания Fortuna и (ii) за транзакцию в случае внеочередного собрания Roxgold. В связи со Сделкой должностные лица и директора Roxgold, совместно владеющие 3.52% от общего количества Акций Roxgold заключили с Fortuna соглашения о поддержке при голосовании, в соответствии с которыми они согласились, среди прочего, проголосовать своими Акциями Roxgold в пользу Сделки. Appian Natural Resources Fund, крупнейший акционер Roxgold, который по состоянию на 26 апреля 2021 года (дата объявления Сделки) контролировал 13,2% выпущенных и находящихся в обращении акций Roxgold, также поддержал Сделку. Кроме того, должностные лица и директора Fortuna, коллективно владеющие 1.6% от общего количества акций Fortuna заключили с Roxgold соглашения о поддержке при голосовании, в соответствии с которыми они согласились, среди прочего, проголосовать своими акциями Fortuna в пользу выпуска акций. При условии получения одобрения акционеров на Выпуск акций и Сделки на Собрании Fortuna и Специальном собрании Roxgold соответственно, а также при выполнении других условий для завершения Сделки, включая окончательное одобрение Суда, как более подробно описано в Фортуне. Циркуляры и проспекты Roxgold, как ожидается, сделка будет закрыта в начале июля 2021 года.Чтобы быть эффективным, Выпуск акций должен быть одобрен простым большинством голосов, поданных за такое решение акционерами Fortuna, присутствующими (виртуально) или представленными через представителя на Собрании Fortuna. Кроме того, Сделка должна быть одобрена (i) не менее 66 ⅔% голосов, поданных при принятии такого решения акционерами Roxgold, присутствующими (виртуально) или представленными через представителя на Специальном собрании Roxgold; и (ii) большинство голосов, поданных акционерами Roxgold (виртуально) или представленными доверенным лицом на Специальном собрании Roxgold, за исключением голосов, поданных определенными лицами в соответствии с разделом 8.1 (2) Многостороннего инструмента 61-101 – Защита миноритарных держателей ценных бумаг в специальных сделках. Стратегическое обоснование и основные моменты сделки: единогласно приняв решение рекомендовать выпуск акций и транзакцию акционерам для утверждения, советы директоров каждой из компаний Fortuna и Roxgold рассмотрели ряд факторов, описанных в циркулярах Fortuna и Roxgold, включая, но не ограничено: Комбинация качественных активов Создает ведущую ориентированную на рост промежуточную золотодобывающую и серебряную добычу с четырьмя добывающими рудниками и ожидаемой годовой совместной добычей в золотом эквиваленте примерно 450 000 унций.1, 2, 3 Сильно дополняющий и диверсифицированный портфель Расширенная диверсифицированная платформа добычи, разработки и разведки: четыре действующих рудника, поддерживающих устойчивый профиль свободного денежного потока, разрешенный проект разработки на стадии технико-экономического обоснования и обширный канал роста перспективных геологоразведочных работ активы в Западной Африке и Америке. Ожидается, что строительство с потенциалом органического роста будет начато на проекте Séguéla Gold в третьем квартале 2021 года; продолжить ускоренными темпами передовых геологоразведочных работ на проекте Буссура и на обширном земельном участке площадью 250 000 га в Западной Африке.Множественные варианты заброшенных и новых участков в Северной и Южной Америке и Западной Африке. Географическая диверсификация в горнодобывающих юрисдикциях Создает недорогую платформу для производства драгоценных металлов и роста в двух основных регионах, благоприятных для горнодобывающей промышленности. Объединение двух высококвалифицированных управленческих команд с послужным списком создания ценности в Северной и Южной Америке и Западной Африке Fortuna извлечет пользу из опыта работы в регионе ключевых членов команды Roxgold. Вклад серебра в выручку Ожидается, что производство серебра будет в значительной степени соответствовать аналогичным показателям группы производителей серебра.Pro Forma Fortuna продолжит поиск возможностей для открытия и приобретения качественных серебряных активов в Северной и Южной Америке. Сильный баланс Pro Forma Fortuna выиграет от создания значительного свободного денежного потока, высокой рентабельности EBITDA и более сильного баланса со значительной ликвидностью и низким уровнем долга; 4 все это будет способствовать снижению стоимости капитала и увеличению возможностей финансирования разработки проекта Séguéla Gold, а также продвижению разведки на проекте Буссура и более крупном земельном пакете в Западной Африке.Мнения о справедливости Совет директоров компаний Fortuna и Roxgold, а также специальный комитет совета директоров Roxgold получили заключения по вопросам справедливости от своих финансовых консультантов. Примечания: Эквивалент золота на основе следующих предположений цен на сырьевые товары: 800 долларов США за унцию золота, 22 доллара США за унцию серебра, 1900 долларов США за тонну свинца и 2300 долларов США за тонну цинка. Оценка профиля добычи предполагает успешное строительство Золотого проекта Сегела на основе технико-экономическое обоснование, объявленное Roxgold 19 апреля 2021 г.Для раскрытия технической информации, предусмотренной в Национальном инструменте 43-101 – Стандарты раскрытия информации для проектов по добыче полезных ископаемых («NI 43-101»), относящейся к производству, обратитесь к следующим техническим отчетам: рудник Линдеро, рудник Сан-Хосе, рудник Кайлома, рудник Ярамоко. и Séguéla Gold Project. Свободный денежный поток и EBITDA – это финансовые показатели, не имеющие стандартного определения в соответствии с МСФО. Чтобы обеспечить совместные бизнес-показатели Fortuna на основе проформы, были объединены некоторые показатели финансовых показателей, не относящиеся к МСФО, включая свободный денежный поток и EBITDA, каждой из компаний Roxgold и Fortuna.Для получения дополнительной информации о показателях, не относящихся к МСФО, см. В отношении Fortuna раздел «Финансовые показатели, не относящиеся к GAAP» в отчете Fortuna по анализу и оценке от 7 мая 2021 года, а также для Roxgold, примечание 18 «Показатели финансовой деятельности, не относящиеся к МСФО» MD&A Roxgold от 3 марта 2021 г., доступный в соответствующих профилях Fortuna и Roxgold на сайте www.sedar.com. Квалифицированный специалист Fortuna Эрик Чапман, вице-президент по техническим услугам, является профессиональным геологом, зарегистрированным в Ассоциации профессиональных инженеров и геологов провинции Британская Колумбия (регистрационный номер 36328), и квалифицированным специалистом, как определено в NI 43-101.Г-н Чапман рассмотрел и одобрил научную и техническую информацию, относящуюся к Fortuna, содержащуюся в этом пресс-релизе. Квалифицированное лицо Roxgold Пол Криддл, FAusIMM, главный операционный директор Roxgold Inc., Квалифицированное лицо согласно определению в NI 43-101, проверил, проверил и утвердил техническое раскрытие информации о Roxgold, содержащееся в этом пресс-релизе. Не откладывайте – ваш голос очень важен независимо от количества акций, которыми вы владеете. Независимо от того, планируете ли вы присутствовать на Специальном собрании Roxgold и / или собрании Fortuna, акционерам рекомендуется голосовать задолго до истечения крайних сроков голосования.Крайний срок голосования акционеров Roxgold: в понедельник, 28 июня 2021 г., Roxgold отдельно проводит специальное собрание Roxgold для утверждения Сделки и свое годовое собрание акционеров («Ежегодное собрание Roxgold») для утверждения выборов директоров и повторного назначения PricewaterhouseCoopers LLP. в качестве аудитора. Крайний срок для голосования на внеочередном собрании Roxgold – 9:00 (по тихоокеанскому времени) в четверг, 24 июня 2021 г. Акционеры Roxgold, имеющие право голоса на внеочередном собрании Roxgold, получат информационный проспект руководства, сопровождаемый желтой формой доверенности или бланк поручения на голосование.Акционеры Roxgold могут получить доступ к материалам Специального собрания Roxgold по адресу https://www.roxgold.com/investors/special-meeting/default.aspx. Крайний срок голосования на Ежегодном собрании Roxgold – 10:00 (по тихоокеанскому времени) в четверг, 24 июня 2021 г. Акционеры Roxgold, имеющие право голоса на Ежегодном собрании Roxgold, получат информационный проспект руководства, сопровождаемый белой формой доверенности или бланк поручения на голосование. Акционеры Roxgold могут получить доступ к материалам годового собрания Roxgold по адресу https: // www.roxgold.com/investors/annual-general-meeting/default.aspx. Крайний срок голосования акционеров Fortuna: крайний срок для голосования акционеров Fortuna – 9:00 (тихоокеанское время) в четверг, 24 июня 2021 г. Акционеры Fortuna могут получить доступ к материалам собрания по адресу https://fortasilver.com/investors/agm-materials/. Вопросы акционеров. Акционеры Fortuna, у которых есть вопросы или которым требуется помощь при голосовании, могут связаться с Laurel Hill Advisory Group по бесплатному телефону 1-877-452-7184 или по электронной почте [email protected]. Акционеры Roxgold, у которых есть вопросы или которым требуется помощь при голосовании, могут связаться со стратегическим консультантом Roxgold для акционеров и представителем компании Kingsdale Advisors по бесплатному телефону в Северной Америке 1-888-518-1563, (1-416-867-2272 для звонка по телефону за пределами Северной Америки) или по электронной почте contactus @ kingsdaleadvisors.com. О компании Fortuna Silver Mines Inc. Fortuna Silver Mines Inc. – канадская компания по добыче драгоценных металлов, ведущая свою деятельность в Перу, Мексике и Аргентине. Устойчивое развитие является неотъемлемой частью всех наших операций и отношений. Мы производим серебро и золото и в долгосрочной перспективе создаем общую стоимость для наших акционеров и заинтересованных сторон за счет эффективного производства, защиты окружающей среды и социальной ответственности. Для получения дополнительной информации посетите веб-сайт Fortuna. О Roxgold Inc. Roxgold – канадская золотодобывающая компания с активами в Западной Африке.Roxgold владеет и управляет золотым рудником Ярамоко с высоким содержанием золота, расположенным в зеленокаменном поясе Хаунде в Буркина-Фасо, а также продвигает разработку и разведку золотого месторождения Сегела в Кот-д’Ивуаре. Roxgold торгуется на TSX под символом ROXG и как ROGFF на OTCQX. Для получения информации о Fortuna Silver Mines Inc. Карлос Бака, менеджер по связям с инвесторами[email protected] Для получения информации о Roxgold Inc., Грэм Дженнингс, президент CFAVice по связям с инвесторами gjennings @ roxgold.com Фондовая биржа Торонто не проверяет и не принимает на себя ответственность за адекватность или точность данного пресс-релиза. Заявления о перспективах Этот пресс-релиз содержит прогнозные заявления, которые представляют собой «прогнозную информацию» в значении применимого канадского законодательства о ценных бумагах и «прогнозные заявления» в значении положений «безопасной гавани» Судебного разбирательства по частным ценным бумагам Закон о реформе 1995 года (вместе «Заявления о перспективах»).Все содержащиеся здесь заявления, кроме заявлений об исторических фактах, являются прогнозными заявлениями и подвержены различным известным и неизвестным рискам и неопределенностям, которые могут привести к тому, что фактические события или результаты будут существенно отличаться от тех, которые отражены в прогнозных заявлениях. Заявления о перспективах в этом пресс-релизе могут включать, помимо прочего, заявления о Компании и текущих ожиданиях, оценках и прогнозах Roxgold в отношении примерной компании, структуре сделки и предполагаемых сроках проведения соответствующих собраний акционеров и закрытия. Сделки, ожидаемые выгоды от Сделки для акционеров и объединенной компании, включая корпоративную, операционную и другую синергию, ожидаемые возможности роста и разведки для объединенной компании, сроки и успех проектов разработки и финансовое положение объединенной компании, включая ожидания в отношении ликвидности, ожидаемые предварительные финансовые перспективы и другие аналогичные заявления.Часто, но не всегда, эти прогнозные заявления можно идентифицировать с помощью таких слов, как «ожидаемый», «оценочный», «потенциальный», «открытый», «будущий», «предполагаемый», «прогнозируемый», « использовано »,« детализировано »,« было »,« получено »,« запланировано »,« отражено »,« будет »,« ожидается »,« оценено »,« вмещено »,« осталось »,« будет »или заявления что события, «могли» или «должны» произойти или быть достигнуты и аналогичные выражения, включая отрицательные вариации. Любые финансовые прогнозы и прогнозная информация, содержащаяся в этом пресс-релизе относительно предполагаемых финансовых результатов или финансового положения, основана на разумных предположениях о будущих событиях, включая экономические условия и предлагаемые действия, основанные на оценке руководства каждой из компаний Fortuna и Roxgold of соответствующая информация, которая доступна в настоящее время.Прогнозируемая оперативная информация содержит прогнозную информацию и основана на ряде существенных предположений и факторов, как указано выше. Эти прогнозы также могут рассматриваться как содержащие ориентированную на будущее финансовую информацию или финансовые прогнозы. Заявления о перспективах связаны с известными и неизвестными рисками, неопределенностями и другими факторами, многие из которых находятся за пределами возможностей Компании и Roxgold для контроля или прогнозирования и которые могут привести к тому, что фактические результаты, показатели или достижения будут существенно отличаться от любых результатов. или достижения, выраженные или подразумеваемые Заявлением о перспективах.Такие риски, неопределенности и факторы включают, среди прочего, завершение и сроки Транзакции, способность Компании и Roxgold своевременно получить необходимые разрешения для выполнения условий закрытия Транзакции; возможность завершить Транзакцию на условиях, предусмотренных Компанией и Roxgold, или вообще; способность объединенной компании реализовать ожидаемые выгоды, синергетический эффект и экономию от Сделки и ее сроки, а также другие факторы, указанные в разделе «Факторы риска» в каждой годовой информационной форме Компании и Roxgold за год. закончившийся 31 декабря 2020 г., расположенный на SEDAR.Хотя заявления о перспективах, содержащиеся в этом пресс-релизе, основаны на том, что каждая из Компании и Roxgold считает разумными предположениями на момент, когда они были сделаны, такие заявления сделаны на дату настоящего пресс-релиза, и Компания и Roxgold отказываются от каких-либо обязательств по обновлению. любые заявления о перспективах, будь то в результате получения новой информации, будущих событий или результатов или иным образом, за исключением случаев, предусмотренных законом. Нет никакой гарантии, что эти прогнозные заявления окажутся точными, поскольку фактические результаты и будущие события могут существенно отличаться от тех, которые предполагались в таких заявлениях.Соответственно, инвесторы не должны чрезмерно полагаться на прогнозные заявления.
Официальное руководство IMSA Spotter, 2019
Последний гид: 2019 Petit Le Mans
Последнее обновление: v1c: 17:25 EST, 10 октября 2019 г. (обновления для WeatherTech # 54, 62 и Michelin Pilot # 19, # 60 и # 99 ливрей)
Добро пожаловать на сайт SpotterGuides.com и эту страницу 13-го сезона официального руководства IMSA Spotter Guide. Финальный этап чемпионата IMSA WeatherTech 2019 проходит на Michelin Raceway Road Atlanta, в котором участвуют все четыре класса в главном событии с Michelin Pilot SportsCar Challenge в качестве основной поддержки.В руководстве представлены мои ливреи для следующих автомобилей.
WeatherTech: # 44 Paul Miller Racing, # 48 Magnus Racing, # 96 Turner Motorsport
Пилот Michelin: # 33 Winward Racing, # 39 Carbahn, # 84 ATL Speedwerks, # 89 HART, # 84 ATL Speedwerks
Кроме того, в эти выходные на WeatherTech Raceway участвуют IMSA Prototype Challenge и Porsche GT3 Cup US A. Перейдя по этим ссылкам, вы сможете загрузить отдельные сезонные руководства для корректировщиков.
Кроме того, печатный буклет будет доступен на автодроме в фан-зоне и рядом с IMSA Konica Minolta Hauler в паддоке.
Это специальная страница для руководств IMSA Spotter в течение 2019 года, и URL-адрес не изменится.
Спасибо IMSA за сотрудничество с гидом. Если вы нашли руководство полезным, не стесняйтесь поблагодарить IMSA в Twitter. Без их поддержки не было бы руководства.
Спасибо всем командам, которые помогли создать руководство.В этом году все команды снова помогали!
Предыдущие события:
1. Rolex 24 в Дейтоне
2 12 часов Себринга
3. Лонг-Бич GP
4. Мид Огайо
5. Детройт
6. Уоткинс-Глен
7. CTMP
8. Лайм-Рок
9. Дорога Америка
10. Международная гоночная трасса Вирджинии
ПРИМЕЧАНИЕ: Пожалуйста, заполните бесплатно, чтобы поделиться руководством в социальных сетях, но ПОЖАЛУЙСТА, ССЫЛКА НА ЭТУ СТРАНИЦУ , а не на руководство (поскольку имена файлов меняются с обновлениями, особенно с изменением месяца на этой неделе), чтобы ваши друзья и поклонники могли скачать последнюю версию руководства! Я также могу легче отслеживать данные, что, в свою очередь, помогает мне в поисках спонсорства
Онлайн-справочник «Споттер» разработан Andy Blackmore Design.




Металл остается холодным, поэтому отпадает применение защитных очков, перчаток, специальной одежды сварщика.
