Сварочный аппарат инвертор своими руками схема электрическая: схема и сборка инверторной сварки
alexxlab | 05.07.2021 | 0 | Разное
Сварочный инвертор своими руками: схема и сборка
Детали из цветных сплавов и металлов требуют особого отношения, и при необходимости сварного соединения лучше сделать профессиональную аргоновую сварку. Но цена на нее часто заставляет заменять весь узел или покупать новые комплектующие. Процесс дорогой и требующий некоторого мастерства. Спасает то, что можно сделать сварочный инвертор своими руками, при этом изрядно сэкономив на ремонте и обеспечив себя инструментом на будущее.
Содержание
- Специфика сварки аргоном
 - Технологический процесс аргонной сварки
 - Необходимые материалы для изготовления аппарата
 - Пошаговая инструкция по изготовлению
 - Настройка и тестирование
 
От сварки ММА аргонную отличает несколько деталей процесса:
- Сварка проходит при постоянном обдуве шва аргоном.
 - Вольфрамовый электрод (для ручной сварки). Для автоматической аргонной сварки могут применяться и плавящиеся электроды.

 - Дуга разжигается с помощью осциллятора — прибор для бесконтактного розжига.
 - Специфическая техника прохода электрода.
 - Необходима присадочная проволока. Без нее можно варить только очень тонкие листы.
 - Работает как на постоянном токе (обратная полярность), так и на переменном.
 
Сделать аргонную сварку из инвертора вполне реально, и самодельная установка будет проходить самые сложные швы, выдавая отличное качество. Аргон отличается от других рабочих газов полной инертностью к большинству веществ. Он дешев, достаточно тяжел, чтобы плотно окутать ванну в процессе сварки, и предотвращает образование оксидной пленки. В этом также его минус — при работе на открытом воздухе ветер может снизить качество, укрытие из подручных материалов исправит ситуацию.
Функциональные возможности сварочного инвертора
В среде инертного газа сварка проходит с силой тока 20-200 А и напряжением в 30-80 В. Параметры выбираются из диапазона по специальным таблицам, зависят от толщины соединяемого листа и диаметра электрода.
 Вольфрам для аргонной сварки не плавится при рабочих температурах, позволяет получить узкий аккуратный, но прочный шов за счет очень тонкой дуги и показывает малый расход (испарение — 0,01 г/м).
Присадочная проволока на толстых деталях нужна для получения монолитного шва и выбирается с учетом материала свариваемых элементов. Для алюминия нужна алюминиевая проволока, для нержавейки — легированная сталь определенной марки, и так по каждому материалу. При рабочей температуре аргонной сварки она плавится и качественно заливает шов.
Технологический процесс аргонной сваркиГлавное отличие процесса аргонной сварки от ММА — отсутствие обязательных формирующих движений и использование минимального размера дуги (всего 2 мм). Горелка идет медленно плавно по одной линии. Этим достигается постоянный обдув аргоном места соединения, предотвращается окисление металла, и сварочный шов получается очень тонким.
Вторым по важности будет необходимость подключения осциллятора.
Он нужен для розжига электрической дуги при использовании вольфрамового электрода. Кроме того, зажигать нужно на угольной пластине, а гасить вдали от свариваемых деталей.
Осциллятор для сварки
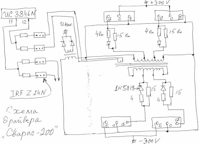
Схема для осциллятораПри сварке ММА дуга разжигается касанием. Вольфрам в этом методе может пригореть, проплавить металл, зацепить прилипающий кусочек, или испортить электрод другими способами. Чтобы избежать неприятностей, нужен специальный блок, вырабатывающий ток высокой частоты для импульсного розжига. Он не только дает начальный разряд, но и поддерживает его стабилизирующими импульсами. Это позволяет сварщику одинаково легко работать с постоянным и переменным током
Прибор можно купить в магазине (УВК7) или собрать своими руками по одной из массы приведенных в интернете схем.
Примеры схем:
На основе схемы обратнохода на UC3842-5 и телевизионного трансформатора.
На базе таймера NE555.
 
Для самостоятельного изготовления нужен определенный навык по созданию печатных плат, детали и время, поэтому часто проще купить готовый. Он уже собран, настроен и часто надежнее самосборок.
Еще один плюс заводского аппарата — подключение практически к любому сварочному аппарату через навеску на сварочные кабели. Он не влияет на аппарат, работает параллельно только с дугой. При покупке нужно учесть напряжение холостого хода, если оно выше планируемого при аргонной сварке, то осциллятор не сработает.
Необходимые материалы для изготовления аппаратаДля изготовления аппарата аргонной сварки из инвертора своими руками потребуется несколько частей:
- инвертор, подходящий для сварки ММА;
 - баллон с аргоном;
 - TIG-горелка;
 - шланги и кабели для соединения;
 - осциллятор;
 - редуктор.

 
Схема сварки переменным током
Если есть возможность, то лучше воспользоваться заводскими блоками. Можно сказать, это будет аппарат для ММА с дополнительными модулями. Но самодельная установка выйдет по стоимости в два раза дешевле, чем покупка заводского агрегата с TIG-режимом.
При покупке обязательно нужно обратить внимание на горелку — нужна рассчитанная на диаметр вольфрамовых стержней и ток силой до 200 А. Такие параметры предусмотрены в некоторых моделях для бытового использования, они гораздо дешевле промышленных. В интернете можно найти способы изготовления горелки, но стоит учесть, что заводское качество и широта настроек лучше, чем у самодельных агрегатов, а по цене сборка будет минимально отличаться от покупки готовой.
Та же проблема и с рукавом. Самостоятельная сборка даст плохо гнущийся и тяжелый, а приобретение готового вполне сопоставимо по цене электрического и газового шланга, плюс разъемы для подключения к горелке и инвертору.
Горелка для аргонной сварки
Пошаговая инструкция по изготовлениюИзготовление агрегата аргонной сварки своими руками состоит из нескольких последовательных действий:
- Подключение осциллятора к инвертору.

 - Подключение кабелей: масса к «+» клемме осциллятора, провод от горелки — к «-» клемме. Если планируется варить алюминий, то подключение обратное.
 - Горелка подключается к сварочному рукаву с газовым шлангом и питанием.
 - К газовому баллону прикручивается редуктор, и через него подсоединяется газовый шланг.
 - Осциллятор подключается к блоку питания на 6 Вт, а инвертор в сеть с 220 В.
 
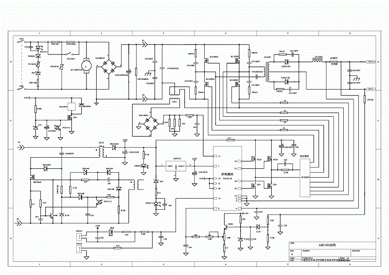
Схема инверторного сварочного аппарата
Настройка и тестированиеОт правильной настройки готового аппарата напрямую зависит качество шва и безопасность сварщика. Проверять следует несколько параметров:
- Вольфрамовый электрод должен быть заточен до минимального диаметра.
 - Цанга на горелке и диаметр электрода должны соответствовать. Проверяется установкой.
 - При открытом вентиле расход аргона оптимально должен быть 12-15 л/мин. Регулируется редуктором.
 - Розжиг дуги.
 
Обязательно нужно проверить устройство перед использованием
Тестирование розжига дуги проводится в несколько действий, очень аккуратно и медленно.
 Нужно включить осциллятор и поднести горелку с электродом к металлу с подключенной массой. Нажать кнопку включения. В этот момент на расстоянии около 0,5 мм появляется дуга. Кнопку отпустить. Открыть подачу газа, снова нажать кнопку включения. С газом она должна появляться на расстоянии от 1 см.
Тестирование самодельного аппарата для сварки лучше провести сразу после сборки и не на рабочих деталях. Для пробного шва выбираются настройки параметров тока в соответствии с металлом, выбирается присадочная проволока. Для оценки работоспособности аппарата можно попробовать расплавить массивные детали, проверить равномерность наплавления присадочной проволоки, внимательно проследить окутывание аргоном сварочной ванны (нет ли окислительной пленки или нагаров).
Видео: Сварочный инвертор из ATX блока питания
  | ||||||||||||||
индустрия » 
 Электротехника » 
 Сварочные аппараты » 
 Сварочный инвертор   | ||||||||||||||
|  Самое интересное Инверторный дизельный генератор Для чего используется дизельные генераторы,  . Трехфазные дизельные генераторы Наиболее мощные дизельные генераторы всегда …  |  
Источники питания призваны обеспечивать стабильность горения сварочной дуги, а также ее легкий поджиг. Другим параметром, поддерживающим соответствующие процессы, является устойчивость сварки к помехам и колебаниям. По этим показателями среди специализированных агрегатов особенно выделяются сварочные инверторы. Они включают в себя: высокочастотный трансформатор, сетевой и выходной выпрямители, инвертор, дроссель. Отсутствие в конструкции тяжелых деталей ведет к чрезвычайной компактности и легкости аппарата.Принцип работыСхематически особенности функционирования сварочного инвертора можно описать так: ток из сети поступает на выпрямительный блок, где переменное напряжение трансформируется в постоянное. В свою очередь инвертор преобразует поступающее в него постоянное напряжение в переменное, но высокой частоты. Затем трансформатор понижает напряжение, а выходной выпрямитель модифицирует этот параметр в постоянное напряжение высокой частоты.![]() Итак, сварочный инвертор преобразует переменный сетевой ток в его постоянный высокочастотный аналог. Особенности сварочных инверторовНекоторые параметры данных агрегатов могут отличаться. В частности:
   Кроме того, сварочный инвертор может быть использован для работы и с черными, и с цветными металлами и сплавами. Сфера применения таких устройств очень широка, скажем, в автосервисе, в строительстве, в быту и т.п.Что отличает работу сварочных инверторов?Практика показывает, что инверторные схемы в области сварного оборудования сегодня приоритетны. Так происходит оттого, что данные аппараты отличает:
 
  | |||||||||||||
Главная страница О сайте Написать нам Реклама на сайте © 2012 INDUSTRIKA.RU «индустрия, промышленность, инструменты, оборудование» Использование материалов сайта в других изданиях возможно только с письменного разрешения владельца сайта. Все материалы на сайте защищены законом (Гл. 70 ч. 4 ГК РФ). (с) industrika.ru.  | ||||||||||||||
Что такое устройство понижения напряжения (VRD) в сварочном аппарате?
В наши дни он есть почти у каждого сварочного аппарата, но это не значит, что он всегда нужен или используется. Мы говорим о VRD или устройстве понижения напряжения.
Как и большинство вещей, связанных со сваркой, это еще одна функция, предназначенная для вашей безопасности. Если вы работаете на стройке или в шахте, вам потребуется машина с VRD. Итак, что именно он делает?
Что делает VRD? VRD снижает напряжение холостого хода сварочного аппарата.
Когда сварочный аппарат включен, но не используется (например, когда вы только что закончили электрод и вам нужно взять новый), срабатывает VRD и снижает напряжение до более безопасного уровня (обычно около 13 В).
При сварке образуется полная (или замкнутая) электрическая цепь. Через источник питания (в данном случае сварочный аппарат) в металл течет электричество, которое создает дугу, создающую сварной шов.
Свариваемый металл снова соединяется со сварочным аппаратом с помощью заземляющего зажима, образуя полную электрическую цепь.
Когда вы прекращаете сварку, цепь перестает быть замкнутой и вместо этого становится разомкнутой. Электричество никуда не денется. Он просто работает на холостом ходу внутри источника питания, как автомобиль на холостом ходу на красный свет. Это называется напряжением холостого хода (OCV).
За счет уменьшения OCV, когда сварочный аппарат не используется, риск поражения электрическим током резко снижается.
Почему используется VRD? Ваше напряжение холостого хода будет зависеть от того, насколько мощный ваш
машина есть.
 Как правило, у сварочного аппарата напряжение OCV составляет около 85 В,
но это может достигать 110 В для действительно требовательной работы. С другой стороны,
ваш небольшой домашний самодельный сварочный аппарат будет иметь OCV 50 В.
OCV около 75 В сможет вызвать дугу на первый удар без заедания стержня даже на неподатливых электродах, таких как низководородные 7018с.
В нормальных условиях, на открытых и сухих участках эти напряжения уровни относительно безопасны. Естественная сопротивляемость вашей кожи может выдержать молнии, и вы даже не почувствуете ее в перчатках или других средствах индивидуальной защиты.
Однако, если на улице сыро или влажно, вам понадобится VRD. Когда ваша кожа становится влажной от мытья рук или потения в перчатках, сопротивление вашей кожи значительно падает.
 Если вы работаете в ограниченном пространстве или вне уровня земли,
ВРД тоже нужен. Случайное касание электрода голой кожей
контакт с землей может привести к поражению электрическим током, что
может быть смертельным, если вы не можете уйти от его источника или он нарушает вашу
остаток средств.
Срабатывание VRD и снижение уровня напряжения холостого хода обеспечивают вашу безопасность, поэтому вам не разрешат работать на объекте, если у вас его нет. Они могут быть установлены внутри или снаружи.
Как ВРД работает?VRD автоматический. Определяет уровень сопротивления напротив сварочного терминала и включается (уменьшая OCV) по мере необходимости.
При высоком уровне сопротивления, например, если воздух, ваши перчатки или даже ваша кожа соприкасаются с выходом машины (электрод держатель для сварки электродом), активируется VRD.
Когда электрод касается заготовки, уровень сопротивления падает, что VRD распознает и выключает, позволяя напряжению холостого хода вернуться к нормальному уровню, чтобы зажечь дугу.
Когда вы закончите сварку и VRD снова обнаружит высокое сопротивление, он снова включится после небольшой задержки.
 Хотя VRD автоматически выключается, когда вы начинаете
новый сварной шов, он может реагировать медленно.
 Задержка в достижении более высокого разомкнутого контура
напряжение означает, что может быть трудно запустить дугу, так как не так много энергии
пробег через машину.
Некоторые электроды, такие как электроды с низким содержанием водорода или целлюлозы, могут зачастую уже сложно заводится, поэтому пробую поразить их с помощью ВРД активный на вашем сварщике может быть настоящей борьбой.
Клавишный VRDЕсли вы работаете сварщиком и путешествуете туда и обратно рабочие места, скорее всего, вы используете свой собственный сварочный аппарат, верно? Итак, вы можете найти немного неудобно, когда ваш VRD включен для работы, особенно если вы не используете это когда вы свариваете дома (в вашем открытом и сухом помещении).
У нас есть решение. В UNIMIG приезжают наши сварщики. с ключом VRD, поэтому вы можете включать его на работе и снова выключать, если у вас есть упорные электроды.
 ПРИМЕЧАНИЕ. НЕ выключайте VRD, когда находитесь на объекте.
 Это не только для вашей собственной безопасности, но и может быть незаконным.
VRD вступает в действие, только если вы свариваете без курок. Когда вы выполняете сварку электродом или сварку TIG с подъемной дугой/царапанием, машина живая сразу после включения.
Для сравнения, сварка MIG и высокочастотная сварка TIG требуют нажмите курок, чтобы зажечь дугу. Напряжение не проходит через машина в противном случае, поэтому нет необходимости защищать оператора от превышения Напряжение.
Почти на каждом сварочном аппарате UNIMIG установлен VRD, но он не всегда включен. Например, если вы приобрели Viper 182 Mk II, VRD сработает только при переключении аппарата в режим «MMA» и никак не повлияет на сварку MIG.
Некоторым людям может не нравиться, что их электродуговые сварные швы трудно начать, но VRD являются важной частью обеспечения безопасности сварщиков во время их работы.
← Просмотреть все статьи
Установка собственной небольшой удаленной автономной солнечной системы
Джеффри Яго, PE, CEM  | |
 Выпуск №116 • Март/апрель 2008 г.![]()  | 
Типичная установка солнечной системы для жилых помещений включает в себя правильно подобранную и установленную электрическую проводку переменного и постоянного тока для снижения риска возгорания, надлежащую систему заземления для предотвращения поражения электрическим током и молнией, правильную установку батареи и вентиляцию для предотвращения образования газа. взрывы и правильно установленная солнечная батарея, чтобы максимизировать производительность и избежать повреждения крыши.
 Почти во всех моих прошлых статьях я описывал множество различных типов систем солнечной энергии, но не вдавался в подробности того, как их установить самостоятельно, поскольку большинство систем должны быть рассчитаны и подключены лицензированными профессионалами в области солнечной энергетики. Тем не менее, веб-сайт  Backwoods Home  продолжает получать множество вопросов по электронной почте, связанных с небольшими самодельными солнечными проектами для удаленных домиков для выходных или отдыха в районах, не обслуживаемых линиями электропередач.
 Если это ваша ситуация, и вы готовы придерживаться основ, я покажу вам, как установить очень простую автономную солнечную систему на батарейках только для питания нескольких источников света и, возможно, скважинного насоса постоянного тока или морозильной камеры.
В противном случае — не пытайтесь повторить это дома.
Я остаюсь со всем 12-вольтовым оборудованием постоянного тока, которое имеет ограниченную опасность поражения электрическим током и позволяет использовать многие электрические компоненты, которые вы можете найти на месте. Тем не менее, слово предупреждения. Тот факт, что все будет той же низковольтной проводкой, которая используется в вашем автомобиле или лодке, еще не означает, что нет проблем с безопасностью.
  | 
 Любая батарея глубокого разряда содержит сотни ампер накопленной энергии, которая может легко расплавить толстую проволоку или электрические компоненты, если они неправильно подобраны и установлены неправильно.
 Я видел, как электрический кабель размером с большой палец быстро светился красным и плавился из-за неправильно установленной батареи. Этот светящийся кабель может легко воспламенить любые близлежащие стены, пол или крышу.
Это означает, что если я говорю использовать компонент определенного типа или размера, то на это есть веская причина. Вы не должны предполагать, что можете заменить все, что у вас есть, что «почти то же самое». Если вы хотите действительно упростить выбор оборудования, все необходимые компоненты доступны в предварительно упакованных комплектах солнечного освещения различных размеров.
Размер батареи
 Первое решение, которое нам нужно принять, это размер системы. Если вам нужно запитать всего несколько светильников в двух-трех комнатах в удаленной кабинке, то можно обойтись одной или двумя 12-вольтовыми батареями. Если вы хотите также питать небольшой морозильник постоянного тока или скважинный насос постоянного тока, вам понадобится от двух до четырех 6-вольтовых батарей.
 Ни при каких обстоятельствах не используйте стандартные автомобильные или грузовые аккумуляторы, так как они имеют очень тонкие свинцовые пластины для уменьшения веса и не прослужат долго при ежедневной езде на велосипеде.
 Обычно в этом приложении я бы рекомендовал использовать либо 12-вольтовые аккумуляторы для RV/морских транспортных средств, либо 6-вольтовые аккумуляторы для гольф-каров. Они доступны на месте и довольно недороги. Однако, если вы приобретете герметичную версию GEL или AGM, это значительно снизит любой риск выброса взрывоопасных газов или потребность в обслуживании батареи. Герметичные батареи стоят почти на 40% дороже, чем батареи с открытой крышкой того же размера, которые требуют полива, и они не служат дольше. Однако, поскольку вам не нужно строить специальное аккумуляторное отделение или вентилируемый корпус, это будет преимуществом при установке в небольшой кабине с ограниченным пространством для хранения. Независимо от типа батареи, аккумуляторную батарею следует изолировать в более холодных регионах, так как заряд батареи резко падает при температуре ниже 35 градусов.
Солнечная батарея
Размер и количество необходимых солнечных модулей зависит от емкости вашего аккумулятора и от того, где будет расположена автономная кабина. Если возможно, вы хотите, чтобы солнечная батарея была обращена на юг. В моем географическом регионе утро чаще всего туманное, а ближе к вечеру солнечное, голубое небо, поэтому я предпочитаю слегка юго-западную ориентацию.
Солнечный модуль обеспечивает наилучшую круглогодичную работу при угле наклона, равном вашей широте. Меньший угол улучшит производительность летом, а более крутой — зимой. Для большей части территории США это от 37 до 42 градусов. Если ваша каюта будет использоваться только часть года, вам следует использовать угол наклона, который будет производить больше энергии в течение этой части года.
 Ваша солнечная батарея может быть установлена на крыше вашей каюты, на ближайшем столбе, на земле на приподнятой раме или на ближайшем складском сарае. Солнечные модули довольно легкие, поэтому ваша основная проблема при монтаже — это поднятие ветром, а не обрушение крыши.
 В любой системе крепления должны использоваться только болты или шурупы из нержавеющей стали, проникающие в стропила или блокирующие, так как сильный ветер легко вырвет любые шурупы, проникающие только в обшивочную фанеру.
Размер массива
  | 
 Большинство продаваемых сегодня 12-вольтовых солнечных модулей имеют мощность менее 100 Вт. Текущая рыночная тенденция заключается в использовании более крупных модулей, для которых требуется номинальное выходное напряжение 24 вольта. Одна 6-вольтовая батарея для гольф-кара или 12-вольтовая батарея для фургонов с глубоким циклом будет хранить около 1 кВтч электроэнергии при разряде на 50%.
 По приблизительным подсчетам, это означает, что вам потребуется около 200 Вт солнечной батареи, чтобы перезарядить одну батарею за один день, при пяти часах пребывания под прямыми солнечными лучами.
Это типично для большинства летних месяцев, но во многих частях северной части Соединенных Штатов вы можете получить только три часа прямого солнечного света в течение коротких зимних дней. Это означает, что вам нужно будет увеличить соотношение солнечной батареи и батареи или просто уменьшить энергопотребление в периоды облачной погоды.
Существует множество проблем проектирования, связанных с несколькими «параллельными» солнечными модулями и батареями, поэтому гораздо проще использовать солнечные модули и батареи большей емкости, чем меньшие. Учитывайте это при покупке аккумуляторов и солнечных модулей. Заказ больших размеров в долгосрочной перспективе будет выгоднее, чем покупка более мелких и дешевых брендов, которые обычно можно найти на местном уровне.
Безопасность электропроводки
 Вы должны понимать, что электрические нагрузки той же мощности при 120 В переменного тока требуют в 10 раз больше амперного тока при 12 В постоянного тока.
 Ватт для данной нагрузки не меняется независимо от напряжения, поэтому две 100-ваттные лампочки, которым требуется 1,7 А при 120 В переменного тока (200 Вт/120 В), можно подключить проводом №14 с номинальным током 15 А. . Однако при 12 В постоянного тока эта же нагрузка будет потреблять 17 ампер (200 Вт/12 В), что превышает 15-амперный номинал провода №14.
Кроме того, эти две 100-ваттные лампочки будут работать только около пяти часов, прежде чем разрядится батарея глубокого разряда (5 часов x 100 Вт x 2 лампочки = 1 кВтч). Поэтому с самого начала вам нужно использовать только самое эффективное освещение постоянного тока и устройства постоянного тока, которые вы можете купить, и не основывать размер проводов на нагрузках переменного тока 120 В.
 Тот факт, что мы используем питание постоянного тока низкого напряжения, не означает, что нам не нужны предохранители или автоматические выключатели. Каждый провод, питающий нагрузку в вашей кабине, должен иметь предохранитель или автоматический выключатель соответствующего размера, чтобы предотвратить перегрузку и возможный пожар.
Обычно предохранитель или автоматический выключатель, рассчитанный на постоянный ток, физически крупнее и дороже, чем устройство переменного тока с таким же током. Также намного сложнее найти местного поставщика автоматических выключателей постоянного тока. Тем не менее, нам повезло, поскольку линейка автоматических выключателей переменного тока Square D «QO» также имеет двойной номинал до 48 В постоянного тока, но это относится только к линии «QO» Square D.
  | 
 Я не знаю ни одного другого недорогого автоматического выключателя, который обычно можно найти в местных источниках питания, который также рассчитан на работу с низким напряжением постоянного тока.
 Я предлагаю использовать восьмиконтурную подпанель Square D «QO» и однополюсные автоматические выключатели «QO» на 10 или 15 А для всей проводки нагрузки. У вас может возникнуть соблазн использовать более дешевые автомобильные предохранители постоянного тока, но они не одобрены для проводки в жилых помещениях. В вашем местном магазине товаров для автофургонов или лодок будет большой выбор осветительных приборов постоянного тока на 12 В, которые легко удовлетворят все ваши потребности в освещении. Они также доступны в защищенном от непогоды исполнении для наружного освещения. Купите светильники постоянного тока с внутренним выключателем, так как трудно найти выключатели постоянного тока, а установка проводки становится более дорогостоящей.
Система водоснабжения
 12-вольтовый напорный насос постоянного тока для дома на колесах или лодки может подавать воду под давлением в кухонную раковину или душ из резервуара для хранения. Как правило, это упрощает расходы на водопровод и высокое потребление электроэнергии для глубинного насоса.
 Этот резервуар можно пополнить из дождевой воды, близлежащего ручья или родника. Во всех нижних точках должны быть предусмотрены легкодоступные дренажные клапаны для быстрого слива воды из системы, чтобы предотвратить замерзание, когда она не занята. Очевидно, что эта вода не пригодна для питья или приготовления пищи без надлежащей обработки, но вы всегда можете пить бутилированную воду, которую приносите с собой во время каждого визита, и избежать затрат на бурение скважины или дополнительных затрат на солнечную энергию для питания скважинного насоса.
Охлаждение
Для автономной удаленной кабины наличие электрического холодильника или морозильной камеры значительно увеличивает размер и стоимость системы солнечной энергии. Наиболее очевидным решением для более коротких периодов использования кабины является наличие высококачественного ящика для льда, наполненного льдом. Я обнаружил, что модели с лучшей изоляцией могут удерживать лед до четырех дней.
 Промышленность по производству жилых автофургонов и лодок предлагает несколько 12-вольтовых холодильников и морозильников с питанием от постоянного тока и пропана, но большинство из них имеют очень высокую ежедневную электрическую нагрузку.
 Вы можете просмотреть мою статью в выпуске № 102 (ноябрь/декабрь 2006 г.), в которой содержится гораздо больше информации.0003
информация о холодильниках и морозильниках с питанием от постоянного тока. Если вы готовы потратить от 900 до 1500 долларов, есть несколько отличных 12-вольтовых холодильников и морозильников постоянного тока, разработанных специально для автономных солнечных домов, которым требуется гораздо меньше солнечной энергии для работы.
SunFrost и SunDanzer предлагают хороший выбор низкоэнергетических 12-вольтовых холодильников и морозильников постоянного тока для автономных солнечных батарей. Несмотря на высокую стоимость, эти сверхэффективные модели сэкономят тысячи долларов, поскольку вы можете обойтись гораздо меньшими солнечными батареями и батареями. Если вы будете использовать свою автономную кабину в течение более длительного времени, холодильник на солнечной энергии должен стать вашей самой важной покупкой.
Калибр проводов
 Для подключения осветительных приборов и приборов постоянного тока используйте те же процедуры и материалы, которые указаны в Национальном электротехническом кодексе (NEC).
 Мое единственное исключение – увеличить размер провода, чтобы уменьшить сопротивление провода, поскольку мы работаем с током, в 10 раз превышающим требуемый при 120 вольт переменного тока. В таблице на Рисунке 1 приведены номинальные значения тока NEC для проводки в доме самого распространенного размера, за которыми следует мой рекомендуемый размер провода для всех 12-вольтовых проводов постоянного тока:
Если ваш провод длиннее 50 футов, я бы выбрал следующий больший размер провода, хотя нагрузка все еще мала. Также используйте только медный провод. Алюминиевый провод дешевле, но он имеет более низкий номинальный ток, чем медный, при том же размере провода. Для всех соединений алюминиевых проводов требуются специальные антикоррозийные герметики, поэтому делайте это просто и используйте полностью медную проводку, а также устройства и разъемы из твердой меди.
 Вы можете упростить проводку, разместив панель автоматического выключателя рядом с входной дверью и использовать автоматические выключатели для включения и выключения нагрузок, не имеющих внутренних выключателей.
 Это связано с тем, что настенные выключатели переменного тока на 120 вольт, которые вы покупаете в любом оборудовании или строительном оборудовании, не могут использоваться для электроснабжения постоянного тока. Из-за постоянной характеристики потока электричества постоянного тока контакты переключателя переменного тока нередко «свариваются» вместе из-за искрения или даже плавятся при использовании в системах проводки постоянного тока.
 Поскольку ваша простая электрическая система постоянного тока будет обслуживать только несколько ламп постоянного тока и приборов постоянного тока, у вас не будет розеток по периметру, поскольку большинство электрических нагрузок будут подключены к клеммам, установленным в каждом устройстве. Однако, если вам нужно «отключить» прибор, они делают настенную розетку и вилку, предназначенную для обслуживания постоянного тока низкого напряжения. Два контакта розеток постоянного тока и вилки повернуты на 90 градусов по отношению к стандартной розетке переменного тока на 120 вольт, чтобы предотвратить случайное подключение устройства к сети с неправильным напряжением.
Проводка солнечных батарей и аккумуляторов
После монтажа модулей солнечной батареи приступите к монтажу соединительной проводки. Солнечные модули большей мощности, продаваемые сегодня, поставляются с предварительно подключенными разъемами типа «папа» и «мама» с несколькими футами провода. Меньшие модули по-прежнему имеют электрическую распределительную коробку сзади, поэтому вы можете использовать стандартные гибкие водонепроницаемые кабелепроводы из ПВХ и соединители кабелепроводов между распределительной коробкой каждого модуля.
 Помните, что эти солнечные модели будут подключены «параллельно», так как вы используете 12-вольтовую аккумуляторную систему. Это означает, что для вашей проводки могут потребоваться отдельные провода для каждого модуля, идущие обратно к центральному объединительному блоку, установленному на крыше. Вам также понадобится контроллер заряда солнечной батареи, который контролирует скорость зарядки аккумулятора и предотвращает перезарядку.
 Вы не должны подключать какой-либо солнечный модуль напрямую к аккумулятору без промежуточного контроллера заряда.
Если вы используете герметичные аккумуляторы GEL или AGM, крайне важно использовать высококачественный контроллер заряда с переключателем или перемычкой GEL/AGM, которая переключает зарядное напряжение на более низкое. Это предотвратит повреждение вашего нового блока аккумуляторов, поскольку стандартное заданное значение напряжения зарядки жидкостных элементов приведет к повреждению герметичных аккумуляторов.
Если вам нужно более четырех солнечных модулей, это затрудняет их параллельное подключение, поэтому вы можете рассмотреть возможность использования контроллера заряда, который позволяет использовать солнечную батарею более высокого напряжения с 12-вольтовой батареей.
 Это означает, что вы можете соединить свои солнечные модули последовательно, чтобы уменьшить параллельную проводку и получить 24- или 48-вольтовую солнечную батарею, питающую 12-вольтовую батарею.
 Все это будет зависеть от модели контроллера заряда солнечной батареи, которую вы приобретете.
Скорее всего, вы будете устанавливать от двух до четырех солнечных модулей мощностью менее 100 Вт каждый, но в более крупных системах вы можете добавить блок солнечного сумматора. Это похоже на панель предохранителей или автоматических выключателей, но предназначено для установки снаружи рядом с солнечной батареей. Если у вас несколько солнечных модулей, вы подключаете каждый из них отдельно к соседней коммутационной коробке, которая имеет отдельные клеммы, чтобы упростить эту проводку.
 Наконец, не забудьте установить предохранитель на положительный провод между солнечной батареей и контроллером заряда, а также между контроллером заряда и аккумулятором. В таких небольших системах вы можете использовать двухполюсный разъединитель с плавким предохранителем Square D и использовать каждый предохранитель отдельно для каждого провода, что позволяет использовать один разъединитель для разрыва обоих соединений с контроллером заряда.
Заземление системы
Возможно, вы строите свою автономную систему, в которой никогда не будет проводиться проверка электрических характеристик, а проводка с низким напряжением 12 В не приведет к поражению электрическим током, но это не причина не использовать методы безопасной проводки, в том числе заземление. Национальный электрический кодекс требует, чтобы все профессионально установленные солнечные батареи, установленные на крыше, включали автоматический выключатель защиты от замыкания на землю и отдельный провод заземления, соединяющий каждый солнечный модуль непосредственно с заземлением.
 Многие солнечные батареи, подключенные к сети, производят более 400 вольт, поэтому любое короткое замыкание на раму может фактически убить кого-то электрическим током, или короткое замыкание может привести к возникновению электрической дуги и вызвать электрический пожар. Меньшие 12-вольтовые солнечные системы постоянного тока, подобные этой и предназначенные для лодок, жилых автофургонов или кемпингов, обычно не включают это дополнительное защитное устройство из-за гораздо более низкого напряжения, и я не могу рекомендовать не включать его в проводку вашей солнечной батареи.
 Однако, если вы решите, что ваша небольшая солнечная батарея имеет очень ограниченный риск для безопасности, по-прежнему важно обеспечить хорошее заземление батареи, чтобы снизить риск повреждения молнией, поскольку вы закрепляете большие металлические предметы высоко на крыше на открытой площадке.
  | 
 Каждый солнечный модуль имеет предварительно просверленное и помеченное отверстие в раме для провода заземления, и для подключения каждого модуля следует использовать оголенный медный провод заземления. Не подсоединяйте заземляющий провод только к монтажной стойке массива, предполагая, что это заземлит всю группу модулей. Алюминий быстро подвергается коррозии при соединении болтами с другими металлами, что приводит к очень плохому электрическому соединению.
Не обрезая оголенный медный провод, соедините его с точкой заземления каждого модуля с помощью винта из листового металла из нержавеющей стали, а затем проведите вниз к стандартному 8-футовому стальному заземляющему стержню диаметром ½ дюйма, покрытому медью, ввинченному рядом с фундаментом кабины. Вам также необходимо добавить отдельный оголенный медный провод от этого же заземляющего стержня к заземляющей шине внутри панели главного автоматического выключателя и разъединителя массива с предохранителями. Для такой небольшой системы заземляющий провод из оголенной меди № 8 или № 10 соответствует нормам, но нормы также требуют, чтобы заземляющие провода меньше № 6 были в кабелепроводе, чтобы предотвратить повреждение меньшего провода. Обычно проще использовать более крупный провод № 6 и забыть о кабелепроводе.
Проверка и настройка
 Никогда, никогда не подключайте какие-либо провода к новой батарее, пока вы не проверите каждый провод отдельно с помощью вольтомметра, чтобы убедиться в отсутствии короткого замыкания и в том, что все положительные (+) провода подключены только к положительный (+) полюс аккумулятора, а все отрицательные (-) провода подключаются только к отрицательному (-) полюсу аккумулятора.
При использовании нескольких 6-вольтовых батарей или нескольких 12-вольтовых солнечных модулей очень легко получить неправильное выходное напряжение, поэтому также проверьте, чтобы не было несоответствия напряжений. Типичный 12-вольтовый солнечный модуль на самом деле измеряет от 17 до 21 вольт при полном солнечном свете и не подключен к какой-либо нагрузке, поэтому не позволяйте этому более высокому напряжению беспокоить вас. Однако, если вы измеряете более 21 вольта, у вас есть проблема, если вы не используете солнечное зарядное устройство, предназначенное для этих более высоких входных напряжений.
Я не рекомендую устанавливать инвертор на 120 В переменного тока в такую маленькую систему из-за ограниченной емкости солнечных батарей и аккумуляторов, а также дополнительных сложностей, связанных с наличием двух отдельных наборов проводки. Будьте проще и купите радио или телевизор с питанием от постоянного тока, если вам нужно развлечься.
 Теперь вы готовы включить каждый автоматический выключатель и начать пользоваться преимуществами, которые небольшая солнечная энергия может дать практически для любого удаленного приложения.

 
 Он нужен для розжига электрической дуги при использовании вольфрамового электрода. Кроме того, зажигать нужно на угольной пластине, а гасить вдали от свариваемых деталей.

 ..
 Кроме того, сварочный инвертор может быть использован для работы и с черными, и с цветными металлами и сплавами. Сфера применения таких устройств очень широка, скажем, в автосервисе, в строительстве, в быту и т.п.




