Трансформатор тд 500: WordPress › Ошибка
alexxlab | 09.05.2023 | 0 | Разное
Паспорт .Сварочный трансформатор ТД-500.
Загрузка …
Все с рубля!-
- Основной раздел
- Как работает аукцион
- Зачем регистрироваться?
- Как покупать?
- Как продавать?
- Частые вопросы
- Корзина
- Продать
- Регистрация
- Недавние 1
- Лоты 1
- Разделы
- Поиски
- Избранные
- Лоты
- Разделы
- Поиски
-
- Недавние 1
- Лоты 1
- Разделы
- Поиски
- Избранные
- Лоты
- Разделы
- Поиски
- Покупаю
- Главная страница
- Избранные лоты
- Торгуюсь сейчас
- Я купил
- Не купил
- Подписка на новые лоты
- Запросы лотов у продавцов
- Предложения продавцов
“>
Продаю - Продать
- В продаже
- Сделки
- Завершенные торги
- Пополнить счет
- Спрос
- Настройки продавца
- Мой магазин [подробнее]
- Активация
- Настройка
-
- Покупаю
- Избранные лоты
- Торгуюсь сейчас
- Я купил
- Подписка на новые лоты
- Запросы лотов у продавцов
- Предложения продавцов
- Продаю
- Продать
- В продаже
- Сделки
- Завершенные торги
- Пополнить счет
- Спрос
- Настройки продавца
Положить в корзину
Все фото на одной странице |
| |||
бытовая техника руководство Руководство по эксплуатации сварочный процесс сварочное оборудование трансформатор
Что можно сделать:
Обычно отвечает в течение 2 часов.
– Приватный вопрос
Положите в корзину один или несколько лотов, а затем купите их все сразу.
Купить этот лот по цене 70.00
Помощь: Как покупать?
Вы можете наблюдать за ходом торгов по этому лоту, добавив его в «Избранное».
Возможно, Вас заинтересуют лоты подобранные на основе ваших предпочтений
Все права защищены 1999-2022 Мешок
Thu, 16 Mar 2023 01:06:58 +0300
Контрольные вопросы
Как повлияет на величину тока дуги увеличение расстояния между первичной и вторичной обмотками трансформатора ТД-500?
Как осуществляется ступенчатая регулировка сварочного тока в трансформаторе ТД-500?
Каково назначение емкостного фильтра в конструкции трансформатора ТД-500?
Стабилизирован ли режим сварки при изменении сетевого напряжения в трансформаторе ТД-500?
Какова форма внешней характеристики трансформатора ТД-500 и чем в его конструкции она обеспечена?
- В каких режимах может работать трансформатор ТД-500?
Что необходимо предпринять для сварки на токах, превышающих номинальный ток трансформатора ТД-500?
Лабораторная работа 2 изучение сварочного трансформатора с увеличенным рассеянием типа стш-500
Цель работы:изучить конструкцию и принцип действия
сварочного трансформатора типа СТШ-500
с увеличенным магнитным рассеянием.
Основные сведения об устройстве и принципе работы трансформатора стш-500
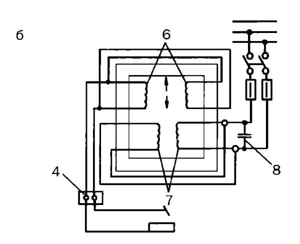
Сварочный однопостовой трансформатор типа СТШ-500 предназначен для питания электрической сварочной дуги переменным током частотой 50 Гц при ручной дуговой сварке, резке и наплавке металлов. Трансформатор СТШ-500 однофазный, стержневого типа, выполнен в однокорпусном исполнении. Он состоит из рамы с колесами, трансформатора, регулятора тока, указателя величины сварочного тока, кожуха, клеммника высокой стороны и фильтра радиопомех.
Рама с колесами
является несущей частью трансформатора,
предназначенного для преобразования
высокого напряжения питающей сети в
низкое сварочное напряжение. Трансформатор
состоит из сердечника, катушек первичной
и вторичной обмоток. Сердечник
трансформатора собирается из листов
электротехнической стали толщиной 0,5
мм в пакет. Пакет стянут шестью
изолированными шпильками, двумя
кронштейнами и двумя уголками. Катушки
первичной обмотки трансформатора
выполнены из изолированного алюминиевого
провода прямоугольного сечения.
Регулятор тока представляет собой два подвижных магнитных шунта, расположенных в окне магнитопровода (рис. 2.1). При вращении рукоятки ходового винта по часовой стрелке шунты раздвигаются, против часовой стрелки сдвигаются. Таким образом осуществляется плавное регулирование сварочного тока. Чем больше расстояние между шунтами, тем больше ток, и наоборот. Использование шунта, состоящего из двух частей, снижает его вибрацию, поскольку электродинамические силы, действующие на половинки шунта с частотой 100 Гц, уравновешиваются друг другом.
Рис. 2.1. Конструктивная схема трансформатора СТШ-500
Механический
указатель величины сварочного тока
является ориентировочным. На шкале
указателя дано значение сварочного
тока при номинальном сетевом напряжении
и напряжении на дуге 30 В.
Действительное
значение сварочного тока зависит от
напряжения сети и длины дуги, поэтому
показания шкалы могут иметь расхождения
с действительными значениями в процессе
работы. Для более точных измерений
величины сварочного тока необходимо
использовать амперметр.
Клеммник низкой стороны предназначен для подсоединения к трансформатору сварочных кабелей и расположен на правой боковой стенке. От случайного прикосновения и падающих предметов клеммник защищен кожухом. Клеммник высокой стороны предназначен для подключения к питающей сети. Он расположен на левой боковой стенке трансформатора и также защищен кожухом.
Для снижения помех радиоприему, создаваемых при сварке, трансформатор снабжен емкостным фильтром. Фильтр состоит из двух конденсаторов емкостью 0,01 мкФ, смонтированых на стороне высокого напряжения и подключенных между каждым зажимом первичной обмотки трансформатора и его кожухом.
По конструкции
трансформатор СТШ-500 относится к группе
сварочных трансформаторов с увеличенным
магнитным рассеянием.
Магнитопривод
трансформатора относится к стержневому
типу.
Первичная W1и вторичнаяW2 обмотки разнесены по высоте стержней магнитопровода. При прохождении тока по обмоткам возникают магнитные потоки. Основная часть магнитных потоков, создаваемых намагничивающими силами первичной и вторичной обмоток, замыкается по стержням и ярмам магнитопровода.Другая часть магнитных потоков замыкается через шунт и по воздуху, создавая потоки рассеяния Фр1и Фр2. Потоки рассеяния в трансформаторе создают реактивную ЭДС, которая и определяет его индуктивное сопротивление Хт (рис. 2.2).
Рис. 2.2. Распределение магнитных потоков в трансформаторе СТШ-500
Холостой ход. При холостом ходе ток во вторичной
обмотке отсутствует. Магнитный поток
в трансформаторе создается намагничивающей
силой первичной обмотки. Большая часть
магнитного потока замыкается по
магнитопроводу и взаимодействует с
обмотками.
,
где U1 напряжение питающей сети (первичной обмотки), В;W1иW2– число витков первичной и вторичной обмоток соответственно.
В трансформаторах с увеличенным магнитным рассеянием , а в силовых трансформаторах с малым магнитным рассеянием.
Трансформатор ТЭ 500-85/105
Перейти к основному содержанию
- Решения
- Для выбора и размещения
- для резки
- Для фокусировки
- Для дозирования
- Для проверки
- Для маркировки
- Продукты
- Системы позиционирования и движения
- Многоосевые системы
- Системы поворотных столов
- Системы линейных осей
- Сервоприводы
- Роторные серводвигатели
- Линейные двигатели
- Сервоусилители
- Компактные сервоприводы
- Шаговые двигатели
- Программное обеспечение
- Технологические функции
- Аксессуары
- Системы позиционирования и движения
- Инжиниринг
- Инженерная компетентность
- Тестирование и измерение
- Производство и производство
- Введение в эксплуатацию
- Документация
- Исследовать
- Услуга
- Доступ к информационному порталу JAT
- Запросить лицензию ECOSUITE / ECOSTUDIO
- Комиссионный ремонт / RMA
- Сообщить об ошибке
- Подписаться на новостную рассылку
- Компания
- О нас
- Обязательство
- Качество и сертификаты
Технические данные
| Входное напряжение AC | 230 /400 В AC | ||
| 85 /105 В AC | 908IP00 | ||
| Dimensions | 120 x 122 x 111 | ||
| Weight | 7,5 kg | ||
| Certificate | UL, CSA |
Трансформатор ТД 500-85/105 однофазный с выходным напряжением 85 В AC и 105 В AC .
Технический паспорт CAD-дата Связанные сервоусилители
Имя и фамилия
Компания
Другие необходимые опции
Защита ваших личных данных и тем самым вашей личной сферы является для нас очень важным вопросом. Мы обрабатываем персональные данные в соответствии с положениями Европейского регламента о защите данных (DS-GVO) и Федерального закона о защите данных (BDSG). Для получения дополнительной информации ознакомьтесь с нашим заявлением о конфиденциальности.
Я принял к сведению заявление о конфиденциальности.
Связанные сервоусилители
ЭКОВАРИО® 214
Технические характеристики
| Напряжение питания переменного тока | 105 В Переменный ток |
| Напряжение питания постоянного тока | 150 В DC |
| Напряжение звена постоянного тока | 150 В пост. ток |
| Количество осей | 1 |
| Категория мощности | 3,4 кВт |
| Макс. выходной ток | 14 A |
Мы будем рады ответить на ваши вопросы о наших решениях и продуктах, нашей компании и технологиях. Найдите нужное контактное лицо для вашего запроса.
Контактное лицо:
JAT – Jenaer Antriebstechnik GmbH
Buchaer Straße 1
07745 Jena | Германия
- +49 3641 63376-55
- [email protected]
Около 200 человек увлечены нестандартными приводными решениями. Мы команда , которая с уважением относится друг к другу при выполнении сложных проектов под конкретного заказчика. JAT – компания, которая берет на себя экономическую, экологическую и социальную ответственность. … MEHR >>
- Решения
- Engineering
- Продукты
- ОБЛЮДА США
- Карьера
- JAT Innovationspost
- IFFRINT
- LEDSING8
TD 500/150 T – диагональный канальный вентилятор с таймером выбега
Похоже, в вашем браузере отключен JavaScript.
Для использования функций этого веб-сайта в вашем браузере должен быть включен JavaScript.
Выберите вашу страну
Цены с учетом налогов без учета налогов
Поиск:
› Вентиляторы › Вентиляторы круглого сечения › TD Mixvent
SP200100043
превышение времени
центральный склад
Доставка до 20.03?
Заказать Завтра до 12:00
Вентилятор канальный TD 500/150 T предназначен для установки в воздуховоды круглого сечения.
Диагональный канальный вентилятор можно установить в любом положении. Клеммная колодка расположена на корпусе вентилятора. Канальный вентилятор TD 500/150 T подходит для использования в жилых домах, офисах, торговых центрах, коммерческих зданиях и т. д. Вентилятор TD 500/150 T доступен с таймером выбега , регулируемым в пределах 1 и 30 минут .
| СКОРОСТЬ [MIN-1] | 2590 |
|---|---|
| Объем воздушного потока [M3/H] | 560 |
| CUMIN 53 | |
| Напряжение | 230 В |
| Диаметр канала [мм] | 150 |
| Мин. температура [°C] | -20 |
| Макс. температура [°C] | 40 |
| Защита IP | IP44 |
- Описание
Вентиляторы TD T Mixvent для круглых диагональных каналов с таймером выбега предназначены для установки в круглых каналах.
Корпус вентилятора выполнен из качественного прочного пластика. Вентиляторы оснащены запатентованным векторным шумопоглотителем (см. чертеж).
Клеммная колодка расположена на корпусе вентилятора. Легкосъемный двигатель вентилятора TD Mixvent размещен во встроенном монтажном кронштейне, который позволяет легко монтировать его на стене или потолке.
Диагональные вентиляторы TD Mixvent могут устанавливаться в горизонтальном или вертикальном положении. Уникальная конструкция опорного кронштейна позволяет производить монтаж или демонтаж узла двигателя и рабочего колеса без демонтажа воздуховода.Корпус Корпус вентилятора изготовлен из качественного прочного пластика и состоит из кронштейна для настенного или потолочного монтажа, запатентованного шумопоглотителя и двигателя. Конструкция позволяет легко демонтировать моторную часть, которая крепится быстросъемными зажимами. Рабочее колесо Крыльчатка вентилятора диагональная, пластиковая. 
Двигатель Двигатель вентилятора асинхронный с короткозамкнутым ротором и не может управляться. Двигатели стандартно оснащены тепловым предохранителем от перегрева. Обмотка имеет влагозащиту и класс изоляции В. Двигатель канального вентилятора ТД легко снимается для обслуживания и ремонта. Клеммная колодка Клеммная колодка расположена на корпусе вентилятора и является съемной. Простая установка и подключение, степень защиты IP55. Уровень шума Шум, издаваемый вентилятором, указан в таблицах. Установка Вентилятор может быть установлен в любом положении. Корпус не должен передавать механические нагрузки от воздуховода. Необходимо использовать гибкие соединения ВБМ. Регулятор скорости Регулирование скорости осуществляется с помощью двухступенчатого регулятора или изменением напряжения. 
- Дополнительная информация
EAN 8413893077684 Вес (кг] 2 Доступность центральный склад Тип товара вентилятор Дизайн воздуховод Дизайн превышение времени Производитель Солер и Палау Мин. 

Сварочный трансформатор ТД-500.
ток
Корпус вентилятора выполнен из качественного прочного пластика. Вентиляторы оснащены запатентованным векторным шумопоглотителем (см. чертеж).
Клеммная колодка расположена на корпусе вентилятора. Легкосъемный двигатель вентилятора TD Mixvent размещен во встроенном монтажном кронштейне, который позволяет легко монтировать его на стене или потолке.
Диагональные вентиляторы TD Mixvent могут устанавливаться в горизонтальном или вертикальном положении. Уникальная конструкция опорного кронштейна позволяет производить монтаж или демонтаж узла двигателя и рабочего колеса без демонтажа воздуховода.

