Трансформаторы напряжения измерительные 10 кв – СЗТТ :: Измерительные трансформаторы напряжения
alexxlab | 12.02.2020 | 0 | Разное
Заземляемые трансформаторы напряжения 3НОЛ.06 Класс напряжения, кВ: 3-35 кВ | |
Заземляемые трансформаторы напряжения ЗНОЛП со встроенным предохранительным устройством Класс напряжения, кВ: 3, 6 или 10 | |
Заземляемый трансформатор напряжения ЗНОЛПМ со встроенным предохранительным устройством Класс напряжения, кВ: 6 или 10 | |
Заземляемые трансформаторы напряжения ЗНОЛ.01ПМИ со встроенными предохранительными устройствами Класс напряжения, кВ: 10 | |
Трехфазная группа трансформаторов напряжения 3хЗНОЛ.06 и 3хЗНОЛП Класс напряжения, кВ: 6 или 10 | |
Трехфазная группа трансформаторов напряжения 3хЗНОЛПМ Класс напряжения, кВ: 6 или 10 | |
Заземляемые трансформаторы напряжения ЗНОЛ наружной установки Класс напряжения, кВ: 3, 6 или 10 | |
Заземляемые трансформаторы напряжения ЗНОЛ.01П(И)-20 ! НОВИНКА ! Класс напряжения, кВ: 20 | |
Незаземляемые трансформаторы напряжения НОЛ.08 Напряжение основной вторичной обмотки, В: 100; 110 Номинальная мощность, ВА, в классе точности: от 15 до 300 | |
Незаземляемые трансформаторы напряжения НОЛ.08-6(10)М Класс напряжения, кВ: 6 или 10 | |
Трехфазная группа трансформаторов напряжения НОЛ.08-6(10)М ! НОВИНКА ! Класс напряжения, кВ: 6 или 10 | |
Незаземляемые трансформаторы напряжения НОЛП со встроенным предохранительным устройством Класс напряжения, кВ: 6 или 10 | |
Незаземляемые трансформаторы напряжения НОЛ Класс напряжения, кВ: 3, 6 или 10 | |
Незаземляемые трансформаторы напряжения НОЛ.11-6.О5 Класс напряжения, кВ: 6 | |
Незаземляемые трансформаторы напряжения НОЛ.12 ОМ3 Класс напряжения, кВ: 0.66, 6 или 10 | |
Заземляемые трансформаторы напряжения ЗНОЛ.06-27(35) (ЗНОЛЭ-35) Класс напряжения, кВ: 27 или 35 | |
Заземляемый трансформатор напряжения ЗНОЛ-35 наружной установки Класс напряжения, кВ: 27 или 35 | |
Заземляемый трансформатор напряжения ЗНОЛ.01ПМИ-35 Класс напряжения, кВ: 35 | |
Незаземляемый трансформатор напряжения НОЛ-20, НОЛ-35 Класс напряжения, кВ: 20 или 35 | |
Незаземляемые трансформаторы напряжения НОЛ-35 III наружной установки Класс напряжения, кВ: 35 Номинальная мощность, ВА, в классе точности: от 50 до 600 | |
Трансформаторы напряжения НТМИА-6(10) Класс напряжения, кВ: 6 или 10 | |
Устройство защиты от феррорезонанса СЗТн | |
НОЛ.08.3-6(10)М |
www.cztt.ru
устройство, классификация, принцип работы, видео
Трансформатор напряжения – это один из видов трансформаторов, который еще называют измерительным, предназначеннный для отделения первичных цепей высокого и сверх высокого напряжений и цепей измерений, РЗ и А. Также их используют для понижения высоких напряжений (110, 10 и 6 кВ) до стандартных нормируемых величин напряжений вторичных обмоток – 100 либо 100/√3.
Помимо этого, применение трансформаторов напряжение в электроустановках позволяет изолировать маломощные низковольтные измерительные приборы и устройства, что удешевляет стоимость и позволяет использовать более простое оборудование, а также обеспечивает безопасность обслуживания электроустановок.
Трансформаторы напряжения нашли широкое применение в силовых электроустановках высокого напряжения
От точности их работы зависит правильность коммерческого учета электроэнергии, селективность действия устройств РЗ и противоаварийной автоматики, также они служат для синхронизации и питания автоматики релейной защиты ЛЭП от коротких замыканий, и др.
- силовых трансформаторов. Он состоит из обмоток: первичной и одной либо нескольких вторичных и стального сердечника, набранного листами электротехнической стали. Первичная обмотка имеет большее количество витков, в сравнении со вторичной. На первичную — подается напряжение, которое требуется измерить, а ко вторичным — подключаются ваттметр и пр. измерительные аппараты. Поскольку ваттметр имеет значительное сопротивление, то по вторичной принято считать, что протекает малый ток. Поэтому полагают, что измерительный трансформатор напряжения функционирует в режимах близких к холостому ходу. Такие трансформаторы оснащают разъемами для подключения: первичная обмотка присоединяется к цепям силового напряжения, а ко вторичной могут подключены — реле, обмотки вольтметра или ваттметра и пр. приборы. Принцип действия у них аналогичен силовому трансформатору: трансформирование напряжения в измерительном трансформаторе производится переменным магнитным полем. Интересное видео о работе и принципе устройста трансформаторов тока смотрите ниже: Потери намагничивания обуславливают некоторую погрешность в классах точности. Погрешность определяется: конструкцией магнитопровода; проницаемостью стали; коэффициентом мощности, т.е. зависит от вторичной нагрузки. Конструкцией предусматривается компенсация погрешности по напряжению благодаря уменьшению количества витков первичной обмотки, устранению угловой погрешности с помощью компенсирующих обмоток. Простейшая схема включения трансформатора напряжения Классификация трансформаторов напряжения Трансформаторы напряжения принято разделять по следующим признакам: По количеству фаз: однофазные; трехфазные. По числу обмоток: 2-х-обмоточные; 3-х-обмоточные. По способу действия системы охлаждения: электрические устройства с масляным охлаждением; электрические устройства с воздушной системой охлаждения ( с литой изоляцией либо сухие). По способу установки и размещения: для наружной установки; для внутренней; для комплектных РУ. По классу точности: по нормируемым величинам погрешностей. Виды трансформаторов напряжения Рассмотрим несколько трансфомраторов напряжения разных производителей: Трансформатор напряжения ЗНОЛ-НТЗ-35-IV-11 Производиель — Невский трансформаторный завод «Волхов». Назначение и область применение ЗНОЛ-НТЗ Трансформаторы предназначены для наружной установки в открытых распределительных устройствах (ОРУ). Трансформаторы обеспечивают передачу сигнала измерительной информации измерительным приборам и устройствам защиты и управления, предназначены для использования в цепях коммерческого учета электроэнергии в электрических установках переменного тока на класс напряжения 35 кВ. Трансформаторы выполнены в виде опорной конструкции. Корпус трансформаторов выполнен из компаунда на основе гидрофобной циклоалифатической смолы «Huntsman», который одновременно является основной изоляцией и обеспечивает защиту обмоток от механических и климатических воздействий.Рабочее положение трансформаторов в пространстве — вертикальное, высоковольтными выводами вверх. Рисунок — Габаритные размеры трансформатора Рисунок — схемы подключения обмоток трансформаторов Характеристики: Класс напряжения по ГОСТ 1516.3, кВ — 27 35 27 Наибольшее рабочее напряжение, кВ — 30 40,5 40,5 Номинальное напряжение первичной обмотки, кВ — 15,6 20,2 27,5 Номинальное напряжение основной вторичной обмотки, В — 57,7 100 Номинальное напряжение дополнительной вторичной обмотки, В — 100/3, 100 127 Номинальные классы точности основной вторичной обмотки — 0,2; 0,5; 1; 3 Ещё одно интересное видео о работе трансформаторов тока: Трехфазная антирезонансная группа трансформаторов напряжения 3хЗНОЛПМ(И) Производитель «Свердловский завод трансформаторов тока» Назначение 3хЗНОЛПМ(И) Трансформаторы предназначены для установки в комплектные устройства (КРУ), токопроводы и служат для питания цепей измерения, защиты, автоматики, сигнализации и управления в электрических установках переменного тока частоты 50 или 60 Гц в сетях с изолированной нейтралью. Трансформаторы изготавливаются в климатическом исполнении «УХЛ» категории размещения 2 по ГОСТ 15150. Рабочее положение — любое. Расположение первичного вывода возможно как с лицевой так и с тыльной стороны трансформатора. Трехфазная группа может комплектоваться в 4-ех вариантах: из трех трансформаторов ЗНОЛПМ — 3хЗНОЛПМ-6 и 3хЗНОЛПМ-10; из трех трансформаторов ЗНОЛПМИ — 3хЗНОЛПМИ-6 и 3хЗНОЛПМИ-10; из одного трансформатора ЗНОЛПМ (устанавливается по середине) и двух трансформаторов ЗНОЛПМИ (устанавливаются по краям) — 3хЗНОЛПМ(1)-6 и 3хЗНОЛПМ(1)-10; из двух трансформаторов ЗНОЛПМ (устанавливаются по краям) и одного трансформатора ЗНОЛПМИ (устанавливается по середине) — 3хЗНОЛПМ(2)-6 и 3хЗНОЛПМ(2)-10. Для повышения устойчивости к феррорезонансу и воздействию перемежающейся дуги в дополниетльные обмотки, соединенные в разомкнутый треугольник, используемые для контроля изоляции сети, рекомендуется включать резистор сопротивлением 25 Ом, рассчитанный на длительное протекание тока 4А. Внимание! При заказе трансформаторов напряжения для АИСКУЭ обязательно заполнение опросного листа. Гарантийный срок эксплуатации — 5 (пять) лет со дня ввода трансформатора в эксплуатацию, но не более 5,5 лет с момента отгрузки с завода-изготовителя. Срок службы — 30 лет. НАМИТ-10-2 Производитель ОАО «Самарский Трансформатор» Назначение и область применения Трансформатор напряжения НАМИТ-10-2 УХЛ2 трехфазный масляный антирезонансный является масштабным преобразователем и предназначен для выработки сигнала измерительной информации для измерительных приборов в цепях учёта, защиты и сигнализации в сетях 6 и 10 кВ переменного тока промышленной частоты с изолированной нейтралью или заземлённой через дугогасящий реактор. Трансформатор устанавливается в шкафах КРУ(Н) и в закрытых РУ промышленных предприятий Технические параметры трансформатора напряжения НАМИТ-10-2 Номинальное напряжение первичной обмотки, кВ — 6 или 10 Наибольшее рабочее напряжение, кВ — 7,2 или 12 Номинальное напряжение основной вторичной обмотки (между фазами), В — 100 (110) Ннапряжение дополнительной вторичной обмотки (аД — хД), не более, В — 3 Класс точности основной вторичной обмотки — 0,2/0,5 Рисунок — Габаритные размеры и схема подключения
- Классификация трансформаторов напряжения
- Виды трансформаторов напряжения
- Трансформатор напряжения ЗНОЛ-НТЗ-35-IV-11
- Назначение и область применение ЗНОЛ-НТЗ
- Трехфазная антирезонансная группа трансформаторов напряжения 3хЗНОЛПМ(И)
- Назначение 3хЗНОЛПМ(И)
- НАМИТ-10-2
- Назначение и область применения
- Технические параметры трансформатора напряжения НАМИТ-10-2
силовых трансформаторов. Он состоит из обмоток: первичной и одной либо нескольких вторичных и стального сердечника, набранного листами электротехнической стали. Первичная обмотка имеет большее количество витков, в сравнении со вторичной. На первичную — подается напряжение, которое требуется измерить, а ко вторичным — подключаются ваттметр и пр. измерительные аппараты. Поскольку ваттметр имеет значительное сопротивление, то по вторичной принято считать, что протекает малый ток. Поэтому полагают, что измерительный трансформатор напряжения функционирует в режимах близких к холостому ходу.
Такие трансформаторы оснащают разъемами для подключения: первичная обмотка присоединяется к цепям силового напряжения, а ко вторичной могут подключены — реле, обмотки вольтметра или ваттметра и пр. приборы. Принцип действия у них аналогичен силовому трансформатору: трансформирование напряжения в измерительном трансформаторе производится переменным магнитным полем.
Интересное видео о работе и принципе устройста трансформаторов тока смотрите ниже:
Потери намагничивания обуславливают некоторую погрешность в классах точности.
Погрешность определяется:
Конструкцией предусматривается компенсация погрешности по напряжению благодаря уменьшению количества витков первичной обмотки, устранению угловой погрешности с помощью компенсирующих обмоток. Простейшая схема включения трансформатора напряжения
Классификация трансформаторов напряжения
Трансформаторы напряжения принято разделять по следующим признакам:
- По количеству фаз:
- однофазные;
- трехфазные.
- По числу обмоток:
- 2-х-обмоточные;
- 3-х-обмоточные.
- По способу действия системы охлаждения:
- электрические устройства с масляным охлаждением;
- электрические устройства с воздушной системой охлаждения ( с литой изоляцией либо сухие).
- По способу установки и размещения:
- для наружной установки;
- для внутренней;
- для комплектных РУ.
- По классу точности: по нормируемым величинам погрешностей.
Виды трансформаторов напряжения
Рассмотрим несколько трансфомраторов напряжения разных производителей:
Трансформатор напряжения ЗНОЛ-НТЗ-35-IV-11
Производиель — Невский трансформаторный завод «Волхов».
Назначение и область применение ЗНОЛ-НТЗ
Трансформаторы предназначены для наружной установки в открытых распределительных устройствах (ОРУ). Трансформаторы обеспечивают передачу сигнала измерительной информации измерительным приборам и устройствам защиты и управления, предназначены для использования в цепях коммерческого учета электроэнергии в электрических установках переменного тока на класс напряжения 35 кВ. Трансформаторы выполнены в виде опорной конструкции.
Корпус трансформаторов выполнен из компаунда на основе гидрофобной циклоалифатической смолы «Huntsman», который одновременно является основной изоляцией и обеспечивает защиту обмоток от механических и климатических воздействий.Рабочее положение трансформаторов в пространстве — вертикальное, высоковольтными выводами вверх.

Рисунок — Габаритные размеры трансформатора 
Рисунок — схемы подключения обмоток трансформаторов
Характеристики:
- Класс напряжения по ГОСТ 1516.3, кВ — 27 35 27
- Наибольшее рабочее напряжение, кВ — 30 40,5 40,5
- Номинальное напряжение первичной обмотки, кВ — 15,6 20,2 27,5
- Номинальное напряжение основной вторичной обмотки, В — 57,7 100
- Номинальное напряжение дополнительной вторичной обмотки, В — 100/3, 100 127
- Номинальные классы точности основной вторичной обмотки — 0,2; 0,5; 1; 3
Ещё одно интересное видео о работе трансформаторов тока:

Трехфазная антирезонансная группа трансформаторов напряжения 3хЗНОЛПМ(И)
Производитель «Свердловский завод трансформаторов тока»
Назначение 3хЗНОЛПМ(И)
Трансформаторы предназначены для установки в комплектные устройства (КРУ), токопроводы и служат для питания цепей измерения, защиты, автоматики, сигнализации и управления в электрических установках переменного тока частоты 50 или 60 Гц в сетях с изолированной нейтралью.
Трансформаторы изготавливаются в климатическом исполнении «УХЛ» категории размещения 2 по ГОСТ 15150.
Рабочее положение — любое.
Расположение первичного вывода возможно как с лицевой так и с тыльной стороны трансформатора.
Трехфазная группа может комплектоваться в 4-ех вариантах:
- из трех трансформаторов ЗНОЛПМ — 3хЗНОЛПМ-6 и 3хЗНОЛПМ-10;
- из трех трансформаторов ЗНОЛПМИ — 3хЗНОЛПМИ-6 и 3хЗНОЛПМИ-10;
- из одного трансформатора ЗНОЛПМ (устанавливается по середине) и двух трансформаторов ЗНОЛПМИ (устанавливаются по краям) — 3хЗНОЛПМ(1)-6 и 3хЗНОЛПМ(1)-10;
- из двух трансформаторов ЗНОЛПМ (устанавливаются по краям) и одного трансформатора ЗНОЛПМИ (устанавливается по середине) — 3хЗНОЛПМ(2)-6 и 3хЗНОЛПМ(2)-10.
Для повышения устойчивости к феррорезонансу и воздействию перемежающейся дуги в дополниетльные обмотки, соединенные в разомкнутый треугольник, используемые для контроля изоляции сети, рекомендуется включать резистор сопротивлением 25 Ом, рассчитанный на длительное протекание тока 4А.
Внимание! При заказе трансформаторов напряжения для АИСКУЭ обязательно заполнение опросного листа.
Гарантийный срок эксплуатации — 5 (пять) лет со дня ввода трансформатора в эксплуатацию, но не более 5,5 лет с момента отгрузки с завода-изготовителя.
Срок службы — 30 лет.

НАМИТ-10-2
Производитель ОАО «Самарский Трансформатор»
Назначение и область применения
Трансформатор напряжения НАМИТ-10-2 УХЛ2 трехфазный масляный антирезонансный является масштабным преобразователем и предназначен для выработки сигнала измерительной информации для измерительных приборов в цепях учёта, защиты и сигнализации в сетях 6 и 10 кВ переменного тока промышленной частоты с изолированной нейтралью или заземлённой через дугогасящий реактор. Трансформатор устанавливается в шкафах КРУ(Н) и в закрытых РУ промышленных предприятий
Технические параметры трансформатора напряжения НАМИТ-10-2
- Номинальное напряжение первичной обмотки, кВ — 6 или 10
- Наибольшее рабочее напряжение, кВ — 7,2 или 12
- Номинальное напряжение основной вторичной обмотки (между фазами), В — 100 (110)
- Ннапряжение дополнительной вторичной обмотки (аД — хД), не более, В — 3
- Класс точности основной вторичной обмотки — 0,2/0,5

Рисунок — Габаритные размеры и схема подключения
pue8.ru
Трансформаторы напряжения для сетей 6-10 кВ Причины повреждаемости. Трансформатор напряжения 10 кв
Трансформатор НТМИ: устройство, схема и характеристики
Трансформатор типа НТМИ – оборудование, способное в больших масштабах преобразовывать, измерять электрический ток переменного типа для работы защиты, сигнализации и прочего подобного оборудования. Агрегат позволяет контролировать состояние изоляционных слоев в сети. Чтобы правильно выбрать измерительные трансформаторы, необходимо рассмотреть технические характеристики, особенности ввода в эксплуатацию.

Устройство
Трансформатор типа НТМИ 6 (10) кВ применимо для изменения показателей напряжения, учета электроэнергии в сети. Применяются в системах с нейтралью изолированного класса. Пользователи спрашивают при покупке, обязательно ли заземление для представленных конструкций. Паспорт прибора дает четкий ответ. В автоматических сетях обязательна нейтраль и заземление. Схема подключения трансформатора, обслуживание агрегата представлены производителем в инструкции.

Емкость трансформатора является металлической конструкцией. На крышке предусмотрены крюки, позволяющие транспортировать и устанавливать прибор на выделенной территории. Внизу конструкция имеет пробку для масла. Здесь установлен болт заземления. Сверху агрегата находятся выходы ВН, НН. Отверстие для доливки масляного охладителя находится здесь же, закрывается пробкой.
Трансформатор категории НТМИ 10 (6) кВ наделен стальным сердечником. Контур катушек медный.
Сборка и введение в эксплуатацию
Трансформатор напряжения группы НТМИ 10 (6) кВ имеет различные габариты и массу (в соответствии с мощностью). Стоимость также отличается в соответствии с указанными характеристиками. Сборка производится согласно инструкции производителя. Обмотки необходимо зафиксировать на стержнях магнитопривода, монтируется ярмо. Электрическая коммутация производится в соответствии с существующими стандартами. Выполняется процедура сушки.

Активную часть устанавливают в бак. Контролируется качество соединения обмоток пока агрегат не под напряжением. Оценивается коэффициент трансформации, погрешность при угловом сдвиге векторов фазы. Трансформатор напряжения категории НТМИ 6 (10) кВ нужно тщательно просушить. Проверяются соединения. Крышка ставится на предусмотренное место, заливается масло в бак.
Уровень охладительной жидкости контролируется. Качество масла соответствует требованиям стандартов. Монтируются дополнительные аксессуары.
Обозначение
Агрегаты представленного типа обозначаются по установленной системе. Маркировка позволяет определить особенности аппаратуры. Обслуживающий персонал должен видеть табличку с информацией о виде аппаратуры. Расшифровка данных следующая: НТМИ-6(10) – УЗ (ТЗ).
- Н — трансформатор напряжения.
- Т — трехфазный.
- М – охладитель системы масляного типа, циркуляция естественная.
- И – измерительный, предусмотрена дополнительная обмотка типа КИЗ.
- 6(10) – параметры обмотки выводов ВН, кВ.
- УЗ (ТЗ) – разновидность климатического размещения.
Информация наносится на специальную табличку, которая крепится винтами к корпусу трансформатора. Маркировку необходимо разместить в доступном для обозрения месте.

Особенности эксплуатации
Установки представленной категории эксплуатируются строго в соответствии с общепризнанными стандартами. Ввод в эксплуатацию, контроль состояния оборудования производится обученными, опытными сотрудниками.

Представленная аппаратура устанавливается в районах с умеренным и холодным типом климата. Рядом запрещается хранить пожароопасные, взрывчатые, химические вещества, газы, жидкости.
Установка агрегата производится на высоте не более 1 км над уровнем моря. Конструкция не рассчитана на работу в условиях вибрации, механических ударов или тряски. Рабочий цикл достаточно длительный. Отключение аппаратуры производится для проведения планового ремонта, обслуживания. При появлении признаков неисправности, в аварийной ситуации, питание немедленно отключается.

Температура окружающей среды может достигать от +40 до -45ºС для категории У1. Климатическое исполнение ХЛ1 разрешает эксплуатацию в диапазоне от +40 до -60ºС. Относительная влажность составляет 80%. Перечисленные условия способству
10i5.ru
Измерительные трансформаторы напряжения. Устройство и работа
Измерительные трансформаторы напряжения предназначены для возможности измерения высокого напряжения электроустановок переменного тока путем снижения этого напряжения для подачи на защитные реле, приборы измерения и системы автоматики.
При отсутствии измерительных трансформаторов понадобилось бы применять приборы и реле с большими габаритными размерами, так как необходима надежная изоляция от высокого напряжения, которая увеличивает размеры устройств. Изготовить такое оборудование практически невозможно, так как напряжения линий могут достигать величины 110 киловольт.
Измерительные трансформаторы для замера напряжения дают возможность применять стандартные обычные приборы для измерений электрических параметров, при этом увеличивая их диапазон измерения. Защитные реле, подключаемые через эти трансформаторы, могут применяться обычного исполнения.
Гальваническая развязка, которую обеспечивают трансформаторы путем отделения измерительной цепи от высокого напряжения, позволяет создать необходимый уровень безопасности обслуживающего персонала.
Такие трансформаторы нашли свою популярность в устройствах высокого напряжения. От их качественного функционирования зависит степень точности учета расхода электрической энергии и электрических измерений, а также автоматических аварийных систем и защитных реле.
Устройство и работа
Измерительные трансформаторы устроены аналогично понижающим силовым трансформаторам, и состоят из металлического сердечника, выполненного из электротехнической листовой стали, первичной и вторичной обмоток. Трансформаторы могут оснащаться несколькими вторичными обмотками, в зависимости от конструкции и предъявляемых требований к трансформатору.
К первичной обмотке подключается высокое напряжение, а с вторичной обмотки снимается напряжение измерительными устройствами. Коэффициент трансформации такого устройства равен отношению первичного высокого напряжения к номинальному значению вторичного напряжения.
Если бы трансформатор функционировал абсолютно без потерь и с абсолютной точностью, то оба напряжения на обеих обмотках совпадали бы по фазе, и коэффициент трансформации был бы равен единице. Однако на практике коэффициент трансформации всегда меньше единицы, так как всегда имеются некоторые потери энергии при работе трансформатора.
Погрешность измерительного трансформатора зависит от:
- Величины вторичной нагрузки.
- Магнитной проницаемости сердечника.
- Устройства магнитопровода.
Существуют методы снижения погрешности по напряжению путем снижения числа витков первичной обмотки, добавления различных компенсирующих обмоток.
Число витков первичной обмотки намного больше, чем вторичной. Измеряемое напряжение подается на первичную обмотку, к вторичной обмотке подключают различные измерительные приборы: вольтметры, ваттметры, фазометры и т. д.
Трансформаторы напряжения эксплуатируются в режимах, подобных холостому ходу. Это объясняется тем, что подключенный к вторичной обмотке прибор, например, вольтметр, обладает большим сопротивлением, и ток, протекающий по этой обмотке, очень незначителен.
Особенности подключения
Трансформаторы могут устанавливаться как на шинах подстанции, так и на каждом отдельном объекте. Перед электрическим монтажом необходимо осмотреть трансформатор на предмет необходимого уровня масла для масляных моделей, исправности армированных швов, целостности изоляции.
При проведении монтажа обе обмотки трансформатора должны быть завернуты в изоляцию, так как случайное касание выводов вторичной обмотки с проводами, находящимися под напряжением, может привести к возникновению на первичной обмотке опасного для жизни напряжения.
Для безопасности вторичную обмотку перед подключением заземляют. Это предотвращает возможность попадания высокого напряжения в цепи низкого напряжения при возможном пробивании изоляции.
Необходимо учитывать, что если к вторичной цепи подключить слишком много измерительных и других приборов, то величина тока вторичной цепи значительно увеличится, так же как и погрешность измерения. Вследствие этого необходимо следить, чтобы общая мощность присоединенных приборов не превзошла наибольший допустимый предел мощности, определенный инструкцией или паспортом трансформатора.
При превышении общей мощности допустимой величины целесообразно подключить дополнительный трансформатор, и переключить на него несколько приборов от первого трансформатора.
Трансформаторы должны иметь защиту от короткого замыкания, в противном случае при коротком замыкании обмотки перегреются, и изоляция будет повреждена. Для этого в цепях всех незаземленных проводников подключают электрические автоматы, а также рубильники (для образования видимого разрыва цепи при ее отключении). Первичную обмотку трансформатора чаще всего защищают путем установки предохранителей.
Разновидности
Измерительные трансформаторы классифицируются по нескольким признакам и параметрам. Рассмотрим основные из таких признаков и параметров.
По числу фаз:
- Однофазные.
- Трехфазные.
По количеству обмоток:
- Трехобмоточные.
- Двухобмоточные.
По методу охлаждения:
- С воздушным охлаждением (сухие).
- С масляным охлаждением.
По месту монтажа:
- Внутренние (для монтажа внутри помещений).
- Внешние (для установки снаружи помещений).
- Для распределительных устройств.
По классам точности: 0,2; 0,5; 1; 3.
Измерительные трансформаторы с несколькими обмотками
К таким трансформаторам есть возможность подключения сигнализирующих устройств, которые подают сигнал о замыкании цепи с изолированной нейтралью, а также защитных устройств, защищающих от замыканий в цепи с заземленной нейтралью.
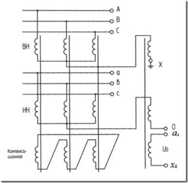
На рисунке «а» изображена схема с 2-мя вторичными обмотками. На рисунке «б» показана схема 3-х трехфазных трансформаторов. В них первичные и основные вторичные обмотки соединены по схеме звезды, а нейтральный проводник соединен с землей. На приборы измерения могут подключаться три фазы и ноль от основных вторичных обмоток. Вспомогательные вторичные обмотки соединены «треугольником». От этих обмоток поступает сумма напряжений фаз на дополнительные устройства: сигнальные, защитные и другие.
Основные схемы подключения
Наиболее простая схема с применением однофазного трансформатора изображена на рисунке 4 «а». Она используется в панелях запуска электродвигателей, на пунктах переключения напряжением до 10 киловольт, для подключения реле напряжения и вольтметра.
Схема по рисунку 4 «б» используется для неразветвленных цепей в электроустановках от 0,4 до 10 киловольт. Это дает возможность установить заземление вторичных цепей возле трансформаторов.
Во вторичной цепи, изображенной на рисунке 4 «в», подключен двухполюсный автомат вместо предохранителей. При срабатывании автомата его контакт замкнет сигнальную цепь «обрыв цепи». Вторичные обмотки заземлены в фазе В на щите. Рубильником можно выключить вторичную цепь, и обеспечить при этом видимый разрыв. Такая схема используется в электроустановках от 6 до 35 киловольт при разветвленных вторичных цепях.
На рисунке 4 «г» измерительные трансформаторы подключены схемой «треугольник-звезда». Это позволяет создать вторичное напряжение, необходимое для приборов автоматической регулировки возбуждения компенсаторов. Для надежности функционирования этих приборов предохранители во вторичных цепях не подключают.
Похожие темы:
electrosam.ru
Трансформаторы напряжения. | ЭЛЕКТРОлаборатория
Доброе время суток, дорогие друзья!
Сегодня продолжим разговор о измерительных трансформаторах. Поговорим о трансформаторах напряжения.
В ходе работы мне чаще всего приходится сталкиваться с трансформаторами напряжения следующих типов: НТМИ, который сейчас вытесняется НАМИ и ЗНОЛ.
Назначение трансформаторов напряжения (ТН).
При напряжении свыше 1000 В, непосредственное включение приборов недопустимо как по условию изоляции, так и безопасности обслуживающего персонала. В связи с этим при высоких напряжениях измерительные приборы включаются через промежуточные измерительные трансформаторы, называемые трансформаторами напряжения (ТН).
ТН предназначены как для измерения напряжения, мощности, энергии, так и для питания автоматики, синхронизации и релейной защиты ЛЭП от замыканий на землю.
Обозначения некоторых ТН, наиболее используемых в электроустановках.
НОМ – ТН. Однофазный, масляный;
ЗНОМ – заземляемый ввод ВН, напряжения, однофазный, масляный;
НТМИ – напряжения, трехфазный, масляный, с обмоткой для контроля изоляции сети;

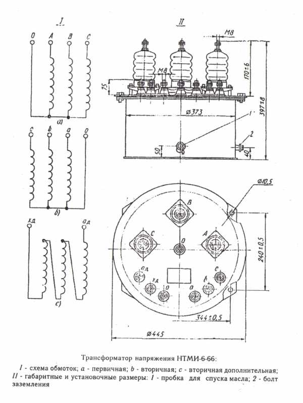
Рисунок 1. Внешний вид ТН НТМИ-6(10)кВ.

Рисунок 2. Схема соединения обмоток ТН НТМИ-6(10)кВ.
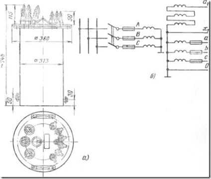
НАМИ – напряжения, антирезонансный, масляный, с обмоткой для контроля изоляции сети;

Рисунок 3. Внешний вид ТН НАМИ-6(10)кВ.

Рисунок 4. Схема соединения обмоток ТН НАМИ-6(10)кВ.
НКФ – напряжения, каскадный, в фарфоровой покрышке;
СР – серия трансформаторов напряжения: измерительный, однофазный, емкостной напряжением 110-500 кВ.
НОЛ.11-6.05; НОЛ.0.8; НОЛ.12; НОЛ – незаземляемые трансформаторы напряжения 3-6-10 кВ;
ЗНОЛ.06; ЗНОЛЭ-35; ЗНОЛ – заземляемые ТН;
ЗхЗНОЛ; ЗхЗНОЛП – трехфазные антирезонансные группы ТН;

Рисунок 5. Внешний вид ТН 3хЗНОЛ-6(10)кВ

Рисунок 6. Схема соединения обмоток ТН 3хЗНОЛ-6(10)кВ.
Хочу отметить, что в высоковольтных узлах учета, устанавливаемых на ВЛ-10кВ вместо резисторов R1; R2; R3 (2,4кОм) устанавливается один резистор R (0,8кОм). Часто возникающий дефект – прогорание изоляции в точке соединения вывода Х ТН и резистора R1(R2 илиR3), что приводит перегоранию предохранителя в фазе, в которой стоит поврежденный резистор
ЗНОЛП; НОЛП – заземляемые и незаземляемые ТН со встроенными защитными предохранительными устройствами. В трансформаторах этих серий высоковольтные выводы первичной обмотки выполнены со встроенными защитными предохранительными устройствами (ЗПУ), которые, также как и магнитопровод с обмотками залиты изоляционным компаундом, образуя монолитный блок. ЗПУ выполнено в виде разборной конструкции с плавкой вставкой, представляющей собой металлодиэлектрический резистор, подобранный для каждого типа трансформаторов. Это устройство срабатывает при токах менее 1 А, время отключения от 5 до 10 секунд. После срабатывания ЗПУ подлежит перезарядке, которая производится персоналом предприятия, эксплуатирующего трансформатор.

Рисунок 7. Расположение ТН в высоковольтной ячейке.
Какое напряжение принято во вторичной обмотки ТН .
Для основной вторичной обмотки ТН с номинальным напряжением, соответствующим линейному напряжению сети, установлено напряжение 100 В. Соответственно для ТН с фазным номинальным напряжением основной вторичной обмотки 100 /В при включении их по схеме звезда-звезда вторичное линейное напряжение, соответствующее номинальному, будет тоже 100 В.
Номинальное напряжение дополнительных вторичных обмоток устанавливается таким образом, чтобы максимальное значение напряжения 3Uо (на разомкнутом треугольнике) при однофазном замыкании на землю в сети, когда линейное напряжение соответствует номинальному напряжению ТН, было 100 В. Поэтому для дополнительных обмоток ТН, предназначенных для сети с заземленной нейтралью, установлено Uном = 100 В, а в сети с изолированной нейтралью Uном=100/3 В.
Трансформаторы напряжения производятся со следующим исполнением внутренней изоляции:
· Сухая (трансформаторы напряжения до 10кВ включительно типа НОСК-6, ЗНОЛТ-3, ЗНОЛТ-6, ЗНОЛТ-10 и др.).
· Бумажно-масляная (трансформаторы напряжением до 35кВ включительно типа НОМ-10, НОМ-35) с изоляцией выводов обмотки на полное номинальное напряжение.
· Литая эпоксидная (чешские однофазные трансформаторы напряжения и трансформаторы типа НОЛ).
Испытания ТН.
Объём испытаний трансформаторов напряжения:
1) измерение сопротивления изоляции обмоток первичной и вторичной (вторичных) (К, М)
2) испытание повышенным напряжением трансформаторов напряжения с литой изоляцией (К, М).
3) испытание трансформаторного масла (К, М). Сразу отмечу, что в ТН до 35кВ трансформаторное масло допускается не испытывать
Примечание: К – капитальный ремонт, испытание при приёмке в эксплуатацию; М – межремонтные испытания
для трансформаторов напряжения 3-35кВ – при проведении ремонтных работ в ячейках, где они установлены, если работы не проводятся – не реже 1 раза в 4 года.
Измеренные значения сопротивления изоляции при вводе в эксплуатацию и в эксплуатации должны быть не менее значений, приведённых в таблице 5.
Испытания повышенным напряжением следует проводить согласно таблицы 6 или требований заводов изготовителей.
На этом у меня на сегодня все. Если есть вопросы, задавайте, будем вместе искать ответы.
Успехов!
elektrolaboratoriy.ru
Трансформаторы тока измерительные на 6 и 10 кВ с номинальным вторичным током 1 а, 5 а
Тип | Краткая техническая характеристика | ||||||
Ном. первичный ток, А | Класс точности | Ном. вторичная нагрузка, ВА | Ток термич. стойкости, кА | Ток эл. динамич. стойкости, кА | |||
для измер. | для защит. | для кл. 0,5 | кл. 10Р | ||||
ТЛК-10 | 20; 30; 50; 75; 100; 150; 200; 300; 400; 600; 800; 1000; 1500; 2000 | 0,2S; 0,2; 0,5S; 0,5; 1 | 10Р | 10 | 15 | 4,0–40,0 | 25,0–81,0 |
ТЛК-10-3 | 100; 150; 300; 400; 600; 800; 1000; 1500 | 0,2S 0,2; 0,5S; 0,5 | 10Р | 10 | 15 | 10,0-40 | 52,0-100 |
ТЛМ-10 | 20; 30; 50; 100; 150; 200; 300; 400; 600; 800; 1000; 1500 | 0,2S; 0,2; 0,5S; 0,5 | 10Р | 10 | 15 | 1,08–26,0 | 5,0–100,0 |
ТЛМ-10-3 | 1000; 1500 | 0,2S; 0,2; 0,5S; 0,5 | 10Р | 10 | 15 | 26 | 100 |
ТШЛП-10 | 1000; 1500; 2000; 3000 | 0,2S; 0,2; 0,5S; 0,5; | 10Р | 30 | 30 | 31,5 | – |
ТПК-10 | 20; 30; 50; 75; 100; 150; 200; 300; 400; 600; 800; 1000; 1500; 2000 | 0,2S; 0,2; 0,5S; 0,5 | 10Р; 5Р | 10 | 15 | 0,8-40 | 2-102 |
ТВЛМ-6 | 10; 20; 30; 50; 75; 100; 150; 200; 300; 400 | 1-10Р | – | 15 | – | 0,64–20,0 | 3,5–52,0 |
ТПЛ-10С | 5; 10; 20;30;50;75;100; 150;200;300;400; 600 | 0,2S; 0,2; 0,5S; 0,5; 1 | 10Р | 10 | 15 | 1,8-25 | 8-81 |
ТВК-10 | 20; 30; 50; 100; 150; 200; 300; 400; 600; 800; 1000; 1500 | 0,5 | 10Р | 10 | 15 | 1,88–31,5 | 7,0–76,5 |
Трансформаторы напряжения
Тип | Климат. исполнение | Ном. напряжение обмоток, к В | Мощность на вводах, ВА в кл. точности | Предельная мощность, ВА | ||||
Перв. | Втор. | 0,5 | 1 | 3 | Тр-ра | Доп. обмоток | ||
НАМИТ-10-1 | УХЛ2 | 10; 6 | 0,1 | 200 | 300 | 600 | 1000 | 100 |
НАМИТ-10-2 | УХЛ2 | 10; 6 | 0,1 | 200 | 300 | 600 | 1000 | 100 |
ЗНИОЛ | У3; Т3 | 10/√3; 6/√3 | 0,1/√3 | 50; 75 | 75; 150 | 200; 300 | 400; 630 | 200; 300 |
3хЗНИОЛ | У3; Т3 | 6;10 | 0,1 | 150;225 | – | – | – | – |
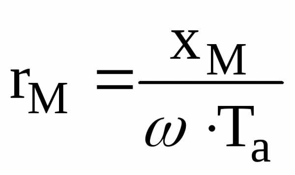
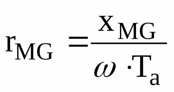
Таблица А.17. Индуктивные и активные сопротивления элементов сети | ||||
Элемент сети | Схема | Формула для определения сопротивлений в схеме замещения при Uб=Uср,ном | ||
расчетная | замещения | отн. ед. | Ом | |
Индуктивные сопротивления сети | ||||
1 | 2 | 3 | 4 | 5 |
Трансформатор двухобмоточный |
|
| ||
Трансформатор двухобмоточный с напряжением НН до 1 кВ | – |
| ||
Трансформатор двухобмоточный с расщепленной обмоткой низшего напряжения | |
| ||
где | ||||
Трансформатор трехобмоточный |
| |||
где | ||||
1 | 2 | 3 | 4 | 5 |
Реактор токоограничивающий одинарный |
| |||
Реактор токоограничивающий сдвоенный |
|
| ||
Линия электропередачи | ||||
Асинхронный электродвигатель |
|
| ||
где | ||||
Синхронный электродвигатель |
|
| ||
Энергосистема |
|
| ||
Активные сопротивления сети | ||||
Трансформатор двухобмоточный |
|
| ||
Трансформатор двухобмоточный с расщепленной обмоткой низшего напряжения | | | ||
1 | 2 | 3 | 4 | 5 |
Трансформатор трехобмоточный (см. примеч. 2) | где | где | ||
Реактор токоограничивающий одинарный |
|
| ||
Реактор токоограничивающий сдвоенный |
| |||
Линия электропередачи |
| |||
Асинхронный электродвигатель |
|
| ||
Синхронный электродвигатель |
|
|
Примечание:
1. В таблице приняты следующие обозначения:
–
потери в трансформаторе, МВт;
–
номинальные потери на фазу реактора,
МВт;
–
удельное сопротивление (активное) ЛЭП,
Ом/км;l- длина ЛЭП, км; КР–
номинальный коэффициент связи сдвоенного
токоограничивающего реактора; ω- круговая
частота сети; Та– постоянная
времени апериодической составляющей
тока статора электродвигателя.
2. Активные сопротивления схемы замещения трехобмоточного трансформатора даны для случая, когда номинальные мощности обмоток высшего (SВт), среднего (SСт) и низшего (SНт) напряжения трансформатора равны между собой.
studfiles.net
Измерительные трансформаторы напряжения ЗНОЛ- 6, ЗНОЛ- 10,
Измерительные трансформаторы напряжения ЗНОЛ- 6, ЗНОЛ- 10, ЗНОЛ- 20, ЗНОЛ- 35 – заземляемые, предназначены для установки в комплектные распределительные устройства (КРУ) внутренней и наружной установки, в камеры одностороннего обслуживания (КСО), являются комплектующими изделиями. Трансформаторы обеспечивают питание приборов учета электроэнергии, контрольно-измерительной аппаратуры, релейных (микропроцессорных) защит, и используются для измерения напряжения сети 6, 10, 20, 35 кВ соответственно.
Трансформатор выполнен в виде опорной конструкции. Корпус трансформатора изготавливается из эпоксидного компаунда, который одновременно является главной изоляцией и обеспечивает защиту обмоток от механических и климатических воздействий. Высоковольтный вывод первичной обмотки расположен на верхней части трансформатора. Выводы вторичных обмоток и заземляемый вывод первичной обмотки располагаются в нижней части трансформатора.
Трансформатор имеет болт заземления, который расположен на основании. Есть возможность заземления одного из выводов вторичных обмоток непосредственно на основание.
Трансформаторы комплектуются прозрачной пластмассовой крышкой для закрытия и пломбирования выводов измерительной обмотки для защиты от несанкционированного доступа.
По требованию заказчика, трансформаторы могут комплектоваться предохранительным устройством, ему присваивается номер исполнения – 1 (ЗНОЛ-10(6)-1).
![]() |
|
| Наименование параметра | ЗНОЛ-6 | ЗНОЛ-10 | ЗНОЛ-20 | ЗНОЛ- 35 |
|---|---|---|---|---|
| Класс напряжения по ГОСТ1516.3, кВ | 6 | 10 | 20 | 35 |
| Наибольшее рабочее напряжение | 7,2 | 12 | 24 | 40,5 |
| Номинальное напряжение первичной обмотки, кВ | 6/√3 | 10/√3 | 20/√3 | 35/√3 |
| Номинальное напряжение основной вторичной обмотки, В | 100/√3 | |||
| Номинальное напряжение дополнительной вторичной обмотки, В | 100/3, 100 | |||
| Номинальные классы точности основной вторичной обмотки | 0,2; 0,5; 1,0; 3,0 | |||
| Номинальная мощность основной вторичной обмотки, ВА в классах точности | ||||
| 0,2 | 10,15,25,30* | 10,15,25,30,50* | ||
| 0,5 | 30,50,75* | 30,50,75,100* | ||
| 1,0 | 50,75,100,150,200* | 50,75,100,150,200,300* | ||
| 1,0 | 150,200* | 300,400,500,600* | ||
| Номинальные классы точности дополнительной вторичной обмотки | 3 | |||
| Номинальная мощность дополнительной вторичной обмотки, ВА | 100 | |||
| Предельная мощность трансформатора вне класса точности, ВА | ||||
| с двумя вторичными обмотками | 630 | 1000 | ||
| с тремя вторичными обмотками | 400 | 1000 | ||
| Номинальная частота, Гц | 50 или 60 | |||
| Группа соединения обмоток | ||||
| с двумя вторичными обмотками | 1/1/1-0-0 | |||
| с тремя вторичными обмотками | 1/1/1/1-0-0 | |||
| Климатическое исполнение | У2 | Т2 | ||
| Высота над уровнем моря, м | 1000 | |||
| Верхнее рабочее значение температуры окружающего воздуха, С | +50° | +55° | ||
| Нижнее значение температуры окружающего воздуха для исполнения | – 45° | -10° | ||
| Тип атмосферы | II по ГОСТ 15150-69 (примерно соответствует атмосфере промышленных районов) | |||
* По требованию заказчика возможно изготовление трансформаторов с техническими параметрами, отличными от стандартных.
Трансформатор выполняется с двумя уровнями изоляции «а» или «б» по ГОСТ 1516.3-96. При отсутствии специальных требований со стороны заказчика одноминутное испытательное напряжение изоляции первичной обмотки согласно ГОСТ 1516.3-96 для уровня изоляции «б».
Значения уровня изоляции.
| Класс напряжения, кВ | Уровень изоляции | Испытательное напряжение внутренней изоляции, кВ |
|---|---|---|
| 6 | «б» | 32 |
| 10 | 42 | |
| 20 | 6 | |
| 35 | 95 |
Уровень частичных разрядов изоляции трансформаторов с уровнем изоляции «а» не превышает значений, указанных в таблице:
| Класс напряжения, кВ | Напряжения измерения ЧР, кВ | Допускаемый уровень ЧР, пКл |
|---|---|---|
| 6 | 7,2 | 50 |
| 4,6 | 20 | |
| 10 | 12 | 50 |
| 7,62 | 20 | |
| 20 | 24 | 50 |
| 15,3 | 20 | |
| 35 | 40,5 | 50 |
| 25,7 | 20 |
www.ds30.ru

силовых трансформаторов. Он состоит из обмоток: первичной и одной либо нескольких вторичных и стального сердечника, набранного листами электротехнической стали. Первичная обмотка имеет большее количество витков, в сравнении со вторичной. На первичную — подается напряжение, которое требуется измерить, а ко вторичным — подключаются ваттметр и пр. измерительные аппараты. Поскольку ваттметр имеет значительное сопротивление, то по вторичной принято считать, что протекает малый ток. Поэтому полагают, что измерительный трансформатор напряжения функционирует в режимах близких к холостому ходу.
Трансформатор напряжения ЗНОЛ-НТЗ-35-IV-11











,






;










