Твердость hrc перевести в hb – HB – HRC – –
alexxlab | 11.09.2019 | 0 | Разное
Твердость hbw перевод hrc
Твердостью металла называют его свойство оказывать сопротивление пластической деформации при контактном воздействии стандартного тела-наконечника на поверхностные слои материала.
Испытание на твердость — основной метод оценки качества термообработки изделия.
Определение твердости по методу Бринелля. Метод основан на том, что в плоскую поверхность под нагрузкой внедряют стальной шарик. Число твердости НВ определяется отношением нагрузки к сферической поверхности отпечатка.
Метод Роквелла (HR) основан на статическом вдавливании в испытываемую поверхность наконечника под определенной нагрузкой. В качестве наконечников для материалов с твердостью до 450 HR используют стальной шарик. В этом случае твердость обозначают как HRB. При использовании алмазного конуса твердость обозначают как HRA или HRC (в зависимости от нагрузки).
Твердость по методу Виккерса (HV)
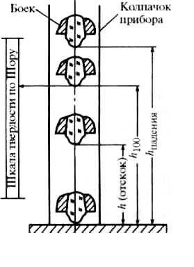
Метод Шора. Сущность данного метода состоит в определении твердости материала образца по высоте отскакивания бойка, падающего на поверхность испытуемого тела с определенной высоты. Твердость оценивается в условных единицах, пропорциональных высоте отскакивания бойка.
Числа твердости HRC для некоторых деталей и инструментов
| Детали и инструменты | Число твердости HRC |
|---|---|
| Головки откидных болтов, гайки шестигранные, рукоятки зажимные | 33. 38 |
| Головки шарнирных винтов, концы и головки установочных винтов, оси шарниров, планки прижимные и съемные, головки винтов с внутренними шестигранными отверстиями, палец поводкового патрона | 35. 40 |
| Шлицы круглых гаек | 36. 42 |
| Зубчатые колеса, шпонки, прихваты, сухари к станочным пазам | 40. 45 |
| Пружинные и стопорные кольца, клинья натяжные | 45. 50 |
| Винты самонарезающие, центры токарные, эксцентрики, опоры грибковые и опорные платики, пальцы установочные, цанги | 50. 60 |
| Гайки установочные, контргайки, сухари к станочным пазам, эксцентрики круговые, кулачки эксцентриковые, фиксаторы делительных устройств, губки сменные к тискам и патронам, зубчатые колеса | 56. 60 |
| Рабочие поверхности калибров — пробок и скоб | 56. 64 |
| Копиры, ролики копирные | 58. 63 |
| Втулки кондукторные, втулки вращающиеся для расточных борштанг | 60. 64 |
Таблица соотношений между числами твердости по Бринеллю, Роквеллу, Виккерсу, Шору
Указанные значения твердости по Роквеллу, Виккерсу и Шору соответствуют значениям твердости по Бринеллю, определенным с помощью шарика диаметром 10 мм.
| По Роквеллу | По Бринеллю | По Виккерсу (HV) | По Шору | |||
|---|---|---|---|---|---|---|
| HRC | HRA | HRB | Диаметр отпечатка | HB | ||
| 65 | 84,5 | — | 2,34 | 688 | 940 | 96 |
| 64 | 83,5 | — | 2,37 | 670 | 912 | 94 |
| 63 | 83 | — | 2,39 | 659 | 867 | 93 |
| 62 | 82,5 | — | 2,42 | 643 | 846 | 92 |
| 61 | 82 | — | 2,45 | 627 | 818 | 91 |
| 60 | 81,5 | — | 2,47 | 616 | — | — |
| 59 | 81 | — | 2,5 | 601 | 756 | 86 |
| 58 | 80,5 | — | 2,54 | 582 | 704 | 83 |
| 57 | 80 | — | 2,56 | 573 | 693 | — |
| 56 | 79 | — | 2,6 | 555 | 653 | 79,5 |
| 55 | 79 | — | 2,61 | 551 | 644 | — |
| 54 | 78,5 | — | 2,65 | 534 | 618 | 76,5 |
| 53 | 78 | — | 2,68 | 522 | 594 | — |
| 52 | 77,5 | — | 2,71 | 510 | 578 | — |
| 51 | 76 | — | 2,75 | 495 | 56 | 71 |
| 50 | 76 | — | 2,76 | 492 | 549 | — |
| 49 | 76 | — | 2,81 | 474 | 528 | — |
| 48 | 75 | — | 2,85 | 461 | 509 | 65,5 |
| 47 | 74 | — | 2,9 | 444 | 484 | 63,5 |
| 46 | 73,5 | — | 2,93 | 435 | 469 | — |
| 45 | 73 | — | 2,95 | 429 | 461 | 61,5 |
| 44 | 73 | — | 3 | 415 | 442 | 59,5 |
| 42 | 72 | — | 3,06 | 398 | 419 | — |
| 40 | 71 | — | 3,14 | 378 | 395 | 54 |
| 38 | 69 | — | 3,24 | 354 | 366 | 50 |
| 36 | 68 | — | 3,34 | 333 | 342 | — |
| 34 | 67 | — | 3,44 | 313 | 319 | 44 |
| 32 | 67 | — | 3,52 | 298 | 302 | — |
| 30 | 66 | — | 3,6 | 285 | 288 | 40,5 |
| 28 | 65 | — | 3,7 | 269 | 271 | 38,5 |
| 26 | 64 | — | 3,8 | 255 | 256 | 36,5 |
| 24 | 63 | 100 | 3,9 | 241 | 242 | 34,5 |
| 22 | 62 | 98 | 4 | 229 | 229 | 32,5 |
| 20 | 61 | 97 | 4,1 | 217 | 217 | 31 |
| 18 | 60 | 95 | 4,2 | 207 | 206 | 29,5 |
| — | 59 | 93 | 4,26 | 200 | 199 | — |
| — | 58 | — | 4,34 | 193 | 192 | 27,5 |
| — | 57 | 91 | 4,4 | 187 | 186 | 27 |
| — | 56 | 89 | 4,48 | 180 | 179 | 25 |
Отверстия под резьбу
Таблица сверл для отверстий под нарезание трубной цилиндрической резьбы.
Размеры гаек под ключ
Основные размеры под ключ для шестигранных головок болтов и шестигранных гаек.
G и M коды
Примеры, описание и расшифровка Ж и М кодов для создания управляющих программ на фрезерных и токарных станках с ЧПУ.
Типы резьб
Типы и характеристики метрической, трубной, упорной, трапецеидальной и круглой резьбы.
Масштабы чертежей
Стандартные масштабы изображений деталей на машиностроительных и строительных чертежах.
Режимы резания
Онлайн калькулятор для расчета режимов резания при точении.
Отверстия под резьбу
Таблица сверл и отверстий для нарезания метрической резьбы c крупным (основным) шагом.
Станки с ЧПУ
Классификация станков с ЧПУ, станки с ЧПУ по металлу для точения, фрезерования, сверления, расточки, нарезания резьбы, развёртывания, зенкерования.
Режимы резания
Онлайн калькулятор для расчета режимов резания при фрезеровании.
Форматы чертежей
Таблица размеров сторон основных и дополнительных форматов листов чертежей.
CAD/CAM/CAE системы
Системы автоматизированного проектирования САПР, 3D программы для проектирования, моделирования и создания 3d моделей.
Чтение чертежей
Техническое черчение, правила выполнения чертежей деталей и сборочных чертежей.
Твёрдость — это сопротивление тела внедрению индентора — другого твёрдого тела. Способы испытания твёрдости подразделяются на статические и динамические.
К статическим относятся способы измерения твёрдости по Бринеллю, Викерсу, Роквеллу, Кнупу; к динамическим — способы измерения твёрдости по Шору, Шварцу, Бауману, Польди, Морину, Граве.
Измерения твёрдости осуществляют при 20±10°С.
Измерение твёрдости по Бринеллю
Бринелля метод [по имени шведского инженера Ю.А.Бринелля (J.A.Brinell)] — способ определения твёрдости материалов вдавливанием в испытываемую поверхность стального закалённого шарика диаметром 2,5; 5 и 10 мм пр нагрузке P от 625 H до 30 кН. Число твёрдости по Бринеллю HB — отношение нагрузки (кгс) к площади (мм2) поверхности отпечатка. Для получения сопоставимых результатов относительной твёрдости материалы (HB свыше 130) испытывают при отношении P:D2=30, материалы средней твёрдости (HB 30-130) — при P:D2=10, мягкие (HB
Метод измерения твердости металлов по Бринеллю регламентирует ГОСТ 9012-59 “Металлы. Метод измерения твердости по Бринеллю”: Стандарт устанавливает метод измерения твердости по Бринеллю металлов с твердостью не более 650 единиц. Сущность метода заключается во вдавливании шарика (стального или из твердого сплава) в образец (изделие) под действием усилия, приложенного перпендикулярно к поверхности образца, в течение определенного времени, и измерении диаметра отпечатка после снятия усилия. ГОСТ 9012-59, в частности, определяет требования, предъявляемые к отбору образцов металла для измерения твёрдости по Бринеллю — размер образцов, шероховатость поверхности и др.
Измерение твёрдости по Роквеллу
Роквелла метод [по имени американского металлурга С.Роквелла (S.Rockwell), разработавшего этод метод] — способ определения (измерения) твёрдости материалов (главным образом металлов) вдавливанием в испытываемую поверхность алмазного индентора с углом при вершине 120° (шкалы А и С) или стального закалённого шарика диаметром 1/16 дюйма или 1,588 мм (шкала B. Твёрдость по Роквеллу выражается в условных единицах. За единицу твёрдости принята величина, соответствующая перемещению индентора на 0,002 мм. Испытание методов Роквелла проводят на специальном настольном приборе, снабжённом индикатором, который показывает число твёрдости. ГОСТ 23677-79.
Таблица соответствия HB – HRC (Перевод значений твёрдости)
(соотношение твёрдости по Бриннелю твёрдости по Роквеллу,определяемых методами в соответствии с ГОСТ 8.064-79)
Твердость по Роквеллу (эталонная)
Твердость по Роквеллу
Твердость по Бринеллю
HRCэ
HRC
D=10мм HB
Р=3000кг диаметр отпечатка в мм
Таблица соответствия H B – HRC (Перевод значений твёрдости)
(соотношение твёрдости по Бриннелю твёрдости по Роквеллу, определяемых методами в соответствии с ГОСТ 8.064-79)
Твёрдость — это сопротивление тела внедрению индентора — другого твёрдого тела. Способы испытания твёрдости подразделяются на статические и динамические.
К статическим относятся способы измерения твёрдости по Бринеллю, Викерсу, Роквеллу, Кнупу;
к динамическим — способы измерения твёрдости по Шору, Шварцу, Бауману, Польди, Морину, Граве.
Измерения твёрдости осуществляют при 20±10°С.
Измерение твёрдости по Бринеллю
Бринелля метод
Бринелля метод [по имени шведского инженера Ю.А.Бринелля (J.A.Brinell)] — способ определения твёрдости материалов вдавливанием в испытываемую поверхность стального закалённого шарика диаметром 2,5; 5 и 10 мм пр нагрузке P от 625 H до 30 кН. Число твёрдости по Бринеллю HB — отношение нагрузки (кгс) к площади (мм 2 ) поверхности отпечатка. Для получения сопоставимых результатов относительной твёрдости материалы (HB свыше 130) испытывают при отношении P:D 2 =30, материалы средней твёрдости (HB 30-130) — при P:D 2 =10, мягкие (HB 2 =2,5. Испытания по методу Бринелля проводят на стационарных твердомерах — прессах Бринелля, обеспечивающих плавное приложение заданной нагрузки к шарику и постоянство её при выдержке в течение установленного времени (обычно 30 секунд).
Метод измерения твердости металлов по Бринеллю регламентирует ГОСТ 9012-59 “Металлы. Метод измерения твердости по Бринеллю“: Стандарт устанавливает метод измерения твердости по Бринеллю металлов с твердостью не более 650 единиц. Сущность метода заключается во вдавливании шарика (стального или из твердого сплава) в образец (изделие) под действием усилия, приложенного перпендикулярно к поверхности образца, в течение определенного времени, и измерении диаметра отпечатка после снятия усилия. ГОСТ 9012-59, в частности, определяет требования, предъявляемые к отбору образцов металла для измерения твёрдости по Бринеллю — размер образцов, шероховатость поверхности и др.
Измерение твёрдости по Роквеллу
mytooling.ru
Hrc в hb калькулятор
Твердостью металла называют его свойство оказывать сопротивление пластической деформации при контактном воздействии стандартного тела-наконечника на поверхностные слои материала.
Испытание на твердость — основной метод оценки качества термообработки изделия.
Определение твердости по методу Бринелля. Метод основан на том, что в плоскую поверхность под нагрузкой внедряют стальной шарик. Число твердости НВ определяется отношением нагрузки к сферической поверхности отпечатка.
Метод Роквелла (HR) основан на статическом вдавливании в испытываемую поверхность наконечника под определенной нагрузкой. В качестве наконечников для материалов с твердостью до 450 HR используют стальной шарик. В этом случае твердость обозначают как HRB. При использовании алмазного конуса твердость обозначают как HRA или HRC (в зависимости от нагрузки).
Твердость по методу Виккерса (HV) определяют путем статического вдавливания в испытуемую поверхность алмазной четырехгранной пирамиды. При испытании измеряют отпечаток с точностью до 0,001 мм при помощи микроскопа, который является составной частью прибора Виккерса.
Метод Шора. Сущность данного метода состоит в определении твердости материала образца по высоте отскакивания бойка, падающего на поверхность испытуемого тела с определенной высоты. Твердость оценивается в условных единицах, пропорциональных высоте отскакивания бойка.
Числа твердости HRC для некоторых деталей и инструментов
| Детали и инструменты | Число твердости HRC |
|---|---|
| Головки откидных болтов, гайки шестигранные, рукоятки зажимные | 33. 38 |
| Головки шарнирных винтов, концы и головки установочных винтов, оси шарниров, планки прижимные и съемные, головки винтов с внутренними шестигранными отверстиями, палец поводкового патрона | 35. 40 |
| Шлицы круглых гаек | 36. 42 |
| Зубчатые колеса, шпонки, прихваты, сухари к станочным пазам | 40. 45 |
| Пружинные и стопорные кольца, клинья натяжные | 45. 50 |
| Винты самонарезающие, центры токарные, эксцентрики, опоры грибковые и опорные платики, пальцы установочные, цанги | 50. 60 |
| Гайки установочные, контргайки, сухари к станочным пазам, эксцентрики круговые, кулачки эксцентриковые, фиксаторы делительных устройств, губки сменные к тискам и патронам, зубчатые колеса | 56. 60 |
| Рабочие поверхности калибров — пробок и скоб | 56. 64 |
| Копиры, ролики копирные | 58. 63 |
| Втулки кондукторные, втулки вращающиеся для расточных борштанг | 60. 64 |
Таблица соотношений между числами твердости по Бринеллю, Роквеллу, Виккерсу, Шору
Указанные значения твердости по Роквеллу, Виккерсу и Шору соответствуют значениям твердости по Бринеллю, определенным с помощью шарика диаметром 10 мм.
| По Роквеллу | По Бринеллю | По Виккерсу (HV) | По Шору | |||
|---|---|---|---|---|---|---|
| HRC | HRA | HRB | Диаметр отпечатка | HB | ||
| 65 | 84,5 | — | 2,34 | 688 | 940 | 96 |
| 64 | 83,5 | — | 2,37 | 670 | 912 | 94 |
| 63 | 83 | — | 2,39 | 659 | 867 | 93 |
| 62 | 82,5 | — | 2,42 | 643 | 846 | 92 |
| 61 | 82 | — | 2,45 | 627 | 818 | 91 |
| 60 | 81,5 | — | 2,47 | 616 | — | — |
| 59 | 81 | — | 2,5 | 601 | 756 | 86 |
| 58 | 80,5 | — | 2,54 | 582 | 704 | 83 |
| 57 | 80 | — | 2,56 | 573 | 693 | — |
| 56 | 79 | — | 2,6 | 555 | 653 | 79,5 |
| 55 | 79 | — | 2,61 | 551 | 644 | — |
| 54 | 78,5 | — | 2,65 | 534 | 618 | 76,5 |
| 53 | 78 | — | 2,68 | 522 | 594 | — |
| 52 | 77,5 | — | 2,71 | 510 | 578 | — |
| 51 | 76 | — | 2,75 | 495 | 56 | 71 |
| 50 | 76 | — | 2,76 | 492 | 549 | — |
| 49 | 76 | — | 2,81 | 474 | 528 | — |
| 48 | 75 | — | 2,85 | 461 | 509 | 65,5 |
| 47 | 74 | — | 2,9 | 444 | 484 | 63,5 |
| 46 | 73,5 | — | 2,93 | 435 | 469 | — |
| 45 | 73 | — | 2,95 | 429 | 461 | 61,5 |
| 44 | 73 | — | 3 | 415 | 442 | 59,5 |
| 42 | 72 | — | 3,06 | 398 | 419 | — |
| 40 | 71 | — | 3,14 | 378 | 395 | 54 |
| 38 | 69 | — | 3,24 | 354 | 366 | 50 |
| 36 | 68 | — | 3,34 | 333 | 342 | — |
| 34 | 67 | — | 3,44 | 313 | 319 | 44 |
| 32 | 67 | — | 3,52 | 298 | 302 | — |
| 30 | 66 | — | 3,6 | 285 | 288 | 40,5 |
| 28 | 65 | — | 3,7 | 269 | 271 | 38,5 |
| 26 | 64 | — | 3,8 | 255 | 256 | 36,5 |
| 24 | 63 | 100 | 3,9 | 241 | 242 | 34,5 |
| 22 | 62 | 98 | 4 | 229 | 229 | 32,5 |
| 20 | 61 | 97 | 4,1 | 217 | 217 | 31 |
| 18 | 60 | 95 | 4,2 | 207 | 206 | 29,5 |
| — | 59 | 93 | 4,26 | 200 | 199 | — |
| — | 58 | — | 4,34 | 193 | 192 | 27,5 |
| — | 57 | 91 | 4,4 | 187 | 186 | 27 |
| — | 56 | 89 | 4,48 | 180 | 179 | 25 |
Отверстия под резьбу
Таблица сверл для отверстий под нарезание трубной цилиндрической резьбы.
Размеры гаек под ключ
Основные размеры под ключ для шестигранных головок болтов и шестигранных гаек.
G и M коды
Примеры, описание и расшифровка Ж и М кодов для создания управляющих программ на фрезерных и токарных станках с ЧПУ.
Типы резьб
Типы и характеристики метрической, трубной, упорной, трапецеидальной и круглой резьбы.
Масштабы чертежей
Стандартные масштабы изображений деталей на машиностроительных и строительных чертежах.
Режимы резания
Онлайн калькулятор для расчета режимов резания при точении.
Отверстия под резьбу
Таблица сверл и отверстий для нарезания метрической резьбы c крупным (основным) шагом.
Станки с ЧПУ
Классификация станков с ЧПУ, станки с ЧПУ по металлу для точения, фрезерования, сверления, расточки, нарезания резьбы, развёртывания, зенкерования.
Режимы резания
Онлайн калькулятор для расчета режимов резания при фрезеровании.
Форматы чертежей
Таблица размеров сторон основных и дополнительных форматов листов чертежей.
CAD/CAM/CAE системы
Системы автоматизированного проектирования САПР, 3D программы для проектирования, моделирования и создания 3d моделей.
Чтение чертежей
Техническое черчение, правила выполнения чертежей деталей и сборочных чертежей.
920 Каталог TAEGUTEC 2013 Режущий инструмент и инструментальная оснастка Стр.I24

Сравнительные таблица перевода соответствия различных систем и шкал твёрдости Виккерс Роквелл Бринелль Шор HRC HRA HB HV Предела прочности Переводная табл
Сравнительные таблица перевода соответствия различных систем и шкал твёрдости Виккерс Роквелл Бринелль Шор HRC HRA HB HV Предела прочности Переводная таблица твёрдости Brinell HB 10мм шарик, Rockwell нагрузка 3000 кгс Предел прочности Н/мм2 VICKERS 50 кг Стандартный Твердосплавный шарик шарик Шкала A 60 кгс Шкала В 100кгс Шкала C 150кгс Шкала D 100кгс Shore Алмазная 1/16 Алмазный Алмазный (кгс/мм2) HV пирамида шарик индентор индентор HRA HRB HRC HRD HS Brinell HB 10мм шарик, Rockwell нагрузка 3000 кгс Предел прочности Н/мм2 VICKERS 50 кг Стандартный Твршшй шарик шарик Шкала A 60 кгс Шкала В 100кгс Шкала C 150кгс Шкала D 100кгс Shore Алмазная 1/16 Алмазный Алмазный (кгс/мм2) HV пирамида шарик индентор индентор HRA HRB HRC HRD HS 1900 1800 1700 1600 1500 93.1 92.6 91.9 91.3 90.5 80.5 79.2 77.9 76.6 75.3 470 460 450 440 430 441 433 425 415 405 442 433 425 415 405 74.1 73.6 73.3 72.8 72.3 46.9 46.1 45.3 44.5 43.6 60.7 60.1 59.4 58.8 58.2 62 59 1570(160) 1530(156) 1459(153) 1460(149) 1410 (144) 1450 90.1 74.6 420 397 397 71.8 42.7 57.5 57 1370 (140) 1400 89.6 74.0 410 388 388 71.4 41.8 56.8 1330 (136) 1350 89.1 73.4 400 379 379 70.8 40.8 56.0 55 1290 (131) 1300 88.7 72.7 390 369 369 70.3 39.8 55.2 1240 (127) 1250 88.3 72.1 380 360 360 69.8 (110.0) 38.8 54.4 52 1250 (123) 1200 87.9 71.5 370 350 350 69.2 37.7 53.6 1170 (120) 1150 87.5 70.9 360 341 341 68.7 (109.0) 36.6 52.8 50 1130 (115) 1100 87.1 70.3 350 331 331 68.1 35.5 51.9 1095 (112) 1050 86.6 69.6 340 322 322 67.6 (108.0) 34.4 51.1 47 1070 (109) 1000 86.2 68.9 330 313 313 67.0 33.3 50.2 1035 (105) 940 85.6 68.0 76.9 97 320 303 303 66.4 (107.0) 32.2 49.4 45 1005 (103) 920 85.3 67.5 76.5 96 310 294 294 65.8 31.0 48.4 980 (100) 900 85.0 67.0 76.1 95 300 284 284 65.2 (105.5) 29.8 47.5 42 950 (97) 880 (767) 84.7 66.4 75.7 93 295 280 280 64.8 29.2 47.1 935 (96) 860 (757) 84.4 65.9 75.3 92 290 275 275 64.5 (104.5) 28.5 46.5 41 915 (94) 840 (745) 84.1 65.3 74.8 91 285 270 270 64.2 27.8 46.0 905 (92) 820 (733) 83.8 64.7 74.3 90 280 265 265 63.8 (103.5) 27.1 45.3 40 890(91) 800 (722) 83.4 64.0 74.8 88 275 261 261 63.5 26.4 44.9 875(89) 780 (710) 83.0 63.3 73.3 87 270 256 256 63.1 (102.0) 25.6 44.3 38 855(87) 760 (698) 82.6 62.5 72.6 86 265 252 252 62.7 24.8 43.7 840(86) 740 (684) 82.2 61.8 72.1 84 260 247 247 62.4 (101.0) 24.0 43.1 37 825(84) 720 (670) 81.8 61.0 71.5 83 255 243 243 62.0 23.1 42.2 805(82) 700 (656) 81.3 60.1 70.8 81 250 238 238 61.6 99.5 22.2 41.7 36 795(81) 690 (647) 81.1 59.7 70.5 245 233 233 61.2 21.3 41.1 780(79) 680 (638) 80.8 59.2 70.1 80 240 228 228 60.7 98.1 20.3 40.3 34 765(78) 670 630 80.6 58.8 69.8 230 219 219 96.7 (18.0) 33 730(75) 660 620 80.3 58.3 69.4 79 220 209 209 95.0 (15.7) 32 695(71) 650 611 80.0 57.8 69.0 210 200 200 93.4 (13.4) 30 670(68) 640 601 79.8 57.3 68.7 77 2205(210) 200 190 190 91.5 (11.0) 29 635(65) 630 591 79.5 56.8 68.3 2020(206) 190 181 181 89.5 (8.5) 28 605(62) 620 582 79.2 56.3 67.9 75 1985(202) 180 171 171 87.1 (6.0) 26 580(59) 610 573 78.9 55.7 67.5 1950(199) 170 162 162 85.0 (3.0) 25 545(56) 600 564 78.6 55.2 67.0 74 1905(194) 160 152 152 81.7 (0.0) 24 515(53) 590 554 78.4 54.7 66.7 1860(190) 150 143 143 78.7 22 490(50) 580 515 78.0 54.1 66.2 72 1825(186) 140 133 133 75.0 21 455(45) 570 535 77.8 53.6 65.8 1795(183) 130 124 124 71.2 20 425(44) 560 525 77.4 53.0 65.4 71 1750(179) 127 121 69.8 19 (42) 550 (505) 517 77.0 52.3 64.8 1750(174) 122 116 67.6 18 (41) 540 (496) 507 76.7 51.7 64.4 69 1660(169) 117 111 65.7 15 (39) 530 (488) 497 76.4 51.1 66.2 1620(165) 520 (480) 488 76.1 50.5 63.5 67 1570(160) 510 (473) 479 75.7 49.8 62.9 1530(156) 500 (465) 471 75.3 49.1 62.2 66 1459(153) 490 (456) 460 74.9 48.4 61.6 1460(149) 480 488 452 74.5 47.7 61.3 64 1410(144) 1 Примечание готические цифры взяты из таблицы ASTM E 140 (значения рассчитаны вместе с SAE-ASM-ASTM) (S TaeguTec W m+UejrtxrlMCGmjp
Твёрдость — это сопротивление тела внедрению индентора — другого твёрдого тела. Способы испытания твёрдости подразделяются на статические и динамические.
К статическим относятся способы измерения твёрдости по Бринеллю, Викерсу, Роквеллу, Кнупу; к динамическим — способы измерения твёрдости по Шору, Шварцу, Бауману, Польди, Морину, Граве.
Измерения твёрдости осуществляют при 20±10°С.
Измерение твёрдости по Бринеллю
Бринелля метод [по имени шведского инженера Ю.А.Бринелля (J.A.Brinell)] — способ определения твёрдости материалов вдавливанием в испытываемую поверхность стального закалённого шарика диаметром 2,5; 5 и 10 мм пр нагрузке P от 625 H до 30 кН. Число твёрдости по Бринеллю HB — отношение нагрузки (кгс) к площади (мм2) поверхности отпечатка. Для получения сопоставимых результатов относительной твёрдости материалы (HB свыше 130) испытывают при отношении P:D2=30, материалы средней твёрдости (HB 30-130) — при P:D2=10, мягкие (HB
Метод измерения твердости металлов по Бринеллю регламентирует ГОСТ 9012-59 “Металлы. Метод измерения твердости по Бринеллю”: Стандарт устанавливает метод измерения твердости по Бринеллю металлов с твердостью не более 650 единиц. Сущность метода заключается во вдавливании шарика (стального или из твердого сплава) в образец (изделие) под действием усилия, приложенного перпендикулярно к поверхности образца, в течение определенного времени, и измерении диаметра отпечатка после снятия усилия. ГОСТ 9012-59, в частности, определяет требования, предъявляемые к отбору образцов металла для измерения твёрдости по Бринеллю — размер образцов, шероховатость поверхности и др.
Измерение твёрдости по Роквеллу
Роквелла метод [по имени американского металлурга С.Роквелла (S.Rockwell), разработавшего этод метод] — способ определения (измерения) твёрдости материалов (главным образом металлов) вдавливанием в испытываемую поверхность алмазного индентора с углом при вершине 120° (шкалы А и С) или стального закалённого шарика диаметром 1/16 дюйма или 1,588 мм (шкала B. Твёрдость по Роквеллу выражается в условных единицах. За единицу твёрдости принята величина, соответствующая перемещению индентора на 0,002 мм. Испытание методов Роквелла проводят на специальном настольном приборе, снабжённом индикатором, который показывает число твёрдости. ГОСТ 23677-79.
Таблица соответствия HB – HRC (Перевод значений твёрдости)
(соотношение твёрдости по Бриннелю твёрдости по Роквеллу,определяемых методами в соответствии с ГОСТ 8.064-79)
Твердость по Роквеллу (эталонная)
Твердость по Роквеллу
Твердость по Бринеллю
HRCэ
HRC
D=10мм HB
Р=3000кг диаметр отпечатка в мм
mytooling.ru
Перевод единиц твердости hb в hrc
Таблица соответствия H B – HRC (Перевод значений твёрдости)
(соотношение твёрдости по Бриннелю твёрдости по Роквеллу, определяемых методами в соответствии с ГОСТ 8.064-79)
Твёрдость — это сопротивление тела внедрению индентора — другого твёрдого тела. Способы испытания твёрдости подразделяются на статические и динамические.
К статическим относятся способы измерения твёрдости по Бринеллю, Викерсу, Роквеллу, Кнупу;
к динамическим — способы измерения твёрдости по Шору, Шварцу, Бауману, Польди, Морину, Граве.
Измерения твёрдости осуществляют при 20±10°С.
Измерение твёрдости по Бринеллю
Бринелля метод
Бринелля метод [по имени шведского инженера Ю.А.Бринелля (J.A.Brinell)] — способ определения твёрдости материалов вдавливанием в испытываемую поверхность стального закалённого шарика диаметром 2,5; 5 и 10 мм пр нагрузке P от 625 H до 30 кН. Число твёрдости по Бринеллю HB — отношение нагрузки (кгс) к площади (мм 2 ) поверхности отпечатка. Для получения сопоставимых результатов относительной твёрдости материалы (HB свыше 130) испытывают при отношении P:D 2 =30, материалы средней твёрдости (HB 30-130) — при P:D 2 =10, мягкие (HB 2 =2,5. Испытания по методу Бринелля проводят на стационарных твердомерах — прессах Бринелля, обеспечивающих плавное приложение заданной нагрузки к шарику и постоянство её при выдержке в течение установленного времени (обычно 30 секунд).
Метод измерения твердости металлов по Бринеллю регламентирует ГОСТ 9012-59 “Металлы. Метод измерения твердости по Бринеллю“: Стандарт устанавливает метод измерения твердости по Бринеллю металлов с твердостью не более 650 единиц. Сущность метода заключается во вдавливании шарика (стального или из твердого сплава) в образец (изделие) под действием усилия, приложенного перпендикулярно к поверхности образца, в течение определенного времени, и измерении диаметра отпечатка после снятия усилия. ГОСТ 9012-59, в частности, определяет требования, предъявляемые к отбору образцов металла для измерения твёрдости по Бринеллю — размер образцов, шероховатость поверхности и др.
Измерение твёрдости по Роквеллу
материал предоставил СИДОРОВ Александр Владимирович
Твёрдость – свойство материала сопротивляться внедрению в него другого, более твёрдого тела – индентора.
Для измерения твёрдости существует несколько шкал (методов измерения), наиболее распространёнными среди которых являются [1]:
- метод Бринелля (HB) – твёрдость определяется по диаметру отпечатка, оставляемому металлическим шариком, вдавливаемым в поверхность. Твёрдость вычисляется как отношение усилия, приложенного к шарику, к площади отпечатка. Размерность единиц твёрдости по Бринеллю – МПа. Метод не применяется для тонких материалов и материалов с большой твёрдостью;
- метод Роквелла (HRA, HRB, HRC) – твёрдость определяется по относительной глубине вдавливания металлического шарика или алмазного конуса в поверхность тестируемого материала. Твёрдость вычисляется по формуле [2]: HR = HRmax – (H – h) / 0,002, где HRmax – максимальная твёрдость по Роквеллу (по шкалам A и C составляет 100 единиц, а по шкале B – 130 единиц), (H – h) – разность глубин погружения индентора (в миллиметрах) после снятия основной нагрузки и до её приложения (при предварительном нагружении). Твёрдость, определённая по этому методу, является безразмерной величиной. Метода Роквелла проще в реализации, но обладает меньшей точностью по сравнению с методами Бринелля и Виккерса. Не допускается проверка образцов с толщиной менее десятикратной глубины проникновения наконечника;
- метод Виккерса (HV) – твёрдость определяется по площади отпечатка, оставляемого четырёхгранной алмазной пирамидкой, вдавливаемой в поверхность. Твёрдость вычисляется как отношение нагрузки, приложенной к пирамидке, к площади отпечатка. Размерность единиц твёрдости по Виккерсу – МПа. Позволяет определять твёрдость азотированных и цементированных поверхностей, а также тонких листовых материалов [3]:, но обладает пониженной точностью в нижнем диапазоне (для мягких материалов).
Результаты измерения твёрдости по методам Роквелла и Виккерса могут быть переведены с помощью таблиц в единицы твёрдости по методу Бринелля (таблица 1) [4]. Зная твёрдость по Бринеллю, можно рассчитать предел прочности и текучести материала, что важно для прикладных инженерных задач [5]:
для алюминиевых сплавов:
для медных сплавов:
где σв – предел прочности, МПа; σт – предел текучести, МПа.
Таблица 1 – Перевод результатов измерения твёрдости
| Шкала Бринелля, HB | Шкала Роквелла, HRB (HRC) | Шкала Виккерса, HV |
|---|---|---|
| 100 | 52,4 | 100 |
| 105 | 57,5 | 105 |
| 110 | 60,9 | 110 |
| 115 | 64,1 | 115 |
| 120 | 67,0 | 120 |
| 125 | 69,8 | 125 |
| 130 | 72,4 | 130 |
| 135 | 74,7 | 135 |
| 140 | 76,6 | 140 |
| 145 | 78,3 | 145 |
| 150 | 79,9 | 150 |
| 155 | 81,4 | 155 |
| 160 | 82,8 | 160 |
| 165 | 84,2 | 165 |
| 170 | 85,6 | 170 |
| 175 | 87,0 | 175 |
| 180 | 88,3 | 180 |
| 185 | 89,5 | 185 |
| 190 | 90,6 | 190 |
| 195 | 91,7 | 195 |
| 200 | 92,8 | 200 |
| 205 | 93,8 | 205 |
| 210 | 94,8 | 210 |
| 215 | 95,7 | 215 |
| 220 | 96,6 | 220 |
| 225 | 97,5 | 225 |
| 230 | 98,4 | 230 |
| 235 | 99,2 | 235 |
| 240 | 100,0 | 240 |
| 245 | (21,2) | 245 |
| 250 | (22,1) | 250 |
| 255 | (23,0) | 255 |
| 260 | (23,9) | 260 |
| 265 | (24,8) | 265 |
| 270 | (25,6) | 270 |
| 275 | (26,4) | 275 |
| 280 | (27,2) | 280 |
| 285 | (28,0) | 285 |
| 290 | (28,8) | 290 |
| 295 | (29,5) | 295 |
| 300 | (30,2) | 300 |
| 310 | (31,6) | 310 |
| 319 | (33,0) | 320 |
| 328 | (34,2) | 330 |
| 336 | (35,3) | 340 |
| 344 | (36,3) | 350 |
| 352 | (37,2) | 360 |
| 360 | (38,1) | 370 |
| 368 | (38,9) | 380 |
| 376 | (39,7) | 390 |
| 384 | (40,5) | 400 |
| 392 | (41,3) | 410 |
| 400 | (42,1) | 420 |
| 408 | (42,9) | 430 |
| 416 | (43,7) | 440 |
| 425 | (44,5) | 450 |
| 434 | (45,3) | 460 |
| 443 | (46,1) | 470 |
| (47,5) | 490 | |
| (48,2) | 500 | |
| (49,6) | 520 | |
| (50,8) | 540 | |
| (52,0) | 560 | |
| (53,1) | 580 | |
| (54,2) | 600 | |
| (55,4) | 620 | |
| (56,5) | 640 | |
| (57,5) | 660 | |
| (58,4) | 680 | |
| (59,3) | 700 | |
| (60,2) | 720 | |
| (61,1) | 740 | |
| (62,0) | 760 | |
| (62,8) | 780 | |
| (63,6) | 800 | |
| (64,3) | 820 | |
| (65,1) | 840 | |
| (65,8) | 860 | |
| (66,4) | 880 | |
| (67,0) | 900 | |
| (69,0) | 1114 | |
| (72,0) | 1220 |
Перевод значений твёрдости следует использовать лишь в тех случаях, когда невозможно испытать материал при заданных условиях. Полученные переводные числа твёрдости являются лишь приближёнными и могут быть неточными для конкретных случаев. Строго говоря, такое сравнение чисел твёрдости, полученных разными методами и имеющих разную размерность, лишено всякого физического смысла, но, тем не менее, имеет вполне определённую практическую ценность.
| Роквелл | Бринелль | Виккер с | Шор | На разрыв | ||
| HRA | HRC | HB (3000H) | Диаметр отпечатка, мм | HV | HSD | Н/мм ² |
| 89 | 72 | 782 | 2.20 | 1220 | ||
| 86.5 | 70 | 1076 | 101 | |||
| 86 | 69 | 744 | 2.25 | 1004 | 99 | |
| 85.5 | 68 | 942 | 97 | |||
| 85 | 67 | 713 | 2.30 | 894 | 95 | |
| 84.5 | 66 | 854 | 92 | |||
| 84 | 65 | 683 | 2.35 | 820 | 91 | |
| 83.5 | 64 | 789 | 88 | |||
| 83 | 63 | 652 | 2.40 | 763 | 87 | |
| 82.5 | 62 | 739 | 85 | |||
| 81.5 | 61 | 627 | 2.45 | 715 | 83 | |
| 81 | 60 | 695 | 81 | 2206 | ||
| 80.5 | 59 | 600 | 2.50 | 675 | 80 | 2137 |
| 80 | 58 | 2.55 | 655 | 78 | 2069 | |
| 79.5 | 57 | 578 | 636 | 76 | 2000 | |
| 79 | 56 | 2.60 | 617 | 75 | 1944 | |
| 78.5 | 55 | 555 | 598 | 74 | 1889 | |
| 78 | 54 | 2.65 | 580 | 72 | 1834 | |
| 77.5 | 53 | 532 | 562 | 71 | 1772 | |
| 77 | 52 | 512 | 2.70 | 545 | 69 | 1689 |
| 76.5 | 51 | 495 | 2.75 | 528 | 68 | 1648 |
| 76 | 50 | 513 | 67 | 1607 | ||
| 75.5 | 49 | 477 | 2.80 | 498 | 66 | 1565 |
| 74.5 | 48 | 460 | 2.85 | 485 | 64 | 1524 |
| 74 | 47 | 448 | 2.89 | 471 | 63 | 1496 |
| 73.5 | 46 | 437 | 2.92 | 458 | 62 | 1462 |
| 73 | 45 | 426 | 2.96 | 446 | 60 | 1420 |
| 72.5 | 44 | 415 | 3.00 | 435 | 58 | 1379 |
| 71.5 | 42 | 393 | 3.08 | 413 | 56 | 1317 |
| 70.5 | 40 | 372 | 3.16 | 393 | 54 | 1255 |
| 38 | 352 | 3.25 | 373 | 51 | 1193 | |
| 36 | 332 | 3.34 | 353 | 49 | 1138 | |
| 34 | 313 | 3.44 | 334 | 47 | 1076 | |
| 32 | 297 | 3.53 | 317 | 44 | 1014 | |
| 30 | 283 | 3.61 | 301 | 42 | 965 | |
| 28 | 270 | 3.69 | 285 | 41 | 917 | |
| 26 | 260 | 3.76 | 271 | 39 | 869 | |
| 24 | 250 | 3.83 | 257 | 37 | 834 | |
| 22 | 240 | 3.91 | 246 | 35 | 793 | |
| 20 | 230 | 3.99 | 236 | 34 | 752 | |
Твердость по Роквеллу
Вдавливание алмазного конуса с углом 120° при вершине и замер относительной глубины погружения в исследуемый материал.
Шкала А — нагрузка 60 кгс, для карбида вольфрама (ВК)
Шкала С — нагрузка 150 кгс, для твердых сталей HRB>100
Преимущество — простота. Недостаток — низкая точность.
Твердость по Бринеллю
Диаметр отпечатка металлического шарика в материале.
Недостаток — твердость до 450HB.
Твердость по Виккерсу
Площадь отпечатка от алмазной пирамидки.
Твердость по Шору
Отскок шарика от поверхности в склероскопе (метод отскока). Очень простой и удобный метод.
Определение твердости материала является важной частью технологического процесса изготовления деталей любой сложности.
Различные методы поиска твердости металла связанны в первую очередь с отличием их структуры и формы. Поработать с обычной заготовкой в форме болванки не составит труда, вот для листового материала нужен особый подход, учитывая его небольшую толщину.
Лишь с помощью метода Виккерса удобнее всего искать твёрдость азотированных и цементированных поверхностей.
Расчет ресурса работы металлорежущего инструмента, его долговечность, всегда производится в первую очередь с учетом табличных показателей.
Именно благодаря повышенной твердости (около 71 HRC) твердосплавные сверла и фрезы из сплава ВК8 позволяют обрабатывать сверхтвердые материалы.
morflot.su
методы измерения, шкалы HB, HRC, HV
Машиностроительные детали и механизмы, а также инструменты, предназначенные для их обработки, обладают набором механических характеристик. Немалую роль среди характеристик играет твердость. Твердость металлов наглядно показывает:
- износостойкость металла;
- возможность обработки резанием, шлифованием;
- сопротивляемость местному давлению;
- способность резать другой материал и прочие.
Твердость металловНа практике доказано, что большинство механических свойств металлов напрямую зависят от их твердости.
Понятие твердости
Твердость материала – это стойкость к разрушению при внедрении во внешний слой более твердого материала. Другими словами, способность к сопротивлению деформирующим усилиям (упругой или пластической деформации).
Определение твердости металлов производится посредством внедрения в образец твердого тела, именуемого индентором. Роль индентора выполняет: металлически шарик высокой твердости; алмазный конус или пирамида.
После воздействия индентора на поверхности испытуемого образца или детали остается отпечаток, по размеру которого определяется твердость. На практике используются кинематические, динамические, статические способы измерения твердости.
В основе кинематического метода лежит составление диаграммы на основе постоянно регистрирующихся показаний, которые изменяются по мере вдавливания инструмента в образец. Здесь прослеживается кинематика всего процесса, а не только конечного результата.
Динамический метод заключается в следующем. Измерительный инструмент воздействует на деталь. Обратная реакция позволяет рассчитать затраченную кинетическую энергию. Данный метод позволяет проводить испытание на твердость не только поверхности, но и некоторого объема металла.
Статические методы – это неразрушающие способы, позволяющие определить свойства металлов. Методы основаны на плавном вдавливании и последующей выдержке в течение некоторого времени. Параметры регламентируются методиками и стандартами.
Прилагаемая нагрузка может прилагаться:
- вдавливанием;
- царапанием;
- резанием;
- отскоком.
Машиностроительные предприятия на данный момент для определения твердости материалов используют методы Бринелля, Роквелла, Виккерса, а также метод микротвердости.
На основе проводимых испытаний составляется таблица, в которой указываются материалы, прилагаемые нагрузки и полученные результаты.
Единицы измерения твердости
Каждый способов измерения сопротивления металла к пластической деформации имеет свою методику его проведения, а также единицы измерения.
Измерение твердости мягких металлов производится методом Бринелля. Данному способу подвергаются цветные металлы (медь, алюминий, магний, свинец, олово) и сплавы на их основе, чугуны (за исключением белого) и отожженные стали.
Твердость по Бринеллю определяется вдавливанием закаленного, отполированного шарика из шарикоподшипниковой стали ШХ15. Окружность шарика зависит от испытуемого материала. Для твердых материалов – все виды сталей и чугунов – 10 мм, для более мягких – 1 – 2 — 2,5 — 5 мм. Необходимая нагрузка, прилагаемая к шарику:
- сплавы железа – 30 кгс/мм2;
- медь и никель – 10 кгс/мм2;
- алюминий и магний – 5 кгс/мм2.
Единица измерения твердости – это числовое значение и следующий за ними числовой индекс HB. Например, 200 НВ.
Твердость по Роквеллу определяется посредством разницы приложенных нагрузок к детали. Вначале прикладывается предварительная нагрузка, а затем общая, при которой происходит внедрение индентора в образец и выдержка.
В испытуемый образец внедряется пирамида (конус) из алмаза или шарик из карбида вольфрама (каленой стали). После снятия нагрузки производится замер глубины отпечатка.
Единица измерения твердости – это условные единицы. Принято считать, что единица — это величина осевого перемещения конуса, равная 2 мкм. Обозначение твердости маркируется тремя буквами HR (А, В, С) и числовым значением. Третья буква в маркировке обозначает шкалу.
Методика отображает тип индентора и прилагаемую к нему нагрузку.
| Тип шкалы | Инструмент | Прилагаемая нагрузка, кгс |
| А | Конус из алмаза, угол вершины которого 120° | 50-60 |
| В | Шарик 1/16 дюйма | 90-100 |
| С | Конус из алмаза, угол вершины которого 120° | 140-150 |
В основном, используются шкалы измерения А и С. Например, твердость стали HRC 26…32, HRB 25…29, HRA 70…75.
Измерению твердости по Виккерсу подвергаются изделия небольшой толщины или детали, имеющие тонкий, твердый поверхностный слой. В качестве клинка используется правильная четырехгранная пирамида угол при вершине, которой составляет 136°. Отображение значений твердости выглядит следующим образом: 220 HV.
Измерение твердости по методу Шора производится путем замера высоты отскока упавшего бойка. Обозначается цифрами и буквами, например, 90 HSD.
К определению микротвердости прибегают, когда необходимо получить значения мелких деталей, тонкого покрытия или отдельной структуры сплава. Измерение производят путем измерения отпечатка наконечника определенной формы. Обозначение значения выглядит следующим образом:
Н□ 0,195 = 2800, где
□ — форма наконечника;
0,196 — нагрузка на наконечник, Н;
2800 – численное значение твердости, Н/мм2.
Твердость основных металлов и сплавов
Измерение значения твердости проводится на готовых деталях, отправляющихся на сборку. Контроль производится на соответствие чертежу и технологическому процессу. На все основные материалы уже составлены таблицы значений твердости как в исходном состоянии, так и после термической обработки.
Цветные металлы
Твердость меди по Бринеллю составляет 35 НВ, значения латуни равны 42-60 НВ единиц в зависимости от ее марки. У алюминия твердость находится в диапазоне 15-20 НВ, а у дюралюминия уже 70НВ.
Черные металлы
Твердость по Роквеллу чугуна СЧ20 HRC 22, что соответствует 220 НВ. Сталь: инструментальная – 640-700 НВ, нержавеющая – 250НВ.
Для перевода из одной системы измерения в другую пользуются таблицами. Значения в них не являются истинными, потому что выведены империческим путем. Не полный объем представлен в таблице.
| HB | HV | HRC | HRA | HSD |
| 228 | 240 | 20 | 60.7 | 36 |
| 260 | 275 | 24 | 62.5 | 40 |
| 280 | 295 | 29 | 65 | 44 |
| 320 | 340 | 34.5 | 67.5 | 49 |
| 360 | 380 | 39 | 70 | 54 |
| 415 | 440 | 44.5 | 73 | 61 |
| 450 | 480 | 47 | 74.5 | 64 |
| 480 | 520 | 50 | 76 | 68 |
| 500 | 540 | 52 | 77 | 73 |
| 535 | 580 | 54 | 78 | 78 |
Значения твердости, даже если они производятся одним и тем же методом, зависят от прилагаемой нагрузки. Чем меньше нагрузка, тем выше показания.
Методы измерения твердости
Все методы определения твердости металлов используют механическое воздействие на испытуемый образец – вдавливание индентора. Но при этом не происходит разрушение образца.
Метод определения твердости по Бринеллю был первым, стандартизованным в материаловедении. Принцип испытания образцов описан выше. На него действует ГОСТ 9012. Но можно вычислить значение по формуле, если точно измерить отпечаток на образце:
HB=2P/(πD*√(D2-d2),
- где
Р – прикладываемая нагрузка, кгс; - D – окружность шарика, мм;
- d – окружность отпечатка, мм.
Шарик подбирается относительно толщины образца. Нагрузку высчитывают предварительно из принятых норм для соответствующих материалов:
сплавы из железа — 30D2;
медь и ее сплавы — 10D2;
баббиты, свинцовые бронзы — 2,5D2.

Условное изображение принципа испытания
Скачать ГОСТ 9012-59
Схематически метод исследования по Роквеллу изображается следующим образом согласно ГОСТ 9013.
Метод измерения твердости по Роквеллу
Итоговая приложенная нагрузка равна сумме первоначальной и необходимой для испытания. Индикатор прибора показывает разницу глубины проникновения между первоначальной нагрузкой и испытуемой h –h0.
Скачать ГОСТ 9013-59
Метод Виккерса регламентирован ГОСТом 2999. Схематически он изображается следующим образом.
Метод Виккерса
Математическая формула для расчета:
HV=0.189*P/d2 МПа
HV=1,854*P/d2 кгс/мм2
Прикладываемая нагрузка варьируется от 9,8 Н (1 кгс) до 980 Н (100 кгс). Значения определяются по таблицам относительно измеренного отпечатка d.

Метод Шора
Метод считается эмпирическим и имеет большой разброс показаний. Но прибор имеет простую конструкцию и его можно использовать при измерении крупногабаритных и криволинейных деталей.
Измерить твердость по Моосу металлов и сплавов можно царапанием. Моос в свое время предложил делать царапины более твердым минералом по поверхности предмета. Он разложил известные минералы по твердости на 10 позиций. Первую занимает тальк, а последнюю алмаз.
После измерения по одной методике перевод в другую систему весьма условен. Четкие значения существуют только в соотношении твердости по Бринеллю и Роквеллу, так как машиностроительные предприятия их широко применяют. Зависимость можно проследить при изменении диаметра шарика.
| d, мм | HB | HRA | HRC | HRB |
| 2,3 | 712 | 85,1 | 66,4 | — |
| 2,5 | 601 | 81,1 | 59,3 | — |
| 3,0 | 415 | 72,6 | 43,8 | — |
| 3,5 | 302 | 66,7 | 32,5 | — |
| 4,0 | 229 | 61,8 | 22 | 98,2 |
| 5,0 | 143 | — | — | 77,4 |
| 5,2 | 131 | — | — | 72,4 |
Как видно из таблицы, увеличение диаметра шарика значительно снижает показания прибора. Поэтому на машиностроительных предприятиях предпочитают пользоваться измерительными приборами с однотипным размером индентора.
Если вы нашли ошибку, пожалуйста, выделите фрагмент текста и нажмите Ctrl+Enter.
stankiexpert.ru
| Металлорежущий инструмент и инструментальная оснастка / Cutting tools and tooling system KORLOY | Каталог KORLOY 2014 Металлорежущий инструмент (Всего 1043 стр.) | ||||||||
978 Каталог KORLOY 2014 Металлорежущий инструмент и станочная оснастка Стр.L8 | ||||||||
![]() Справочная таблица соответствия шкал твердости Виккерс Hv Бринелль HB Роквелл HRA HRB HRC HRD Шор HS Предел прочности на разрыв МПа Общая техническая инфор Справочная таблица соответствия шкал твердости Виккерс Hv Бринелль HB Роквелл HRA HRB HRC HRD Шор HS Предел прочности на разрыв МПа Общая техническая информация Таблица соответствия обрабатываемых Материалов L Классификация обрабатываемых материалов Таблица соответствия твердостей О Таблица соответствия твердостей обрабатываемых материалов Виккерс 50kgf Hv Бринелль, 3000kgf HB Роквелл Шор hs Предел прочности на разрыв МПа(1) Стандартный шарик d10 мм Твердосплавный шарик d10 мм HrA HrB HrC HrD 940 85.6 68.0 76.9 97 920 85.3 67.5 76.5 96 900 85.0 67.0 76.1 95 880 (767) 84.7 66.4 75.7 93 860 (757) 84.4 65.9 75.3 92 840 (745) 84.1 65.3 74.8 91 820 (733) 83.8 64.7 74.3 90 800 (722) 83.4 64.0 74.8 88 780 (710) 83.0 63.3 73.3 87 760 (698) 82.6 62.5 72.6 86 740 (684) 82.2 61.8 72.1 84 720 (670) 81.8 61.0 71.5 83 700 (656) 81.3 60.1 70.8 81 690 (647) 81.1 59.7 70.5 680 (638) 80.8 59.2 70.1 80 670 630 80.6 58.8 69.8 660 620 80.3 58.3 69.4 79 650 611 80.0 57.8 69.0 640 601 79.8 57.3 68.7 77 630 591 79.5 56.8 68.3 620 582 79.2 56.3 67.9 75 610 573 78.9 55.7 67.5 600 564 78.6 55.2 67.0 74 590 554 78.4 54.7 66.7 2055 580 545 78.0 54.1 66.2 72 2020 570 535 77.8 53.6 65.8 1985 560 525 77.4 53.0 65.4 71 1950 550 (505) 517 77.0 52.3 64.8 1905 540 (496) 507 76.7 51.7 64.4 69 1860 530 (488) 497 76.4 51.1 63.9 1825 520 (480) 488 76.1 50.5 63.5 67 1795 510 (473) 479 75.7 49.8 62.9 1750 500 (465) 471 75.3 49.1 62.2 66 1705 490 (456) 460 74.9 48.4 61.6 1660 480 488 452 74.5 47.7 61.3 64 1620 470 441 442 74.1 46.9 60.7 1570 460 433 433 73.6 46.1 60.1 62 1530 450 425 425 73.3 45.3 59.4 1495 440 415 415 72.8 44.5 58.8 59 1460 430 405 405 72.3 43.6 58.2 1410 420 397 397 71.8 42.7 57.5 57 1370 410 388 388 71.4 41.8 56.8 1330 100 379 379 70.8 40.8 56.0 55 1290 390 369 369 70.3 39.8 55.2 1240 380 360 360 69.8 (100.0) 38.8 54.4 52 1205 370 350 350 69.2 39.9 53.6 1170 360 341 341 68.7 (109.0) 36.6 52.8 50 1130 350 331 331 68.1 35.5 51.9 1095 340 322 322 67.6 (108.0) 34.4 51.1 47 1070 330 313 313 67.0 33.3 50.2 1035 Виккерс 50kgf Hv Бринелль, 3000kgf HB Роквелл Шор hs Предел прочности на разрыв МПа(1) Стандартный шарик d10 мм Твердосплавный шарик d10 мм HrA HrB HrC HrD 320 303 303 66.4 (107.0) 32.2 49.4 45 1005 310 294 294 65.8 31.0 48.4 980 300 284 284 65.2 (105.5) 29.8 47.5 42 950 295 280 280 64.8 29.2 47.1 935 290 275 275 64.5 (104.5) 28.5 46.5 41 915 285 270 270 64.2 27.8 46.0 905 280 265 265 63.8 (103.5) 27.1 45.3 40 890 275 261 261 63.5 26.4 44.9 875 270 256 256 63.1 (102.0) 25.6 44.3 38 855 265 252 252 62.7 24.8 43.7 840 260 247 247 62.4 (101.0) 24.0 43.1 37 825 255 243 243 62.0 23.1 42.2 805 250 238 238 61.6 99.5 22.2 41.7 36 795 245 233 233 61.2 21.3 41.1 780 240 228 228 60.7 98.1 20.3 40.3 34 765 230 219 219 96.7 (18.0) 33 730 220 209 209 95.0 (15.7) 32 695 210 200 200 93.4 (13.4) 30 670 200 190 190 91.5 (11.0) 29 635 190 181 181 89.5 (8.5) 28 605 180 171 171 87.1 (6.0) 26 580 170 162 162 85.0 (3.0) 25 545 160 152 152 81.7 (0.0) 24 515 150 143 143 78.7 22 490 140 133 133 75.0 21 455 130 124 124 71.2 20 425 120 114 114 66.7 390 110 105 105 62.3 – 100 95 95 56.2 – 95 90 90 52.0 – 90 86 86 48.0 – 85 81 81 41.0 – Примечание: 1) 1М П a=1N/mm 2) параметры, указанные в скобках, применять только для сравнения 8 | ||||||||
См.также / See also : | ||||||||
| Таблица соответствия шкал твердости | ||||||||
| Металлообработка на станках Справочная техническая информация от компании Korloy | ||||||||
| | Содержание каталога инструмента и оснастки Korloy 2014 года на русском языке | |||||||
| | ||||||||
| KORLOY | ||||||||
| | ||||||||
Каталог KORLOY 2018 Металлорежущий инструмент и оснастка (1259 страниц) | Каталог KORLOY 2016 Металлорежущий инструмент и оснастка (1121 страница) | Каталог KORLOY 2016 Инструмент и оснастка (англ.яз / ENG) (1142 страницы) | Каталог KORLOY 2016 Инструмент для обработки штампов и пресс-форм (англ.яз / ENG) (263 страницы) | Каталог KORLOY 2015 Режущий инструмент и оснастка (англ.яз / ENG) (1059 страниц) | Каталог KORLOY 2014 Металлорежущий инструмент (1043 страницы) | |||
Каталог KORLOY 2014 Металлорежущий инструмент и станочная оснастка (исп.яз / SPA) (1043 страницы) | Каталог KORLOY 2013 Металлорежущий инструмент (987 страниц) | Каталог KORLOY 2012 Специальный режущий инструмент (англ.яз / ENG) (68 страниц) | Каталог KORLOY 2011 Металлорежущий инструмент (818 страниц) | Каталог KORLOY 2010 Металлорежущий инструмент (англ.яз / ENG) (820 страниц) | Каталог KORLOY 2008 Инструмент металлорежущий (546 страниц) | |||
| | ||||||||
| Металлорежущий инструмент и инструментальная оснастка / Cutting tools and tooling system | ||||||||
| Каталог KORLOY 2014 Металлорежущий инструмент (Всего 1043 стр.) | ||||||||
| | 975 Соответствие и классификация обрабатываемых материалов Чугуны Цветные металлы Жаропрочные сплавы Южнокорейские японские американские английские немецкие фр | 976 | 977 Таблица преобразований величин к международной единой системе СИ Сила Н кгс дин Напряжение Па или Н/м2 МПа или Н/мм2 кгс/мм2 кгс/см2 кгс/м2 Давление Па кПа | 979 Основные физические свойства инструментальных режущих материалов компании Korloy (Южная Корея) Мароки сплавов Область применения по ISO Плотность (г/см3) Т | 980 Особенности механической обработки на станках нержавеющей стали Рекомендации инструментальной южнокорейской компании Korloy Нержавейка обладает высокими ан | 981 Геометрии передних поверхностей сменных режущих токарных пластин Korloy для точения нержавеющих сталей Чистовая обработка Снижение сил резания за счет остр | ||
— — | ||||||||
lab2u.ru

