Устройство манометр: Манометр устройство – WIKA Россия
alexxlab | 12.01.1988 | 0 | Разное
Манометр — из чего состоит? Виды и типы
Что такое манометр
Термин «манометр» в основе имеет два греческих слова: «измерять» и «неплотный». Из этого понятны его назначение и основные функции — измерения в неких неплотных средах (жидкостях и газах).
Манометр — это прибор для измерения искусственно созданного давления газа или жидкости в замкнутой системе. |
Не следует путать его с барометром, который тоже показывает давление, но только атмосферное. В то время как с помощью манометра можно измерить, с какой силой жидкость или газ давит на стенки герметично закрытой емкости. Условно говоря, он показывает плотность воздуха внутри закрытого пространства.
Единица измерения давления: паскаль (Па). Она отражает силу в 1 Н, которая равномерно действует на площадь 1 кв. м. Также давление иногда измеряют в барах, атмосферах, миллиметрах ртутного или водяного столба.
Для чего нужен манометр
В зависимости от модификации манометры могут использоваться в самых разных сферах:
при накачивании автомобильных шин;
в обслуживании систем кондиционирования и отопления;
в гидравлических узлах для передвижения железнодорожной стрелки;
для контроля давления в пневматических агрегатах на производстве;
в нефтяной и газодобывающей промышленности;
для обслуживания двигателей на морских судах и т.
д.
Основное назначение манометра — проинформировать об избыточном или недостаточном давлении воды, пара, газа или иной рабочей среды. В промышленности также выделяют сигнальные приборы, которые помогают предотвратить взрывы и техногенные катастрофы из-за разрыва емкостей с опасными веществами (например, аммиаком или горячим паром).
Практикующий детский психолог Екатерина Мурашова
Бесплатный курс для современных мам и пап от Екатерины Мурашовой. Запишитесь и участвуйте в розыгрыше 8 уроков
Жидкостный манометр
Этот тип манометров появился первым еще в XVII веке. Он ведет свое начало от опытов Торричелли — одного из учеников Галилео Галилея.
Итальянский ученый погружал в емкость запаянную с одного конца и наполненную ртутью трубку. Некоторое количество ртути выливалось из трубки, и в ее верхней части получался вакуум. Соответственно, при повышении атмосферного давления ртутный столбик в трубке поднимался, а при понижении — опускался.
Принцип работы жидкостного манометра в целом похож на принцип работы системы из опыта Торричелли. Этот прибор представляет собой систему сообщающихся сосудов — две трубки, соединенные в U-образную конструкцию. Система наполовину заполнена жидкостью (обычно ртутью), и если на нее действует только атмосферное давление — уровень жидкости в обеих трубках будет одинаков.
Если одну из трубок подключить к накачивающему устройству или к закрытой емкости, на жидкость в ней будет действовать измеряемое давление (Р1). В то время как на жидкость во второй трубке действует только атмосферное давление (Р2). При изменении Р1 уровень жидкости во второй трубке тоже будет меняться.
Измерив разность высоты столба Δh = h1 − h2, можно узнать, насколько изменилось давление Δp = p1 − p2.
Результат измерений, полученный в сантиметрах ртутного столба, переводят в паскали из расчета:
1 см ртутного столба (при 0°C) = 1333,22 Па.
Для получения результата сразу в паскалях можно воспользоваться формулой, которая определяет давление воды на стенки емкости:
Р = ρgh, где ρ — плотность жидкости, g — ускорение свободного падения, h — высота столба.
Ускорение свободного падения (g) равно 9,8 H/кг.
Интересный факт!
Слава изобретателя манометра принадлежит Торричелли, но на самом деле он был придуман на столетие раньше Леонардо да Винчи. Гениальный художник и ученый написал трактат по гидравлике, в котором рассказал о замере давления воды с помощью U-образной системы. Однако этот труд до широкой публики дошел только в XIX веке.
Другие виды манометров
Жидкостный манометр дает возможность точных измерений, но у него есть большой недостаток: конструкция боится ударов и вибраций. Поэтому сегодня такие приборы используются в основном в лабораториях. С развитием промышленности возникли другие типы манометров, которые могут измерять давление в любых условиях — на подвижных механизмах, при сильных вибрациях и т.
д. По конструкции выделяют деформационные и поршневые (грузопоршневые) приборы.
Деформационные манометры
Манометр деформационного типа — это компактное механическое устройство, измеряющее давление сразу в паскалях (без перевода из других единиц). Его рабочим элементом является дугообразная или спиральная трубка Бурдона, в которую накачивается газ. Если давление внутри трубки повышается, она начинает распрямляться, и это движение через систему тяг передается на стрелку. При снятии давления она возвращается в свое первоначальное положение.
Вместо трубки может быть использована пружина, мембрана или другой чувствительный элемент, который деформируется под давлением. Принцип действия манометра остается тем же: деформация передается на стрелку, движущуюся по шкале.
Деформационные металлические манометры чаще всего используются в быту и на производстве. Они компактны, отлично переносят вибрации, не требуют строго вертикальной установки. Если нужно выбрать, к примеру, автомобильный манометр, он будет именно такого типа.
Интересный факт!
Деформационный манометр был изобретен случайно. В 1845 году швейцарский ученый Р. Шинц наблюдал, как на производстве рабочие восстанавливали сплющенную металлическую трубку, заглушив один ее конец и закачав внутрь воду. Под действием давления трубка разогнулась, а ученому пришла в голову мысль использовать такой же элемент для измерений, но работать с воздухом, а не с водой.
Поршневые манометры
Несмотря на то, что поршневые манометры были созданы раньше деформационных, они получили меньшее распространение. Сегодня такие приборы используются для исследования скважин в нефте- и газодобывающей промышленности, а также для сверки показаний в лабораториях.
На рисунке ниже можно увидеть, из чего состоит манометр поршневого типа. В самом простом варианте это емкость с маслом, соединенная при помощи штуцера с измеряемой средой. В емкость погружен цилиндр с тщательно притертым поршнем (зазор между стенками цилиндра и поршнем должен быть минимальным).
На торце поршня закреплена тарель, на которую могут укладываться грузы.
Снизу на поршень действует измеряемое давление Р, сверху оно уравновешивается некой силой, создаваемой весом самого поршня и грузов G1+ G2.
Давление под поршнем рассчитывается по формуле:
, где G1— масса грузов, G2— масса поршня с тарелью, g — ускорение свободного падения, F — площадь поршня.
Также давление можно выразить через силу согласно закону Паскаля:
P = F / S, где F — сила, действующая на поршень, S — площадь поршня.
С помощью поршневых маномеров впервые измеряли давление ученые-физики Георг Паррот и Эмиль Ленц. Но широкое распространение эти приборы получили благодаря некому Рухгольцу, который запустил их в массовое производство.
Учёба без слёз (бесплатный гайд для родителей)
Пошаговый гайд от Екатерины Мурашовой о том, как перестать делать уроки за ребёнка и выстроить здоровые отношения с учёбой.
Задачи
Чтобы научиться решать задачи под руководством опытного преподавателя, приходите на онлайн-курсы по физике для 9 класса!
Задача 1
В канистру налит бензин и высота столба составляет 0,6 м. Плотность бензина — 710 кг/м2. Определите давление бензина на дно канистры. Ускорение g равно 9,8 H/кг.
Решение:
Нам известно:
h = 0,6 м;
ρ = 710 кг/м2.
Согласно формуле, определяющей давление жидкости на стенки сосуда:
Р = ρgh;
P = 710 × 9,8 × 0,6 = 4174,8 Па = 4,7 кПа.
Ответ: 4,7 кПа.
Задача 2
На поршень, погруженный в цилиндр с маслом, положили груз весом 3 кг. Площадь поршня составляет 2 см2, а его вес — 300 гр. Чему равна сила давления под поршнем?
Решение:
Итак, у нас дано:
G1= 3 кг;
G2= 300 гр = 0,3 кг;
F = 2 см2 = 0,0002 м2;
Ускорение g равно 9,8 H/кг.
Ответ: 161,7 кПа.
раздел 8.2 книги «МАНОМЕТРЫ» от НПО «ЮМАС»
Измерение давления пульсирующих сред в большинстве случаев вызывает ускоренный износ, в первую очередь, деталей и узлов, находящихся на линии передачи от конца трубчатой пружины до трибки. Иллюстрацией пульсирующего параметра могут быть значения давления в ресиверах поршневых компрессоров, патрубках питательных насосов котельных установок. В таких режимах стрелка манометра пульсирует – дергается. При этом амплитуда пульсаций может составлять до 20…30 % шкалы прибора. Основная нагрузка в данном случае приходится на зубчатую передачу сектор – трибка. Поэтому «съедаются» зубцы этих деталей, что приводит к большим люфтам в передаточном механизме, а часто, при «разбивании» посадочных гнезд плат и износе цапф осевых держателей сектора и трибки, – к разрушению механизма.
Измерители с тензопреобразователями, как, впрочем, и с другими видами чувствительных элементов, не устойчивы к гидроударам, которые часто наблюдаются в тепловых сетях, особенно при пароводяных режимах.
При пульсационных нагрузках мембраны измерительных преобразователей, особенно когда на их поверхностях нанесены чувствительные слои, от частых деформаций снижают свой рабочий ресурс и ухудшаются свои технические характеристики.
Чтобы уменьшить амплитуды выбросов пульсирующего давления на линии его подвода устанавливаются дополнительные устройства, например клапаны, сужающие шайбы, позволяющие увеличить гидравлическое сопротивление импульсной линии или подводящего канала. Однако такие меры должны проводиться осторожно, так как отсчет измеряемого параметра желательно производить с минимальным транспортным запаздыванием. Но это не для пульсирующего параметра. При пульсирующем давлении требуется определять оптимальные значения между скоростью измерения и усредненным за определенный отрезок времени параметром.
Для снижения пульсаций, сглаживания параметра измеряемого потока применяют различные меры.
Одним из наиболее часто используемых приемов является установка в подводящем канале дополнительных устройств, повышающих их гидравлическое сопротивление. В некоторых случаях на подводящей линии размещается вставка с пористым материалом. Причем пористость, как и длина вставки, выбирается исходя из задаваемых параметров пульсаций измеряемого давления.
К недостаткам пористых демпферов можно отнести их засоряемость и невозможность или затруднительность регенерации.
В манометрических приборах традиционно используются демпферы, монтируемые в держателе измерителя. Демпфер представляет собой вставку с малым проходным отверстием в центре (рис. 8.9). Он устанавливается в подводящем канале и ограничивает движение массы рабочего вещества между измеряемым потоком и полостью чувствительного элемента.
Рис. 8.9. Демпфер в виде сужающего устройства |
Длина канала с отверстием небольшого диаметра практически не влияет на показатели демпфирования.
Определяющим является диаметр отверстия, выбираемый в зависимости от вязкости измеряемой среды, требуемой величины усреднения и значений амплитуд пульсаций.
Основным недостатком демпферов в виде сужающего устройства является вероятность засорения малого проходного канала.
Конструкция демпферного блока с фильтром и иглой исключает возможность засорения канала и обеспечивает работоспособность устройства в комплекте с манометром при измерении сред с различными характеристиками пульсаций (рис. 8.10).
Рис. 8.10. Демпферный блок с фильтром и иглой:1 – регулирующая игла; 2 – ввод; 3 – корпус; 4 – основа; 5 – накидная гайка; 6 – фильтр |
Регулирующая игла 1, закрепленная во вводе 2, образует с корпусом 3 демпфирующий зазор. Корпус состоит из основы 4 и накидной гайки 5. Фильтр 6 устанавливается перед демпфирующим зазором и обеспечивает циркулирование через него среды без сторонних включений.
Изменение демпфирующего зазора между регулирующей иглой и корпусом обеспечивает оптимальный выбор между характеристиками сглаживания измерений и временем запаздывания измеряемого давления.
К недостаткам такой конструкции можно отнести необходимую периодическую замену фильтров.
1 – основа; 2 – гнездо манометра; 3 – перегородка; 4 – эластичный колпак; 5 – манометр; 6 – подводящий штуцер; 7 – демпферное отверстие |
Демпферный блок с разделителем (рис. 8.11) представляет собой корпус, состоящий из основы 1 и гнезда манометра 2, между которыми размещается перегородка 3. К ней герметично присоединен эластичный колпак 4. В центре перегородки имеется отверстие малого диаметра, служащее демпфером. Внутренний объем эластичного колпака с внутренней полостью чувствительного элемента манометра 5 образуют единое замкнутое пространство, которое заполняется жидкостью.
Среда измеряемого давления через подводящий штуцер 6 поступает внутрь основы и воздействует на эластичный колпак. При избыточном давлении последний стремится уменьшить свои размеры – сжаться, что вызывает переток находящейся внутри него жидкости через демпферное отверстие 7 во внутреннюю полость чувствительного элемента манометра. При этом малый диаметр проходного отверстия и нежесткость формы и объема эластичного колпака позволяют отсечь основные пульсации давления измеряемой среды. чем меньше диаметр отверстия, тем больше степень сглаживания измеряемой среды, поступающей во внутреннюю полость чувствительного элемента измерителя.
Главным недостатком демпферного блока с разделителем является отсутствие возможности управления степенью демпфирования.
Более широкое распространение получило демпферное устройство, рабочая часть которого представляет набор шайб с малыми отверстиями, размещенных на определенном расстоянии друг от друга (рис. 8.12). В корпусе 1 устройства устанавливаются шайбы 2 и 3, которые имеют одинаковые габаритные размеры, но различаются расположением отверстий друг относительно друга.
и при установке в корпусе дистанциируются вставкой 4. Таким образом создаются малые камеры рабочей среды. Измеряемая среда пульсирующего давления через одну из шайб поступает в малую камеру и из-за смещения отверстий в шайбах друг относительно друга вынуждена изменять направление движения. Таким образом, она проходит серпантинный путь, на котором и из-за которого происходит гашение пульсаций.
Рис. 8.12. Схема (а) и вид (б) демпферного устройства с набором шайб: 1 – корпус; 2 и 3 – шайбы; 4 – вставка; 5 – фиксатор |
Диаметр отверстий в шайбах, их расположение и количество камер в значительной мере определяют степень сглаживания пульсирующего параметра.
Фиксатор 5 обеспечивает собираемость конструкции и позволяет неподвижно фиксировать шайбы.
Демпферные устройства с набором шайб используются в промышленной эксплуатации на протяжении нескольких десятков лет.
Определенную степень демпфирования могут вносить подводящие коммуникации. Так, обеспечивающие нормальные температурные условия работы манометра сифонные отводы, в особенности конструкции, в которых имеются гидравлические петли, позволяют в значительной степени уменьшить пульсации измеряемой среды.
демпфирование измеряемой среды может также производиться трехходовыми кранами и игольчатыми клапанами, установленными на импульсной линии подсоединения манометра. Степень демпфирования в этом случае во многом зависит от конструкции применяемых устройств.
Представляет интерес использование для гашения пульсаций демпферного устройства с регулировочной иглой (рис.8.13). Регулировочная игла 1 устанавливается с помощью зажимного штуцера 2 в корпусе 3 демпферного устройства. Уплотнительная прокладка 4 обеспечивает герметичность конструкции.
Таким образом, канал измеряемого потока пульсирующего давления на пути к чувствительному элементу прибора перекрывается регулировочной иглой 1.
Величина такого перекрытия определяет степень демпфирования измеряемого параметра.
Другим типом приспособлений для сглаживания пульсаций давления измеряемой среды могут служить устройства, у которых гашение скачков достигается малым размером канала (на уровне долей миллиметра) и большой его длиной (от десятков сантиметров до сотен метров). На рис. 8.14 представлено демпферное устройство с капиллярным каналом.
Измеряемая среда пульсирующего давления через подводящий штуцер 1, пористый фильтр 2 и демпферную шайбу 3 поступает в капиллярный канал, образованный конусом 4 и корпусом 5. Внутренняя наклонная плоскость корпуса 5 имеет чистую поверхность. Канал в виде спирали нарезан на внешней стороне конуса. Площадь его поперечного сечения и форма принимаются в зависимости от задаваемых параметров рабочей среды.
Выход капиллярного канала через дополнительное отверстие 6 соединен с выходом устройства.
Герметичность конструкции обеспечивается уплотнительной прокладкой 7 и резьбовой крышкой 8.
Рис. 8.14. Схема (а) и вид (б) демпферного устройство с капиллярным каналом: 1 – подводящий штуцер; 2 – пористый фильтр; 3 – демпферная шайба; 4 – конус; 5 – корпус; 6 – дополнительное отверстие; 7 – уплотнительная прокладка; 8 –резьбовая крышка |
Демпферное устройство с капиллярным каналом в комплекте, например, с показывающим манометром МП 160 реально обеспечивает время переходного процесса от 0,5 до 3 с.
Рис. 8.13. Схема (а) и вид (б) демпферного устройства с регулирующей иглой: 1 – регулировочная игла; 2 – зажимной штуцер; 3 – корпус; 4 – уплотнительная прокладка. |
какое давление показывает манометр, устройство манометра и как им измерять
Ни одно современное здание не обходится без отопительной системы. А для ее стабильной и безопасной эксплуатации требуется точный контроль давления теплоносителя. Если давление в пределах гидравлического графика стабильное, то отопительная система работает нормально. Однако при ее повышении появляется риск разрыва трубопровода.
- Описание и назначение манометра
- Классификация приборов
- Устройство и принцип действия
- Маркировка по цвету
- Преимущества использования
- Класс точности прибора
Понижение давления также может привести к таким негативным последствиям, как, например, образование кавитации, то есть в трубопроводе образуются пузырьки воздуха, которые, в свою очередь, могут вызвать коррозию. Поэтому поддерживать нормальное давление крайне необходимо, и благодаря манометру это становиться возможным.
Помимо отопительных систем такие приборы применяются в самых различных областях.
Описание и назначение манометра
Манометр представляет собой прибор, измеряющий уровень давления. Существуют такие виды манометров, которые применяются в самых разных отраслях, и, разумеется, для каждой из них предназначен свой манометр. Для примера можно взять барометр — прибор, предназначенный для измерения давления атмосферы. Они широко применяются в машиностроении, в сельском хозяйстве, в строительстве, в промышленности и в других сферах.
Эти приборы измеряют давление, и это понятие растяжимое, по крайней мере, и у этой величины также есть свои разновидности. Чтобы ответить на вопрос о том, какое давление показывает манометр, стоит рассмотреть этот показатель в целом. Это величина, определяющая отношение силы, действующей на единицу площади поверхности, перпендикулярно этой поверхности. Практически любой технологический процесс сопровождается этой величиной.
youtube.com/embed/LMoBxHE1OWM”>Виды давления:
- атмосферное — давление атмосферы земли, которое создается массой воздушного столба;
- абсолютное давление —это показатель, отсчет которого с учетом атмосферного, начинается с нуля;
- избыточное — под избыточным подразумевают разность двух показателей атмосферного и абсолютного;
- вакуум или, другими словами, разряженное — наоборот, представляет собой разницу абсолютного и атмосферной или барометрической величины;
- дифференциальное — это разность между двумя измеряемыми показателями, которые не имеют отношения к природным показателям.
Для измерения каждого из перечисленных выше видов показателей существуют определенные типы манометров.
Классификация приборов
Типы манометров различаются по двум признакам: по виду измеряемого ими показателя и по принципу действия.
По первому признаку они подразделяются на:
- приборы, предназначенные для измерения атмосферного давления, иначе они называются барометры;
- приборы, измеряющие избыточное и абсолютное;
- вакуумметры, призваны измерять разность атмосферного и абсолютного давлений;
- напорометры, измеряют малое (до 40 кПа) избыточное давление;
- тагометры, вид вакуумметра, которое измеряет избыточное давление верхнего предела 40 кПа;
- дифференциальные манометры, измеряют разность давлений.

Они работают по принципу уравновешивания разницы давлений определенной силой. Поэтому устройство манометров разное, в зависимости от того, как именно происходит это уравновешивание.
По принципу действия они делятся на:
- жидкостные, уравновешивание разницы давлений в таких приборах происходит за счет гидростатического давления столба жидкости, в устройстве используется принцип сообщающихся сосудов;
- пружинные имеют простую конструкцию, и широко применяются для измерения давления среды в широких диапазонах;
- мембранные, основаны на пневматической компенсации, уравновешивание давления происходит за счет силы упругости мембранной коробки;
- электроконтактные, применяются в автоматических системах контроля и сигнализации, поскольку с их помощью можно регулировать измеряемую среду благодаря встроенному в корпус электроконтактному механизму;
- дифференциальные используются для измерения уровня жидкостей под напором расхода жидкости, пара и газа с помощью диафрагм.

По назначению существуют такие виды манометров, как:
- общетехнические приборы применяются для измерения напора жидкостей, газов и паров, химически нейтральных к сплавам меди;
- кислородные, они производятся в корпусах голубого цвета с указанием О2 на циферблате, применяются для измерения кислородного давления в баллонах или вакуумах;
- ацетиленовые применяются для контроля избыточного давления ацетилена;
- эталонные применяются в целях проверки других приборов, поскольку они обладают большой точностью;
- судовые применяются в судах и морском транспорте;
- железнодорожные используются на железнодорожном транспорте;
- самопишущие имеют встроенный механизм, который позволяет воспроизводить на бумаге результат работы.
Устройство и принцип действия
Устройство манометра может иметь различную конструкцию в зависимости от вида и предназначения.
Так, например, устройство, измеряющее напор воды, имеет довольно простую и понятную конструкцию. Она состоит из корпуса и шкалы с циферблатом, которая отображает значение. В корпусе имеется встроенная пружина трубчатая либо мембрана с держателем, трипко-секторным механизмом и упругий элемент. Прибор функционирует по принципу уравнивания давления за счет силы изменения формы (деформации) мембраны либо пружины. А деформация, в свою очередь, приводит в движение чувствительный упругий элемент, действие которого отображается на шкале с помощью стрелки.
Жидкостные манометры состоят из длинной трубки, которую наполняют жидкостью. В трубке с жидкостью находится подвижная пробка, на которую влияет рабочая среда, измерять силу напора следует в зависимости от перемещения уровня жидкости. Манометры могут предназначаться для измерения разницы, такие устройства состоят из двух трубок.
Поршневые — состоят из цилиндра и поршня, расположенного внутри.
Рабочая среда, в которой измеряется давление воздействует на поршень и уравновешивается грузом некоторой величины. Когда показатель изменяется, поршень перемешается и приводит в действие стрелку, которая показывает значение давления.
Термопроводные состоят из нити накаливания, которые нагреваются, когда через них пропускается электрический разряд. Принцип работы таких приборов основан на снижении теплопроводности газа с давлением.
Манометр Пирани назван так в честь Марчелло Пирани, который впервые сконструировал устройство. В отличие от термопроводных, состоит из металлической проводки, которая также нагревается во время прохождения через нее тока и охлаждается под воздействием рабочей среды, а именно газа. При уменьшении давления газа снижается и эффект охлаждения, а температура проводки возрастает. Величина измеряется посредством измерения напряжения в проводе во время прохождения через нее тока.
Ионизационные являются самыми чувствительными устройствами, которые используются для вычисления малых давлений.
Как следует из названия устройства, его принцип работы основывается на измерении ионов, которые образуются под воздействием электронов на газ. Количество ионов зависит от плотности газа. Однако ионы имеют очень нестабильную природу, которая напрямую зависит от рабочей среды газа или пара. Поэтому для уточнения применяются другой вид манометра Мак Леода. Уточнение происходит за счет сравнения показателей ионизационного манометра, с показаниями прибора Мак Леода.
Существует два вида ионизационных устройств: с горячим и холодным катодом.
Первый вид был сконструирован Баярдом Аллертом, состоит из электродов, которые работают в режиме триода, а в качестве катода выступает нить накала. Самый распространённый вид горячего катода — ионный манометр, в конструкции которого помимо коллектора, нити и сетки встроен небольшой ионный коллектор. Такие приборы очень уязвимы, они могут легко потерять калибровку, в зависимости от условий работы.
Поэтому показания этих приборов всегда логарифмичны.
Холодный катод также имеет свои разновидности: интегрированный магнетрон и манометр Пеннинга. Их главное отличие заключается в положении анода и катода. В конструкции этих приборов нет нити накалывания, поэтому им для работы им требуется напряжение до 0,4 кВт. Использовать такие устройства не эффективно при низком уровне давления. Поскольку они могут просто не заработать и не включиться. Принцип их работы основан на выработке тока, что невозможно при полном отсутствии газа, особенно для манометра Пеннинга. Так как устройство работает только в определенном магнитном поле. Оно необходимо для создания нужной траектории движения ионов.
Маркировка по цвету
Манометры, измеряющие давление газа, имеют цветные корпуса, их специально окрашивают в различные цвета. Существует несколько основных цветов, которые используются для окрашивания корпуса. Как, например, манометры, которые измеряют давление кислорода, имеют корпус голубого цвета с условным обозначением О2, аммиачные манометры имеют корпус, окрашенный в желтый цвет, ацетиленовые — белого цвета, водородные — темно-зеленого, хлорные — серого.
Приборы, измеряющие давление горючих газов, окрашиваются в красный цвет, а негорючих —черный.
Преимущества использования
В первую очередь, стоит отметить универсальность манометра, который заключается в возможности контролировать давление и поддерживать ее на определенном уровне. Во-вторых, устройство позволяет получить точные показатели нормы, так и отклонение от них. В-третьих, доступность практически любо человек может себе позволить приобрести данный прибор. В-четвертых, устройство способно работать стабильно и бесперебойно на протяжении длительного времени, и не требует специальных условий или навыков.
Использование таких устройств в таких областях, как медицина, химическая промышленность, машино- и автомобилестроение, морской транспорт и других требующих точного контроля давления, значительно облегчает работу.
Класс точности прибора
Манометров очень много, и каждому виду присваивается определенный класс точности согласно предписаниям ГОСТ, под которым понимается допустимая погрешность, выражающаяся в процентном отношении к диапазону измерений.
Существует 6 классов точности: 0,4; 0,6; 1; 1,5; 2,5; 4. У каждого типа манометра они также различаются. Приведенный выше список относится к рабочим манометрам. Для пружинных устройств, к примеру, соответствуют следующие показатели 0,16; 0,25 и 0,4. Для поршневых — 0,05 и 0,2 и так далее.
Класс точности имеет обратно пропорциональную зависимость от диаметра шкалы прибора и от типа прибора. То есть, если диаметр шкалы больше, то точность и погрешность манометра уменьшается. Класс точности условно принято обозначать следующими латинскими буквами KL также можно встретить и CL, которая указывается на шкале прибора.
Значение погрешности можно вычислить. Для этого используется два показателя: класс точности или KL и диапазон измерений. Если класс точности (KL) равен 4, то диапазон измерений составит 2,5 МПа (Мегапаскаль), а погрешность будет равна 0,1 МПа. Вычисляется по формуле произведение класса точности и диапазона измерений, деленное на 100. Поскольку погрешность выражается в процентах, результат нужно переводить в проценты путем деления на 100.
Помимо основного вида, существует и дополнительная погрешность. Если для вычисления первого вида используются идеальные условия или натуральные величины, влияющие на особенности конструкции прибора, то второй вид напрямую зависит от условий. Например, от температуры и вибрации или других условий.
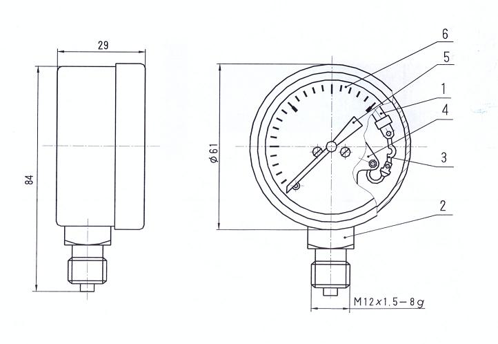
Устройство манометра
Главная » Разное » Устройство манометра
Манометр устройство – WIKA Россия
Манометр – устройство с трубкой Бурдона, используется для измерения избыточного давления от 0,6 до 7 000 бар. Он относится к механическим средствам измерения давления и работает без электропитания.
Манометр устройство интересноеТрубка Бурдона – это кольцеобразная трубка с овальным сечением. Давление измеряемой среды действует на внутреннюю поверхность трубки и вызывает перемещение незакрепленного конца трубки. Это движение является измерением давления и отображается посредством механизма.
Это движение является мерой величины давления и отображается посредством механизма.
C-образная трубка Бурдона, изогнутая под углом около 250°, может использоваться для давлений до 60 бар. Для более высоких давлений применяется трубка Бурдона с несколькими наложенными витками одинакового диаметра (винтообразные трубки) или со спиральной катушкой в одной плоскости (спиральные трубки).
Манометр устройство технологичноеКомпания WIKA самостоятельно разрабатывает, проверяет и производит манометр с трубкой Бурдона в соответствии со стандартом EN 837-1. Мы изготавливаем такие манометры с различными диапазонами измерений, технологическими соединениями, региональными требованиями и номинальными размерами.
Для применения в агрессивных средах поставляется гидрозаполненный манометр с трубкой Бурдона. Манометр надежное устройство, гидрозаполненный корпус обеспечивает точность считывания показаний манометра даже при высоких динамических нагрузках.
Благодаря гидрозаполнению обеспечивается смачивание подвижных частей в корпусе, что предотвращает повреждение и износ изделия. Ассортимент продукции дополняет манометр устройство в безопасном исполнении. Помимо сплошной разделительной перегородки между циферблатом и измерительной системой такой манометр с трубкой Бурдона также оснащен выдуваемой задней стенкой для сброса давления. Это обеспечивает защиту любого человека, находящегося прямо перед манометром.
Важную роль в обеспечении точного измерения играет и механизм прибора. Механизмы «Swiss movement» (Сделано в Швейцарии) не только точны, как швейцарские часовые механизмы, но и отличаются особой прочностью и надежностью.
Манометр устройство с трубкой Бурдона в стандартном исполнении
Такой манометр с трубкой Бурдона подходят для жидких или газообразных сред, не слишком вязких или кристаллизующихся, не агрессивных по отношению к деталям из медного сплава. Диапазон измерений покрывает от 0,5 до 1 000 бар.
Манометр устройство с трубкой Бурдона в коррозионно-стойком исполнении
Манометр с трубкой Бурдона в исполнении с улучшенной коррозийной стойкостью полностью сделан из нержавеющей стали. Он подходит для измерения давления в диапазоне от 0 … 0,5 до 0 … 7 000 бар, для газообразных и жидких сред с низкой вязкостью и некристаллизующихся, а также для агрессивных окружающих условий.
Технологические средства измерения WIKA
Надежность показывающих приборов для измерения давления и температуры WIKA для перерабатывающих отраслей промышленности была доказана миллион раз. Отдел «Технологические средства измерения» дает объяснения.
Свяжитесь с нами
Вам нужна дополнительная информация? Напишите нам:
Манометр — из чего состоит? Виды и типы
Что такое манометр
Термин «манометр» в основе имеет два греческих слова: «измерять» и «неплотный». Из этого понятны его назначение и основные функции — измерения в неких неплотных средах (жидкостях и газах).
Манометр — это прибор для измерения искусственно созданного давления газа или жидкости в замкнутой системе. |
Не следует путать его с барометром, который тоже показывает давление, но только атмосферное. В то время как с помощью манометра можно измерить, с какой силой жидкость или газ давит на стенки герметично закрытой емкости. Условно говоря, он показывает плотность воздуха внутри закрытого пространства.
Единица измерения давления: паскаль (Па). Она отражает силу в 1 Н, которая равномерно действует на площадь 1 кв. м. Также давление иногда измеряют в барах, атмосферах, миллиметрах ртутного или водяного столба.
Для чего нужен манометр
В зависимости от модификации манометры могут использоваться в самых разных сферах:
при накачивании автомобильных шин;
в обслуживании систем кондиционирования и отопления;
в гидравлических узлах для передвижения железнодорожной стрелки;
для контроля давления в пневматических агрегатах на производстве;
в нефтяной и газодобывающей промышленности;
для обслуживания двигателей на морских судах и т.
д.
Основное назначение манометра — проинформировать об избыточном или недостаточном давлении воды, пара, газа или иной рабочей среды. В промышленности также выделяют сигнальные приборы, которые помогают предотвратить взрывы и техногенные катастрофы из-за разрыва емкостей с опасными веществами (например, аммиаком или горячим паром).
Жидкостный манометр
Этот тип манометров появился первым еще в XVII веке. Он ведет свое начало от опытов Торричелли — одного из учеников Галилео Галилея.
Итальянский ученый погружал в емкость запаянную с одного конца и наполненную ртутью трубку. Некоторое количество ртути выливалось из трубки, и в ее верхней части получался вакуум. Соответственно, при повышении атмосферного давления ртутный столбик в трубке поднимался, а при понижении — опускался.
Принцип работы жидкостного манометра в целом похож на принцип работы системы из опыта Торричелли. Этот прибор представляет собой систему сообщающихся сосудов — две трубки, соединенные в U-образную конструкцию.
Система наполовину заполнена жидкостью (обычно ртутью), и если на нее действует только атмосферное давление — уровень жидкости в обеих трубках будет одинаков.
Если одну из трубок подключить к накачивающему устройству или к закрытой емкости, на жидкость в ней будет действовать измеряемое давление (Р1). В то время как на жидкость во второй трубке действует только атмосферное давление (Р2). При изменении Р1 уровень жидкости во второй трубке тоже будет меняться.
Измерив разность высоты столба Δh = h1 − h2, можно узнать, насколько изменилось давление Δp = p1 − p2.
Результат измерений, полученный в сантиметрах ртутного столба, переводят в паскали из расчета:
1 см ртутного столба (при 0°C) = 1333,22 Па.
Для получения результата сразу в паскалях можно воспользоваться формулой, которая определяет давление воды на стенки емкости:
Р = ρgh, где ρ — плотность жидкости, g — ускорение свободного падения, h — высота столба.
Ускорение свободного падения (g) равно 9,8 H/кг.
Интересный факт!
Слава изобретателя манометра принадлежит Торричелли, но на самом деле он был придуман на столетие раньше Леонардо да Винчи. Гениальный художник и ученый написал трактат по гидравлике, в котором рассказал о замере давления воды с помощью U-образной системы. Однако этот труд до широкой публики дошел только в XIX веке.
Другие виды манометров
Жидкостный манометр дает возможность точных измерений, но у него есть большой недостаток: конструкция боится ударов и вибраций. Поэтому сегодня такие приборы используются в основном в лабораториях. С развитием промышленности возникли другие типы манометров, которые могут измерять давление в любых условиях — на подвижных механизмах, при сильных вибрациях и т. д. По конструкции выделяют деформационные и поршневые (грузопоршневые) приборы.
Деформационные манометры
Манометр деформационного типа — это компактное механическое устройство, измеряющее давление сразу в паскалях (без перевода из других единиц).
Его рабочим элементом является дугообразная или спиральная трубка Бурдона, в которую накачивается газ. Если давление внутри трубки повышается, она начинает распрямляться, и это движение через систему тяг передается на стрелку. При снятии давления она возвращается в свое первоначальное положение.
Вместо трубки может быть использована пружина, мембрана или другой чувствительный элемент, который деформируется под давлением. Принцип действия манометра остается тем же: деформация передается на стрелку, движущуюся по шкале.
Деформационные металлические манометры чаще всего используются в быту и на производстве. Они компактны, отлично переносят вибрации, не требуют строго вертикальной установки. Если нужно выбрать, к примеру, автомобильный манометр, он будет именно такого типа.
Интересный факт!
Деформационный манометр был изобретен случайно. В 1845 году швейцарский ученый Р. Шинц наблюдал, как на производстве рабочие восстанавливали сплющенную металлическую трубку, заглушив один ее конец и закачав внутрь воду.
Под действием давления трубка разогнулась, а ученому пришла в голову мысль использовать такой же элемент для измерений, но работать с воздухом, а не с водой.
Поршневые манометры
Несмотря на то, что поршневые манометры были созданы раньше деформационных, они получили меньшее распространение. Сегодня такие приборы используются для исследования скважин в нефте- и газодобывающей промышленности, а также для сверки показаний в лабораториях.
На рисунке ниже можно увидеть, из чего состоит манометр поршневого типа. В самом простом варианте это емкость с маслом, соединенная при помощи штуцера с измеряемой средой. В емкость погружен цилиндр с тщательно притертым поршнем (зазор между стенками цилиндра и поршнем должен быть минимальным). На торце поршня закреплена тарель, на которую могут укладываться грузы.
Снизу на поршень действует измеряемое давление Р, сверху оно уравновешивается некой силой, создаваемой весом самого поршня и грузов G1+ G2.
Давление под поршнем рассчитывается по формуле:
, где G1— масса грузов, G2— масса поршня с тарелью, g — ускорение свободного падения, F — площадь поршня.
Также давление можно выразить через силу согласно закону Паскаля:
P = F / S, где F — сила, действующая на поршень, S — площадь поршня.
С помощью поршневых маномеров впервые измеряли давление ученые-физики Георг Паррот и Эмиль Ленц. Но широкое распространение эти приборы получили благодаря некому Рухгольцу, который запустил их в массовое производство.
Задачи
Чтобы научиться решать задачи под руководством опытного преподавателя, приходите на онлайн-курсы по физике для 9 класса!
Задача 1
В канистру налит бензин и высота столба составляет 0,6 м. Плотность бензина — 710 кг/м2. Определите давление бензина на дно канистры. Ускорение g равно 9,8 H/кг.
Решение:
Нам известно:
h = 0,6 м;
ρ = 710 кг/м2.
Согласно формуле, определяющей давление жидкости на стенки сосуда:
Р = ρgh;
P = 710 × 9,8 × 0,6 = 4174,8 Па = 4,7 кПа.
Ответ: 4,7 кПа.
Задача 2
На поршень, погруженный в цилиндр с маслом, положили груз весом 3 кг. Площадь поршня составляет 2 см2, а его вес — 300 гр. Чему равна сила давления под поршнем?
Решение:
Итак, у нас дано:
G1= 3 кг;
G2= 300 гр = 0,3 кг;
F = 2 см2 = 0,0002 м2;
Ускорение g равно 9,8 H/кг.
Ответ: 161,7 кПа.
Что такое манометр, для чего используется
Манометр – это профессиональное устройство, которое создано для того, чтобы была возможность точного измерения давления газа и жидкости. Манометры бывают самых различных видов, в частности, они бывают низкого давления и высокого. Обычно это устройство помещено в небольшой корпус для того, чтобы было удобно им пользоваться.
Наука пошла вперед, и уже сейчас имеются и сложные манометры, которые имеют в своем составе еще и температурную шкалу – термометры, вакуумметры – имеют вакуумные манометры. Которые предназначены для того, чтобы измерять давление тех газов, которые разряжены. Самое чем оснащено это устройство – это датчики давления, они и помогают измерить его.
Такие устройства необходимы в самых разных научных областях и технических. Их применяют при изучении процессов физики, которые наблюдаются в природе, или для измерения технологических процессов, которые созданы человеком. Стоит иметь в виду, что эти устройства отличаются по классу точности. Так, например, есть класс точности 0,2, 0,6, 1,0, 2,5, 4,0. При этом, чем цифра меньше, тем и точность устройства, следовательно, меньше.
Важно отметить, что манометр находит свое применение и в теплоэнергетике, а также же на химических организациях, и тех, которые связаны с нефтехимией. Интересно, что его применяют и в пищевой отрасли, ведь именно здесь очень важно знать давление и регулировать его состояние.
Конечно, такое распространенное и нужное устройство делится на разные виды. Итак, существуют манометры:
- технические;
- специальные;
- электроконтактные;
- общетехнические.
Устройства также делятся исходя из назначения. Бывают манометры:
- специальные;
- судовые;
- самопишущие;
- виброустойчивые;
- электроконтактные и другие.
Итак, рассмотри каждый по отдельности, чтобы детальнее разобраться какой манометр, где удобнее и лучше применять. Первый вид – общетехнические. Такие устройства могут измерять в разных сферах, даже избыточных и вакуумных. Такие устройства используют в частности для того, чтобы мерять давление в ходе процесса производства в промышленных оборудованиях непосредственно в их рабочих точках. Такие манометры устойчивы к вибрациям. Их применяют в газоснабжении, в механизмах и машинах, в теплоснабжении, в технологических системах.
Например, электроконтактные манометры могут регулировать измеряемую среду, и делают они это за счет наличия электроконтактного организма. Ими можно измерять давление жидкости, пара, газа и другое. Еще один вид – специальные манометры – для того, чтобы ими измеряли различные газы, такие как аммиак, кислород, водород, ацетилет. Важно знать, что для каждого газа – свой манометр, об этом свидетельствует специальный цвет на корпусе устройства.
Образцовые манометры созданы для испытаний, калибровки давления и для того, чтобы точно измерять избыток давления газа и жидкости. А вот судовые манометры эксплуатируют на речном и морском флоте.
По типам манометры тоже различаются на несколько видов. Так, например, жидкостные устройства применяют в лабораторных условиях. Давление здесь измеряется с помощью уравновешивания веса жидкости его столба, а мера давления здесь – измерения количества жидкости в сосудах сообщающихся.
Также существуют поршневые манометры, деформационные, пружинные, трубчатые, мембранные и сильфонные. Все они отличаются способом применения. У нас Вы сможете найти различные манометры, которые помогут Вам измерять и контролировать давление воды и газа.
Преимущества работы с использованием манометров
На самом деле, преимущества в работе с манометрами очевидны. Во-первых, это универсальное устройство, которое помогает держать под контролем уровень давления. Во вторых, это точность измерения, а в том числе и аритмии.
Третье преимущество – дешевизна. Такое устройство может позволить себе каждый, потому что он имеет невысокую цену. И четвертое, очень важное преимущество в том, что это устройство надежное, при чем, надежность его не ухудшается даже при длительной эксплуатации. Еще одно важное свойство – это возможность эксплуатации в любых условиях.
Стоит отметить, что без такого приборы работа на предприятии, в котором необходимы измерения давления, значительно затрудняются.
Ведь зачастую именно это небольшое устройство и держит под контролем весь производственный процесс. Это доп. оборудование – незаменимый помощник во многих отраслях.
Конечно, совсем непросто разобраться во всех видах этого устройства, которые существуют. Тем не менее, мы готовы помочь Вам в этом и подобрать Вам манометр, который подойдет именно для Ваших целей. Специалисты электротехнического интернет-магазина компании Энергопуск отлично разбираются в этом деле и помогут определиться с выбором, проконсультируют Вас по данному вопросу. Именно поэтому Вас стоит обратиться к нам, чтобы не ошибиться в своем выборе.
Остались вопросы?
Специалисты ЭНЕРГОПУСК ответят на Ваши вопросы:
8-800-700-11-54 (8-18, Пн-Вт)
как обнаружить и предупредить неисправность манометра
Как понять, что манометр поврежден или может отказать?
Дэйв Росс (Dave Ross), старший инженер отдела сервисного обслуживания
Манометры — совсем небольшие приборы.
Однако они являются важной составляющей систем в различных отраслях. Обеспечиваемая ими визуальная индикация давления в системе позволяет понять, все ли работает в требуемом диапазоне или надвигается проблема. Неточная работа манометра может привести к снижению качества продукта на выходе системы в связи с нарушением достоверности данных и последующим чрезмерным повышением или снижением давления в системе. В случае неисправности манометра возможен выброс технологической среды из системы, а значит, травмы сотрудников, повреждения системы (на устранение которых потребуется время и деньги), а также потеря выходного продукта и прибыли.
Знание признаков и причин приближающейся неисправности манометра поможет быстро понять, что показания давления перестали быть точными, и избежать нежелательных последствий.
Если вы считаете, что в вашей системе присутствует манометр, работающий не самым лучшим образом, продолжайте читать эту статью, чтобы узнать о настораживающих признаках неисправности.
Каковы признаки неисправности манометра?
Ниже описаны пять основных причин неисправности манометра, ее признаки и действия, которые можно предпринять для решения проблемы.
Избыточное давление
Если стрелка манометра прижата к упору-ограничителю, значит, давление в манометре приближается к максимальному значению или превышает его. Это указывает на то, что установленный манометр имеет неподходящий для системы диапазон давления и не способен правильно показывать давление в ней. В результате может разорваться трубка Бурдона, что приведет к полному отказу манометра.
Трубка Бурдона — это изогнутая полая трубка, обычно изготовленная из металла, которая находится внутри манометра. Эта трубка реагирует на давление в системе и перемещает соединенную с ней стрелку для отображения соответствующего значения давления на циферблате манометра.
Необходимо выбрать манометр, рассчитанный на диапазон давления, в два раза превышающий предполагаемое рабочее давление в системе, чтобы расширить диапазон измеряемого давления, или добавить в систему предохранительное устройство (т.
е. перепускной клапан) перед манометром. При экстремальных условиях в системе следует использовать манометр с ограниченным условным проходом (0,3 мм), чтобы ограничить расход, или рассмотреть вариант с уплотнением мембраны вместо конструкции с трубкой Бурдона, чтобы получить более надежное решение.
Скачки давления
Если вы обнаружили, что стрелка манометра изогнута, сломана или имеет зазубрины, то вероятно, что манометр подвергнулся внезапному скачку давления в системе, вызванному включением/выключением насоса или открыванием/закрыванием клапана в линии перед манометром. Стрелка могла получить повреждение от удара об упор-ограничитель. Такое внезапное изменение давления может привести к разрушению трубки Бурдона и отказу манометра.
Проанализируйте конструкцию системы, чтобы исключить непредвиденные скачки давления, вызывающие чрезмерную нагрузку на ее компоненты, включая манометр. Альтернативным решением является выбор манометра с более широким диапазоном давления, охватывающим любые предполагаемые скачки давления.
Механическая вибрация
Плохо настроенный насос, поршневой компрессор или неверно смонтированный манометр могут привести к потере стрелки, защитного стекла, кольца защитного стекла или задней крышки. При этом на циферблате также можно заметить черную пыль или царапины, оставленные ослабленной стрелкой. Колебания манометра передаются трубке Бурдона, и вибрация может разрушить движущийся компонент, а значит, на циферблате больше не будет отображаться реальное давление в системе. Жидкостное наполнение корпуса манометра позволяет погасить колебания и исключить или уменьшить ненужные вибрации в системе. При экстремальных условиях в системе следует использовать амортизатор или манометр с мембранным уплотнением.
Пульсация
Частое циклическое движение технологической среды в системе с быстрой сменой направления приводит к износу движущихся компонентов манометра.
Такое состояние, определяемое по колеблющейся стрелке прибора, может ухудшить его способность измерять давление, а также привести к разрушению трубки Бурдона и полному отказу манометра. В этом случае следует изменить конструкцию системы, переместив манометр в такое место, где влияние на него скорости циклического движения среды будет меньше и при этом не пострадает требуемая точность измерений. Если изменить конструкцию системы невозможно, то уменьшить воздействие пульсации позволит использование манометра с жидкостным наполнением, ограниченным условным проходом или амортизатором.
Узнайте подробнее, как выбрать наиболее подходящий манометр с учетом ваших потребностей
Чрезмерно высокая температура и перегрев
У манометра, который смонтирован ненадлежащим образом либо расположен слишком близко к чрезмерно горячей технологической среде или компонентам системы, может быть обесцвечен циферблат или наполнен жидкостью корпус в результате поломки компонентов манометра.
Повышенная температура подвергает работающую под давлением систему дополнительному воздействию и снижает точность измерений, вызывая механическое напряжение в металлической трубке Бурдона и других компонентах манометра. Манометр с другим номинальным значением температуры будет работать стабильнее в предполагаемом диапазоне температур, которым будет подвергаться система. Для областей применения с экстремальными значениями температур следует выбрать манометр с мембранным уплотнением или мембранное уплотнение с охлаждающим элементом.
Любой манометр может выйти из строя — такова реальность. Если знать, как выявить надвигающуюся неисправность, вы сможете избежать наихудших возможных последствий. Но еще более важно уметь подобрать подходящий манометр с учетом именно ваших потребностей. Зачастую выбор оптимального манометра для конкретной системы представляет собой непростую задачу. Но если потратить время на анализ потребностей системы и заблаговременно принять обдуманное решение, это снизит вероятность преждевременного отказа и окупится в виде безопасной работы на предприятии, точных измерений давления в системе и уменьшенных потерь технологической среды в результате установки неподходящего манометра.
Информацию о различных типах манометров можно найти в каталоге манометров Swagelok.
Хотите обследовать свои манометры и конструкцию системы в целом?
Узнайте о сервисах Swagelok по обследованию
Как выбрать манометр — устройство, виды, установка: tvin270584 — LiveJournal
Манометр – это профессиональное устройство, которое создано для того, чтобы была возможность точного измерения давления газа и жидкости. Манометры бывают самых различных видов, в частности, они бывают низкого давления и высокого. В этой статье мастерсантехник расскажет как выбрать манометр.
Что такое манометр, вакуумметр и мановакуумметр
| Манометр технический |
Манометр — это прибор, предназначенный для измерения избыточного давления рабочей среды посредством деформации трубчатой пружины (трубка Бурдона).
| Вакуумметр технический |
Вакуумметр — это прибор, предназначенный для измерения разряжения рабочей среды посредством деформации трубчатой пружины.
Стандартная шкала для вакуумметра от -1..0 атм. Шкала на вакуумметре всегда отрицательная, т. к. происходит измерение давления ниже атмосферного.
| Мановакуумметр технический |
Мановакуумметр — это прибор, предназначенный для измерения избыточного давления и разряжения рабочей среды посредством деформации трубчатой пружины.
Вышесказанное по простому:
- Если на шкале прибора только положительное давление, то это манометр.
- Если на шкале прибора только отрицательное давление, то это вакуумметр.
- Если на шкале прибора есть и отрицательное и положительное давления, то это мановакуумметр.
В промышленности и сфере ЖКХ наибольшее распространение находят манометры с трубчатой пружиной Бурдона. Это связано с простотой конструкции и относительно невысокой стоимостью.
| Устройство манометра |
Какие бывают манометры
Технические манометры — самые распространенные приборы для измерения давления воды, воздуха, газов, которые нашли широкое применение в сфере ЖКХ и промышленности.
Если у Вас нет никаких специфических требований к прибору — то однозначно следует рассматривать технические манометры.
| Технический манометр ТМ610Р |
Котловые манометры — это технические манометры с диаметром корпуса 250мм. Эти манометры применяются при установке на большой высоте или в труднодоступных местах, что позволяет снимать показания прибора с большого расстояния.
| Котловой манометр ТМ810Р |
Виброустойчивые манометры — приборы для измерения давления в условиях повышенной вибрации на трубопроводе или установке. Эти приборы массово применяются на насосных станциях, компрессорах, автомобилях, судах и поездах.
| Виброустойчивый манометр ТМ-320Р |
Коррозионностойкие манометры — приборы изготовленные полностью из нержавеющей стали и предназначенные для работы с агрессивными средами.
| Коррозионостойкий манометр ТМ621Р |
Сварочные манометры — приборы предназначенные для контроля давления на кислородных и ацетиленовых редукторах, пропановых баллонах Сварочные манометры бывают кислородные (цвет корпуса синий), ацетиленовые (цвет корпуса белый или серый) и пропановые (цвет корпуса красный). На циферблате каждого прибора в кружочке стоит тип среды.
| Сварочный манометр для кислорода |
| Сварочный манометр для ацетилена |
| Сварочный манометр для пропана |
Манометры точных измерений (образцовые манометры)— приборы с низким классом точности 0.
6 или 0.4 применяются для опрессовки газопроводов, поверки технических манометров, а так же для измерения давления технологических линий, требующих повышенной точности измерения.
| Образцовый манометр |
Манометры аммиачные— приборы для измерения давления в системах хладоснабжения. Эти приборы изготавливаются на базе коррозионностойких манометров с измененным циферблатом.
| Аммиачный мановакуумметр |
Манометры автомобильные — приборы для измерения давления воздуха в шинах. Эти приборы можно купить в автомобильных магазинах или сервисных центрах.
| Манометр автомобильный |
Цифровые электронные манометры— бывают двух разновидностей: в моноблочном корпусе и комплект из преобразователя давления и электронного блока для индикации и регулирования параметров.
Эти приборы применяются для точного измерения давления и в системах автоматизации технологических процессов.
| Преобразователь давления ДДМ-03-МИ |
| Измерители-регуляторы 2ТРМ1 |
| Преобразователь давления ПД100 |
Манометры электроконтактные— это технические манометры с электроконтактной приставкой предназначенные для коммутации контактов в системах автоматизации.
| Манометр электроконтактый ТМ610Р-05 |
| Манометр электроконтактный АДМ-100 |
| Манометр электроконтактный ДМ-2010 |
Принципиальным отличием этих приборов от всего многообразия манометров является наличие параметра исполнение манометра.
На сегодняшний день эти приборы выпускаются в шести исполнениях.
Какие параметры важны при выборе манометра
В этом разделе мы рассмотрим все параметры, которые необходимо учитывать при покупке манометра. Это очень полезная информация для покупателей, у которых нет точной марки прибора или есть марка, но данные приборы нет возможности купить и нужно корректно подобрать аналоги.
Диапазон измерения— это самый важный параметр. Стандартный ряд давлений для манометров:
0-1, 0-1.6, 0-2.5, 0-4, 0-6, 0-10, 0-16, 0-25, 0-40, 0-60, 0-100, 0-160, 0-250, 0-400, 0-600, 0-1000 кгс/см2=бар=атм=0.1Мпа=100кПа
Стандартный ряд давлений для мановакуумметров:
-1..+0.6, -1..+1.5, -1..+3, -1..+5, -1..+9, -1..+15, -1..+24 кгс/см2=бар=атм=0.1Мпа=100кПа
Стандартный ряд давлений вакуумметров:
-1..0 кгс/см2=бар=атм=0.1Мпа=100кПа.
Если Вы не знаете, какую шкалу купить, то выбор диапазона происходит довольно просто, главное чтобы рабочее давление попадало в диапазон от 1/3 до 2/3 шкалы измерения.
Например у Вас в трубе обычно давление воды 5.5 атм. Для стабильной работы нужно выбирать прибор со шкалой 0-10 атм, т.к давление 5.5атм попадает в диапазон от 1/3 до 2/3 шкалы 3.3 атм и 6.6 атм соответственно. Многие задаются вопросом — что случится если рабочее давление будет менее 1/3 шкалы или больше 2/3 шкалы измерения? Если измеряемое давление меньше 1/3 шкалы то резко возрастет погрешность измерения давления. Если измеряемое давление больше 2/3 шкалы то механизм прибора будет работать в режиме перегрузки и может выйти из строя раньше гарантийного срока.
Класс точности — это допустимый процент погрешности измерения от шкалы измерения.
Стандартный ряд классов точности для манометров: 4, 2.5, 1.5, 1, 0.6, 0.4, 0.25, 0.15.
Как самому рассчитать погрешность манометра? Допустим у Вас манометр на 10 атм классом точности 1.5.
Это значит, что допустимая погрешность манометра 1.5% от шкалы измерения, т. е. 0.15 атм. Если погрешность прибора больше — то прибор необходимо менять.
Понять без специального оборудования исправный прибор или нет по нашему опыту нереально.
Виды манометров для измерения давления. Классификация манометров.
Манометр представляет собой устройство для измерения физической величины силы, действующей на единицу площади и в зависимости от конструкционных особенностей, области применения и других признаков подразделяется на несколько типов. Применяется этот прибор строго в соответствии со своим назначения и в условиях, предписанных производителем.
Виды манометров по принципу действия и применению
Помимо собственно манометра используются также вакуумметр (назначение — определение рабочей среды) и мановакуумметр (назначение — определение давления и рабочей среды). Основное визуальное различие этих приборов, которое сразу бросается в глаза, заключается в шкале. Шкала, на которую нанесены только положительные значения, свидетельствует о том, что это манометр. Шкала с отрицательными значения принадлежит вакуумметру. Если на шкалу нанесены как положительные, так и отрицательные значения, это мановакуумметр.
Помимо вышеперечисленных существуют и другие типы манометров по виду исчисляемого давления. К ним относятся напоромеры (назначение — установление малого напора до 40 кПа), тягомеры (назначение — установление разряжения давления до -40 кПа).
По принципу действия различают следующие виды манометров:
- жидкостные;
- грузопоршневые;
- пружинные.
Вторая разновидность относится к агрегатам высокой точности данных. Третьи, пружинные, имеют несколько подвидов: коробчатые, пластинчатые, трубные. Отнесенность к тому или иному подвиду определяется типом пружины. Сюда же относятся дифференциальные устройства.
Принцип работы наиболее простых по своему строению измерителей напора построен на использовании трубчатой пружины, так называемой, трубки Бурдона, которая под воздействием давления выпрямляется. Ее свободный конец действует на рычаг, который в свою очередь передвигает стрелку циферблата.
Некоторые типы манометров для измерения давления газа предназначены для применения в конкретной сфере.
Различают следующие варианты:
- общетехнические;
Манометр общетехнический МП2-Уф
- автомобильные;
- судовые;
Манометр судовой МТПСф-100-ОМ2
- железнодорожные;
Манометр железнодорожный МП-2ф
- самопишущие;
- электроконтактные;
Манометр электроконтактный ДМ2005ф тех. стекло
- виброустойчивые;
Манометр виброустойчивый ДМ8008-Вуф
- точных измерений;
Манометр точных измерений виброустойчивый МТИ-ВУф IP54 без корректора “0”
Общетехнические аппараты являются распространенным устройством с широким спектром применения. Основным критерием эксплуатации такого прибора считается неагрессивная среда, т.е. любое вещество в газообразном или жидком состоянии, которое не вступает в реакцию со сплавом меди. Автомобильные, железнодорожные, судовые применяются в отдельно взятой индустрии (утилитарность очевидна из названия).
Электроконтактные модели имеют два контакта, которые настраиваются на максимальную и минимальную предельно допустимую величину напора. При превышении максимального показателя или снижении до минимальной, цепь размыкается. Можно настроить так, чтобы цепь не размыкалась. Такие устройства активно эксплуатируются в промышленности, например, в угольной для охлаждения электродвигателя.
Устройства также классифицируются в зависимости от ряда ограничений по эксплуатации. К таким подгруппам относятся кислородные, ацетиленовые и аммиачные. К первому варианту прибегают только в условиях работы с обезжиренными трубами оборудования. Вторые предназначены для замера величины силы, действующей на единицу площади ацетилена. К третьим предъявляются особые требования по устойчивости к коррозии.
Типы манометров в зависимости от характеристик
Каждый аппарат имеет конкретный набор ключевых характеристик. Таким образом виды манометров для измерения давления газа также подразделяются в зависимости от следующих критериев:
- диапазон колебания физической величины;
- класс точности;
- степень защиты;
- климатическое исполнение корпуса и др.

Диапазон колебания физической величины является одной из ключевых характеристик. Существуют стандартные шкалы. При выборе необходимо исходить из показателя рабочего напора. Класс точности определяется качеством и соответственно ценой прибора. Класс точности может варьировать от 0,15 до 4, чем ниже значение, тем лучше.
Манометр – как он работает и как его подключить?
Манометр позволяет анализировать манометрическое давление или вакуум в сравнении с атмосферным и преобладающим внешним давлением. Здесь большое значение имеет оптимальный выбор манометра с точки зрения диапазона измерения.
Это часто недооцениваемое устройство чрезвычайно важно на практике – оно основано на показаниях манометров и всего оборудования для измерения давления, в том числе, на работу систем безопасности производственные заводы.Уровни в перекачивающих линиях или нагнетательных насосах постоянно контролируются. Неправильная установка, неправильное использование или ошибочные показания манометра могут привести к потере контроля над параметрами системы и другим производственным опасностям.
И хотя манометры в этом контексте в основном рассматриваются с производственной точки зрения, их правильная работа важна и в меньших масштабах.
Результаты измерений манометров позволяют:в для анализа всех видов давления в установках, что является одним из ключевых производственных, промышленных и исследовательских параметров. Манометр также позволяет проводить эффективные измерения на основе современных технических решений. Цифровые устройства обеспечивают не только сами расчеты, но и их передачу на смартфон или планшет и другие формы использования полученных данных.
Отдел манометров
Как проверить манометр в соответствии с вашими потребностями? Они делятся на несколько видов, и главным критерием остается их дизайн.Основным типом манометров являются приборы с трубкой Бурдона – с овальным поперечным сечением и работающие по принципу надавливающего давления на внутреннюю часть, что приводит к их закруглению. Это стандартные приборы, предназначенные для измерений в диапазоне от 0,6 до 1000 бар.
Для измерений с большими перегрузками и агрессивными средами применяются мембранные манометры . В свою очередь капсульные манометры используются для анализа газов с низким измерительным давлением; более высокие силы тока могут легко их повредить.
Проверьте манометры в нашем предложении
Как пользоваться манометром?
Правильное использование манометра начинается с его сборки – того самого завинчивания, которое часто делается с усилием. Это распространенная ошибка; Манометр не следует держать за корпус, а устанавливать с помощью гаечного ключа. Не менее важна оптимальная герметизация соединений с параллельной резьбой – это должно быть выполнено с использованием правильно подобранных колец.
Важно, чтобы при установке манометра температура окружающей среды, в том числе с учетом, например, солнечного света, не превышала отклонений, указанных в документации. Это один из факторов, влияющих на точность показаний.
Манометр, с другой стороны, не должен зависеть от сильных внезапных скачков давления при запуске.
Принято считать, что идеальным ожидаемым диапазоном измерения является система, в которой рабочее давление на измерительной шкале находится в ее центре.Тогда он занимает около 1/3 своей площади.
Как работает жидкостный манометр?
Хотя популярность электронных манометров, основанных на взаимодействии датчиков, процессора и дисплея, растет, следует уделять внимание их точности. С точки зрения точности они могут быть менее подробными, чем аналоговые. В результате относительно простые структуры неизменно ценны. К ним относится жидкостный манометр , обычно называемый U-образной трубкой. Характерная система, в которой фасонные плечи частично заполнены жидкостью, особенно рекомендуется для измерения газов.Когда один конец трубки прибора подвергается внешнему давлению, другой конец остается в измеряемой системе. Это возможно, например, когда приложенное давление воздействует на жидкость, вытесняя ее из первого плеча во второе.
.
Глицериновые манометры, манометр – Предложение
МАНОМЕТР
Манометр — простой, но очень полезный прибор для оценки эффективности установки.
Манометр предназначен для измерения давления газа или паров жидкости. Манометр является основным манометром, используемым в системах отопления, газа, воды, водопровода и т. д.Наиболее часто используются манометры с пружинной трубкой, также известные как манометры с трубкой Бурдона.
Предлагаем манометры газовые в корпусе из нержавеющей стали с диаметром циферблата 63мм и 100мм с резьбой 1/4″ или ½”. Манометры имеют следующие диапазоны давления: 60, 100, 250 мбар и 1, 2,5, 6, 25 бар (с глицерином). Также предлагаем запорную (игольчатую) арматуру для манометров прямую PN16 и PN40 с резьбой ¼” и ½”.
МАНОМЕТР С ДИСКОМ ДИАМЕТРОМ D 60 ¼” резьба с глицерином (бар)
0 – 1 бар
0–2,5 бар
0–6 бар
0–25 бар
МАНОМЕТР С ДИСКОМ ДИАМЕТРОМ D 100 ½” резьба с глицерином (бар)
0 – 1 бар
0–2,5 бар
0–6 бар
0–25 бар
МАНОМЕТР С ДИСКОМ ДИАМЕТРОМ D 60 резьба ¼” (мбар)
0–60 мбар
0–100 мбар
0 – 250 мбар
МАНОМЕТР С ДИСКОМ ДИАМЕТРОМ D 100 резьба ½” (мбар)
0–100 мбар
0 – 250 мбар
Конструкция манометра с трубкой Бурдона.
Конструкция самого манометра ограничена несколькими важными частями
90 123
Экран
90 130
Изогнутая трубка Бурдона изготовлена из меди или нержавеющей стали. Один открытый конец крепится к корпусу манометра на входе. Второй подключен к системе индикации давления. Среда, введенная внутрь трубки, вызывает округление ее поперечного сечения.Возникающая кривизна заставляет измерительные элементы двигаться, вызывая соответствующее отклонение указателя. Корпуса манометров могут быть изготовлены из черного листового металла, пластика или нержавеющей стали. Диск, на котором расположена измерительная шкала, изготовлен из белого пластика или алюминия.
Предлагаем также глицериновые манометры. Они используются в устройствах с высокой интенсивностью вибраций. Стрелка манометра погружена в корпус с глицериновым наполнением.
Это защищает все точное расположение измерительных элементов от внезапных колебаний. Благодаря этому решению мы можем получить более точные показания на циферблате манометра. Как правило, манометры необслуживаемые и необслуживаемые.
Однако, как и в случае с другими газовыми приборами, рекомендуется проводить периодические проверки, чтобы убедиться, что они работают правильно. Если манометр поврежден, его необходимо немедленно заменить.
ИГОЛЬЧАТЫЕ КЛАПАНЫ
Если условия измерения давления очень тяжелые, можно использовать поглотители давления.К ним относятся «дроссели» или сепараторы, которые эффективно ограничивают доступ газа или паров жидкости только к измерительному элементу.
Аналогичную роль выполняют игольчатые клапаны
(манометрические). В их основные задачи входит защита от резких и неконтролируемых скачков давления среды, используемой в установке. Игольчатые и импульсные клапаны выполняют запорную роль.
Благодаря их использованию можно легко и безопасно заменить поврежденный манометр.Также можно проверить давление только в момент измерения, проведя контролируемую проверку, открыв игольчатый клапан, что снизит риск повреждения манометра в случае внезапного «напора» «напора».
90 123
¼” M/F игла PN 40
¼” M/F PN 16 импульс
½” Н/Р PN 16 импульс
½” M/F игла PN 100
.
Манометры Бурдона для систем центрального отопления и водоснабжения
1/4 “радиальный ДАТЧИК
| Код товара | Размер | Коробкамаленький | Коробка большой |
|---|---|---|---|
| MR50004BB | φ50 мм; 4 бар | 10 | 100 |
| MR50006BB | φ50 мм; 6 бар | 10 | 100 |
| MR50006BB | φ50 мм; 6 бар | 10 | 100 |
| MR50010BB | φ50 мм; 10 бар | 10 | 100 |
| MR63B02BB | φ63 мм; 1 бар | 10 | 100 |
| MR63B03BB | φ63 мм; 1,6 бар | 10 | 100 |
| MR63B04BB | φ63 мм; 2,5 бар | 10 | 100 |
| MR63004BB | φ63 мм; 4 бар | 10 | 100 |
| MR63006BB | φ63 мм; 6 бар | 10 | 100 |
| MR63010BB | φ63 мм; 10 бар | 10 | 100 |
| MR63016BB | φ63 мм; 16 бар | 10 | 100 |
| MR63025BB | φ63 мм; 25 бар | 10 | 100 |
| MR10B02BL | φ100 мм; 1 бар | 10 | 100 |
| MR10B03BL | φ100 мм; 1,6 бар | 10 | 100 |
| MR10B04BL | φ100 мм; 2,5 бар | 10 | 100 |
1/4 “осевой ДАТЧИК
| Код товара | Размер | Коробкамаленький | Коробка большой |
|---|---|---|---|
| MA50004BB | φ50 мм; 4 бар | 10 | 100 |
| МА50006ББ | φ50 мм; 6 бар | 10 | 100 |
| МА50010ББ | φ50 мм; 10 бар | 10 | 100 |
| МА63004ББ | φ63 мм; 4 бар | 10 | 100 |
| МА63006ББ | φ63 мм; 6 бар | 10 | 100 |
| МА63010ББ | φ63 мм; 10 бар | 10 | 100 |
| МА63016ББ | φ63 мм; 16 бар | 10 | 100 |
| MA63025BB | φ63 мм; 25 бар | 10 | 100 |
Наше предложение включает в себя манометры для систем центрального отопления и систем водоснабжения.
Это точные и надежные устройства, обеспечивающие безопасность всей системы, будь то отопление или водоснабжение. Вот почему так важно выбрать правильный манометр. Стоит помнить, что не только качество самого манометра определяет правильность измерения давления, а значит и безопасность. Еще одним важным элементом правильного функционирования установки является умелая сборка устройства. Только в этом случае манометр работает должным образом, предоставляя пользователям надежные показания давления в системе.Так что помните, что устройство нельзя монтировать силой. При монтаже не держите его за корпус, а устанавливайте с помощью гаечного ключа. Также нужно помнить о правильной герметизации соединений, для чего могут понадобиться специальные кольца.
Среди инструментов, доступных на рынке, есть несколько типов устройств. Это U-образный жидкостный манометр, манометр Рекнагеля или поршневые манометры. Однако устройства с трубкой Бурдона кажутся наиболее популярными и широко используемыми.
Принцип работы последнего основан на свойствах измерительной системы. Представляет собой спиральную трубку приплюснутой формы, напоминающую букву «С». Изменение давления в системе влияет на форму трубы, которая в этих условиях имеет тенденцию полностью вытягиваться или скручиваться. Таким образом, конец системы четко перемещается и, сливаясь со стрелкой прибора, обеспечивает считывание значения колеблющегося давления. Это и другие решения можно найти в нашем предложении. Так что, если вам нужен совет и руководство по выбору манометров для систем центрального отопления и водоснабжения, мы в вашем распоряжении .
.
Манометры – манометры
| код | название | ОБЛАСТЬ ПРИМЕНЕНИЯ | интерфейс |
|---|---|---|---|
| MIER-MCR2 | Дифференциальный манометр | 2 кПа | – |
| MIER-MCR10 | Дифференциальный манометр | 10 кПа | – |
| MIER-MCR100 | Дифференциальный манометр | 10 кПа | – |
Манометры семейства MCxxx электронные измерительные приборы для для измерения дифференциального давления, манометрического или абсолютный воздух или неагрессивные газы.
Может использоваться в лабораторных условиях или промышленный. Небольшие габариты, малый вес, питание от аккумулятора, ударопрочность любое рабочее положение делает его особенно полезным для полевых работ. Для дифференциальных давлений и относительные значения сделаны для диапазонов измерения: 2 кПа, 10 кПа, 100 кПа и 700 кПа для давления абсолютное до диапазона 199,9 кПа. Метры предназначен для измерения перепада давления, маркируются как MCR, оснащены двумя соплами измерения, а счетчики предназначены для измерение относительного давления – MCW – только удержание один соединительный разъем.Манометры используются для измерения изменения давления относительно текущее значение атмосферного давления. Подключение точек измерения к счетчикам o могут быть реализованы диапазоны 2, 10 и 100 кПа гибкие шланги с внутренним диаметром 5 ÷ 8 мм, а для счетчика с диапазоном 700 кПа гибкий напорный шланг диаметром 6х3 или 10х3. Возможна установка счетчиков другие виды соединений.Манометры MCxxx питаются от внутренней батареи 9 В, обеспечивающей достаточно длительное время работы устройства.
Измерять MCxxx может быть дополнительно обтянут кожей. кейс.
• Размеры без разъемов: 150 x 83 x 30 [мм]
• Вес: около 250 г (с батареей)
По запросу мы предлагаем версии MCRxx / ex для работы в атмосфере взрывчатые вещества
Технический паспорт (данные):
Актуальные цены и наличие уточняйте по телефону регистрироваться онлайн магазин! или спросите по электронной почте
.
Манометры и манометры для мастерских
Недостаточное давление воздуха в шинах автомобиля чаще всего приводит к повышенному расходу топлива и износу шин, а также повышает риск дорожно-транспортного происшествия. Шинный манометр — удобный прибор, который должен быть у каждого ответственного водителя. Он позволяет измерять давление в шинах автомобиля и предоставляет необходимую информацию о том, требуется ли его модификация.
Манометр для автомобильных шин
Правильный уровень давления в шинах определяет безопасность и комфорт вождения, а также оказывает существенное влияние на более медленный и равномерный износ шин и оптимальный расход топлива.
Текущий уровень давления в шинах следует проверять регулярно, в том числе перед каждой дальней поездкой. Для этого используется автомобильный манометр , который позволит правильно оценить фактический уровень накачки шин и при необходимости скорректировать его.
Конструкция манометра
Пластиковые колесные манометры могут быть менее устойчивы к повреждениям, чем модели с металлическим корпусом. Некоторые устройства имеют каркасы, считающиеся противоударными, а их дополнительной защитой являются специальные резиновые чехлы.Использование манометров из твердых материалов обеспечит безотказную работу прибора на долгие годы.
Аналоговый и электронный автомобильный манометр
Сегодня на рынке представлено множество типов автомобильных манометров. Выбор такого прибора должен основываться в первую очередь на его свойствах и параметрах, которые позволят проводить точные измерения и длительное использование прибора. На выбор предлагается два основных типа манометров – электронный манометр для автомобиля и традиционный аналоговый манометр.
Электронный автомобильный тонометр имеет дисплей, которым чаще всего можно управлять с помощью одной кнопки. Зачастую модели этого типа могут выдавать результаты измерений в одной из трех единиц измерения – в барах, кПа и фунтах на квадратный дюйм. Все устройство питается от батарей или солнечной энергии (фотогальванические элементы). Электронный манометр автомобильных шин часто оснащается дополнительными функциями, такими как фонарик или встроенный датчик глубины протектора шины.
Манометр давления в шинах стандартный представляет собой аналоговый прибор, который по точности и скорости измерений ничем не уступает электронным моделям. Измерения считываются на циферблате с циферблатами, часто имеющими разные единицы измерения. Самое главное при выборе как электронного, так и аналогового счетчика – знать точность прибора, заявленную его производителем. Чаще всего это +/- 1%, но можно найти и модели с допуском 2%.Также стоит учитывать рабочий диапазон манометра.
Минимальное значение измерения равно 0, а верхнее может быть 3 бар, 6,9 бар, 7 бар и даже 15 бар.
Популярные производители шинных манометров
- Параметрические детали
- Амтра
- Чемодан
- Тойя
Систематическое измерение давления в шинах автомобиля является обязанностью каждого ответственного водителя. Манометры, доступные в предложении iParts.pl, являются лучшими устройствами этого типа, доступными в настоящее время на рынке. Колесные манометры поставляются проверенными производителями измерительных приборов для автомобильного рынка. Вся продукция новая и на нее распространяется гарантия производителя.
Связанные категории товаров
Шинные манометры на iParts.pl — это прочные, точные и долговечные устройства, которые должен иметь каждый водитель. Предложение магазина iParts.pl – это отличное соотношение цены и качества продукции, профессиональное обслуживание и быстрое выполнение заказа.
.
Что такое манометры, когда они были изготовлены и где применяются?
Манометры – это устройства, измеряющие давление как жидких, так и летучих веществ.
Эти устройства были созданы в 1661 году немецким физиком и изобретателем Отто фон Герике. Он создал эти устройства для нужд своего изобретения, которым и был вакуум. Он использовал их для измерения давления, которое там было. Принцип его работы очень прост и основан на действии металлической диафрагмы, деформирующейся под действием перепадов давления.Эта деформация влияет на движение стрелки на измерителе и, таким образом, показывает давление испытуемого вещества.
Несколько слов о типах этих приборов
По эталонному давлению и по показаниям манометры бывают четырех типов. Первый манометров относительный. Они показывают давление на основе ссылки на вакуум. Здесь выделяют трубку Бурдона, которая используется общего назначения, но также отличается повышенной коррозионной стойкостью.
Другой тип – манометры абсолютного давления. Они основаны на измерении давления независимо от атмосферных условий. Измерение сравнивается с давлением в вакууме, которое также называют абсолютной формулой. С другой стороны, дифференциальные манометры полагаются на использование многих измерительных систем. Эти типы устройств отвечают за измерение давления протекающих жидкостей или измерения в газовых трубах. Последний тип – цифровые манометры. Изготовлен из нержавеющей стали и питается от батарей или другого источника питания, с четким и большим дисплеем, который позволяет очень быстро считывать давление.Эти типы устройств чаще всего используются компаниями, занимающимися гидравликой и пневматикой, а также компонентами машин и в лабораторной промышленности. Все это благодаря очень высокой точности этого типа устройств. Контрольный манометр является еще одним устройством этого типа. Используемые там технологии позволяют проводить измерения с беспрецедентной точностью, поэтому его выбирают для лабораторных задач и особо точных приборов.
В то же время он достаточно чувствителен, поэтому при обращении с ним и его сборке следует соблюдать осторожность.
Одно из самых важных изобретений в области измерения давления
Трубка Бурдона является одним из наиболее широко используемых устройств для производства манометров. Он используется для измерения давления до 7000 бар. Трубки Бурдона имеют овальное поперечное сечение, где один конец прикреплен к корпусу прибора. На другом конце есть механизм, который перемещает указатель. Под влиянием изменения давления трубка расширяется или сжимается, что заставляет стрелку двигаться. Манометры с трубкой Бурдона могут быть как стандартными, так и с повышенной коррозионной стойкостью. Их чаще всего используют для измерения давления жидких и газообразных сред, не слишком вязких и кристаллических. Такие вещества могут вызвать ошибки измерения и даже повредить устройство. Он также не будет работать с веществами, вызывающими коррозию медных сплавов. Это крайне важно, иначе можно повредить манометр и даже дать течь в установке.
Что мы должны помнить?
При выборе манометров и их окончательном монтаже также следует помнить о нескольких важных моментах. Во-первых, это условия, которые повлияют на эти устройства. Прежде всего, температура не должна превышать допустимые нормы, указанные производителями. Только тогда эти устройства смогут работать эффективно и не будут повреждены. Еще один момент заключается в том, что эти инструменты не должны подвергаться воздействию загрязнений, которые могут повредить устройство.Если устройство установлено в месте с сильными вибрациями, мы должны использовать устройство с жидкостью, потому что только тогда мы можем быть уверены, что ни один элемент устройства не будет поврежден из-за вибраций. Это очень важно во избежание ошибок измерения и других подобных повреждений.
Еще один вопрос – правильная сборка, устройство должно быть плотно установлено в предназначенном для него месте и затянуто. Предпочтительно использовать соответствующие прокладки для предотвращения утечки вещества наружу.
Также следует помнить о хранении манометров в разобранном виде в закрытых, сухих местах и в оригинальной упаковке. Только тогда мы можем быть уверены в качестве измерений и их точности. Нельзя также забывать о вопросах, связанных с безопасностью и допуском устройств к эксплуатации. Эти вопросы регулируются специальными сертификатами, поэтому перед покупкой стоит убедиться, что товар или компания имеют сертификат, соответствующий этим требованиям. Это гарантирует безопасность как вас, так и других людей, использующих это устройство.
При выборе манометра для измерения давления следует помнить о качестве и качестве изготовления. От этого зависит безопасность использования и правильность измерений. Ориентация на цену может негативно сказаться на качестве и, следовательно, на безопасности.
.
HYDRO-TEST-W с глицериновыми манометрами – Firepol в Варшаве.
Описание
Измерительное устройство HYDRO-TEST-W с глицериновыми манометрами для поверки гидрантов DN25, DN33, DN52
В комплект входят манометры класса 1.
HYDRO-TEST-W – прибор, предназначенный для обслуживания, проверки работоспособности, периодического осмотра внутренних гидрантов DN25, DN33, DN52 с применением калиброванных эквивалентных насадок.Применяемая методика измерения КПД прибором HYDRO-TEST-W основана на эффекте Бернулли и классическом методе измерения с насадками, насадками и дросселями, обычно применяемыми в лабораторной и промышленной измерительной технике.
Принадлежности, входящие в комплект поставки HYDRO-TEST-W
- Сертификат производителя, Документация по эксплуатации и техническому обслуживанию, Сертификат устройства HYDRO-TEST, Сертификат манометра и Гарантийный талон [24м] – 1 комплект;
- Сливной шланг с резиновой прокладкой, В 25 / 1,5 м, с напорными муфтами 25 – 1 шт.;
- коллектор с рукояткой, 52 насадки, шаровой кран и быстроразъемная муфта с внутренней резьбой – 1 шт.;
- эквивалентных форсунок, калиброванных с определенным К-фактором и эффективностью Q:
р ДР 10/К42 – 1 шт;
для ДР 12/К64 – 1 шт.
;
для ДР 13/К85 – 1 шт.;
р ДР 13/Q 150 дм3/мин – 1 шт;
- комплект переходников для гидрантов DN33;
- переключатель 25/52 – 2шт;
- сумка из качественной кожи – 1 шт.; Манометр
- с диапазоном 0-1,0 МПа 1 класса.6 с резиновым кожухом и быстроразъемным соединением «папа» – 1 шт.; Манометр
- с диапазоном 0-1,6 МПа класса 1,6 с резиновым чехлом и быстроразъемным соединением “папа” – 1 шт.; Манометр
- с диапазоном 0-1,6 МПа класса 1,6 с резиновым чехлом и быстроразъемным соединением “папа” + Сертификат – 1 шт.;
Предлагаемые принадлежности
- коллектор с рукояткой, 25 насадок, шаровой кран и быстроразъемная муфта с внутренней резьбой – 1 шт.;
- Напорный шланг с резиновой прокладкой W52/1,5м, на конце 52 пресс-фитингами – 1 шт.;
- ключ для разъемов – 1 шт.; Торцевой ключ
- – 1 шт.;
- ключ для клапанов гидрантов 52 – 1 шт
Технические параметры
- Диапазон температур эксплуатации и хранения HYDRO-TEST-W от +1°C до +50°C
- Противопожарная арматура (разъемы, заглушки, выключатели, крышки) в соответствии с сертификатами PN, CNBOP
- Рабочий диапазон HYDRO-TEST-W от 0 до 1,6 МПа
HYDRO-TEST полностью совместим с:
.
Как выбрать манометр — устройство, виды, установка: tvin270584 — LiveJournal
Манометр – это профессиональное устройство, которое создано для того, чтобы была возможность точного измерения давления газа и жидкости. Манометры бывают самых различных видов, в частности, они бывают низкого давления и высокого. В этой статье мастер сантехник расскажет как выбрать манометр.
Что такое манометр, вакуумметр и мановакуумметр
| Манометр технический |
Манометр — это прибор, предназначенный для измерения избыточного давления рабочей среды посредством деформации трубчатой пружины (трубка Бурдона).
| Вакуумметр технический |
Вакуумметр — это прибор, предназначенный для измерения разряжения рабочей среды посредством деформации трубчатой пружины. Стандартная шкала для вакуумметра от -1..0 атм. Шкала на вакуумметре всегда отрицательная, т. к. происходит измерение давления ниже атмосферного.
Мановакуумметр технический |
Мановакуумметр — это прибор, предназначенный для измерения избыточного давления и разряжения рабочей среды посредством деформации трубчатой пружины.
Вышесказанное по простому:
- Если на шкале прибора только положительное давление, то это манометр.
- Если на шкале прибора только отрицательное давление, то это вакуумметр.
- Если на шкале прибора есть и отрицательное и положительное давления, то это мановакуумметр.

В промышленности и сфере ЖКХ наибольшее распространение находят манометры с трубчатой пружиной Бурдона. Это связано с простотой конструкции и относительно невысокой стоимостью.
Устройство манометра |
Какие бывают манометры
Технические манометры — самые распространенные приборы для измерения давления воды, воздуха, газов, которые нашли широкое применение в сфере ЖКХ и промышленности. Если у Вас нет никаких специфических требований к прибору — то однозначно следует рассматривать технические манометры.
| Технический манометр ТМ610Р |
Котловые манометры — это технические манометры с диаметром корпуса 250мм. Эти манометры применяются при установке на большой высоте или в труднодоступных местах, что позволяет снимать показания прибора с большого расстояния.
| Котловой манометр ТМ810Р |
Виброустойчивые манометры — приборы для измерения давления в условиях повышенной вибрации на трубопроводе или установке. Эти приборы массово применяются на насосных станциях, компрессорах, автомобилях, судах и поездах.
| Виброустойчивый манометр ТМ-320Р |
Коррозионностойкие манометры — приборы изготовленные полностью из нержавеющей стали и предназначенные для работы с агрессивными средами.
| Коррозионостойкий манометр ТМ621Р |
Сварочные манометры — приборы предназначенные для контроля давления на кислородных и ацетиленовых редукторах, пропановых баллонах Сварочные манометры бывают кислородные (цвет корпуса синий), ацетиленовые (цвет корпуса белый или серый) и пропановые (цвет корпуса красный).
На циферблате каждого прибора в кружочке стоит тип среды.
| Сварочный манометр для кислорода |
| Сварочный манометр для ацетилена |
| Сварочный манометр для пропана |
Манометры точных измерений (образцовые манометры)— приборы с низким классом точности 0.6 или 0.4 применяются для опрессовки газопроводов, поверки технических манометров, а так же для измерения давления технологических линий, требующих повышенной точности измерения.
| Образцовый манометр |
Манометры аммиачные— приборы для измерения давления в системах хладоснабжения.
Эти приборы изготавливаются на базе коррозионностойких манометров с измененным циферблатом.
Аммиачный мановакуумметр |
Манометры автомобильные — приборы для измерения давления воздуха в шинах. Эти приборы можно купить в автомобильных магазинах или сервисных центрах.
| Манометр автомобильный |
Цифровые электронные манометры— бывают двух разновидностей: в моноблочном корпусе и комплект из преобразователя давления и электронного блока для индикации и регулирования параметров. Эти приборы применяются для точного измерения давления и в системах автоматизации технологических процессов.
| Преобразователь давления ДДМ-03-МИ |
| Измерители-регуляторы 2ТРМ1 |
| Преобразователь давления ПД100 |
Манометры электроконтактные— это технические манометры с электроконтактной приставкой предназначенные для коммутации контактов в системах автоматизации.
| Манометр электроконтактый ТМ610Р-05 |
| Манометр электроконтактный АДМ-100 |
| Манометр электроконтактный ДМ-2010 |
Принципиальным отличием этих приборов от всего многообразия манометров является наличие параметра исполнение манометра. На сегодняшний день эти приборы выпускаются в шести исполнениях.
Какие параметры важны при выборе манометра
В этом разделе мы рассмотрим все параметры, которые необходимо учитывать при покупке манометра. Это очень полезная информация для покупателей, у которых нет точной марки прибора или есть марка, но данные приборы нет возможности купить и нужно корректно подобрать аналоги.
Диапазон измерения— это самый важный параметр.
Стандартный ряд давлений для манометров:
0-1, 0-1.6, 0-2.5, 0-4, 0-6, 0-10, 0-16, 0-25, 0-40, 0-60, 0-100, 0-160, 0-250, 0-400, 0-600, 0-1000 кгс/см2=бар=атм=0.1Мпа=100кПа
Стандартный ряд давлений для мановакуумметров:
-1..+0.6, -1..+1.5, -1..+3, -1..+5, -1..+9, -1..+15, -1..+24 кгс/см2=бар=атм=0.1Мпа=100кПа
Стандартный ряд давлений вакуумметров:
-1..0 кгс/см2=бар=атм=0.1Мпа=100кПа.
Если Вы не знаете, какую шкалу купить, то выбор диапазона происходит довольно просто, главное чтобы рабочее давление попадало в диапазон от 1/3 до 2/3 шкалы измерения. Например у Вас в трубе обычно давление воды 5.5 атм. Для стабильной работы нужно выбирать прибор со шкалой 0-10 атм, т.к давление 5.5атм попадает в диапазон от 1/3 до 2/3 шкалы 3.3 атм и 6.6 атм соответственно. Многие задаются вопросом — что случится если рабочее давление будет менее 1/3 шкалы или больше 2/3 шкалы измерения? Если измеряемое давление меньше 1/3 шкалы то резко возрастет погрешность измерения давления.
Если измеряемое давление больше 2/3 шкалы то механизм прибора будет работать в режиме перегрузки и может выйти из строя раньше гарантийного срока.
Класс точности — это допустимый процент погрешности измерения от шкалы измерения.
Стандартный ряд классов точности для манометров: 4, 2.5, 1.5, 1, 0.6, 0.4, 0.25, 0.15.
Как самому рассчитать погрешность манометра? Допустим у Вас манометр на 10 атм классом точности 1.5.
Это значит, что допустимая погрешность манометра 1.5% от шкалы измерения, т. е. 0.15 атм. Если погрешность прибора больше — то прибор необходимо менять. Понять без специального оборудования исправный прибор или нет по нашему опыту нереально.
Полностью статья выложенна на источнике… https://zen.yandex.ru/media/id/6007c9d6e1be7a0d33505026/kak-vybrat-manometr–ustroistvo-vidy-ustanovka-60238948064ec93518b71f91
Манометр. Виды и устройство. Работа и применение. Особенности
Железнодорожные манометры предназначены для контроля за избыточным давлением в механизмах, которые обслуживают рельсовый электротранспорт.
В частности, их применяют на гидравлических системах, передвигающих рельсы при разведении стрелы. Подобные устройства имеют повышенную стойкость к вибрации. Они не только устойчиво переносят встряску, но при этом указатель на шкале не реагирует на механическое воздействие на корпус, точно отображая уровень давления в системе.
Разновидности манометров по механизму снятия показаний давления в среде
Манометры различаются и по внутреннему механизму, приводящему снятие показаний давления в системе, к которой подключаются. В зависимости от устройства они бывают:
- Жидкостные.
- Пружинные.
- Мембранные.
- Электроконтактные.
- Дифференциальные.
Жидкостный манометр предназначен для измерения давление столба жидкости. Такие приборы работают по физическому принципу сообщающихся сосудов. Большинство устройств имеют видимый уровень рабочей жидкости, из которой они снимают показания. Эти приборы одни из редко используемых.
В связи с контактом с жидкостью их внутренняя часть пачкается, поэтому постепенно прозрачность теряется, и визуально определить показания становится сложно. Жидкостные манометры были придуманы одними из самых первых, но еще встречаются.
Пружинные манометры самые часто встречаемые. Они имеют простую конструкцию, которая пригодна для ремонта. Пределы их измерения обычно составляют от 0,1 до 4000 Бар. Непосредственно сам чувствительный элемент такого механизма представляет собой трубку овального сечения, которая под действием давления ужимается. Давящая на трубку сила передается по специальному механизму на стрелку, которая проворачивается под определенным углом, указывая на шкалу с разметкой.
Мембранный манометр работает по физическому принципу пневматической компенсации. Внутри прибора имеется специальная мембрана, уровень прогиба которой зависит от воздействия создаваемого давлением. Обычно применяется две спаянных между собой мембран, образовывающих коробку.
По мере изменения объема коробки чувствительный механизм отклоняет стрелку.
Для чего нужен манометр
В автомобильных шинах постоянно сохраняется давление, которое должно находиться на определённом уровне. От этого зависит безопасность передвижения, в первую очередь. Давление в шинах может снижаться в процессе эксплуатации авто, его уровень нужно периодически проверять и при необходимости повышать. Измерить этот показатель позволяет манометр для шин.
Если всем понятно, что измеряет манометр, то можно продвигаться дальше. Нам предстоит много о чём поговорить, научиться пользоваться этим прибором и правильно выбирать.
Что относится к оборудованию
Методические рекомендации по разработке государственных элементных сметных норм на монтаж оборудования и пусконаладочные работы
УТВЕРЖДЕНО приказом Министерства строительства и жилищно-коммунального хозяйства Российской Федерации от 8 февраля 2021 г. № 78/пр
Приложение 6 Перечень материалов и изделий, не подлежащих включению в элементные сметные нормы на монтаж и учитываемых как оборудование 1.
Аппараты приемные и приборы приемно-контрольные (кроме однолучевых), приборы и устройства сигнализирующие объектовые систем пожарной и охранной сигнализации. 2. Арматура трубопроводная запорная и регулирующая (вентили, задвижки, клапаны, краны) диаметром более 200 мм, а также арматура с электрическим, пневматическим, гидравлическим, электромагнитным приводом, независимо от диаметра. 3. Арматура трубопроводная и трубопроводы для воды и пара из деталей, узлов и блоков условным давлением свыше 2,5 МПа для тепловых и атомных электрических станций. 4. Баки питания и давления маслонаполненных кабелей. 5. Баки побудительные и водонапорные для спринклерных и дренчерных установок автоматического пожаротушения. 6. Выключатели масляные, воздушные, выключатели нагрузки с приводом в открытых и закрытых распределительных устройствах. 7. Выключатели установочные автоматические (автоматы). 8. Гарнитура и арматура печей и сушек. 9. Детали, вставки, штуцеры и блоки с диафрагмами трубопроводов условным давлением свыше 2,5 МПа для атомных электрических станций.
10. Звонки, щитки местного управления стрелками, устанавливаемые на светофоре. 11. Извещатели (датчики) пожарной сигнализации (кроме однократного действия), извещатели охранной сигнализации (кроме однократного действия), требующие после срабатывания восстановительных работ. 12. Изоляторы опорные и проходные для открытых и закрытых распределительных устройств, изоляторы опорно-проходные высоковольтные и изоляторные коробки при монтаже электрофильтров для очистки газа. 13. Кабели и провода электрические всех марок и сечений с готовыми, разделанными (по схеме) концами, поставляемые в комплекте с оборудованием. 14. Колонки распределительные с рубильниками, предохранителями или со штепсельными розетками на ток свыше 400 А. 15. Колонки литые с дистанционным ручным приводом для арматуры диаметром свыше 200 мм. 16. Компенсаторы диаметром свыше 200 мм. 17. Канаты стальные для оснащения оборудования, поставляемые в комплекте с оборудованием. 18. Конденсаторы и блоки конденсаторные для напряжения свыше 100 В.
19. Конденсационные сосуды, поставляемые с диафрагмами. 20. Катушки пупиновские при прокладке кабельных междугородных линий связи. 21. Кроссы (щиты переключений). 22. Ленты конвейерные (транспортерные). 23. Масло (мази) для заполнения баков маслонасосных станций, централизованных систем густой и жидкой маслосмазок, а также картеров, редукторов и ванн (кроме масла для промывочных операций при монтаже). 24. Масло трансформаторное при монтаже трансформаторов, дроссель-трансформаторов и реакторов (кроме масла, используемого для промывочных операций). 25. Масло турбинное для заполнения систем регулирования и подшипниковых узлов гидротурбин, а также подшипниковых узлов и подпятников генераторов (кроме масла для промывочных операций при монтаже). 26. Материалы, загружаемые в аппараты химических производств: ртуть, катализаторы (активированный уголь, кольца и стружка из нержавеющей стали, платиновые, серебряные, алюмосиликатные, ванадиевые, хромистые, железистые), реагенты. 27. Материалы фильтрующие для аппаратуры химводоочистки: антрацит, кварцевый песок, сульфоуголь, активированный уголь, анионит, катионит, кольца Рашига.
28. Материальные ресурсы для заполнения агрегатов паротурбинных и газотурбинных: масло, иввиоль, силикагель, водород, углекислота, ингибированная кислота. 29. Муфты для маслонаполненных кабелей. 30. Муфты тройниковые для кабельных линий до 110 кВ в горнорудных выработках. 31. Низковольтные комплектные устройства (НКУ) заводского изготовления: щиты, пункты, шкафы, ящики, пульты, блоки управления. 32. Огнетушащий состав и затраты на зарядку баллонов для химического пожаротушения. 33. Одежда машин. 34. Плиты электрические. 35. Предохранители всех типов для электрических цепей напряжением свыше 1 кВ или на ток свыше 400 А. 36. Приборы защиты, устанавливаемые в трансформаторных и кабельных ящиках, ремонтных шкафах, релейных шкафах и на стативах устройств СЦБ: предохранители, выключатели тока автоматические многократного действия, разрядники и выравниватели. 37. Приборы контрольно-измерительные, средства автоматизации и вычислительной техники. 38. Приборы и аппаратура для систем видеонаблюдения.
39. Противовесы и грузы к ним для лифтов, поставляемые в комплекте с оборудованием. 40. Пускатели на ток свыше 400 А, а также пускатели масляные, магнитные и взрывозащищенные. 41. Пускатели ручные взрывобезопасные и кнопочные посты управления взрывобезопасные для горных выработок. 42. Рубильники и переключатели на ток свыше 400 А. 43. Сетки металлические для ограждения, поставляемые в заготовленном виде в комплекте с оборудованием. 44. Стативы релейные и кроссовые, стойки диспетчерского контроля. 45. Счетчики электрические трехфазные для силовых сетей. 46. Трубы и узлы трубопроводов (независимо от диаметра) условным давлением свыше 2,5 МПа для атомных электрических станций. 47. Устройства вводные (ящики с трехполюсным рубильником и конденсаторами). 48. Хладагенты, хладоносители и абсорбенты. 49. Циклоны пылеотделительные. 50. Часы электрические первичные всех типов, вторичные уличные, цифровые электронные, а также прочее оборудование электрочасофикации (реле времени программное, реле трансляции минутных импульсов, секундомеры электронные с таймерным выходом).
51. Шинопроводы для переменного тока напряжением свыше 1 кВ и постоянного тока напряжением свыше 1,2 кВ. 52. Шкафы металлические батарейные с аккумуляторами. 53. Шкафы релейные с заводским монтажом со штепсельными реле. 54. Шкафы с выключателями комплектных распределительных устройств. 55. Шкафы управления и регулирования и шкафы с быстродействующими автоматами. 56. Щитки лабораторные с установленным оборудованием. 57. Щиты выключения питания (ЩВП) и шкафы кабельные. 58. Щиты линейно-вводных кодовых линий. 59. Щиты, шкафы, пульты, каркасы, рамы для установки приборов и аппаратов (кроме изготовленных на строительных площадках или на предприятиях, находящихся на балансе подрядной организации). 60. Щитки, шкафы, ящики всех типов с предохранителями, выключателями и переключателями на ток свыше 400 А, используемые на силовых сетях. 61. Ящики кабельные взрывобезопасные. 62. Ящики кабельные для устройств СЦБ, устанавливаемые на опорах.
Манометр это оборудование или материал
ЧТО ОТНОСИТСЯ К ОБОРУДОВАНИЮ, А ЧТО — К МАТЕРИАЛАМ, КАК ЭТО ОПРЕДЕЛИТЬ ПРИ СОСТАВЛЕНИИ СМЕТНОЙ ДОКУМЕНТАЦИИ?
При составлении сметной документации материальные ресурсы относятся к оборудованию на основании данных спецификаций оборудования, являющихся неотъемлемой частью проектной документации.
Материальные ресурсы относятся к строительным материалам на основании спецификаций конструкций, изделий, прочих данных проектной документации.
Порядок определения сметной стоимости строительства объекта и составления сметной документации на основании нормативов расхода ресурсов в натуральном выражении установлен в Инструкции о порядке определения сметной стоимости строительства и составления сметной документации на основании нормативов расхода ресурсов в натуральном выражении, утвержденной постановлением Министерства архитектуры и строительства Республики Беларусь от 18.11.2011 № 51.
Основанием для определения стоимости строительства объекта являются:
• задание на проектирование, выдаваемое заказчиком, застройщиком;
• проектная документация, дефектные акты на объекты текущего ремонта;
• решения, принятые заказчиком, застройщиком и предусмотренные в проектной документации (п.7 названной выше Инструкции).
При разработке проектной документации на любой стадии проектирования разработчики определяют необходимое оборудование, конструкции, изделия и материалы.
При этом в составе проектной документации заполняют спецификации оборудования по форме, установленной ГОСТ 21.110-2013 «Система проектной документации для строительства. Спецификация оборудования, изделий и материалов» (утвержден постановлением Государственного комитета по стандартизации Республики Беларусь от 12.03.2015 № 13 (https://tnpa.by/#!/DocumentCard/307505/451624)). В спецификациях оборудования приводят объем информации, достаточный для выполнения заказчиком всей процедуры закупки оборудования (часть первая п.4.15 ТКП 45-1.02-295-2014 «Строительство. Проектная документация. Состав и содержание», утвержденного приказом Министерства архитектуры и строительства Республики Беларусь от 27.03.2014 № 85 (https://tnpa.by/#!/DocumentCard/315341/434817)).
Порядок определения сметной стоимости оборудования, мебели и инвентаря при определении сметной стоимости строительства и составлении сметной документации установлен Методическими рекомендациями о порядке определения сметной стоимости оборудования, утвержденными приказом Министерства архитектуры и строительства Республики Беларусь от 08.
05.2012 № 144 (далее — Методические рекомендации).
Документ отображен частично. Полный текст документа находится в платном доступе. Если у Вас есть платный доступ, нажмите Войти. Для получения платного доступа нажмите Купить.
Манометр — прибор для измерения давления
Очень часто в жизни, а особенно на производстве, приходится сталкиваться с таким прибором измерения, как манометр.
Манометр — это прибор для измерения избыточного давления. Из-за того, что эта величина может быть различной, приборы тоже имеют разновидности. Областей применения этих приборов очень много. Применяться они могут в металлургической промышленности, в любом механическом транспорте, жилищном и коммунальном хозяйстве, сельском хозяйстве, автомобилестроении и прочих отраслях.
Виды и конструкция прибора
В зависимости от того, для каких целей приборы используются, они подразделяются на различные типы. Самыми распространёнными являются манометры пружинные. Они имеют свои преимущества:
- Измерение величины в широком диапазоне.

- Хорошие технические характеристики.
- Надёжность.
- Простота устройства.
В пружинном манометре чувствительным элементом является полая внутри изогнутая трубка. Она может иметь сечение в виде овала или эллипсоида. Эта трубка деформируется под воздействием давления. Она запаяна с одной стороны, а с другой находится штуцер, при помощи которого измеряют величину в среде. Конец трубки, который запаян, соединяется с передаточным механизмом.
Конструкция прибора такова:
- Корпус.
- Стрелки прибора.
- Шестерёнки.
- Ось.
- Поводок.
- Зубчатый сектор.
Между зубьями сектора и шестерёнки устанавливается специальная пружина, которая необходима для того, чтобы исключить мёртвый ход.
Измерительная шкала представлена в Барах или Паскалях. Стрелка показывает избыточное давление той среды, в которой проводится замер.
Принцип действия очень прост. Давление от измеряемой среды поступает внутрь трубки.
Под его воздействием трубка пытается выровняться, так как площадь внешней и внутренней поверхностей имеет разную величину. Свободный конец трубки совершает движение, при этом стрелка поворачивается на определённый угол благодаря передаточному механизму. Измеряемая величина и деформация трубки находятся в прямолинейной зависимости. Именно поэтому значение, которое показывает стрелка, и является давлением определённой среды.
Разновидности систем для измерения давления
Есть много разных манометров для измерения низкого и высокого давления. Но технические характеристики у них разные. Основным отличительным параметром является класс точности. Манометр будет показывать точнее, если значение будет меньше. Самые точные — цифровые устройства.
По своему назначению манометры бывают следующих видов:
- Самопишущие. В них находится механизм, который на бумаге позволяет чертить график работы устройства.
- Железнодорожные. Применяются в железнодорожном транспорте.

- Судовые. Используются на морском и речном судне.
- Эталонные. У них высокий класс точности. Именно поэтому их применяют для испытаний, регулировки и проверки прочих измерительных приборов давления.
- Специальные. Используются для измерения величины разнообразных газов. В зависимости от того, для какого газа они предназначаются, имеют разные цвета корпуса и маркировочные буквы: для измерения горючих газов — красные, для негорючих — чёрные, жёлтые аммиачные (А), белые ацетиленовые (Ац), голубые кислородные (К).
- Электроконтактные. В них имеется электросигнализация, которая позволяет регулировать измеряемую среду. Эти приборы подразделяются на два типа: на основе электроконтактной приставки и с микровыключателями.
- Общетехнические. Предназначены для измерения давления в различных средах. Ими можно мерить избыточные и вакуумметрические давления.
По принципу работы выделяют такие типы:
Как правильно измерить давление
Манометры существуют разные, следовательно, и принцип работы у них отличается.
Пользоваться манометром несложно, какой бы тип механизма не находился в ваших руках. А чтобы данные отличались высокой точностью и не пришлось делать повторные замеры, необходимо придерживаться некоторых правил:
- Измерения нужно проводить на полностью остывших колёсах. После движения автомобиля нужно выждать не менее 3 часов. Связано это с наличием взаимосвязи между давлением и температурой газов, которые находятся в замкнутом пространстве. В нагретом колесе давление будет на 15% больше от его реального показателя. В зимнее время измеряемый показатель будет заниженным примерно на 10%.
- Контроль должен быть регулярным. На изношенной резине, которая интенсивно эксплуатируется, желательно выполнять замеры перед каждым выездом. В других случаях будет разумно выполнять проверку каждую неделю.
- Цифровые устройства могут проводить замер в тот момент, когда система отсоединяется от ниппеля. Такая ситуация объясняется перекалибровкой. В таких ситуациях именно заключительное показание будет наиболее точным.

- В случае с шинами, которые отличаются от стандартных, ориентироваться нужно на рекомендации производителя резины.
- Измерения правильно проводить в автомобиле, который не загружен. С грузом давление должно быть выше нормы.
- Для передвижения по песку можно давление сделать несколько ниже нормы. В этом случае автомобилю будет проще передвигаться по такой дороге, сцепление с дорогой станет более уверенным и возрастёт проходимость ТС. Каменистый грунт, снеговой наст и лужи не являются поводом для экспериментов с показателями резины.
Не пренебрегайте покупкой манометра, ведь за давлением в шинах нужно следить постоянно. Низкий, равно как и высокий, уровень будет снижать безопасность передвижения.
#Давление#Как пользоваться#Прибор
Виды измерительных приборов
Приборы для измерения давления подразделяются на такие разновидности:
- Тягонапоромеры — это мановакуумметр, который имеет крайние пределы измерения не выше 40 кПа.

- Тягомеры — вакуумметр, который имеет предел измерения равный (-40) кПа.
- Напорометр — это манометр малого избыточного давления (+40) кПа.
- Мановакуумметры — это устройства, которые способны измерять как вакуумметрическое, так и избыточное давление в пределах 60−240000 кПа.
- Вакуумметр — устройство, измеряющее разрежение (давление, которое ниже атмосферного).
- Манометр — устройство, которое способно измерять избыточное давление, то есть разность между абсолютным давлением и барометрическим. Его пределы колеблются от 0,06 до 1000 МПа.
Большинство импортных и отечественных манометров изготавливаются по всем общепринятым стандартам. Именно по этой причине существует возможность замены одной марки на другую.
При выборе прибора необходимо опираться на такие показатели:
- Расположение штуцера — осевое или радиальное.
- Диаметр резьбы штуцера.
- Класс точности прибора.
- Диаметр корпуса.
- Предел измеряемых значений.

Как правильно выбрать манометр
Перед каждым автомобилистом рано или поздно возникает необходимость выбора манометра. Не стоит выбирать первую попавшуюся модель, которая привлекла внешним видом или стоимостью. Ориентироваться нужно на рабочие характеристики и ряд важных показателей. Наши советы должны облегчить муки выбора.
- В первую очередь учитываются все рабочие характеристики устройства:
- измерительный диапазон;
- класс точности;
- единицы измерений;
- сопутствующие опции;
- эксплуатационные характеристики.
- Для нечастого использования можно покупать недорогую, самую простую модель. Но и на откровенный «ширпотреб» не стоит соблазняться. Для профессиональной работы требуется более серьёзный агрегат с прочным корпусом и надёжной начинкой.
Отдельно стоит остановиться на рассмотрении некоторых рабочих характеристик, которые упоминались ранее.
- Класс точности разделяется на три категории.
Первая является самой неточной, погрешность может составлять от 1 до 0,5. Для второго класса допустимо отклонение от 0,5 до 0,1. Приборы третьего класса являются самыми точными, соответственно, и самыми дорогими. Погрешность здесь не превышает 0,05. Если прибор выбирается для себя, то можно ограничиться вторым классом точности. Для профессиональной работы требуется более точная техника. - Не все автовладельцы обращают внимание на единицы измерения, а потом жалеют об этом. Есть несколько вариантов: bar и кг/см2 встречаются чаще всего, иногда могут использоваться Паскали (мПа, кПа). Владельцам легковых авто проще будет работать с показаниями в bar.
А теперь представляем вашему вниманию рейтинг производителей, которые занимаются выпуском подобной измерительной техники. После его изучения вы точно будете знать какой манометр лучше.
- Конечно же наш рейтинг будут возглавлять немецкие устройства от компании BMW. На рынках можно найти и механику, и электронику. Оба варианта являются очень надёжными, класс точности средний.

- Среди бюджетных моделей стоит выделить СЕМ TP-5. Диапазон измерений обширный, использование универсальное и простое, приятная эргономика — хороший вариант для домашнего использования.
- Китайцы могут делать хорошо, если захотят. Подтверждает это модель от CARPOINT. Не хватает только подсветки, которая сделала бы возможным использование этого прибора в ночное время суток. С другой стороны, нужно не так часто менять аккумуляторы.
- Выбором специалистов могут стать манометры от . Наиболее удачной является модель Digital MAX, которая прельщает пользователя широким функционалом. За счёт встроенной памяти можно отслеживать нарастание имеющегося дефекта.
Манометр ионизационный
Манометры ионизационные являются самыми чувствительными приборами измерения для очень маленького давления. Они производят замеры косвенно через измерение тех ионов, которые образуются при бомбардировке газов электронами. Чем меньше плотность газа, тем меньше будет образовано ионов.
Калибрование ионизационного манометра нестабильно. Оно зависит от природы газа, который измеряется. А эта природа известна не всегда. Могут быть они откалибрированы через сравнение со значениями манометра Мак Леода, которые от химии независимы и более стабильны.
Термоэлектроды с атомами газа ударяются и регенерируют ионы. Они притягиваются к электроду под напряжением, которое для них подходит (это подходящее напряжение называется коллектором). В коллекторе ток пропорционален скорости ионизации, которая в системе является функцией давления. Именно так при помощи измерений тока коллектора можно определить газовое давление.
Большинство ионных манометров подразделяются на три вида:
- Холодный катод.
- Горячий катод. Электрически нагреваемая нить накала образует электронный луч. В этом случае электроны проходят через прибор и вокруг себя ионизируют молекулы газа. Ионы, которые образовались, скапливаются на электроде с отрицательным зарядом.
- Прибор с вращающимся ротором.
Он отличается высокой ценой и чувствительностью.
Калибрование ионных манометров очень чувствительно к химическому составу измеряемых газов, конструкционной геометрии, поверхностным напылениям и коррозии. Непригодной их калибровка может стать при включении в среде очень низкого или атмосферного давления.
Измерять давление необходимо во многих промышленных отраслях, вот только приборы для этого используют различные. Но независимо от этого данная величина ничем, кроме манометра, не определяется.
Стрелочные манометры: преимущества и недостатки
Достоинств у стрелочного (трубчатого, механического) прибора несколько:
- Доступность и простота эксплуатации. Его очень просто найти в магазинах, не требуется специальной подготовки, чтобы им пользоваться, легко установить и контролировать показания.
- Низкая стоимость. По сравнению с цифровым манометром, механический намного дешевле.
- Точность. Несмотря на то, что цифровые устройства выдают более точные данные, стрелочный аналог ненамного им уступает.

- Возможность обнуления результата.
Минусы стрелочных устройств:
- Металлические приборы чувствительны к влаге. При покупке обращайте внимание, насколько защищен корпус и детали от коррозии. Перепады влажности влияют на точность показаний.
- Чтобы добиться максимальной корректности данных, нужно делать несколько замеров подряд и вычислять среднее.
- Чем ближе стрелка к верхней отметке, тем менее точным может быть результат измерений.
При соблюдении правил эксплуатации механический манометр прослужит вам 10 лет.
Объяснение манометра | Типы манометров
В этой статье мы поговорим об очень распространенном приборе, используемом сегодня в промышленности, — манометре.
Было бы трудно пройти через любой промышленный или пищевой завод или производственное предприятие, не увидев какой-нибудь манометр.
Что такое манометр?
Манометр — это прибор для измерения плотности жидкости в машине, работающей под давлением. Эта интенсивность жидкости определяется силой, с которой жидкость будет воздействовать на определенную единицу площади.
Типичными единицами измерения интенсивности манометра являются фунты на квадратный дюйм ( фунтов на квадратный дюйм ) или ньютоны на квадратный метр, называемые паскалями .
Типы манометров
Классификация манометров стала более сложной задачей с появлением электронных преобразователей и устройств.
Исторически манометры представляли собой механические устройства с аналоговыми шкалами . Сегодня у нас есть манометры с датчиками давления, работающими в электронном режиме 9.0015 цифровые показания .
Механические манометры
Существует множество типов механических манометров. Три наиболее распространенных типа:
1) Мембранный
2) Сильфонный
3) Трубка Бурдона
1) Мембранный диафрагма для измерения давления жидкости в системе.
Сильфон представляет собой гофрированное расширяемое устройство, состоящее из гофр или ребер, называемых гофрами .
Сильфоны обычно изготавливаются из латуни или нержавеющей стали и очень чувствительны. Давление подается на сильфон, заставляя его расширяться, что, в свою очередь, перемещает стрелку.
3) Трубка БурдонаИз этих трех механических манометров наиболее распространенным является трубка Бурдона 9Тип 0016. Итак, давайте посмотрим поближе.
Трубка Бурдона – тип CНаиболее распространенным типом манометра с трубкой Бурдона является тип C, трубка которого имеет форму, напоминающую букву C . Обратите внимание на форму поперечного сечения трубы. Трубка открыта с одного конца и запаяна с другого.
Изменение давления вызывает отклонение трубки, пропорциональное приложенному давлению.
Фактическое движение трубки преобразуется в показания давления на калиброванной лицевой панели. Максимальное перемещение указателя обычно составляет 270 градусов .
Хорошо… копнув немного глубже, мы видим, что типичный манометр с трубкой Бурдона имеет реечную и шестерню , приводимую в движение регулируемым звеном и рычагом. По мере того как трубка выпрямляется из-за повышения давления, запаянный наконечник будет двигаться.
Звено , прикрепленное к концу трубки C, передает движение на секторную шестерню. Секторная шестерня входит в зацепление с шестерней, которая вращает вал, соединенный с указателем. Движение вала заставляет указатель перемещаться по калиброванной градуированной шкале.
Ошибка нуля и умножения
Как и для большинства приборов, манометры с трубкой Бурдона требуют регулярной регулировки.
Две ошибки, требующие корректировки:
– Ошибка нуля
– Ошибка умножения
– Ошибка нуля – это ошибка одинаковой величины и в одном направлении во всем диапазоне давления независимо от входного давления.
– Ошибка умножения – это ошибка, когда общее перемещение механизма не равно общему изменению на входе.
Поясним на примерах. У нас есть манометр с калиброванной шкалой от 0 до 100 фунтов на квадратный дюйм. Мы приложим давление и посмотрим на показания, чтобы определить, какой тип ошибки существует.
1) При входном давлении 0 фунтов на квадратный дюйм манометр показывает 10 фунтов на квадратный дюйм.
2) При давлении 50 фунтов на квадратный дюйм манометр показывает 60 фунтов на квадратный дюйм.
3) При давлении 100 фунтов на квадратный дюйм манометр показывает 110 фунтов на квадратный дюйм.
Этот манометр имеет ошибку нуля , потому что он имеет ошибку 10 фунтов на квадратный дюйм независимо от входного давления.
Хорошо… Повторим. Мы приложим давление и посмотрим на показания, чтобы определить, какой тип ошибки существует.
1) При входном давлении 0 фунтов на квадратный дюйм манометр показывает 10 фунтов на квадратный дюйм.
2) При давлении 50 фунтов на квадратный дюйм манометр показывает 50 фунтов на квадратный дюйм.
3) При давлении 100 фунтов на квадратный дюйм манометр показывает 90 фунтов на квадратный дюйм.
Этот манометр имеет ошибку умножения , поскольку общее перемещение механизма не равно общему изменению входного давления.
Процедура калибровки
Калибровка обычно выполняется на рабочем месте с использованием устройства подачи давления, такого как грузопоршневой манометр.
– Ошибка нуля исправляется изменением положения указателя на валу или изменением натяжения пружины.
— Исправлена ошибка умножения путем изменения длины рычагов.
Вообще говоря, механический манометр будет иметь аналоговую индикацию или аналоговую шкалу.
Многие современные манометры оснащены преобразователем давления, который преобразует давление в электрический сигнал. Затем этот электрический сигнал часто используется для управления цифровой дисплей .
Американское общество инженеров-механиков ASME B40.1 Стандарт определяет классы точности циферблатных манометров. Требования различаются от одной отрасли к другой, и ASME B40.1 будет вашим руководством для правильного выбора.
Для механических манометров точность обычно определяется в процентах от всего диапазона диапазона. Например, механический манометр с 1A Класс точности имеет точность ±1%.
При показаниях 50 фунтов на квадратный дюйм на манометре от 0 до 100 фунтов на квадратный дюйм фактическое входное давление может находиться в диапазоне от 49 до 51 фунтов на квадратный дюйм.
Если вы хотите узнать больше о преобразователях давления и калибраторах, ознакомьтесь с двумя другими нашими статьями:
– Объяснения датчиков, преобразователей и преобразователей давления
– Что такое калибратор приборов?
Если у вас есть какие-либо вопросы о манометрах или об измерительных приборах в целом, задайте их в комментариях ниже, и мы свяжемся с вами менее чем через 24 часа.
Хорошо… Давайте резюмируем:
– Манометр позволяет измерять интенсивность жидкости, газа, воды или пара в машине, работающей под давлением.
– Давление определяется перпендикулярной силой, приложенной к единице площади поверхности.
– Из многих типов механических манометров наиболее распространены три типа: с трубкой Бурдона, с диафрагмой и с сильфоном.
– Манометры с трубкой Бурдона требуют регулярной регулировки для исправления ошибки нуля и ошибки умножения.
– Ошибка нуля – это ошибка одинаковой величины и в одном и том же направлении во всем диапазоне давлений независимо от входного давления.
– Ошибка умножения – это ошибка, когда общее движение механизма не равно общему изменению на входе.
— Многие манометры оснащены преобразователем давления, который преобразует давление в электрический сигнал, используемый для работы цифрового дисплея.
– Стандарт ASME B40.1 Американского общества инженеров-механиков определяет классы точности циферблатных индикаторов.
– Для механических манометров точность обычно определяется в процентах от всего диапазона диапазона.
У вас есть друг, клиент или коллега, которым может пригодиться эта информация? Пожалуйста, поделитесь этой статьей.
Многочисленные типы манометров в измерительной промышленности
Манометр — это инструмент или устройство для измерения величины, количества или содержания чего-либо, обычно с аналоговым или цифровым дисплеем. Это может быть измерение любого свойства, такого как давление, расход, температура, топливо или длина. Слово «манометр» часто используется как вариант написания слова «манометр» в мире измерений и контрольно-измерительных приборов.
Как следует из названия, манометр — это прибор, используемый для измерения и индикации давления жидкости или газа внутри системы по сравнению с атмосферным или другим эталоном. Существует множество типов манометров, каждый из которых использует свою технологию или метод индикации.
Аналоговые манометры обычно относятся к устройствам, которые используют чисто механическую технологию измерения давления и отображают результаты измерения движением стрелки на циферблате с маркировкой для каждого значения давления. Движение и положение указателя стрелки дают визуальную индикацию измеряемого давления.
Большинство аналоговых манометров используют одну из следующих трех технологий измерения давления:
Трубка Бурдона Трубки Бурдона представляют собой трубки радиальной формы в виде буквы «С», спиральной или спиральной формы, которые крепятся к основанию манометра с одной стороны и соединяются со стрелкой с другой. Когда трубка Бурдона находится под давлением, ее поперечное сечение становится более круглым, что приводит к выпрямлению формы. Это движение трубки фиксируется стрелкой для индикации давления. Манометры с трубкой Бурдона являются наиболее распространенным типом аналоговых манометров, используемых в промышленности, и выпускаются с различными диапазонами давления, стрелками и материалами Бурдона.
Визуально отображаемый циферблат и стрелка часто заполнены жидкостью или вакуумированы, чтобы уменьшить шум для различных применений.
Узнайте больше о манометрах с трубкой Бурдона WIKA
Мембраны Мембранные манометры содержат волнообразную диафрагму, которая соединена со стрелкой с помощью рычажного механизма. Давление прикладывается к одной стороне диафрагмы, которая часто закрыта фланцем. Движение этой диафрагмы (расширение или сжатие) фиксируется этим звеном и передается стрелке для индикации давления. Различные площади поверхности диафрагмы могут обеспечивать различные уровни чувствительности. Например, диафрагма с большой площадью поверхности обеспечивает большую чувствительность и часто используется во многих устройствах с низким давлением. Кроме того, особенно для агрессивных сред, диафрагма вместе с фланцем предотвратит попадание измеряемой среды в датчик, поэтому мембранные манометры популярны в приложениях, требующих более низкого давления или агрессивных сред.
Узнайте больше о преимуществах мембранных манометров
СильфоныСильфоны представляют собой цельные разборные устройства, которые имеют глубокие складки или гофры, образованные из очень тонкостенных трубок. Когда к внутренней части сильфона прикладывается или ослабляется давление, он соответственно сжимается и расширяется. Затем это движение передается указателю по ссылке. Подобно мембранному манометру, сильфоны большего диаметра лучше всего подходят для низких давлений и могут обеспечить более высокую точность работы. Обычно сильфоны имеют от 5 до 20 складок, но их максимальное давление ограничено из-за их длины.
Цифровые манометры Проще говоря, цифровой манометр — это устройство, которое отображает выходное давление в цифровом виде через экран, установленный на его корпусе. Как правило, цифровые манометры используют электромеханическую форму измерения давления внутри своего корпуса вместе со схемой для преобразования этого значения в отображаемое показание.
Цифровой выход, как правило, позволяет оператору легко записывать показания давления с гораздо большим разрешением, чем его аналоговый аналог. Цифровым датчикам требуется источник питания, часто в виде батареи, для работы и питания датчика внутри вместе с дисплеем.
Обычно цифровые манометры имеют одну из следующих технологий:
ТензодатчикТензодатчик работает путем преобразования приложенного давления в электрический сигнал за счет упругой деформации тензодатчика. Эти тензометрические датчики присоединены к корпусу измерительного устройства и расположены по схеме моста Уитстона. При приложении давления тензодатчик испытывает упругую деформацию, изменяя величину электрического сопротивления тензорезистора и мостовой схемы. Это изменение сопротивления генерирует электрический выходной сигнал, пропорциональный величине давления, приложенного к манометру.
Пьезоэлектрический датчик Слово «пьезо» происходит от piezein , что в переводе с греческого означает физическое давление в той или иной форме.
В пьезоэлектрическом датчике используется пьезоэлектрический материал, такой как керамические и кварцевые кристаллы. Динамическое давление, действующее на кристалл, генерирует заряд, который усиливается и преобразуется в сигнал напряжения или частоты. В отличие от тензометрических датчиков пьезоэлектрические датчики не требуют внешнего возбуждения. Однако самая большая проблема с пьезоэлектрическими датчиками заключается в том, что кристалл генерирует заряд только тогда, когда к нему применяется динамическое давление, и просто бездействует в стационарном состоянии. Существуют способы упаковать пьезоэлектрический датчик, чтобы иметь возможность надежно считывать статическое давление, но эти методы могут включать дополнительные диафрагмы и сжатие кристаллов с помощью винтов с предварительным натяжением, что приводит к дорогостоящему и чувствительному датчику.
Пьезорезистивные преобразователи основаны на пьезорезистивном эффекте, который возникает, когда электрическое сопротивление материала изменяется в ответ на приложенное механическое напряжение.
Пьезорезистивные датчики часто изготавливаются из кремниевых компонентов MEMS (микроэлектромеханических систем). В первую очередь это связано с тем, что кремний обладает пьезорезистивным эффектом, который на два порядка больше, чем у металлов, что приводит к более высокой точности и разрешению при измерении давления. В отличие от тензодатчиков и пьезоэлектрических датчиков, в пьезорезистивных датчиках используется один материал (кремний), что обеспечивает равномерную тепловую характеристику и предсказуемые и надежные температурные характеристики. Пьезорезистивные датчики являются одними из наиболее распространенных датчиков, используемых для точных измерений давления в приложениях, требующих широкой и надежной температурной компенсации. Цифровые датчики, такие как CPG1500, используют внутренний пьезорезистивный датчик. Его сопротивление переводится с помощью бортового компьютера и отображается на экране.
Благодаря множеству технологий как аналоговые, так и цифровые датчики находят применение в различных приложениях.
Аналоговые манометры больше всего подходят для промышленных приложений, которые имеют более высокий диапазон погрешностей, чем тестовые и измерительные приложения. Благодаря своей механической природе они не требуют для работы источника питания или замены батареи. Однако они подвержены ошибкам оператора при считывании показаний указателя (параллакс) наряду с любыми механическими нагрузками, вибрацией или избыточным давлением.
Цифровые манометры, с другой стороны, обеспечивают непревзойденное удобство считывания результатов измерения и часто имеют более высокую общую точность и разрешение, чем их аналоговые аналоги. Благодаря возможности надежной записи более быстрых показаний в более широком диапазоне температур, а также возможностям удаленного мониторинга они часто являются предпочтительным выбором для чувствительных и критически важных измерительных приложений.
Прибор для измерения давления – WIKA
Прибор для измерения давления производства WIKA
Под прибором для измерения давления мы подразумеваем прибор для измерения давления в газах и жидкостях.
Здесь мы различаем механические (манометры), электронные и мехатронные приборы для измерения давления. WIKA имеет более чем 60-летний опыт производства приборов для измерения давления. Воспользуйтесь нашим ноу-хау и найдите подходящий прибор для измерения давления, соответствующий вашим требованиям:
Датчики давления
Манометры с выходным сигналом
Видео Вентиляционный клапан манометра | Это то, на что вы должны обратить внимание!Примечание
Ваши текущие настройки файлов cookie не позволяют отображать запрошенный контент, поскольку он предоставляется Google Ireland Ltd. (YouTube) или Google LLC (reCAPTCHA). С вашего согласия вы доверяете этим провайдерам и расширяете настройки файлов cookie для этого веб-сайта с помощью категорий «Функциональные возможности» и «Маркетинг». Политику конфиденциальности Google и ваши настройки конфиденциальности можно просмотреть и изменить здесь.
Видео Как работает манометр? | Трубка Бурдона и диафрагменный элементПримечание
Ваши текущие настройки файлов cookie не позволяют отображать запрошенный контент, поскольку он предоставляется Google Ireland Ltd.
(YouTube) или Google LLC (reCAPTCHA). С вашего согласия вы доверяете этим провайдерам и расширяете настройки файлов cookie для этого веб-сайта с помощью категорий «Функциональные возможности» и «Маркетинг». Политику конфиденциальности Google и ваши настройки конфиденциальности можно просмотреть и изменить здесь.
Электронные приборы для измерения давления
Основу электронных приборов для измерения давления составляет датчик давления. Он преобразует параметр измерения давления в электронный сигнал. Преимущество электронных приборов для измерения давления заключается в превосходных динамических характеристиках и низкой нагрузке на материал. Это придает им высокую устойчивость к нагрузкам и долговременную стабильность. Они доступны в очень маленьких размерах.
WIKA разрабатывает и производит датчики всех ведущих технологий: керамические толстопленочные, металлические тонкопленочные и пьезорезистивные.
Мехатронные приборы для измерения давления
Электронные узлы или компоненты интегрированы в механические приборы для измерения давления.
Измеренное давление отображается локально, однако, кроме того, прибор для измерения давления предлагает электрический сигнал или имеет электрическую функцию переключения. С помощью этих приборов измеренное значение также можно надежно считывать на месте в случае сбоя питания или прерывания измерительного сигнала.
Благодаря сочетанию механических измерительных приборов с различными сигналами и переключателями получается широкий ассортимент мехатронных приборов для измерения давления. В наших приборах для измерения давления мы используем новейшие сенсорные технологии, проверенные миллионы раз в автомобильной промышленности. Они работают без какого-либо механического контакта, следовательно, они износостойкие и абсолютно не влияют на прибор для измерения давления.
Механические приборы для измерения давления
Из-за своей надежности и простоты в обращении широко используются индикаторные приборы для измерения давления. Их упругие нажимные элементы деформируются под действием давления.
Измерительная система состоит из капсульного элемента, диафрагменного элемента или трубки Бурдона. Измерительные системы изготавливаются из медных сплавов, легированных сталей или, при необходимости, из специальных материалов. WIKA производит механические приборы для измерения давления с диапазонами шкалы от 0 … 0,5 мбар до 0 … 7000 бар с точностью показаний до 0,1 %. Для измерения давления с высокими динамическими нагрузками или вибрацией в ассортименте WIKA вы найдете механические приборы для измерения давления с жидкостным наполнением. За счет увлажнения они оптимально защищены от разрушения.
Мембранные разделители
Даже для самых строгих требований к измерению вы найдете правильное решение с WIKA. Мембранные разделители позволяют измерять давление в суровых условиях, таких как, например, агрессивные, высоковязкие или волокнистые среды, очень высокие температуры, неудобно расположенные места измерения, гигиенические нормы, а также токсичные среды или среды, вредные для окружающей среды.
Часто задаваемые вопросы
Для чего нужны “желтые рычажки” на корпусе манометра?
Манометры для диапазонов давления ниже 363 фунтов на кв. дюйм (25 бар) обычно имеют заливную пробку с небольшими рычажками. Эти желтые рычаги закрыты при поставке и должны быть открыты при установке, чтобы предотвратить любое возможное повышение давления в корпусе. Ти …
более
Калибровка измерительных приборов?
Мы калибруем и ремонтируем ваши измерительные приборы в аккредитованной калибровочной лаборатории DKD/DAkkS, принадлежащей WIKA, или на месте у вас.
Статьи блога
Манометр: применение, схема, типы, работа
Манометр — это устройство, которое измеряет количество жидкости в сосуде. Манометры необходимы для настройки и регулировки гидравлического силового оборудования, а также для устранения их неисправностей. Жидкостные энергетические системы были бы непредсказуемыми и ненадежными без манометров.
Манометры проверяют отсутствие утечек или колебаний давления, которые могут нарушить работу гидравлической системы.
В этой статье вы узнаете определение, функции, типы, схему, работу, преимущества и недостатки манометра.
Подробнее: Разница между центробежным и поршневым насосом
Содержание
- 1 Что такое манометр?
- 2 Применение
- 2.0.1 Схема манометра:
- 3 Типы манометров
- 3.1 Манометр абсолютного давления:
- 3.2 Устройство давления давления:
- 3.3.
- 5 Преимущества и недостатки манометра
- 5.1 Преимущества:
- 5.2 Недостатки:
- 6 Заключение
- 6.1 Пожалуйста, поделитесь!
Что такое манометр?
Манометр – это прибор для измерения состояния жидкости (жидкости или газа), который характеризуется силой, с которой жидкость в состоянии покоя действует на единицу площади, например фунты на квадратный дюйм или ньютоны на квадратный сантиметр.
Манометр — это прибор для измерения интенсивности жидкости. Манометры необходимы для настройки и настройки гидравлических машин и незаменимы при устранении их неисправностей. Без манометров гидравлические системы были бы непредсказуемыми и ненадежными. Манометры помогают убедиться в отсутствии утечек или изменений давления, которые могут повлиять на рабочее состояние гидравлической системы.
Основными функциями манометров являются измерение давления в жидкостной системе. Манометры используются в гидравлических системах уже почти столетие, поэтому неудивительно, что конструкции манометров все еще развиваются. Манометры для гидравлических систем со временем эволюционировали, чтобы включать в себя больше характеристик, специфичных для приложений. Например, для предотвращения утечек в системе манометры все чаще разрабатываются с безопасными для гидравлики напорными соединениями (например, с прямой резьбой SAE/метрической системы). Цифровые манометры с настраиваемым программным обеспечением позволяют измерять утечки на основе давления или другие параметры, такие как крутящий момент, нагрузка, усилие и твердость.
Аналоговые датчики с пользовательскими шкалами более распространены.
Подробнее: Знакомство с микрометрическим винтовым манометром
Области применения
Ниже приведены области применения манометров в зависимости от типов:
Дифференциальные манометры используются для контроля фильтрации, уровня и расхода жидкости в различных отраслях промышленности. Они важны, в частности, на нефтеперерабатывающих, нефтехимических и химических заводах, электростанциях и в чистых помещениях.
Приборы для измерения избыточного давления являются наиболее распространенным оборудованием для измерения давления в промышленном мире, особенно в энергетике, нефтеперерабатывающей, химической, нефтехимической, фармацевтической, пищевой, холодильной, кондиционирующей и санитарной отраслях.
Манометры абсолютного давления используются метеорологами для контроля адиабатического давления насыщения и для выполнения операций дистилляции в нефтеперерабатывающей промышленности.
Их также можно использовать для измерения давления паров жидкостей, вакуумных реакторов, проверки утечек в резервуарах и контурах, а также для измерения падения давления в дистилляционных вакуумных колоннах. Вакуумные насосы и сектор упаковки пищевых продуктов используют манометры абсолютного давления. Атмосферное давление измеряется барометрами.
Манометры проверяют отсутствие утечек или колебаний давления, которые могут нарушить работу гидравлической системы.
Подробнее: Понимание механики жидкости
Схема манометра:
Типы манометров
Различные типы манометров классифицируются в соответствии со следующим:
- Манометр абсолютного давления
- Устройство измерения избыточного давления
- Дифференциальный манометр
Подробнее: Знакомство с различными типами потоков жидкости
Манометр абсолютного давления:
Абсолютное давление определяется путем сравнения его с давлением в условиях полного вакуума.
В полном вакууме нет давления. Поэтому его называют «абсолютным» давлением.
Измерительная ячейка, разделенная диафрагмой, представляет собой обычный механический манометр абсолютного давления. Эталонная камера, представляющая собой вакуум, является частью устройства. Абсолютное давление также можно измерить с помощью барометра, который представляет собой гидростатический датчик.
Прибор для измерения манометрического давления:
Манометрическое давление рассчитывается с использованием в качестве эталона стандартного атмосферного давления на уровне моря (приблизительно 1013,25 мбар). Когда манометрическое давление превышает давление воздуха, оно положительно; когда оно падает ниже атмосферного давления, оно отрицательно.
Манометр с трубкой Бурдона является наиболее популярным устройством для измерения манометрического давления. Это механическое устройство, состоящее из С-образной трубки, запаянной с одного конца. В соответствии с приложенным давлением внутри трубки, которое поступает с открытого конца, запаянный конец может свободно перемещать стрелку по шкале.
Другие механические устройства, которые могут измерять манометрическое давление, включают диафрагмы и сильфоны. U-образный манометр эффективен среди гидростатических.
Дифференциальный манометр:
Разница между двумя показаниями давления измеряется как дифференциальное давление. Он не предоставляет информации об уровнях давления в двух конкретных местах, которые он сравнивает.
Подпишитесь на нашу рассылку новостей
Механические дифференциальные манометры являются наиболее распространенным типом. Поршневые, мембранные и сильфонные дифференциальные манометры являются наиболее распространенными формами дифференциальных манометров. Каждый из них имеет уникальное применение в различных промышленных операциях.
Подробнее: Знакомство с гидравлическим насосом
Принцип работы
Работа манометров может различаться в зависимости от типа. Тем не менее, в этой статье объясняется общий манометр. Поскольку гидравлическая система предназначена для работы в определенном диапазоне давлений, манометр также должен быть рассчитан на этот диапазон.
Хотя максимальное гидравлическое давление обычно находится в диапазоне от 3000 до 5000 фунтов на квадратный дюйм, манометры могут измерять до 10000 фунтов на квадратный дюйм. Гидравлические манометры обычно устанавливаются на напорном патрубке насоса или рядом с ним для индикации давления в системе, но их можно установить в любом месте машины, где необходимо контролировать давление, особенно если подконтуры работают с другим уровнем давления, чем насос, например, после редукционного клапана. Редукционные клапаны часто имеют порт манометра, в который можно врезаться для непосредственного контроля настройки давления на выходе.
В зависимости от типа манометра и материала, из которого он изготовлен, манометр может выдерживать широкий диапазон давлений. В результате двумя наиболее важными факторами выбора манометров являются тип манометра и материал.
Манометры появляются в пневматических системах и системах сжатого воздуха, поскольку давление регистрируется во многих точках по всей системе.
Ресивер (ресиверы), а также каждый FRL или автономный регулятор в системе контролируются на предмет давления. Давление иногда также измеряют на пневматических приводах. Пневматические манометры обычно рассчитаны на давление не более 300 фунтов на квадратный дюйм, в то время как большинство систем работают при давлении около 100 фунтов на квадратный дюйм.
Существует три метода измерения давления: абсолютное, манометрическое и вакуумное. Абсолютное давление — это измерение фактического давления, которое включает в себя окружающий воздух и отсчитывается от нуля при идеальном вакууме. На уровне моря абсолютное давление может достигать 14,7 фунтов на квадратный дюйм. В приложениях, которые имеют дело с окружающим воздухом, например, при расчете степени сжатия для расхода (куб. фут/мин), учитываются значения абсолютного давления. Манометрическое давление используется в большинстве приложений, которые работают с атмосферным воздухом, но не с ним, например, в гидравлических силовых установках, и привязывается к нулю по отношению к атмосферному давлению.
Когда манометр отсоединен от устройства, он будет показывать ноль. Наконец, «давление» вакуума выражается в Торр или в дюймах ртутного столба (in.-Hg), которые измеряют давление ниже окружающего.
Подробнее: Знакомство с центробежным насосом
Посмотрите видео ниже, чтобы узнать больше о манометре:
Преимущества и недостатки манометра
Преимущества:
Ниже приведены преимущества манометров в различных областях их применения. :
- Манометры находят применение в широком диапазоне применений и отраслей промышленности, таких как машиностроение, насосы/компрессоры, гидравлика/пневматика, а также общее обслуживание/испытательные операции.
- Современные манометры обеспечивают долговечность манометра и, как следствие, точность показаний.

- Цифровые манометры быстрые и точные.
- Интерпретация оператором не требуется
- Нет ошибок параллакса
- Возможность подсветки
- Стабильное показание при сильной вибрации
- Легко изменить диапазон
- Манометры с трубкой Бурдона обеспечивают точные показания.
- Трубка Бурдона стоит недорого.
- Конструкция трубки Бурдона проста.
- Их можно заставить обеспечивать электрические выходы, модифицировав их.
- Даже при измерениях высокого давления они безопасны.
- Превосходная точность, особенно при высоких давлениях.
Подробнее: Понятие о поршневом насосе
Недостатки:
Несмотря на преимущества манометра, все же существуют некоторые ограничения. Ниже приведены недостатки манометров в различных областях их применения.
- Трудно наблюдать всю шкалу или тенденции.
- Они не могут считывать величины, которые колеблются.
- Они требуют много энергии, за исключением ручных типов.

- Медленно реагируют на изменение давления.
- Они в истерике.
- Они чувствительны к вибрациям и ударам.
- Поскольку смещение свободного конца трубки Бурдона незначительное, требуется усиление.
- Манометр Бурдона не подходит для точных измерений.
Заключение
Манометр – это прибор для измерения интенсивности жидкости. Манометры необходимы для настройки и настройки гидравлических машин и незаменимы при устранении их неисправностей. Без манометров гидравлические системы были бы непредсказуемыми и ненадежными. Это все для этой статьи, где обсуждаются определение, функции, типы, схема, работа, преимущества и недостатки манометра.
Надеюсь, вы многому научитесь, если да, поделитесь с другими учениками. Спасибо за чтение, увидимся!
Манометр – Apure
Манометр относится к эластичному элементу как к чувствительному элементу, измеряющему и показывающему более высокое давление, чем давление окружающей среды прибора, применение очень распространено, почти во всех промышленных процессах и областях научных исследований.
. Его повсеместно можно увидеть в тепловых сетях, нефтегазопроводах, системах водоснабжения и газоснабжения, на заводах и в мастерских по техническому обслуживанию автомобилей. Особенно в процессе контроля промышленных процессов и технических измерений механический манометр находит все более широкое применение из-за его эластичного чувствительного элемента с высокой механической прочностью и удобного изготовления.
Что такое манометр?
Манометр – это прибор, предназначенный для измерения давления среды в системе.
Измерение давления в системе является важным этапом обеспечения качества, обеспечивающим соответствие продукции и проверки безопасности для выявления утечек или повышения давления в системе. Прежде чем выбирать манометр, важно понять основные принципы измерения давления. Затем можно определить правильный манометр на основе критериев выбора для точного измерения давления в системе. Даже самые лучшие измерительные приборы будут отклоняться от фактического значения.
Важно понимать, как определяется эта точность измерения. Цифровые датчики обеспечивают более высокую степень точности, чем аналоговые датчики.
Как работает манометр?
Манометр за счет упругой деформации чувствительных элементов (трубка Бурдона, диафрагменная коробка, сильфон), а затем деформация давления передается на стрелку механизмом преобразования движения в таблице, заставляя стрелку вращаться для отображения давление.
Давление представляет собой величину силы, приложенной к единице площади перпендикулярно поверхности. В стоячей жидкости или газе это величина силы, приложенной к стенке сосуда в данной точке.
Статическое давление одинаково во всех направлениях. Однако движущаяся жидкость оказывает дополнительное давление в направлении потока с незначительным влиянием на поверхность, параллельную направлению потока.
Это дополнительное давление называется динамическим давлением. Общее давление потока (также называемое давлением застоя) представляет собой сумму статического и динамического давления в этом потоке.
Если прибор ориентирован в направлении потока, он будет измерять общее давление потока. Обсуждаемый здесь прибор предназначен для измерения статического давления в системе.
Давление обычно измеряется тремя способами.
- Абсолютное давление представляет собой общую силу на единицу площади. Абсолютное давление идеального вакуума равно нулю, а абсолютное давление земной атмосферы на уровне моря равно 1 атмосфере.
- Манометрическое давление — это то, что показывает большинство манометров, и это давление среды по отношению к атмосферному давлению. Это означает, что манометрическое давление равно абсолютному давлению минус атмосферное давление. Если манометры предназначены для измерения давления ниже атмосферного (так называемое вакуумметрическое давление), они могут быть помечены как «вакуумметры», а отрицательные значения могут быть опущены.
Чтобы указать, что давление измеряется относительно атмосферного давления, буква «g» следует за единицей давления, например, 50 фунтов на кв. дюйм. - Дифференциальное давление — это просто разница давлений между двумя заданными точками. Некоторые манометры обеспечивают это измерение для удобства, поскольку нет необходимости вычитать из системы два показания давления.
Типы манометров
Трубка Бордена, тип
Трубка Бордена представляет собой плоскую тонкостенную трубку с закрытым концом, имеющую С-образную или спиральную форму. Когда внутри этой трубки действует давление жидкости, овальное поперечное сечение трубки становится более круглым, выпрямляя трубку. Когда давление жидкости исчезнет, трубка восстановит свою форму. Изменение формы этой трубки создает характер движения на свободном конце трубки, который преобразуется во вращение указателя с помощью рычажного механизма и шестерни.
Трубки Бордена для измерения манометрического давления (относительно атмосферного давления). Трубка Бодена является наиболее часто используемым типом манометра из-за его превосходной чувствительности, линейности и точности.
Области применения
Трубчатые манометры Borden доступны в различных конструкциях и с различными характеристиками для широкого спектра применений. Трубчатые манометры Бордена доступны в диапазонах давления от 0 до 0,6 бар и от 0 до 1600 бар, а класс точности обычно находится в диапазоне от 0,1 до 4,0.
Мембранный тип
Мембранные манометры используют прогиб гибкой мембраны, которая разделяет две среды. Одна сторона диафрагмы может подвергаться воздействию атмосферы, и в этом случае измеряется манометрическое давление, или она может быть герметизирована для предотвращения образования вакуума, и в этом случае может измеряться абсолютное давление.
Мембрана обычно металлическая или керамическая и может быть зажата между двумя фланцами или приварена. По мере увеличения давления оно изгибает диафрагму, что можно преобразовать в циферблатное измерение с помощью шестерен и рычажных механизмов.
Области применения
Мембранные манометры подходят для агрессивных газов, жидкостей или сред с высокой вязкостью. Этот тип манометра широко используется в химической/нефтехимической промышленности, на электростанциях, в горнодобывающей промышленности, на суше и в море, а также в сфере экологических технологий. Диапазон измерения этих манометров составляет от 0 … 2,5 мбар до 0 … 25 бар, а класс точности обычно составляет от 0,6 до 2,5.
Тип капсульного элемента
Манометр капсульного элемента используется для измерения воздуха и сухих газов при низких давлениях. Манометр состоит из двух круглых диафрагм, соединенных по внешним краям.
Одна из диафрагм имеет отверстие посередине для входа среды.
Расширение или сжатие камеры позволяет измерять давление из-за разницы давлений между внешней и внутренней средами. Манометр, работающий аналогичным образом, представляет собой сильфонный манометр.
Применение
Эти манометры используются почти исключительно для точного измерения давления в газообразных средах. Они наиболее распространены в пневматических системах низкого давления, вентиляционных клапанах, системах контроля избыточного давления, контроля фильтров и вакуумных насосах. Большинство этих манометров обычно измеряют от 0 … 1 мбар до 0 … 600 мбар с точностью от 0,1 до 2,5.
Типы монтажа и соединения
- Стандартное резьбовое соединение: Этот тип прибора просто ввинчивается в имеющуюся резьбу. Резьба уплотнена компрессионными уплотнениями для конической резьбы и уплотнительными кольцами для параллельной резьбы.

- Встроенный манометр: Эта установка манометра состоит из крепления с внутренней резьбой.
- Фланцевый манометр: Это крепление предназначено для тех, кто хочет установить манометр на шкаф управления.
Принадлежности
Для использования с манометрами доступны различные аксессуары. Наиболее распространенными являются:
- Уплотнения/прокладки: Обеспечивают надлежащее уплотнение.
- Плоский: Уплотнения плоские и не допускают дополнительного вращения показания манометра.
- Контурный: Уплотнения имеют контурную форму, позволяющую повернуть показания манометра на 1/2 оборота или на полный оборот, чтобы обеспечить правильную ориентацию при установке. Профильные уплотнения могут центрироваться снаружи или внутри.
- Защитный колпачок: Резиновый колпачок надет на манометр для дополнительной прочности и амортизации.
- Переходники: Переходники можно использовать, если входные и выходные соединения манометра имеют разные размеры.
Также полезно, если они имеют разные типы соединений (например, BSPP и NPT). - Вставные соединители: позволяют быстро и легко устанавливать или снимать шланги с манометров.
- Демпферы: Демпферы давления гасят последствия скачков и импульсов давления, сохраняя показания манометра и продлевая срок его службы.
Правильный выбор манометра
При выборе манометра необходимо учитывать несколько факторов:
Диапазон давления : Для обеспечения максимальной точности, безопасности и продления срока службы манометра обычно рекомендуется диапазон манометра, вдвое превышающий рабочее давление. Рабочее давление всегда должно быть ограничено 75% диапазона манометрического давления. При возникновении пульсаций давления рабочее давление должно быть ограничено двумя третями диапазона манометрического давления.
Температурный диапазон : Мягкая пайка Манометры общего назначения Apure ограничены максимальной температурой от -40ºF до 120ºF.
Припаянные или сваренные серебром технологические манометры Apure ограничены максимальной температурой от -40ºF до 19°С.0ºF и заполненные жидкостью манометры Apure ограничены максимальной температурой от 0ºF до 140ºF.
Условия, влияющие на износ системы : В применениях, связанных с сильными колебаниями давления, вибрацией и/или пульсацией, рекомендуется использовать ограничители потока или буферы давления. Кроме того, следует рассмотреть манометры, заполненные жидкостью. Заполнение жидкостью будет смазывать движение и уменьшать трение и износ. Жидкое заполнение также предотвратит воздействие влаги или агрессивных сред на внутреннюю часть манометра.
Состав рабочей жидкости под давлением : Поскольку чувствительный элемент манометра может подвергаться непосредственному воздействию измеряемой среды, необходимо учитывать характеристики этой среды. Он может вызывать коррозию, может быть газом или жидкостью, может затвердевать при различных температурах или содержать твердые вещества, которые оставят отложения внутри чувствительного элемента.
Для рабочих жидкостей, которые не затвердевают и не оставляют отложений в нормальных условиях, можно использовать манометр с трубкой Бодена. Мембранное химическое уплотнение следует рассматривать, когда смачиваемые части датчика несовместимы с измеряемой средой.
Диапазон давления : Диапазон манометрического давления, вдвое превышающий рабочее давление, обычно рекомендуется для обеспечения максимальной точности, безопасности и продления срока службы манометра. Рабочее давление всегда должно быть ограничено 75% диапазона манометрического давления. При возникновении пульсаций давления рабочее давление должно быть ограничено двумя третями диапазона манометрического давления.
Температура жидкости под давлением : Пар и другие горячие среды могут поднять температуру компонентов манометра выше безопасного рабочего предела герметичного соединения. В этих случаях рекомендуется использовать с манометром сифонные или химические мембранные разделители.
Химические мембранные разделители и удаленно армированные капиллярные трубки также можно рассматривать для использования с манометрами, работающими в условиях очень низких или высоких температур окружающей среды.
Условия окружающей среды : Нормальный диапазон температуры окружающей среды для манометров Apure общего назначения (мягкий припой) составляет от -40ºF до 120ºF; для технологических манометров (серебряный припой/припой) от -40ºF до 190ºF; для манометров, заполненных жидкостью, от 0ºF до 140ºF. Погрешность из-за изменения температуры составляет приблизительно ±1% на каждые 50ºF изменения. Эталонная температура составляет 75ºF. Дистанционный монтаж манометров с использованием разделителей с химической диафрагмой и капиллярных линий является альтернативным методом для применений, связанных с экстремальными температурами окружающей среды. Необходимо также учитывать воздействие влаги и погодных условий. Заполненный жидкостью манометр предотвратит образование конденсата.
Для наружного использования рекомендуются манометры с корпусом из нержавеющей стали, латуни или пластика. Механические удары, вибрация, пыль и влажность — вот некоторые другие соображения при выборе манометра.
Крепление : Большинство манометров Apure доступны с креплением снизу и по центру сзади или под задним креплением. Продукты apure имеют стандартные резьбовые соединения NPT. Другие типы, такие как метрическая резьба, прямая резьба, штуцеры для шлангов и другие специальные фитинги доступны по специальному заказу. Манометры Apure откалиброваны в вертикальном вертикальном положении и должны быть установлены соответствующим образом. Для приложений, в которых манометр устанавливается горизонтально, горизонтально или вверх дном, манометр должен быть повторно откалиброван в положении конечного использования.
Требуемая точность : Apure производит датчики с точностью от ±3-2-3% до ±0,25% полной шкалы. Как правило, более точные датчики имеют больший диаметр циферблата и стоят дороже.
Вентиляция корпуса : Манометры Apure, заполненные жидкостью, имеют гибкий наконечник вентиляционной/заливной пробки, который можно легко обрезать (после установки), чтобы обеспечить вентиляцию корпуса. Это рекомендуется для всех жидкостных манометров, особенно для манометров с максимальным номинальным давлением 100 фунтов на квадратный дюйм и ниже. Это компенсирует атмосферные изменения, которые могут повлиять на калибровку уровнемера.
Digital pressure gauge, pressure measurement – Prisma Instruments
PRODUCTS
- Pressure measurement
- Digital Pressure Gauges
- PI700X Digital Pressure Gauge
- Digital differential pressure gauge PI200
- PI105 Digital Pressure Gauge
- PI100 Digital Pressure Gauge
- Цифровой манометр PI80
- Цифровой манометр PI60
- Цифровой манометр PI700
- Цифровой манометр — ADT 680 additel
- Digital Pressure Gauge ADT681 additel
- Mechanical pressure gauges
- Pressure switches
- Compact Pressure Transmitter
- Hygienic pressure transmitter
- Industrial Pressure Transmitter
- Digital Pressure Gauges
- Thermometers & Temperature Sensors
- Flowmeters
- Level measurement
- Настольные приборы
- Программное обеспечение для контроля
- Промышленная автоматизация
- Калибровка
- Принадлежности
Accueil
> ПРОДУКТЫ
> Измерение давления
> Цифровые манометры
Манометр – это прибор для измерения давления, основная функция которого заключается в измерении вакуумметрического давления до давления 2500 бар или более.
Существует 3 типа давления: абсолютное, относительное и дифференциальное. Соединение может быть вертикальным или задним (осевым).
Расчет давления и температуры
Этот продукт используется для измерения давления газов (сжатый воздух, природный газ, азот и т. д.) и жидкостей (вода, углеводородные масла, молоко и т. д.). .) Манометр используется для измерения давления, вакуума или перепада давления. Его использование может быть в жидкой или воздушной форме. В отличие от промышленного игольчатого калибра, точность которого не может превышать 0,1%. Цифровой манометр часто предназначен для использования в качестве эталонных приборов с точностью измерения до 0,02%, что в 5 раз точнее, чем у самых точных механических манометров. В ходе этих испытаний создаются и сохраняются в приборе отдельные данные, характеризующие его работу в данном температурном диапазоне. Цифровые манометры: ADT680, ADT681, PI700 и PI105 обеспечивают точность около 0,05 %, 0,1 % или 0,20 % от полной шкалы, измерение давления от вакуума до 2800 бар.
Цифровые измерительные приборы
Независимо от того, измеряете ли вы относительное, абсолютное, динамическое или дифференциальное давление, этот цифровой манометр обеспечивает надежные, точные и экономичные результаты. Эта цифровая камера может быть установлена на панели и оснащена большим дисплеем с задней подсветкой с 5-разрядным определением для графического и цифрового дисплеев и системой связи RS232. Эти данные могут быть записаны и расшифрованы на ПК. Цифровые манометры типа: ПИ100 и ПИ80. Эти устройства оснащены большим ЖК-экраном и имеют различные функции, включая 13 единиц измерения, таких как: кПа, Па, PSI, кг/см², бар, МПа …. Могут использоваться для установок с температурой окружающей среды от – 10 до + 70 °С. Отличается точностью ± 0,1 % ± 0,2 % ± 0,4 %, полной шкалой и (-1-0) шкалами при 1600 бар.
Этот тип цифрового манометра состоит из корпуса с циферблатом 100 мм, 80 мм или 60 мм и соединением из нержавеющей стали, большого 5-разрядного дисплея для оптимальной точности с подсветкой с кнопкой включения / выключения.
ноль, различные выбираемые единицы, такие как бары, PSI … и возможные соединения в 1/4 “NPT, ¼ BSP, ¼” G, но также настраиваемые в соответствии с вашими требованиями. Их особенности заключаются в том, что эти манометры оснащены высокоточными датчики, которые отображают температуру в режиме реального времени, имеют функцию аварийного сигнала батареи и регистратор минимального и максимального давления для простоты управления и обеспечивают двойной дисплей: давление / температура упрощает считывание баров / температуры. Эти приборы подходят для приложений, требующих надежных измерений в терминах точности и стабильности.
Для вашего промышленного оборудования
Эти цифровые манометры используются в различных областях, таких как: портативное измерение давления, измерение давления в полевых условиях, поддержка оборудования, калибровочная лаборатория и т. д. У нас также есть другие диапазоны манометров, такие как беспилотная трубка манометры, используемые в агрессивной среде или при высоком давлении.




д.






Первая является самой неточной, погрешность может составлять от 1 до 0,5. Для второго класса допустимо отклонение от 0,5 до 0,1. Приборы третьего класса являются самыми точными, соответственно, и самыми дорогими. Погрешность здесь не превышает 0,05. Если прибор выбирается для себя, то можно ограничиться вторым классом точности. Для профессиональной работы требуется более точная техника.
Он отличается высокой ценой и чувствительностью.


Чтобы указать, что давление измеряется относительно атмосферного давления, буква «g» следует за единицей давления, например, 50 фунтов на кв. дюйм.
Также полезно, если они имеют разные типы соединений (например, BSPP и NPT).