Как сделать точечную сварку – Как сделать точечную сварку в домашних условиях
alexxlab | 16.04.2020 | 0 | Вопросы и ответы
общие сведения и технология, изготовление сварочного аппарата своими руками
Нередко встречаются ситуации, в которых необходимо соединить металлические изделия или отремонтировать различные конструкции. Чтобы справиться с этим, нужно знать, как сделать точечную сварку своими руками. Аппарат для её проведения можно собрать самостоятельно в домашних условиях. Это значительно упростит весь процесс и убережёт от больших финансовых затрат.
Общие сведения
Самодельная точечная сварка — это довольно трудное мероприятие, которое требует наличия специального оборудования и навыков подобной работы. Однако при правильном подходе можно значительно упростить процесс и выполнить работу в кратчайшие сроки.
Основные преимущества
Такой способ соединения металлических деталей имеет большое количество преимуществ. Все они делают точечную сварку одной из самых часто используемых. Среди положительных моментов стоит выделить следующие:
- прочность шва;
- дешевизна процесса;
- уменьшение затрат времени;
- простота оборудования;
- возможность выполнения в условиях домашней мастерской;
- автоматизация на предприятиях.
Среди большого количества преимуществ, есть и один недостаток. Специалисты считают такой вид соединения негерметичным.
Краткая технология
Сварка любых изделий происходит по одному и тому же принципу. При этом важно внимательно проводить все операции и не упустить даже самый незначительный нюанс. Только в этом случае можно добиться идеального шва и его прочности.
Вся технология состоит из нескольких этапов:
- Соединяемые детали совмещаются в нужном положении и надёжно фиксируются.
- Затем они помещаются между электродами сварочного аппарата и плотно сжимаются.
- После этого обрабатываемые детали нагреваются. Это нужно делать до тех пор, пока материал не станет пластичным и легко деформируемым.
- Устройство передаёт кратковременный импульс, благодаря которому металл плавится в местах контакта с электродами.
- Как только действие тока прекращается, расплавленный материал застывает и надёжно скрепляет детали между собой.
Подготовительные мероприятия
Основой успешного проведения любого вида работ считается правильно проведённая подготовка. Она позволяет взять всё необходимое для осуществления бесперебойного процесса. Для успеха проведения контактной сварки из сварочного аппарата своими руками необходимо правильно выбрать электроды и все необходимые инструменты.
Выбор электродов
Главный атрибут контактной сварки — электрод. С его помощью выполняется весь процесс, поэтому очень важно купить оптимальный вариант для проведения определённой работы.
Электрод выполняет функцию подводки тока к свариваемым деталям и сжатия металла. Как правило, он изготавливается из сплавов, обладающих высокой теплопроводностью. Наибольшему воздействию подвергается наконечник. Он разогревается до огромных температур и очень быстро изнашивается. Из-за этого во время работы необходимо постоянно его подтачивать. Наиболее часто используемая форма наконечника — конус.
Как правило, электроды стоят довольно дорого, поэтому очень важно максимально продлить срок их службы. Для этого нужно соблюдать такие условия:
- Для сварки изделий из того или иного материала необходимо подбирать оптимальные для него виды электродов.
- Не использовать тонкие наконечники для тяжёлой сварки.
- Пользоваться водяной рубашкой.
- Соблюдать условия хранения электродов и избегать их механических повреждений.
Специалисты не рекомендуют подпиливать их, так как это может привести к трещинам и неровностям. Из-за таких дефектов процесс сварки усложнится, а полученный шов будет некачественным.
Материалы и инструменты
Для проведения контактной сварки своими руками нужно изготовить соответствующий агрегат. Делается он при помощи определённого набора инструментов и минимального количества доступных каждому материалов. В процессе работы над устройством понадобится:
- электрическая дрель;
- болгарка;
- фрезер;
- ножовка по металлу;
- напильник;
- паяльник;
- молоток;
- зубило;
- острый нож;
- отвёртка;
- ножницы по металлу;
- металлическая линейка;
- штангенциркуль;
- гаечные ключи.
Изготовление оборудования
После того как выполнены все подготовительные мероприятия, можно приступать к работе над устройством. Его сборка выполняется в несколько этапов и может занять значительный промежуток времени.
Источник питания
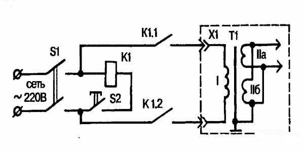
Аппарат для точечной сварки делается на основе источника импульса, использующего принцип разряда конденсатора. Благодаря ему можно соединять детали толщиной до 0,5 миллиметров.
Особенности работы такого источника питания:
Нужная сила тока создаётся на выходе вторичной обмотки трансформатора.- Управление разрядом осуществляется за счёт тиристоров.
- Необходимый заряд накапливается на обкладках конденсаторов. При этом вспомогательная цепь трансформатора должна быть отключена.
- В качестве выпрямителей сигнала используются диоды.
В случае необходимости можно воспользоваться схемой применяемого устройства. С её помощью новичкам будет проще добиться желаемого результата.
Разряд конденсаторов осуществляется так:
- Во время размыкания главной цепи происходит зарядка установленных конденсаторов.
- После включения сварочного аппарата они разряжаются на обмотку. Сила разряда меняется при помощи тиристоров.
- Весь цикл повторяется при выключении устройства.
При сварке более крупных заготовок (толщиной до 4 миллиметров) необходимо в несколько раз усилить мощность разряда.
Намотка трансформатора
Одна из главных составляющих аппарата для точечной сварки — выходной трансформатор. С его помощью на электрод подаётся нужная сила тока. Такой прибор можно делать своими руками и использовать его в общей конструкции. Для этого нужно выполнить несколько простых действий:
Из поломанного трансформатора изымается сердечник. Необходимо выбирать тот, который будет состоять из стальных пластинок с поперечным сечением не менее 60 квадратных сантиметров.- На одну из его стоек наматывается первичная обмотка. Для этих целей лучше всего применять медные провода диаметром не более 3 мм.
- Поверх обмотки кладётся специальная бумага для трансформаторов. Она выполняет функцию электроизоляции и помогает уберечь устройство от преждевременного выхода из строя.
- Края провода фиксируются на контактной колодке, которая располагается в верхушке сердечника.
- На другую стойку наматывается вторичная обмотка. Делается она в виде двух витков шины, которая собирается из медных проводов.
- Для дополнительной безопасности она обматывается любым видом изоляции.
- Сверху также кладётся трансформаторная бумага, а концы провода выводятся на колодку.
Если всё правильно сделать, то получится трансформатор мощностью 3 тысячи ватт.
Сборка блоков контакта
Для изготовления аппарата точечной сварки чаще всего используется блок контактов пистолетной формы. Процесс его сборки довольно трудоёмкий и может занять немало времени.
Пошаговая инструкция:
Первым делом берутся 2 пластины из текстолита или гетинакса. Их толщина должна варьироваться в пределах 8−10 миллиметров.- Из них выпиливаются две заготовки, которые по форме напоминают пистолет. Их длина не должна превышать 25 сантиметров.
- В передней части деталей выполняются полукруглые проточки для установки электродов. Их радиус должен быть примерно 6 мм, а длина — 6 см.
- Отступив от крайнего среза треть метра, вытачивают паз прямоугольной формы для установки гайки, которая будет крепить электрод.
- В месте изгиба исходной заготовки просверливаются необходимые отверстия для крепления пускового выключателя.
По всей поверхности двух частей пистолета проделываются отверстия для их соединения друг с другом.- Затем выполняются проточки, которые обеспечат беспрепятственный подвод кабеля.
- Из медного прутка диаметром 8 миллиметров делается электрод длиной не менее 60 мм.
- На одном из краёв нарезается резьба под используемую в устройстве гайку.
- Верхушка электрода затачивается в виде конуса с закруглённым концом.
- На следующем этапе работы выполняется сборка всех деталей. Для этого на электрод накручивается гайка.
- Затем к торцу припаивается провод, соединяющийся с пусковым механизмом.
- После этого вставляется и подключается выключатель.
- Обе половинки пистолета прочно скрепляются между собой.
Техника безопасности
Любой процесс сварки, даже в случае микросварки своими руками, должен выполняться с соблюдением мер безопасности. Это позволит не только сохранить здоровье, но и предотвратить множество негативных последствий. Кроме этого, сварщик должен использовать специальные средства защиты, которые уберегут его от воздействия раскалённого металла и электрического тока.
Среди основных требования безопасности стоит выделить следующие:
- Заземление всех потенциально опасных частей оборудования. Такая мера поможет избежать поражения током.
- Перед началом работы необходимо проверять исправность устройства.
- Надевать защитные средства, которые помогут избежать удара током.
- Все элементы управления не должны быть под высоким напряжением.
- В устройстве должны быть использованы провода с большим сечением.
- Использовать рукавицы, которые уберегут руки от случайно отлетевших брызг металла, а также специальный головной щиток. Последний убережёт глаза сварщика от негативного воздействия яркой вспышки.
- Применять защитные средства для органов дыхания или выполнять работу в хорошо вентилируемом помещении. Это нужно для того, чтобы выделяющиеся во время работы вредные пары не попадали в лёгкие.
- Все кнопки аварийного отключения должны находиться в рабочем состоянии. При этом доступ к ним нельзя загораживать какими-либо предметами.
- Место проведения работы желательно отгородить щитками, чтобы избежать различных негативных последствий, возникающих в случае непредвиденной ситуации.
- Необходимо максимально снизить вероятность получения травмы от движущихся частей аппарата.
Точечная сварка — это довольно трудоёмкое мероприятие, которое требует не только специальных устройств, но и определённых навыков в работе. При этом весь процесс можно производить в домашних условиях и получать требуемый результат с минимальными затратами. При правильном подходе к делу и соблюдении техники безопасности можно увеличить вероятность положительного исхода дела и снизить риск получения каких-либо травм.
220v.guru
Точечная сварка своими руками: как сделать?
Точечная сварка своими руками заинтересует тех, кому необходим сварочный аппарат, но кто не хочет тратить на него много денег.
В этом случае контактная точечная сварка – лучший вариант, т.к. собрать такой аппарат можно буквально из подручных средств.
В статье вы узнаете о том, как собрать аппарат в домашних условиях, какие инструменты и средства для этого потребуются, а также плюсы и минусы этого вида сварки.
Схема и видео помогут вам выполнить весь процесс самостоятельно и получить качественный продукт, который прослужит не один год.
Как работает этот вид сварки?
Точечное сваривание вовсе не дилетантский вид работы, который используют только в домашнем пользовании – он распространен как в промышленных масштабах, так и в частном производстве.
Точечная сварка – это контактная работа по соединению двух элементов в нужном положении. Этот вид сварки похож на шовную и аналоговую, но все же имеет свои отличия и нюансы.

Самый значительный плюс точечной сварки в том, что сделать аппарат для нее (в том числе и из старых деталей микроволновки) под силу любому человеку, более или менее знакомому с электротехникой.
К тому же, такой аппарат не будет ни в чем уступать машинам, произведенным на заводе – разница в том, что домашний можно использовать только в локальных масштабах, но для личных нужд большего и не нужно.
Если контактная сварка – это новый для вас процесс, то лучше сначала немного вникнуть в этот процесс и понять, как работает аппарат. В этом случае собрать его будет гораздо проще.
Сварка элементов происходит следующим образом: сначала нужно закрепить металлические детали в том положении, которое вам нужно и поместить их между электродов аппарата.
Затем детали нагреваются так, чтобы они стали пластичны и затем соединяются между собой.
Нагреваются детали посредством импульса электричества, длительность которого не более 1 сек.
Его задача – расплавить части деталей и сделать на месте, куда он направлен, что-то вроде жидкой ванночки, диаметр которой 12 мм.
После завершения работы импульса детали должны еще некоторое время оставаться зафиксированными в нужном вам положении, чтобы успеть остыть и лучше соединиться между собой.

Плюсы точечного сваривания очевидны: это низкая цена на производство самого аппарата (его собирают практически из подручных средств и своими руками), значительная экономия электричества, высокая прочность швов и автоматизация процесса (на производстве используются аппараты, способные производить до 600 точек/мин).
Минус у этого вида сварки только один – вы не сможете сделать герметичный шов, хотя полученные варианты будут вполне прочными и долговечными.
Схема сварки поможет вам лучше понять, как это работает.
Как видно из процесса работы, главная задача аппарата – нагревание деталей до температуры плавления.
Сила нагрева разных аппаратов отличается и нужно знать, какая мощность и продолжительность нужна именно вам.

Например, для нержавеющей стали лучше использовать непродолжительный нагрев, а для углеродной – наоборот.
Кроме того, машина для сварки должна обеспечивать значительное давление соединяемых деталей, пик которого достигается при окончании нагрева. Без этого качественное соединение частей не получится.
Хорошие электроды точечной сварки подразумевают высокую тепло- и электропроводимость и не имеют проблем с механической обработкой, поэтому для изготовления подойдет не всякий материал.
Можно использовать: бронзу с примесью кобальта или кадмия, электролитическую медь и сплавы на ее основе с вольфрамом и хромом.
Чтобы собрать аппарат своими руками лучше всего использовать сплавы меди марки ЭВ.
При изготовлении важно помнить, что диаметр наиболее тонкого элемента аппарата не должен превышать размер места плавления (его диаметр должен быть в 2-3 раза меньше).
Смотрите видео о том, как использовать точечную сварку для домашнего пользования.
Видео:
Этапы создания
Как уже говорилось, точечную сварку своими руками можно собрать буквально из подручных средств.
Начинать работу нужно со сборки инвертора. Использование инвертора сделает возможным функционирование всего устройства.
Для его сборки используйте детали, изготовленные в СССР:
- диоды;
- конденсаторы;
- дроссели;
- трансформаторы.
В случае использования этих частей, сложная дополнительная настройка не потребуется.
Чаще всего аппарат делают из деталей старой микроволновки, которая, возможно, есть у вас в доме или же у знакомых. Такая точечная сварка из старых деталей микроволновки имеет мощность около 800 Ампер.
Ее хватит, чтобы сварить достаточно тонкие листы металла. Как правило, для домашнего использования большей мощности и не нужно.

Старайтесь выбрать большие, а не маленькие микроволновки, т.к. в больших моделях имеется более мощный трансформатор, который и будет основой вашего сварочного аппарата.
Трансформатор выглядит следующим образом: это сердечник с двумя обмотками, первая из которых сделана толстым проводом с меньшим количеством витков.
Трансформатор держится за счет сварных швов, поэтому чтобы добраться до его обмоток, нужно убрать их (это можно сделать ножовкой или болгаркой).
Извлеченный трансформатор должен содержать неповрежденную обмотку и разделенный на 2 части сердечник, очищенный от бумаги и клея, которые фиксировали обмотки.
Далее нужно намотать вторую обмотку трансформатора. Вам понадобится кабель, соответствующий прорези в трансформаторе (примерно 7 мм), который нужно намотать в два витка.
Трансформатор нужно прикрепить к основанию, сделать это можно эпоксидной смолой – для этого сожмите механизм тисками и оставьте на некоторое время, чтобы материал смог склеиться.
Ниже на видео показана сварка на трансформаторе микроволновки.
Видео:
Благодаря вторичной обмотке, мощность трансформатора будет примерно 2 Вт.
Если вы хотите, чтобы мощность аппарата была выше, то вам понадобится еще один трансформатор из микроволновки, который нужно будет присоединить к первому.
Так выглядит схема трансформатора.
Когда обе обмотки аппарата будут соединены, нужно проверить силу тока.
Она не должна быть выше 2000 Ампер, иначе возможны значительные скачки напряжения не только в вашей квартире, но и у всех соседей.
Присоединить трансформатор можно с помощью вторичной обмотки.
При этом количество тока сварки увеличится в два раза – если было 220, то станет около 500.
Для соединения используйте провода диаметром 10 мм. Схема соединения поможет вам сделать все правильно, если же технология будет нарушена, то велика вероятность короткого замыкания.
Напряжение будет выходить на первую обмотку, а на выходе нужно включить вольтметр, который сможет работать с переменным напряжением.
Выбирать направление работы обмоток нужно исходя из следующих вариантов: есть напряжение в приборе или оно отсутствует.
В первичной цепи можно наблюдать наличие обмоток, имеющих разноименные выводы.
Напряжение этих обмоток обычно равно ½ от входного напряжения, его увеличение и трансформация произойдут в следующих за этой обмотках, но коэффициенты будут одинаковыми.
Ниже схема, как сделать пистолет для точечной сварки.

После включения вторичных обмоток, нужно сложить разность полученных потенциалов – тогда вольтметр будет показывать удвоенное значение разности для каждой из обмоток.
Если же аппарат показывает «0», то получаемые значения будут равны, но с противоположными знаками.
Следовательно, каждая соединенная пара обмотки будет иметь аналогичные выводы.
Посмотрите на видео, как правильно удалить и собрать трансформатор для точечной сварки.
Видео:
Клещи для трансформатора
Чтобы аппарат работал, вам нужен не только трансформатор, но и клещи. Клещи являются механической частью машины.
Поэтому точечная сварка обязательно требует сделать клещи и электроды, без которых работа аппарата невозможна.
Чтобы сделать клещи, нужно заточить стержни электродов, которые вы будете использовать, т.к. иначе они деформируются. Электроды не могут работать вечно и со временем теряют свои свойства.

Провод, который соединяет электроды и токовый преобразователь не нужно делать длинным, иначе будет неудобно работать. Также не должно быть много соединений, т.к. каждое из них будет забирать мощность.
На концах провода лучше всего сделать медные наконечники, которые смогут соединить электроды с проводом.
Наконечники спаиваются так, чтобы прилегание было максимально плотным, т.к. плохо спаянное соединение будет причиной значительной потери мощности аппарата и даже его поломки.
Спаять наконечник и провод своими руками будет не так просто из-за значительного диаметра, поэтому при работе используйте наконечники под пайку, они облегчат работу.
Также это поможет, когда придет время заменить электроды, т.к. заменить старые стержни новыми не очень удобно.
Соединение, сделанное с использованием наконечника под пайку, проще избавить от участков с окислом.
Электроды можно купить на любом рынке с электроприборами. Они выглядят как небольшие прутья (диаметр чуть больше 1 см). Схема электрода ниже на фото.

Если трансформатор микроволновки имеет плохую сварку, можно воспользоваться электродами с паяльников – для этого нужно снять с них жала.
Присоединяют электроды коротким шнуром без лишних соединений.
Чтобы получить соединение между электродом и трансформатором, проделайте отверстие сверлом или дрелью, но также можно использовать и наконечник из меди.
Для плотного закрепления максимально затягивайте болт, а во избежание процесса окисления, спаяйте провод с наконечником.

Но если вы планируете частое использование сварочного аппарата, то лучше присоединять электроды болтом, т.к. в этом случае их будет проще заменить.
Лучше всего, если соединительный материал будет сделан из меди.
Выключатель сварочного аппарата
Для того чтобы процесс сварки стал возможен, вам понадобится рычаг-выключатель. Для того чтобы детали могли быть соединены, между электродами должна быть обеспечена соответствующая сила сжатия.
Для усиления сжима деталей тело сварочного аппарата нужно оборудовать рычажными зажимами.
Для домашней работы подойдет прибор с рычагом, который выдерживает 30 кг (для сравнения, для промышленной сварки это минимум 50 кг).
Включатель сварочного аппарата монтируют в цепь первичной обработки, однако, если вы оборудовали его рычагом, то прикрепить включатель лучше всего к нему.
Тогда включение машины будет осуществляться путем давления на рычаг – это включит ток, а другой рукой нужно будет фиксировать свариваемые детали.
Сборка точечной сварки не слишком сложный, но достаточно ответственный процесс – нужно быть внимательным к правильному соединению деталей, чтобы избежать замыкания и выхода устройства из строя.
stoydiz.ru
Точечная сварка своими руками: схема, принцип работы (видео)
21 сентября 2015
Просмотров: 8044
Точечная сварка своими руками может стать очень нужным аппаратом в домашней мастерской. Такое устройство позволяет соединять различные металлические элементы, ремонтировать разные конструкции в домашних условиях. А самое главное, собственноручное изготовление помогает избежать значительных затрат, связанных с приобретением готовых сварочных устройств.

Схема самодельной точечной сварки.
Точечная сварка своими руками — это достаточно сложная конструкция и для ее создания нужны определенные навыки в электрике и слесарном деле, но при всей сложности можно смело приступать к работе, вооружившись знанием принципов монтажа. Домашние умельцы придумали разные схемы и технологии изготовления, которые осуществлены и прошли проверку в реальных условиях. Положительные отзывы о работоспособности аппаратов свидетельствуют о возможности сборки достаточно надежных конструкций.
Основная сущность процесса
Схема создания сварочного аппарата на основе старого трансформатора.
Точечная сварка является разновидностью контактной сварки, т.е. представляет собой соединение металлов путем проникновения их расплавов друг в друга при точечном контакте под нагрузкой.
Принцип осуществления такого процесса основан на том, что соединяемые заготовки плотно совмещаются и с двух сторон прижимаются электродами, на которые подается кратковременный сварочный ток.
За счет собственного электрического сопротивления при прохождении тока большой силы происходит разогрев материалов до температуры их плавления, а расплавы двух заготовок взаимно перемешиваются под нагрузкой, что и обеспечивает прочное соединение.
Для уменьшения зоны разогрева (снижения потребной мощности сварочного импульса) обеспечивается минимальная площадь контакта — применяются электроды точечного типа.
Конструирование аппарата
Точечный сварочный аппарат включает в себя две главные части — источник сварочного импульса и контактный блок. Источник питания должен обеспечить подачу в автоматическом режиме импульса с силой тока порядка 150-250 А в течение 0,02-0,1 с при питании от обычной электросети напряжением 220 В. Желательным условием является возможность регулирования тока для сварки заготовок различной толщины и из разных металлов.
К контактному блоку предъявляются следующие требования: подведение сварочного сигнала с помощью точечного электрода, прижатие свариваемых заготовок, удержание заготовок до полного отвердения расплава после снятия импульса. В основном, используются такие конструктивные решения: зажатие заготовок между двумя точечными электродами; один электрод плоский, а другой точечный; споттер — роль нижнего электрода исполняет сама заготовка.
Необходимый инструмент
Для изготовления аппарата точечной сварки своими руками потребуется следующее оборудование и инструмент:
Принцип работы точечной сварки.
- сварочный аппарат;
- болгарка;
- электродрель;
- ножовка по металлу;
- фрезер;
- паяльник;
- напильник;
- зубило;
- молоток;
- плоскогубцы;
- отвертка;
- нож;
- ножницы по металлу;
- штангенциркуль;
- линейка металлическая;
- ключи гаечные.
Изготовление источника питания
Самодельный аппарат точечной сварки, обычно, собирается на основе источника сварочного импульса, использующего принцип разряда конденсатора. Простая схема такого источника. Сварочный аппарат с таким питанием способен сваривать лист толщиной до 0,5 мм, может применяться для аккумуляторов с целью надежного соединения батарей типа Li-Ion.
Необходимая сила тока в виде кратковременного импульса создается на выходе вторичной обмотки трансформатора Тр3, при этом нужный сигнал обеспечивается разрядом конденсаторов С8-С9 на первичную обмотку. Тиристоры Т1 и Т2 обеспечивают управление конденсаторного разряда. Накопление заряда на обкладках конденсаторов осуществляется при включенной вспомогательной цепи трансформатора Ток. Для выпрямления электрического сигнала применены диоды D6-D7.
Схема изготовления точечной сварки.
Принцип разряда конденсаторов осуществляется следующим образом. В период отключенной главной цепи происходит зарядка конденсаторов С8-С9 через обмотку Ток. При включении главной цепи (пуск сварочного аппарата) конденсаторы разряжаются на обмотку Тр3, при этом параметры разряда регулируются тиристорами Т1-Т2, а продолжительность сигнала обеспечивается системой Ru1-Ru2, R34 и С10. Цикл полностью повторяется при отключении аппарата. Рекомендуемые характеристики деталей приведены, а параметры трансформатора Ток следующие: тип 220/220 В, для обеих обмоток применяется провод ПЭВ-2 диаметром 0,5 мм, число витков — 90.
Для сварки заготовок толщиной до 3-4 мм следует увеличить мощность разряда. Приведена схема более мощного источника тока, который по принципу действия не отличается от предыдущего случая. Продолжительность импульса регулируется реле времени, а в цепь первичной обмотки выходного трансформатора включается бесконтактный пускатель МТТ4К, в связи с повышением мощности.
Намотка силового трансформатора
Выходной трансформатор является основополагающей частью всей конструкции аппарата для сварки, обеспечивающий необходимую силу тока, подаваемую на электрод. Его желательно сделать собственноручно следующим образом. Сердечник подойдет от обыкновенного вышедшего из строя трансформатора — важно, чтобы он обладал стальной пластинчатой конструкцией и имел общее поперечное сечение одного элемента около 65 см².
На первую стойку наматывается первичная обмотка из провода марки ПЭВ или ПЭТВ диаметром 2,9 мм с числом витков — 20. Под обмотку и сверху нее накладывается трансформаторная (кабельная) бумага. Концы обмотки закрепляются на контактной колодке, размещаемой на верхней части сердечника.
На вторую стойку сердечника наматывается выходная (вторичная) обмотка в виде двух витков плоской шины. Такую шину можно собрать из 15-17 медных плоских проводов общим сечением 200 мм² и обматывается для изоляции фторлоновой пленкой или тканевой изоляционной лентой. Рекомендуется сверху и снизу обмотки проложить трансформаторную бумагу, а концы обмотки вывести на контактную колодку.
Если соблюдены все перечисленные условия, то должен получиться выходной трансформатор со следующими параметрами: мощность 3000 В А; первичное напряжение — 220В, вторичное напряжение — 15В, ток — до 220 А.
Сборка блока контактов
Для домашнего устройства точечной сварки, в т.ч. споттера, чаще всего используется конструкция блока для контакта пистолетной формы. Собирается пистолет для электрода в такой последовательности. Подбирается две пластины из гетинакса или текстолита толщиной 8-12 мм, из которых выпиливаются фигуры в виде пистолета длиной 23-25 см. Форма произвольная с учетом удобства эксплуатации. Целесообразно обеспечить такую геометрию: ширина ствола — 42-45 мм, ширина ручки 50-55 мм, длина ручки — 100-110 мм.
http:
В передней части половинок (стволе) делаются симметричные продольные полукруглые проточки радиусом 5-7 мм для установки электрода. Длина проточенного канала составляет 55-60 мм. На расстоянии 30-35 мм от крайнего среза ствола на продольной проточке вытачивается прямоугольный паз для установки гайки, в которую, затем, будет вкручиваться электрод. В курковом участке делается выборка и просверливается отверстие для монтажа и крепления пускового кнопочного выключателя. Для совмещения двух половин пистолета просверливаются отверстия для винтов: в ручке — 4 штуки, в стволе и задней части — по 2 штуки. Чтобы обеспечить подвод кабеля, делаются проточки в ручке и между курком и электродным каналом.
Электрод выполняется из медного прутка диаметром 8-10 мм, а на его хвостовом торце нарезается резьба, соответствующая крепежной гайке. Передний торец стержня затачивается в виде конуса порядка 15-20 мм, причем вершина конуса закругляется. Общая длина электрода выбирается порядка 50-60 мм.
Собирается сварочный пистолет в следующем порядке. На хвостовую часть электрода накручивается гайка, а к его торцу припаивается подводящий провод, который соединен с пусковой кнопкой. В курковую часть укладывается кнопочный выключатель с выводом кнопки в отверстие. Кнопка соединяется с электродом, и подключается подводящий провод. Вся схема укладывается в соответствующие проточки и пазы; половинки пистолета совмещаются и закручиваются.
Похожие статьи
Автор:
Иван Иванов
Поделись статьей:
Оцените статью:
Загрузка…Похожие статьи
masterinstrumenta.ru
как сделать аппарат своими руками из микроволновки, контактный сварочник
Иногда возникают ситуации, когда нужно сварить вместе тонкие листы металла, а обычный инвертор такую работу выполнить не сможет. В таком случае поможет контактный сварочный аппарат. На прилавках магазинов можно найти массу аппаратов для этих целей, это и микросварка, и мини-инвертор, и большой споттер. А может ли что-то подобное сделать обычный домашний мастер своими руками? Главное условие для этого — наличие трансформатора. Можно взять старый или приобрести новый — либо сделать точечную сварку своими руками.
Содержание материала
Самодельная точечная сварка
Точечная сварка из микроволновки своими руками — это самое полезное для домашнего хозяйства, что можно сделать из трансформатора от микроволновки. Самодельная точечная сварка проста в изготовлении и собрать себе такой аппарат сможет практически любой человек.
Для сбора сварочника потребуется:
старый трансформатор из микроволновки, мощностью 1 кВт;- медный провод, диаметром 100 мм2 и более;
- два медных стержня;
- длинный и крепкий рычаг, чтобы прижимать свариваемые детали;
- устойчивое основание для аппарата;
- набор инструментов;
- различные кабели и изоляционные материалы.
Также рекомендуем прочитать:
Применение трансформатора
Основная деталь любого сварочного аппарата — это трансформатор. Применение трансформатора от микроволновки для создания сварочного аппарата обусловлено его доступностью и недорогой ценой. В микроволновке довольно мощный трансформатор, он используется для питания магнетрона.

Трансформатора мощностью 1 кВт будет вполне достаточно для соединения металлических деталей толщиной около 1 мм. Если же нужно провести работу, требующую большей мощности, нужно брать трансформаторы работающие в паре.
В микроволновках для питания магнетрона используется повышающий трансформатор. От него используются только магнитопровод и первичная обмотка. Там, где толстый провод и малое количество витков — это первичная обмотка. Обмотка, сделанная тонким проводом — это вторичная. Ее необходимо срезать ножовкой с обоих концов и выбить. Если же вторичная обмотка засела очень плотно, ее можно аккуратно высверлить дрелью, чтобы не сломать трансформатор. Поэтому все операции нужно выполнять предельно аккуратно и внимательно.
Для монтажа новой обмотки лучше использовать толстый медный провод. Подойдет как многожильный, так и одножильный провод.
Провод нужно брать с изоляцией, чтобы отделить витки друг от друга. Если изоляция отсутствует, необходимо намотать ее используя диэлектрический материал.

Чтобы получить на выходе нужное напряжения, нужно намотать пару-тройку витков новой обмотки. Для точечной сварки этого вполне достаточно.
Также добиться повышения мощности можно, соединив два трансформатора последовательно. Количество витков должно быть одинаковое в каждом трансформаторе. Другими словами, при намотке вторичной обмотки нужно один провод пропустить через два трансформатора. Важно, чтобы направление витков совпадало. Такое решение может понадобиться в случае необходимости сварки более толстых листов металла.
Использование электродов
Следующим важным элементов сварки будут электроды. В идеале лучше использовать медные

стержни толщиной не меньше диаметра провода- либо толще. Для небольших бытовых приборов можно использовать жала мощных паяльников.
. Оптимальным вариантом будет сразу оконечить электродами провод выходящий из трансформатора. Все соединения нужно обязательно пропаять, чтобы медные детали не окислялись. Из-за окисления меди в местах соединений вырастает сопротивление, что ведет к большой потере мощности, и впоследствии аппарат перестанет работать.
Органы управления
Самодельная точечная сварка включает два основных элемента управления:
- кнопка пуска;
- прижимной рычаг.

Основное правило для выбора рычага гласит — чем толще детали нам нужно сварить, тем большее прижимное усилие между ними нужно создавать. Поэтому рычаг нужно выбирать попрочнее, а сам аппарат устанавливать на массивное устойчивое основание.
Схема подключения кнопки очень проста — чтобы не было лишнего сопротивления от кнопки пуска и она не вышла быстро из строя, устанавливать ее следует в цепь первичной обмотки. Не стоит брать совсем мелкий переключатель, так как от нагрузки он может быстро сгореть.
В этом случае удобнее всего будет расположить выключатель на рукоятке прижимного рычага. При такой установке удобнее одной рукой нажимать на рычаг и запускать сварку.
Правила эксплуатации
После того, как самоделка готова, можно приступать к тестированию.
Процесс сварки делится на три этапа:
- совмещение свариваемых деталей;
- закрепление деталей между электродами аппарата;
- пуск тока, в результате воздействия которого происходит сварка деталей.
При долгой работе провода в трансформаторе перегреваются, изоляция на них плавится и может произойти короткое замыкание. Поэтому нужно придумать какое-нибудь охлаждение. Например, мини-вентилятор.
Нажимать на кнопку пуска можно только после плотного сжатия электродов. Если же контакт между свариваемыми поверхностями и электродами будет плохой, возникнет сильное искрение, которое приведет к быстрой порче электродов.
Необходимо точно выдерживать заданный промежуток времени на прохождение токового импульса через электроды. Определить это время можно наблюдая за сварной точкой.
В каждом конкретном случае оно будет разным. С приобретением опыта работы на аппарате качество сварки будет возрастать.
pochini.guru
Технология точечной сварки своими руками: схемы (фото и видео)
Среди всех видов соединения металлов своими руками точечная сварка является наиболее удобной, особенно в бытовом плане.

Точечная сварка — это вид контактной сварки, который применяется в основном для соединения листового материала.
Что касается сварки в общем плане, то она бывает электрической и газовой. Для электрической сварки тепловым источником для нагрева соединяемых деталей используется электрическая энергия.
Виды сварки и особенности
Электросварка бывает двух основных типов: дуговой и контактной. В первом случае между электродом и свариваемым элементом как двумя полюсами электроцепи образуется дуга. За счет высокой температуры происходит плавление металла, в результате которого и происходит неразъемное соединение. При этом электрод непосредственно не касается свариваемых элементов.
Классификация основных видов сварки.
Другой вид электросварки — это контактная сварка. Здесь преобразование электроэнергии в тепловую происходит за счет пропускания через свариваемые элементы, соединенные друг с другом, тока.
Основной вид данного типа соединения, применяемого в домашних условиях, это точечная электросварка. Точечная сварка своими руками включает в себя сначала нагрев металла до состояния пластилина и после сдавливание.
Этот вид сварки осуществляется без использования каких-либо дополнительных присадок или добавок. Для осуществления точечной электросварки используется ток силой от 10 ампер, при этом металл плавится практически сразу, поскольку время пропуска тока варьируется от нескольких десятых долей секунды, до нескольких секунд, при особо крупных элементах.
При данном виде сварки соединяются наложенные друг на друга детали, такие как арматурные стержни, кабель, прокатные листы и др.
Суть точечной сварки состоит в том, что два скрепляемых элемента в месте их соприкосновения зажимаются между электродами сварочного аппарата.
Схема точечной сварки.
Детали соединяются между собой сварочными клещами или специальным пистолетом для сваривания тонких листов. Клещи и пистолет соединены со сварочным прибором гибким соединением, что дает им возможность перемещаться вдоль свариваемой детали во время работы.
При прохождении электрического тока большой силы металл в области сваривания нагревается докрасна, становится мягким и в результате оказываемого давления крепко сваривается между собой. После снятия импульса тока детали некоторое время должны находиться под давлением, для остывания и кристаллизации сварочного ядра. Один из показателей качества точечной сварки — размер сварочного ядра. Он, как правило, должен составлять 2-3 толщины самого тонкого свариваемого листа. С помощью специальной аппаратуры возможно выполнение сварочных операций до 600 точек в минуту.
В промышленности точечная сварка применяется очень широко, начиная с микроэлектроники, где привариваются контакты электронных приборов, до тяжелого машиностроения, где этим методом свариваются стальные листы толщиной до 20 мм.
В быту точечная сварка широко применяется для сборки и ремонта радиоаппаратуры, там, где нужно соединить мелкие детали. Незаменима она и при починке ювелирных изделий, телефонов, компьютеров, бытовой электроники, станков, автомобильных аккумуляторов. Также пригодится она для работы с алюминием и для ремонта кухонной утвари.
Вернуться к оглавлению
Преимущество и недостатки точечной сварки
К преимуществам контактной точечной сварки перед дуговой следует отнести скорость и меньшие затраты электроэнергии, так как за счет применения тока большой силы, время одной сварочной операции сокращается до секунды.
Полученный сварочный шов обладает высокой механической прочностью. Также точечная электросварка незаменима при сваривании мелких деталей, особенно в тех случаях, когда нужно не допустить нагрев остальной части изделия.
Недостатком точечной сварки является отсутствие герметичности сварочного шва.
Вернуться к оглавлению
Устройство для самостоятельной сварки
Принципиальная схема аппарата для точечной сварки.
Для точечной электрической сварки в промышленных масштабах используются громоздкие стационарные сварочные машины, автоматические и полуавтоматические, работающие в условиях конвейера. В данном случае речь пойдет о компактном аппарате для контактной электросварки, которым можно осуществить мелкий ремонт авто или бытовой техники. Такой мини-прибор называется споттер. У него один вывод крепится к самой детали, второй — к электроду. Что касается клещей, то они в данном приборе не предусмотрены. Данный вид сварки часто называют сваркой-сопротивлением. Здесь важно, чтобы источник тока был подключен с минимальными потерями. Это достигается при помощи кабелей с большим сечением. Также нужно стремиться к тому, чтобы источник тока располагался максимально близко к сварочному месту.
Споттер — по определению ручной мини-прибор, поэтому производители стремятся сделать его максимально компактным. Со временем, когда споттеры выросли в отдельный класс сварочных приборов, они приобрели дополнительные функции. Самые дешевые из споттеров те, которые используют однофазный ток, они просты, надежны, однако возможности устройства в данном случае довольно ограничены. Так, они не могут сваривать листы толще 0,8 мм, работать с оцинкованной сталью. К более дорогим споттерам относятся приборы, укомплектованные трансформатором трехфазного тока, они могут использоваться как промышленные сварочные аппараты, и спектр их возможностей достаточно широк. Самые дорогостоящие споттеры — это устройства инверторного типа, вырабатывающие электрический ток частотой до 2 тыс. герц.
Производят споттеры те же компании, что и выпускают аппараты для сварки. Сварочный аппарат для точечной сварки вполне можно собрать и самостоятельно.
Вернуться к оглавлению
Самодельный аппарат для точечной сварки
Для изготовления аппарата точечной сварки потребуется трансформатор.
Сборка устройства для контактной точечной сварки достаточно проста. Его можно собрать из высоковольтного трансформатора (инвертора), который можно извлечь из старой микроволновки или аппарата типа лабораторного автотрансформатора.
Высоковольтный трансформатор в этих приборах является двухобмоточным, где для первичной обмотки используется провод с большим сечением, а вторичной — с меньшим. Необходимо снять обмотки, стараясь их не испортить, и разобрать сердечник с помощью простого слесарного инструмента.
Самое главное — сохранить в целости провод первичной обмотки. После освобождения сердечника на него нужно будет намотать вторичную обмотку. Для этого нужно в два витка намотать медный провод сечением примерно 7 мм. Этот провод можно найти в старом ламповом телевизоре, сварочном трансформаторе или купить. После этого нужно соединить клеем или смолой обе части трансформатора вместе.
В результате этих манипуляций получаем почти готовый прибор для контактной сварки с силой тока 700-800 ампер, что вполне подойдет для сварки железа и нержавеющей стали. Теперь прибору необходимо создать корпус, для безопасной работы. Для этих целей лучше всего подойдет дерево. Не забывайте о том, что верхний рычаг устройства должен свободно двигаться в вертикальном и горизонтальном направлении, поэтому сделайте на корпусе проемы для его движения. Можно сделать подвижными оба рычага. Землю нужно будет установить на один из винтов крепления корпуса.
Заключительный этап сборки прибора — это изготовление электродов, для этого нужно взять два отрезка медной проволоки и закрепить их в держателях.
На задней стенке прибора необходима установка тумблера включения-выключения, здесь же крепим электрический провод к питанию. Теперь один над другим располагаем два рычага для сварки. Рычаги нужно будет закрепить на оси. С торцов на рычагах ставим ранее закрепленные электроды из меди. Контакты их должны соприкасаться точно в одной точке, иначе добиться качественной сварочной работы не получится.
Верхний рычаг должен всегда находиться сверху, там его можно закрепить пружиной или резинкой. Такой самостоятельно собранный аппарат контактной сварки пригодится для ремонта автомобиля или бытовых приборов. Для сварки мелких элементов точечная электросварка хотя и несколько проигрывает лазерной в эффективности, но намного дешевле и доступнее.
Эффективность описанной схемы достигается тогда, когда между электродами размещается металлическая деталь из другого материала. Соединяемые элементы перед сваркой необходимо очистить от ржавчины. Во время проведения сварных работ строго соблюдайте технику безопасности.
expertsvarki.ru
Точечная сварка своими руками – подробная инструкция
Всем давно известно о методиках сваривания. Впрочем, мало кому известно, о существовании различных категорий соединительных процессов с использованием всякого рода носителей энергии, необходимость которых обусловлена огромным спросом. Главенствующий, самый распространенный, вид сварки в бытовых условиях – точечная сварка.
Процесс точечной сварки
В промышленной индустрии процесс сваривания используют, большей части, для листов стали различных производителей, для сплавов цветных металлов, вне зависимости от толщины изделия, либо производственных заготовок (швеллеров, двутавров, уголков) и перемежающихся основ. В комнатных условиях ценным элементом при починке бытовой техники, в том числе, всевозможных эксплуатаций кабеля, алюминия или ремонтирования хозяйственного инвентаря, в основе лежит — точечная сварка.

В правильном положении соединяются подходящие части, внедряются посреди электродов и припирают друг друга. Далее элементы подвергают высоким температурам, что приводит к повышению пластичности и изменчивости форм.
При непосредственном использовании автоматизированного инвентаря в индустриальных целях частоты сваривания могут достигать до 600 единиц в минуту. При высококачественном точечном сваривании в бытовых условиях следует тщательно контролировать скорость движения электродов, выводя, тем самым, необходимую величину давления и контакт соединяемых деталей.
Процесс нагревания деталей происходит путем проникновения тока и возникновением непрерывного импульса, с частотой — 0,01- 0,1 секунд, в зависимости от внешних условий. Далее происходит расплавление металлов, создается полноценное жидкое ядро частей, размерность которого составляет: 4 — 12 миллиметров.
По истечению работы кратковременной подачи импульсов тока, необходимо дать выкованной детали остыть, для того, чтобы произошел процесс кристаллизации.
Режимность точечной сварки
Важно, не забывать, при сваривании стальных изделий, необходимо увеличение времени нагрева аппарата, для торможения процесса охлаждения материала.
При сваривании нержавеющих деталей, наоборот, необходимо уменьшить уровень нагрева, для предотвращения коррозий поверхности металлов.
Для наилучшего взаимодействия электродов, обязательно наблюдение за значениями давления. Это повлечет за собой качественный шов, различных металлов. Давление, в свою очередь, несет ответственность за мельчайшие крупицы металла, которые в дальнейшем, превращаются в прочную первоначальную материю.
Для улучшения процесса кристаллизации расплавленного материала, следует делать перерывы в сварочном процессе.

Предписания к электродам
При электродной обработке металл становится устойчив к высоким температурам, что облегчает дальнейшую работу с материалом.

Для увеличения срока эксплуатации, необходимо соблюдать проверку рабочего аппарата, проводя время от времени охлаждение электродов водой.
Сварочный аппарат своими руками
В бытовых условиях, изготавливая сварочный аппарат, чаще используют портативные версии прибора, ради удобства использования при сваривании цветных и черных металлов.

Опорный план сборки аппарата
Для того, чтобы создать точечную сварку своими руками, необходим электрический импульс. Его можно получить из малого трансформатора, к нижней части обмотки которого присоединяется свариваемая запчасть, а к верхней — непосредственно, электрод.
Для полноценной функциональности аппарата потребуется выпрямительный мост и дополнительный трансформатор. Образуется конденсатор, держащий в себе импульс.
Началом работы служит однократное нажатие специальной кнопки «Импульс», отвечающей за открытие цепи. См. на видео.
У конденсатора имеется свойство потери заряда, для восстановления работы повторите процесс включения прибора более длительным нажатием кнопки «Импульс».
При создании более серьезного прибора, используйте трансформатор с большей мощностью
Основные характеристики прибора
У каждого прибора имеются показатели силы тока. Их отличие значится в регулировке индикатора. Прибор включается вручную, состоит, в основном, из трансформатора, передающего переменный ток. Более качественные приборы производятся серийным путем, например, ОСМ — 1.
Первичная обмотка прибора должна содержать свыше 200 витков. Рекомендации по использованию вторичного провода: ПВ З — 50 или ПЭВ 2/1,9.
Трансформатор производится, как правило, из подручных средств. Например, можно воспользоваться путем точечной сварки своими руками из микроволновой печи. Деталь выходит мало затратной, но с высокой мощностью. Диапазон сваривания подобного прибора, составит — 1 мм.
Конструктивные особенности электродов
Медные стержни различной толщины используют в качестве электродов.
Минимизируйте длину провода, подходящего к трансформатору. Учитывайте тот факт, что при наличии множества соединений, теряется мощность прибора. С двух концов провода закрепите медные колпачки, для наилучшего контакта с электродами.
Во избежание окисления меди, тщательно проверьте все контакты, жилы, при необходимости, спаяйте между собой.
Нижнему, неподвижному, электроду требуется изоляция от закрепляющих болтов, электроизоляционной лентой, либо латунными шайбами.
Электродные держатели разводятся пружинами. Начав работу можно путем включения аппарата в энергосеть. Следует помнить, что прибор предусматривает минимум — 20 А.
Инструменты использования
Включение и выключение прибора должно происходить при сжатых электродах, во избежание искрения электродов. Прибору необходимо вентилирование.
Купить станок точечной сварки сегодня не представляет никакого труда. Однако, не каждого мастера удовлетворят требования магазинных приборов. В таком случае, рекомендуем воспользоваться информацией, представленной выше и сделать точечную сварку своими руками. Желаем успехов!
Также предлагаем посмотреть видео инструкцию по созданию сварочного аппарата самостоятельно:
stroykadoma.org
Точечная сварка своими руками / Сделай сам / Коллективный блог
Содержание:
Что такое сварка, могут рассказать многие, но вот не все знают, что видов данного процесса существует большое количество. И для каждого из них используют свой энергоноситель. В зависимости от условий применяется определенный вид сварки. В быту предпочтение отдается точечному типу. Качество полученного шва при использовании этого вида сварки зависит от опытного глаза мастера, который должен визуально определять время выдержки токового импульса на одной точке.
В этой статье мы подробно поговорим о точечной сварке, ее режимах, требованиях, которые предъявляются к электродам. Кроме того рассмотрим схему сварочного аппарата, который можно собрать самому в домашних условиях.
Описание процедуры
Данный тип сварки используется как в быту, так и на производстве. В промышленных условиях его применяют для того, чтобы сваривать листовые заготовки, которые изготавливают из стали разных марок и цветных сплавов. Ее применяют в тех случаях, когда металлы имеют различную толщину или это профильные заготовки (швеллеры, двутавры, уголки и т.д.) и пересекающиеся стержни.
В бытовых условиях точечную сварку используют для ремонта различной домашней техники, при проведении работ с кабелями, алюминием и т.д.
Сама процедура сварки состоит из совмещения соединяемых деталей, нагрева их до пластичного состояния электродом и непосредственно деформирования (соединения). Чтобы шов получился хорошего качества, специалисты рекомендуют поддерживать скорость перемещения электрода, величину давления и контакт между деталями постоянными.
Если точечная сварка ведется в промышленных условиях, данные требования контролируются автоматически. Частота сварки иногда достигает 600 точек за одну минуту.

Рис. 1 Схема точечной сварки
Нагрев деталей осуществляется за счет того, что через них проходит сварочный ток кратковременным импульсом с длительностью 0,01-0,1 секунда. Это обеспечивает расплавление металла под тем местом, куда воздействует электрод. Там же происходит формирование жидкого ядра диаметром 4-12 миллиметров, в состав которого входят частицы обоих деталей. Когда прекращается воздействие импульса тока, две части удерживают вместе, давая возможность ядру критализироваться и застыть. Вот так выглядит сам процесс.
Он прост и имеет ряд достоинств и недостатков, как и все другие виды сварок. Среди ее преимуществ следует отметить прочность получаемого шва к механическому воздействию, отличная экономичность проведения работ и возможность внедрения автоматизации самого процесса сварки. Однако при этом герметичность полученного шва отличается низким качеством.
Используемые режимы
Выбор режима зависит от того, из какого материала изготовлены свариваемые детали. Если это углеродистая сталь, которая склонная к закалке и образованию трещин, тогда продолжительность нагрева рекомендуется увеличить. Это позволит замедлить охлаждение металла в последствии.
Если детали из нержавеющих аустентичных сталей, то сварку рекомендуется вести с небольшим временем нагрева, чтобы предотварить вероятность перегрева изделий до разрушения антикоррозионных свойств их наружного слоя.

Рис. 2. Основные показатели параметров при точечной сварке
Давление, которое должно быть между электродами, для надежного контакта свариваемых деталей, зависит от толщины и видов материала. Кроме того, необходимо поддерживать постоянное давление и после завершения сварки, чтобы шов при остывании получил мелкозернистую структуру, и его прочность стала идентична прочности основных металлов.
Для предотвращения выплеска расплавленного материала из области сварки, с помощью прижимных устройств формируют уплотняющий поясок. А для хорошей кристаллизации специалисты не рекомендуют сразу же после прекращения действия импульса разжимать электроды.
Требования, предъявляемые к электродам
Теперь мы остановимся на основных требованиях, которые предъявляются к электродам, используемым при проведении точечной сварки своими руками. Это высокая тепло- и электропроводимость, легкость последующей механической обработки и прочность на всем интервале рабочих температур.
Всем этим условиям полностью электроды, изготовленные из бронзы с включениями кадмия или кобальта, электролитической меди холодного проката, сплавов на основе меди с хромом или вольфрамом.

Рис.3 Схема електрода для точечной сварки
Специалисты советуют в процессе сварки производить охлаждение электродов водой для уменьшения их износа. Кроме того, необходимо правильно подойти к выбору самого электрода, ведь от этого будет зависеть качество полученного шва. Для визуального определения диаметра точек используют толщину самой тонкой детали и умножают ее на 2.
Сварочный аппарат своими руками
Если вам необходимо проводить точечную сварку в домашних условиях, то необязательно покупать аппарат в магазине. Его вполне можно собрать самому. Конфигурации таких самодельных моделей бывают различными – от компактных в переноске до достаточно габаритных. Чаще всего изготавливают средние настольные аппараты, которые используют для сваривания деталей из цветных и черных металлов.

Рис.4 Настольный сварочный аппарат
Схема
Чаще всего схемы предложенных сварочных аппаратов представляют собой небольшие приборы с небольшой мощностью, но листы железа толщиной 0,2 миллиметра или металлические провода варить с их помощью можно.
Все аппараты для проведения точечной сварки работают по закону Ленца-Джоуля. Согласно ему, проводник, через который проходит электрический ток, нагревается и выделяет такое количество тепла, которое пропорционально сопротивлению материала проводника, квадрату тока и времени протекания тока. Это необходимо учитывать, выбирая электрические провода для своего аппарата.
Так как сварка происходит благодаря созданию электрического импульса, то вам понадобиться небольшой трансформатор, который подсоединяется к нижней обмотке одной детали, а к вторичной обмотке будет подсоединен электрод.
Никогда не стоит соединять напрямую трансформатор и источник питания. Это делается только с использованием специального выпрямительного моста с тиристором. Кроме того, вам понадобиться еще один дополнительный источник питания, в состав которого входит выпрямительный мост и трансформатор. Для сбора тока и создания импульса используется конденсатор.

Рис.5 Схема точечного сварочного аппарата
В данной цепи тиристор играет роль катода, который замыкает выпрямительный мост первого трансформатора. Он будет находиться в открытом состоянии до тех пор, пока конденсатор полностью не разрядится. Для начала работы и ее окончания нажимается кнопка «импульс».
Если мощность сварки нужна больше, то в схему включается тиристор полупроводниковый, трансформатор сварочный и реле времени, а технические характеристики основных узлов изменяются в сторону более мощных.
Электроды и их конструкция
Для самодельных аппаратов отлично подходят медные жала от паяльников большой мощности. Чтобы они сохраняли свою форму, их рекомендуют время от времени подтачивать, а при сильном износе – менять.
Не стоит использовать длинные провода для соединения электрода и сварочного аппарата. Кроме того, на оба конца кабеля рекомендуется надеть медные наконечники, которые будут соединять электроды и установку точечной сварки, и потом спаять их. Это поможет избежать окисления меди со временем и позволит вашему аппарату дольше работать.

Рис. 6 Форма заточки электродов для разных работ.
Для удобства нижний электрод рекомендуют делать неподвижным. Для его изоляции от крепежных болтов можно использовать шайбы и клейкую ленту.
Как видим, ничего сложного или непонятного в точечной сварке нет. На предложенном внизу видео показано, как правильно вести точечно сварку своими руками:
[ВИДЕО] Точечной сварки своими руками
44kw.com

Нужная сила тока создаётся на выходе вторичной обмотки трансформатора.
Из поломанного трансформатора изымается сердечник. Необходимо выбирать тот, который будет состоять из стальных пластинок с поперечным сечением не менее 60 квадратных сантиметров.
Первым делом берутся 2 пластины из текстолита или гетинакса. Их толщина должна варьироваться в пределах 8−10 миллиметров.
По всей поверхности двух частей пистолета проделываются отверстия для их соединения друг с другом.
старый трансформатор из микроволновки, мощностью 1 кВт;