Универсально заточной станок 3в642 – 3В642, 3Б642 станок заточной универсальный. Паспорт, схемы, описание, характеристики
alexxlab | 25.09.2018 | 0 | Вопросы и ответы
3В642, 3Б642 станок заточной универсальный. Паспорт, схемы, описание, характеристики
Сведения о производителе универсального заточного станка 3В642
Производитель универсального заточного станка 3В642, 3Б642 – Витебский завод заточных станков Визас, основанный в 1897 году.
С 1940 года предприятие специализируется на выпуске заточного оборудования и на сегодняшний день является единственным в СНГ производителем станков для изготовления и заточки любого режущего инструмента. Продукция завода эксплуатируется более чем в шестидесяти странах мира.
Станки, выпускаемые Витебским заводом заточных станков, Визас
Универсально-заточные станки. Общие сведения
Заточные станки служат для заточки инструмента и применяются в инструментальных цехах заводов и в заточных отделениях механических цехов. По способу заточки они разделяются на две группы:
- станки для абразивной заточки и доводки инструмента, работающие шлифовальным кругом;
- станки для безабразивной заточки и доводки.
Первая группа имеет большее распространение. Основной парк заточных станков составляют станки, работающие абразивным инструментом. В промышленности получают все более широкое распространение алмазные круги для чистовой заточки и доводки режущего инструмента, оснащенного твердосплавными пластинками. Применение алмазных кругов вместо обычных шлифовальных значительно повышает производительность. Заточка инструмента алмазными кругами на металлической связке позволяет в ряде случаев исключить операцию доводки инструмента.
Ко второй группе относятся станки для анодно-механической заточки и для электроискровой заточки и доводки инструмента.
По назначению заточные станки делятся на
- универсальные (для заточки различных видов инструмента)
- специальные (для заточки инструмента определенного вида)
Универсально заточные станки используются для заточки многолезвийного инструмента из инструментальной стали и твердых сплавов. Заточные станки позволяют работать с цилиндрическими и коническими инструментами, зенкерами и развертками. Также заточные станки используют для обработки фрез, долбяков и метчиков, резцов, червячных фрез, зуборезных головок и протяжек, с винтовыми и прямыми зубьями и др. по передним и задним поверхностям, расположенным на периферии и торце эльборовыми, алмазными и абразивными шлифовальными кругами.
На заточных станках этого типа можно выполнять также круглое (наружное и внутреннее) и плоское шлифование.
3В642, 3Б642 станок заточной универсальный. Назначение и область применения
Универсальные заточные станки 3В642, 3Б642 предназначены для заточки основных видов режущего инструмента: резцов, фрез, зенкеров и т. д. из инструментальной стали, твердого сплава, металлокерамики абразивными, алмазными и эльборовыми кругами.
Станки универсально заточные 3В642, 3Б642 обладают литой чугунной станиной, это повышает точность обработки и уменьшает колебание, вызванные при обработке детали. Дополнительно на станки можно поставить синусную плиту для закрепления заготовок, приспособление для заточки по радиусу резцов и концевого многолезвийного инструмента, приспособление для наружного круглого шлифования, для внутреннего шлифования, для заточки право- и леворежущих зенкеров и т.д.
Универсально-заточные станки моделей ЗВ642 и ЗБ642 имеют 94% унифицированных деталей и отличаются тем, что на станке мод. ЗБ642 затачивание инструмента может производиться как при ручном, так и при автоматическом его перемещении, а на станке мод. ЗВ642 — только при ручном.
Затачивание и шлифование производятся при ручном перемещении детали со столом.
Техническая характеристика станка:
- наибольший диаметр устанавливаемой детали 250 мм
- наибольшая длина детали, устанавливаемой в центрах, 630 мм
- размеры рабочей поверхности стола (длина и ширина) 900 х 140 мм
- наибольшее вертикальное перемещение шлифовальной головки 250 мм
Станки имеют следующие основные узлы: станину, колонну, суппорт, шлифовальную головку, механизм подъема шлифовальной головки, планетарный редуктор, систему охлаждения.
Станок модели ЗБ642 снабжен, кроме того, гидроагрегатом для автоматической подачи стола, а в его суппорт встроены гидроцилиндр и гидропанель.
Универсально-заточными станками моделей ЗВ642 и ЗБ642 можно пользоваться для заточки инструментов алмазными и обычными шлифовальными кругами с охлаждением и всухую. Для заточки твердосплавного инструмента применяют шлифовальные круги из карбида кремния или алмазные тех же размеров и формы.
Для защиты от разбрызгивания охлаждающей жидкости и отвода ее в бак используют специальное ограждение.
Область использования универсально-заточных станков расширяется прилагаемыми к ним приспособлениями:
- для круглого наружного, внутреннего и плоского шлифования
- для заточки отрезных и прорезных фрез
- фрезерных головок
- червячных фрез
- метчиков
- спиральных сверл
- зенкеров и других инструментов
К станку прилагаются:
- универсальная головка
- передняя и задняя центровые бабки
- делительный и другие механизмы
Приспособления, устанавливаемые на верхней плоскости поворотного стола, закрепляются с помощью болтов с Т-образными головками.
Как видно из перечня приспособлений, на станках можно производить, помимо заточных операций, также наружное, внутреннее и плоское шлифование.
Климатическое исполнение и категория размещения станков, отдельно расположенного оборудования и принадлежностей соответствует ГОСТ 15150-69 для поставки в районы:
с умеренным климатом – УХЛ4;
Класс точности станка – П.
3В642, 3Б642 Габаритные размеры рабочего пространства

Габаритные размеры рабочего пространства станка 3В642
3В642 Общий вид заточного станка

Фото универсального заточного станка 3В642
Расположение составных частей заточного станка 3В642

Расположение составных частей заточного станка 3В642
Спецификация составных частей заточного станка 3В642
- I. Узел 24. Механизм подъема
- II. Узел П. Приспособления
- III. Узел 60. Охлаждение
- IV. Узел 40. Шлифовальная головка
- V. Узел 30. Суппорт
- VI. Узел 91. Оправки
- VII. Узел 31. Планетарный редуктор
- VIII. Узел 10. Станина
- IX. Узел 92. Кожухи
- X. Узел 20. Колонна
- XI. Узел 80. Электрооборудование
- ХII. Узел 21. Редуктор
Узел 90. Принадлежности (на рисунке не указан)
Узел 93. Ограждение (на рисунке не указан). Универсальные приспособления, служащие для расширения круга работ, выполняемых на станке, поставляются со станком и входят в комплект и стоимость станка, а специальные приспособления поставляются по заказу потребителей за особую плату.
Основные узлы станка ЗВ642: станина, стол с суппортной группой и шлифовальная головка со шпинделем, на котором устанавливаются шлифовальные круги. На столе располагаются приспособления. Поперечное и продольное перемещение стола производится соответственно маховиками, а подъем и опускание шлифовальной бабки — маховиком.
3В642 Расположение органов управления заточным станком

Расположение органов управления заточным станком 3В642
3В642 Перечень органов управления заточным станком
- Маховик вертикальной подачи
- Кнопка включения медленной вертикальной подачи
- Крышка окна для доступа к электродвигателю шпинделя
- Кнопка “Стоп” электродвигателя шпинделя
- Рукоятка включения медленной вертикальной подачи
- Кнопка “Пуск” электродвигателя шпинделя
- Маховичок тонкой поперечной подачи
- Винт закрепления стола от поворота
- Винт поворота стола
- Левый упор стола
- Кран охлаждения
- Зажимы кожухов шлифовального круга
- Правый упор стола
- Кнопка включения медленной продольной подачи стола вручную
- Маховичок медленной продольной подачи стола вручную
- Штепсельная розетка для подключения электродвигателя пылесоса
- Крышка ниши бака охлаждения
- Вводный выключатель (автомат)
- Замок крышки электрошкафа
- Кнопка “Общий стоп”
- Маховики поперечной подачи
- Рукоятка закрепления шлифовальной головки от вертикального перемещения
- Рукоятка поворота шлифовальной головки
- Гайка закрепления шлифовальной головки от поворота
- Кнопка фиксации шпинделя от поворота
- Выключатель освещения
- Маховичок продольной подачи стола вручную
- Гайки закрепления стола от поворота
- Рычаг толчковой поперечной подачи
- Сигнальная лампа
- Реверс шпинделя
- Выключатель охлаждения и пылесоса
- Переключатель числа оборотов электродвигателя шпинделя
- Штепсельная розетка для подключения электродвигателей приспособлений
3В642 Кинематическая схема заточного станка

Кинематическая схема заточного станка 3В642
Схема кинематическая заточного станка 3В642. Смотреть в увеличенном масштабе
Главное движение — вращение шпинделя со шлифовальными кругами 1 и 2 — осуществляется от двухскоростного электродвигателя 3 через ременные передачи 4—5 или 6—7 и далее через передачу 8—9 на шпиндель 11.
Периферией цилиндрического круга 2 шлифуют поверхности тел вращения, которые устанавливаются в центрах приспособления на столе станка, а чашечным кругом 1 — плоские поверхности инструмента, например, резьбу метчика по передней плоскости.
Электродвигатель вместе с кронштейном, на котором он установлен, и со шкивом 8 может опускаться с помощью винта 10 вниз, натягивая ремень шлифовальной головки.
Шлифовальная головка с шлифовальными кругами 1 и 2 (рис. 78, а) смонтирована на верхней части вертикальной колонны 11 и может поворачиваться с ней вокруг вертикальной оси (рис. 78, б). Кроме поворота, колонна может перемещаться вверх или вниз с помощью маховиков 12 или 13. От маховика 12 движение на вал I может передаваться непосредственно, если кнопкой 14 включить муфту 45 (быстрое движение) или через планетарный механизм с зубчатыми колесами 15—18 и далее через червячную передачу 19—20 на реечную пару с реечным колесом 21 и рейкой 22, закрепленной на колонне (медленное движение).
Если колонна перемещается с помощью маховика 13, то движение идет через коническую пару 23—24 и далее по той же цепи.
Стол с суппортной группой состоит из трех частей. На верхней поворотной части 25 устанавливается в соответствующих приспособлениях затачиваемый инструмент. Верхняя часть стола поворачивается относительно средней части 26 для заточки конических поверхностей инструмента. Средняя часть стола 26 имеет ручное продольное перемещение на роликовых направляющих нижней части стола 27. Это перемещение производят маховиками 28 или 29 с реечными зубчатыми колесами 30, или рукояткой 31 на корпусе (поводке) планетарной передачи. В последнем случае нажатием кнопки 32 реечное колесо 33, связанное с планетарным механизмом, включают, а колеса 30, связанные с маховиками 28 и 29, отключают от рейки 34, при этом стол получает медленную поперечную подачу от планетарного механизма с колесами 35—38.
Нижнюю часть стола 27 вместе со средней и верхней частями перемещают в поперечном направлении с помощью ходового винта 39 и гайки, закрепленной на станине. Тонкая (замедленная) поперечная подача осуществляется вращением маховиков 40 или 41, которые через передачи 42—43 поворачивают ходовой винт 39.
Храповой механизм 44, который приводится в движение специальной рукояткой, через ту же передачу 42—43 сообщает ходовому винту, а следовательно, и столу периодическое замедленное движение. Тонкая (замедленная) подача стола позволяет осторожно подводить затачиваемый инструмент к шлифовальному кругу.
Приспособления станка значительно расширяют область использования станка. К ним относятся: передняя бабка с делительными дисками, задняя бабка, универсальная заточная головка, универсальные поворотные тиски, приспособление для правки кругов, приспособление для заточки фрез с затылованными зубьями, приспособление для заточки сверл, упор для заточки фрез с винтовыми зубьями и некоторые другие.
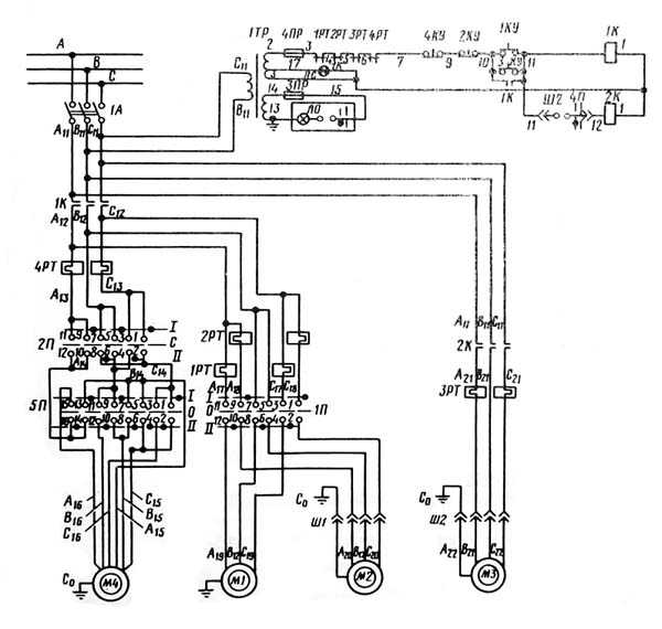
3В642 Схема электрическая принципиальная станка

Электрическая схема заточного станка 3В642
3В642, 3Б642 Установочный чертеж станка

Установочный чертеж станка 3В642
3В642, 3Б642 станок заточной универсальный. Видеоролик.
Технические данные и характеристики станка 3В642, 3Б642
| Наименование параметра | 3В642 | 3Б642 |
|---|---|---|
| Основные параметры | ||
| Класс точности по ГОСТ 8-82 | П | П |
| Наибольшие размеры обрабатываемых изделий в центрах (длина х диаметр), мм | 630 х 250 | 630 х 250 |
| Расстояние между центрами универсальной и задней бабок, мм | 550 | 550 |
| Расстояние между осью шлифовального круга и линией центров в горизонтальной плоскости, мм | 70..300 | 70..300 |
| Расстояние между осью шлифовального круга и линией центров в вертикальной плоскости, мм | 65..185 | 65..185 |
| Рабочий стол станка | ||
| Размеры рабочей поверхности стола по ГОСТ 6569-75 (длина х ширина), мм | 900 х 140 | 900 х 140 |
| Наибольшее продольное/ поперечное ручное перемещение стола, мм | 450/ 230 | 450/ 230 |
| Перемещение продольное/ поперечное стола на одно деление лимба, мм | 0,1/ 0,01 | 0,1/ 0,01 |
| Перемещение поперечное стола на одно деление тонкой подачи, мм | 0,0025 | 0,0025 |
| Угол поворота стола в горизонтальной плоскости, град | 90 | 90 |
| Скорость перемещения стола от гидропривода, м/мин | – | 0,2..8 |
| Бабка шлифовальная | ||
| Наибольшее вертикальное перемещение бабки, мм | 250 | 250 |
| Цена деления лимба подачи вертикального перемещения стола, мм | 0,005 | 0,005 |
| Угол поворота бабки в горизонтальной плоскости, град | 350 | 350 |
| Шлифовальная головка | ||
| Число оборотов заточного круга при ступенчатом регулировании, об/мин | 2240, 3150, 4500, 6300 | 1300..6500 б/с |
| Конец шлифовального шпинделя по ГОСТ 2324-77 исполнение 2 | Морзе 3 | Морзе 3 |
| Наибольший диаметр устанавливаемого шлифовального круга, мм | 200 | 200 |
| Наибольший диаметр устанавливаемого шлифовального круга других типов, мм | 150 | 150 |
| Универсальная головка | ||
| Размер внутренних конусов шпинделей | Морзе 5 | Морзе 5 |
| Угол поворота в горизонтальной и вертикальной областях, град | 360 | 360 |
| Электрооборудование и привод станка | ||
| Количество электродвигателей на станке | 4 | 5 |
| Электродвигатель привода шпинделя шлифовальных кругов, кВт | 1,5/ 1,1 | 2,5 |
| Электродвигатель привода изделия, кВт | 0,25 | 0,25 |
| Электродвигатель гидропривода, кВт | – | |
| Электродвигатель насоса охлаждения, кВт | 0,125 | 0,125 |
| Электродвигатель пылесоса, кВт | 0,125 | 0,125 |
| Общая установленная мощность всех электродвигателей, кВт | 1,795 | |
| род тока питающей сети | 50Гц, 380/220 В | 50Гц, 380/220 В |
| Габариты и масса станка | ||
| Габарит станка, мм | 2050 х 1820 х 1550 | 2050 х 1820 х 1550 |
| Масса станка, кг | 1250 | 1280 |
Связанные ссылки
Каталог-справочник заточных станков
Паспорта и руководства заточных станков
Справочник деревообрабатывающих станков
Справочник КПО
Купить каталог, справочник, базу данных: Прайс-лист информационных изданий
stanki-katalog.ru
Универсально-заточной станок 3В642: характеристики, паспорт
Универсально-заточный станок 3В642, является изделием завода «ВИЗАС», расположенного в городе Витебске.
В сентябре 2017 года прославленное предприятие отпраздновало 120-летие со дня основания. На сегодняшний день ОАО «ВИЗАС» – это ультрасовременное предприятие, которое чтит вековые традиции и гордится своими работниками.
В странах СНГ ОАО «ВИЗАС» является фактически монополистом производства заточного оборудования, это самый современный и высокотехнологичный завод данного профиля.
Внешний вид универсально-заточного станка 3В642Модель, проверенная временем
Завод «Визас» специализируется на производстве заточного оборудования с 1940 года. За это время было выпущено множество моделей различных станков, и среди них особое место занимает универсально-заточный станок 3В642.
Как следует из паспорта универсально-заточного станка 3В642, данный агрегат относится к группе станков, предназначенных для абразивной заточки различного инструмента, а также для его доводки с использованием шлифовальных кругов различных форм и конфигураций.
Универсально-заточный станок 3В642 с неизменными техническими характеристиками производился заводом с восьмидесятых годов прошлого века. Данное оборудование комплектовалось паспортами и поставлялось на механические заводы, в ремонтные и слесарные мастерские, предприятия оборонного комплекса.
Паспорт агрегата содержит исчерпывающие данные о технических характеристиках универсально-заточного станка 3В642.
Скачать паспорт (инструкцию по эксплуатации) универсально-заточного станка 2В642
Мощность электродвигателя главного привода составляет 1,4 кВт. Вкупе с механизмом главного привода, двигатель обеспечивает вращение шпинделя и шлифовального круга диаметром до 200 мм.
Согласно паспорту, число оборотов заточного круга имеет ступенчатую регулировку и, в зависимости от выполняемой задачи, может составлять 2240, 3150, 4500 либо 6300 об/мин.
Вертикальное перемещение бабки производится в пределах 250 мм, а наибольшее продольное перемещение стола составляет 450 мм, при этом поперечное перемещение достигает 230 мм, согласно паспорту.

Электрическая схема станка 2В642
Приведенные технические характеристики станка делают его поистине универсальным агрегатом, по сей день востребованным на производстве и в ремонтных мастерских.
Универсально-заточный станок 3В642 с блеском справляется с такими операциями как заточка зенковок, разверток, сверл, резцов, торцовых и двухсторонних фрез, а также метчиков. Под силу станку и плоское шлифование, как наружных, так и внутренних поверхностей деталей.
При работе на станке могут использоваться различные шлифовальные круги, которые отвечают требованиям. Это могут быть алмазные, карбидные или обычные круги – в зависимости от характеристик и твердости обрабатываемых деталей.
Основные конструктивные элементы
Универсально-заточный станок, ввиду большой массы, устанавливается на бетонное основание, имеет стальной каркас и чугунную станину. Использование агрегата допускается в умеренных климатических зонах, при этом точность обработки деталей соответствует классу «П».

Кинематическая схема станка 3В642
Сверху на станину смонтирован стол, который включает в себя три конструктивных элемента: верхняя деталь стола представляет собой суппорт, который может поворачиваться относительно средней его части. В свою очередь, средняя часть двигается продольно, относительно нижней части. Для перемещения средней части служат маховики, снабженные реечными колесами и планетарным механизмом.
Есть возможность плавного подвода обрабатываемой детали к шлифовальному кругу, для этого служат специальные маховики с храповым механизмом. Как и у большинства других заточных станков, в модели 3В642 применяется шпиндель стандартной конфигурации, который позволяет зажимать шлифовальные диски, производящиеся серийно.
«Изюминкой» стола является наличие в его нижней части гидравлического привода, с помощью которого производится автоматическая подача.
В комплект поставки оборудования входят делительный механизм, центровые бабки (передняя и задняя), универсальная головка, а также паспорт.
Благодаря такому арсеналу приспособлений станок имеет очень широкую область применения.
Если вы нашли ошибку, пожалуйста, выделите фрагмент текста и нажмите Ctrl+Enter.
stankiexpert.ru
Станок универсально заточной 3в642
Станок заточный универсальный 3В642
Универсально-заточный станок 3В642, является изделием завода «ВИЗАС», расположенного в городе Витебске.
В сентябре 2017 года прославленное предприятие отпраздновало 120-летие со дня основания. На сегодняшний день ОАО «ВИЗАС» – это ультрасовременное предприятие, которое чтит вековые традиции и гордится своими работниками.
В странах СНГ ОАО «ВИЗАС» является фактически монополистом производства заточного оборудования, это самый современный и высокотехнологичный завод данного профиля.

Внешний вид универсально-заточного станка 3В642
Модель, проверенная временем
Завод «Визас» специализируется на производстве заточного оборудования с 1940 года. За это время было выпущено множество моделей различных станков, и среди них особое место занимает универсально-заточный станок 3В642.
Как следует из паспорта универсально-заточного станка 3В642, данный агрегат относится к группе станков, предназначенных для абразивной заточки различного инструмента, а также для его доводки с использованием шлифовальных кругов различных форм и конфигураций.
Универсально-заточный станок 3В642 с неизменными техническими характеристиками производился заводом с восьмидесятых годов прошлого века. Данное оборудование комплектовалось паспортами и поставлялось на механические заводы, в ремонтные и слесарные мастерские, предприятия оборонного комплекса.
Паспорт агрегата содержит исчерпывающие данные о технических характеристиках универсально-заточного станка 3В642.
Скачать паспорт (инструкцию по эксплуатации) универсально-заточного станка 2В642
Мощность электродвигателя главного привода составляет 1,4 кВт. Вкупе с механизмом главного привода, двигатель обеспечивает вращение шпинделя и шлифовального круга диаметром до 200 мм.
Согласно паспорту, число оборотов заточного круга имеет ступенчатую регулировку и, в зависимости от выполняемой задачи, может составлять 2240, 3150, 4500 либо 6300 об/мин.
Вертикальное перемещение бабки производится в пределах 250 мм, а наибольшее продольное перемещение стола составляет 450 мм, при этом поперечное перемещение достигает 230 мм, согласно паспорту.

Электрическая схема станка 2В642
Приведенные технические характеристики станка делают его поистине универсальным агрегатом, по сей день востребованным на производстве и в ремонтных мастерских.
Универсально-заточный станок 3В642 с блеском справляется с такими операциями как заточка зенковок, разверток, сверл, резцов, торцовых и двухсторонних фрез, а также метчиков. Под силу станку и плоское шлифование, как наружных, так и внутренних поверхностей деталей.
При работе на станке могут использоваться различные шлифовальные круги, которые отвечают требованиям. Это могут быть алмазные, карбидные или обычные круги – в зависимости от характеристик и твердости обрабатываемых деталей.
Универсально-заточный станок, ввиду большой массы, устанавливается на бетонное основание, имеет стальной каркас и чугунную станину. Использование агрегата допускается в умеренных климатических зонах, при этом точность обработки деталей соответствует классу «П».

Кинематическая схема станка 3В642
Сверху на станину смонтирован стол, который включает в себя три конструктивных элемента: верхняя деталь стола представляет собой суппорт, который может поворачиваться относительно средней его части. В свою очередь, средняя часть двигается продольно, относительно нижней части. Для перемещения средней части служат маховики, снабженные реечными колесами и планетарным механизмом.
Есть возможность плавного подвода обрабатываемой детали к шлифовальному кругу, для этого служат специальные маховики с храповым механизмом. Как и у большинства других заточных станков, в модели 3В642 применяется шпиндель стандартной конфигурации, который позволяет зажимать шлифовальные диски, производящиеся серийно.
«Изюминкой» стола является наличие в его нижней части гидравлического привода, с помощью которого производится автоматическая подача.
В комплект поставки оборудования входят делительный механизм, центровые бабки (передняя и задняя), универсальная головка, а также паспорт.
Благодаря такому арсеналу приспособлений станок имеет очень широкую область применения.
Если вы нашли ошибку, пожалуйста, выделите фрагмент текста и нажмите Ctrl+Enter.
stankiexpert.ru
Заточной станок 3В642
Сообщение об ошибке
Notice: Undefined index: last_name в функции ulogin_tokens() (строка 70 в файле /home/nhlstar/domains/metalcutting.ru/public_html/sites/all/modules/ulogin/ulogin.tokens.inc).Заточные станки служат для заточки инструмента и применяются в инструментальных цехах заводов и в заточных отделениях механических цехов. По способу заточки они разделяются на две группы: станки для абразивной заточки и доводки инструмента, работающие шлифовальным кругом; станки для безабразивной заточки и доводки. Первая группа имеет большее распространение; огромное значение приобрела заточка инструмента алмазными кругами, применение которых значительно повышает производительность и качество заточки. К безабразивной заточке относятся электроискровой и анодно-механический способы (см. гл. XV).
По назначению заточные станки делятся на универсальные – для заточки различных видов инструмента и специальные – для заточки инструмента определенного вида.
Универсальный заточной станок 3В642 предназначен для заточки основных видов режущего инструмента: резцов, фрез, зенкеров и т. д. Станок оснащается различными приспособлениями, позволяющими устанавливать и закреплять затачиваемый инструмент. Кроме того, на станке можно производить наружное, внутреннее и плоское шлифование. Затачивание и шлифование производят при ручном перемещении детали со столом. Техническая характеристика станка: наибольший диаметр устанавливаемой детали 250 мм; наибольшая длина детали, устанавливаемой в центрах, 630 мм; размеры рабочей поверхности стола (длина и ширина) 900 х 140.мм; наибольшее вертикальное перемещение шлифовальной головки 250 мм. На рис. 120 приведена кинематическая схема станка. Глазное движение – вращение шпинделя со шлифовальными кругами 1 и 2 осуществляется от двухскоростного электродвигателя 3 через ременные передачи 4-5 или 6 – 7 и далее через передачу 8 – 9 на шпиндель //. Периферией цилиндрического круга 2 шлифуют поверхности тел вращения, которые устанавливают в центрах приспособления на столе станка, а чашечным кругом 1 – плоские поверхности инструмента, например резьбу метчика по передней плоскости. Электродвигатель вместе с кронштейном, на котором он установлен, и со шкивом 8 может опускаться с помощью винта 10 вниз, натягивая ремень шлифовальной головки.

Рис. 120 Кинематическая схема станка мод. 3В642
Шлифовальная головка
Шлифовальная головка со шлифовальными кругами смонтирована на верхней части вертикальной колонны 11 и может поворачиваться с ней вокруг вертикальной оси. Кроме поворота, колонна может перемешаться вверх или вниз с помощью маховиков 12 или 13 (рис. 121). От маховика 12 движение на вал / может передаваться непосредственно, если кнопкой 14 включить муфту 45 (быстрое движение), или через планетарный механизм с зубчатыми колесами 15 – 16 и 17 -18 и далее через червячную передачу 19-20 на реечную пару с реечным колесом 21 и рейкой 22, закрепленной па колонне (медленное движение). Если колонна перемешается с помощью маховика 13, то движение идет через коническую пару 23 – 24 и далее по той же цепи.
Стол
Стол с суппортной группой состоит из трех частей. На верхней поворотной части 25 (см. рис. 120) устанавливают в соответствующих приспособлениях затачиваемый инструмент. Верхняя часть стола поворачивается относительно средней части 26 для заточки конических поверхностей инструмента. Средняя часть стола имеет ручное продольное перемещение на роликовых направляющих нижней части 27. Это перемещение производят маховиками 28 или 29 (рис. 121) с реечными зубчатыми колесами 30, или рукояткой 31 на корпусе (поводке) планетарной передачи. В последнем случае нажатием кнопки 32 реечное колесо 33, связанное с планетарным механизмом, включают, а колеса 30, связанные с маховиками 28 и 29, отключают от рейки 34; при этом стол получает медленную поперечную подачу от планетарного механизма с колесами 35-38.
Нижнюю часть стола вместе со средней и верхней частями перемещают в поперечном направлении с помощью ходового винта 39 и гайки, закрепленной на станине. Тонкая (замедленная) поперечная подача осуществляется вращением маховиков 40 или 41, которые через передачи 42 – 43 поворачивают ходовой винт 39.
Храповой механизм 44 приводится в движение специальной рукояткой и через ту же передачу 42 – 43 сообщает ходовому винту, а следовательно, и столу периодическое замедленное движение. Тонкая (замедленная) подача стола позволяет осторожно подводить затачиваемый инструмент к шлифовальному кругу.

Рис. 121 Кинематическая схема шлифовальной головки
Приспособления станка значительно расширяют область его использования. К таким приспособлениям относятся передняя бабка с делительными дисками, задняя бабка, универсальная заточная головка, универсальные поворотные тиски, приспособление для правки кругов, приспособление для заточки фрез с затылованными зубьями, приспособление для заточки сверл, упор для заточки фрез с винтовыми зубьями и некоторые другие.
www.metalcutting.ru
Универсальные заточные станки фрезерного инструмента
Универсальный упор (рис. 58, в) предназначен для фиксирования правильного положения фрезы при заточке без делительной головки. При заточке прямозубого инструмента упор устанавливают на столе, а при заточке спиральных зубьев — на шлифовальной головке.
Рис. 58. Приспособление к заточному станку типа ЗА64Д:а — универсальная головка; б — тиски; в — упор
Для выполнения различных работ с упором применяют сменные стальные пластинки различных размеров. Упор делают из топкой, но упругой полоски стали толщиной 1—1,5 мм. Он легко соскакивает (пружинит) при повороте фрезы и вместе с тем устойчиво удерживает ее во время заточки. При заточке необходимо, чтобы упор всегда прилегал к затачиваемому зубу, ближе к месту заточки.
Рис. 59. Универсально-заточный станок ЗБ642:1 — рукоятка включения медленной вертикальной подачи; 2 — маховик вертикальной подачи; 3 — распределительная колодка; 4 — кран управления; 5 — кнопка тонкой поперечной подачи; 6 — рукоятка закрепления стола; 7 — винт поворота стола; 8 — рычаг толчковой подачи; 9 — гидравлический стол; 10 — кнопка включения гидравлического перемещения стола; 11 — кнопка включения тонкой поперечной подачи; 12 — кнопка включения медленной вертикальной подачи
Универсально заточные станки модели ЗБС42 и ЗВ642. Станок ЗБ642 (рис. 59) по своей общей компоновке подобен заточному станку ЗА64Д (имеет крестовый стол и перемещающуюся вертикально по колонке двустороннюю шлифовальную головку). Однако станок ЗБ642 имеет существенные преимущества, а именно: а) его конструкция более жесткая и гарантирует сохранение необходимой точности более длительное время. Значительно отичается по точности и жесткости шлифовальная головка станка; б) введено реверсирование шлифовального круга, что позволяет более эффективно использовать оба конца шпинделя; в) увеличена жесткость и точность установки оправок шлифовальных кругов в результате посадки их в шпиндель на внутренний конус; г) суппорт станка поставлен на подшипники качения, в результате чего увеличилась чувствительность поперечной подачи, установлены механизмы тонкой и толчковой поперечных подач; д) перемещение стола гидравлическое — со скоростью 0,2—8 м/мин, регулирование чисел оборотов шлифовального круга — бесступенчатое с помощью привода постоянного тока; е) в комплекте станка есть гидрофицированные приспособления, позволяющие автоматизировать заточку ряда инструментов.
Станок ЗВ642 по конструкции — упрощенная модификация станка ЗБ642. Он отличается от станка ЗБ642 отсутствием гидропривода.
Приспособления и принадлежности для заточки дереворежущего инструмента приведены в табл. 15.
| Шифр приспо- собления | Приспособления и принадлежности | Наименование параметров | Модели станков | |
| 3Б642 | 3В642 | |||
| П1 П2 П3 П5 П8 П16 П26 П40 | Универсальная бабка Передняя бабка Универсальная упорка Приспособление для линейной правки круга Универсальная бабка малая Тиски трехповоротные Делительный механизм к универсальной головке Цанговый зажим Оправки для установки шлифовальных кругов | Конус в шпинделе системы Морзе Конус в пиноли системы Морзе— Диаметр отверстия для алмазов, мм Конус в шпинделе системы Морзе Размер губок, мм Число делении цанги в миллиметрах Диаметры цанги, мм Диаметр отверстия круга, мм | №3/№5 №2 Есть 10 № 5 55 6, 8, 12 3; 6; 12; 20 32; 20; 13 | № 3/№ 5 № 2 Есть 10 № 5 55 6, 8, 12 3; 6; 12; 20 32; 20; 13 |
| 3Б642 | 3В642 | |
| Наибольшие размеры устанавливаемой детали, мм: диаметр длина (в центрах бабок) Размер рабочей поверхности стола, мм: ширина длина Продольный ход стола, мм Поперечное перемещение стола или шлифовальной головки на одно деление лимба, мм Поперечный ход стола, мм Вертикальное перемещение шлифовальной головки, мм Наибольший угол поворота стола, град Угол поворота шлифовальной головки в горизонтальной плоскости, град Число оборотов шлифовального шпинделя в минуту Скорость перемещения стола от гидропривода, м/мин Мощность электродвигателя привода шлифовальной головки, кВт Габаритные размеры, мм: длина ширина высота Масса (с комплектом приспособлений), кг | 250 630 140 900 450 0,0025 230 250 90 350 1300 *; 6500 * 0,3—8 2,5** 2330 1680 1550 1280 | 250 630 140 900 450 0,0025 230 250 90 350 2240; 6300 10/1,4 2330 1680 1550 1200 |
** При наибольших оборотах электродвигателя постоянного тока.
www.stroitelstvo-new.ru
Паспорт на Станок универсально-заточной 3В642 | ПАСПОРТИЗАЦИЯ

Назначение технического устройства.
Универсальный-заточной станок модели 3В642 предназначен для затачивания основных видов режущего инструмента с применением в необходимых случаях специальных приспособлений.
При помощи специальных приспособлений на станке можно производить круглое (наружное и внутреннее) и плоское шлифование.
Затачивание и шлифование производится при ручном перемещении инструмента со столом.
Технические характеристики.
Наибольший диаметр устанавливаемого изделия, мм – 250
Наибольшая длина изделия, устанавливаемого в бабках, мм – 630
Высота центров, мм – 125
Расстояние между центрами универсальной и задней бабок, мм – 550
Расстояние между осью шлифовальных кругов и линией центров, мм:
— в горизонтальной плоскости – 70-800
— в вертикальной плоскости – 65-165
Габариты, мм – 2050х1820х1550
Вес станка с комплектом приспособлений, кг – 1285
Руководство по эксплуатации, паспорт на Станок универсально-заточной 3В642 скачать бесплатно в формате pdf (61 страница):
tu-passport.ru
i-perf.ru
Заточной станок 3В642 | Универсально-заточные станки
Заточные станки служат для заточки инструмента и применяются в инструментальных цехах заводов и в заточных отделениях механических цехов. По способу заточки они разделяются на две группы: станки для абразивной заточки и доводки инструмента, работающие шлифовальным кругом; станки для безабразивной заточки и доводки. Первая группа имеет большее распространение; огромное значение приобрела заточка инструмента алмазными кругами, применение которых значительно повышает производительность и качество заточки. К безабразивной заточке относятся электроискровой и анодно-механический способы (см. гл. XV).
По назначению заточные станки делятся на универсальные – для заточки различных видов инструмента и специальные – для заточки инструмента определенного вида.
Заточной станок 3В642
Универсальный заточной станок 3В642 предназначен для заточки основных видов режущего инструмента: резцов, фрез, зенкеров и т. д. Станок оснащается различными приспособлениями, позволяющими устанавливать и закреплять затачиваемый инструмент. Кроме того, на станке можно производить наружное, внутреннее и плоское шлифование. Затачивание и шлифование производят при ручном перемещении детали со столом. Техническая характеристика станка: наибольший диаметр устанавливаемой детали 250 мм; наибольшая длина детали, устанавливаемой в центрах, 630 мм; размеры рабочей поверхности стола (длина и ширина) 900 х 140.мм; наибольшее вертикальное перемещение шлифовальной головки 250 мм. На рис. 120 приведена кинематическая схема станка. Глазное движение – вращение шпинделя со шлифовальными кругами 1 и 2 осуществляется от двухскоростного электродвигателя 3 через ременные передачи 4-5 или 6 – 7 и далее через передачу 8 – 9 на шпиндель //. Периферией цилиндрического круга 2 шлифуют поверхности тел вращения, которые устанавливают в центрах приспособления на столе станка, а чашечным кругом 1 – плоские поверхности инструмента, например резьбу метчика по передней плоскости. Электродвигатель вместе с кронштейном, на котором он установлен, и со шкивом 8 может опускаться с помощью винта 10 вниз, натягивая ремень шлифовальной головки.

Рис. 120 Кинематическая схема станка мод. 3В642
Шлифовальная головка
Шлифовальная головка со шлифовальными кругами смонтирована на верхней части вертикальной колонны 11 и может поворачиваться с ней вокруг вертикальной оси. Кроме поворота, колонна может перемешаться вверх или вниз с помощью маховиков 12 или 13 (рис. 121). От маховика 12 движение на вал / может передаваться непосредственно, если кнопкой 14 включить муфту 45 (быстрое движение), или через планетарный механизм с зубчатыми колесами 15 – 16 и 17 -18 и далее через червячную передачу 19-20 на реечную пару с реечным колесом 21 и рейкой 22, закрепленной па колонне (медленное движение). Если колонна перемешается с помощью маховика 13, то движение идет через коническую пару 23 – 24 и далее по той же цепи.
Стол
Стол с суппортной группой состоит из трех частей. На верхней поворотной части 25 (см. рис. 120) устанавливают в соответствующих приспособлениях затачиваемый инструмент. Верхняя часть стола поворачивается относительно средней части 26 для заточки конических поверхностей инструмента. Средняя часть стола имеет ручное продольное перемещение на роликовых направляющих нижней части 27. Это перемещение производят маховиками 28 или 29 (рис. 121) с реечными зубчатыми колесами 30, или рукояткой 31 на корпусе (поводке) планетарной передачи. В последнем случае нажатием кнопки 32 реечное колесо 33, связанное с планетарным механизмом, включают, а колеса 30, связанные с маховиками 28 и 29, отключают от рейки 34; при этом стол получает медленную поперечную подачу от планетарного механизма с колесами 35-38.
Нижнюю часть стола вместе со средней и верхней частями перемещают в поперечном направлении с помощью ходового винта 39 и гайки, закрепленной на станине. Тонкая (замедленная) поперечная подача осуществляется вращением маховиков 40 или 41, которые через передачи 42 – 43 поворачивают ходовой винт 39.
Храповой механизм 44 приводится в движение специальной рукояткой и через ту же передачу 42 – 43 сообщает ходовому винту, а следовательно, и столу периодическое замедленное движение. Тонкая (замедленная) подача стола позволяет осторожно подводить затачиваемый инструмент к шлифовальному кругу.

Рис. 121 Кинематическая схема шлифовальной головки
Приспособления станка значительно расширяют область его использования. К таким приспособлениям относятся передняя бабка с делительными дисками, задняя бабка, универсальная заточная головка, универсальные поворотные тиски, приспособление для правки кругов, приспособление для заточки фрез с затылованными зубьями, приспособление для заточки сверл, упор для заточки фрез с винтовыми зубьями и некоторые другие.
Похожие материалы
www.metalcutting.ru
3В642 / 3Б642 станок универсально-заточной
| Наименование параметра | 3В642 | 3Б642 |
|---|---|---|
| Основные параметры | ||
| Класс точности по ГОСТ 8-82 | П | П |
| Наибольшие размеры обрабатываемых изделий в центрах (длина х диаметр), мм | 630 х 250 | 630 х 250 |
| Расстояние между центрами универсальной и задней бабок, мм | 550 | 550 |
| Расстояние между осью шлифовального круга и линией центров в горизонтальной плоскости, мм | 70..300 | 70..300 |
| Расстояние между осью шлифовального круга и линией центров в вертикальной плоскости, мм | 65..185 | 65..185 |
| Рабочий стол станка | ||
| Размеры рабочей поверхности стола по ГОСТ 6569-75 (длина х ширина), мм | 900 х 140 | 900 х 140 |
| Наибольшее продольное/ поперечное ручное перемещение стола, мм | 450/ 230 | 450/ 230 |
| Перемещение продольное/ поперечное стола на одно деление лимба, мм | 0,1/ 0,01 | 0,1/ 0,01 |
| Перемещение поперечное стола на одно деление тонкой подачи, мм | 0,0025 | 0,0025 |
| Угол поворота стола в горизонтальной плоскости, град | 90 | 90 |
| Скорость перемещения стола от гидропривода, м/мин | — | 0,2..8 |
| Бабка шлифовальная | ||
| Наибольшее вертикальное перемещение бабки, мм | 250 | 250 |
| Цена деления лимба подачи вертикального перемещения стола, мм | 0,005 | 0,005 |
| Угол поворота бабки в горизонтальной плоскости, град | 350 | 350 |
| Шлифовальная головка | ||
| Число оборотов заточного круга при ступенчатом регулировании, об/мин | 2240, 3150, 4500, 6300 | 1300..6500 б/с |
| Конец шлифовального шпинделя по ГОСТ 2324-77 исполнение 2 | Морзе 3 | Морзе 3 |
| Наибольший диаметр устанавливаемого шлифовального круга, мм | 200 | 200 |
| Наибольший диаметр устанавливаемого шлифовального круга других типов, мм | 150 | 150 |
| Универсальная головка | ||
| Размер внутренних конусов шпинделей | Морзе 5 | Морзе 5 |
| Угол поворота в горизонтальной и вертикальной областях, град | 360 | 360 |
| Электрооборудование и привод станка | ||
| Количество электродвигателей на станке | 4 | 5 |
| Электродвигатель привода шпинделя шлифовальных кругов, кВт | 1,5/ 1,1 | 2,5 |
| Электродвигатель привода изделия, кВт | 0,25 | 0,25 |
| Электродвигатель гидропривода, кВт | — | |
| Электродвигатель насоса охлаждения, кВт | 0,125 | 0,125 |
| Электродвигатель пылесоса, кВт | 0,125 | 0,125 |
| Общая установленная мощность всех электродвигателей, кВт | 1,795 | |
| род тока питающей сети | 50Гц, 380/220 В | 50Гц, 380/220 В |
| Габариты и масса станка | ||
| Габарит станка, мм | 2050 х 1820 х 1550 | 2050 х 1820 х 1550 |
| Масса станка, кг | 1250 | 1280 |
Универсальные заточные станки 3В642, 3Б642 предназначены для заточки основных видов режущего инструмента: резцов, фрез, зенкеров и т. д. из инструментальной стали, твердого сплава, металлокерамики абразивными, алмазными и эльборовыми кругами.
Станки универсально заточные 3В642, 3Б642 обладают литой чугунной станиной, это повышает точность обработки и уменьшает колебание, вызванные при обработке детали. Дополнительно на станки можно поставить синусную плиту для закрепления заготовок, приспособление для заточки по радиусу резцов и концевого многолезвийного инструмента, приспособление для наружного круглого шлифования, для внутреннего шлифования, для заточки право- и леворежущих зенкеров и т.д.
Универсально-заточные станки моделей ЗВ642 и ЗБ642 имеют 94% унифицированных деталей и отличаются тем, что на станке мод. ЗБ642 затачивание инструмента может производиться как при ручном, так и при автоматическом его перемещении, а на станке мод. ЗВ642 — только при ручном.
Затачивание и шлифование производятся при ручном перемещении детали со столом.
Техническая характеристика станка:
- наибольший диаметр устанавливаемой детали 250 мм
- наибольшая длина детали, устанавливаемой в центрах, 630 мм
- размеры рабочей поверхности стола (длина и ширина) 900 х 140 мм
- наибольшее вертикальное перемещение шлифовальной головки 250 мм
Станки имеют следующие основные узлы: станину, колонну, суппорт, шлифовальную головку, механизм подъема шлифовальной головки, планетарный редуктор, систему охлаждения.
Станок модели ЗБ642 снабжен, кроме того, гидроагрегатом для автоматической подачи стола, а в его суппорт встроены гидроцилиндр и гидропанель.
Универсально-заточными станками моделей ЗВ642 и ЗБ642 можно пользоваться для заточки инструментов алмазными и обычными шлифовальными кругами с охлаждением и всухую. Для заточки твердосплавного инструмента применяют шлифовальные круги из карбида кремния или алмазные тех же размеров и формы.
Для защиты от разбрызгивания охлаждающей жидкости и отвода ее в бак используют специальное ограждение.
Область использования универсально-заточных станков расширяется прилагаемыми к ним приспособлениями:
- для круглого наружного, внутреннего и плоского шлифования
- для заточки отрезных и прорезных фрез
- фрезерных головок
- червячных фрез
- метчиков
- спиральных сверл
- зенкеров и других инструментов
К станку прилагаются:
- универсальная головка
- передняя и задняя центровые бабки
- делительный и другие механизмы
Приспособления, устанавливаемые на верхней плоскости поворотного стола, закрепляются с помощью болтов с Т-образными головками.
Как видно из перечня приспособлений, на станках можно производить, помимо заточных операций, также наружное, внутреннее и плоское шлифование.
Климатическое исполнение и категория размещения станков, отдельно расположенного оборудования и принадлежностей соответствует ГОСТ 15150-69 для поставки в районы:
с умеренным климатом — УХЛ4;
Класс точности станка – П.
arpark.ru
Универсальные заточные станки фрезерного инструмента
Универсальный упор (рис. 58, в) предназначен для фиксирования правильного положения фрезы при заточке без делительной головки. При заточке прямозубого инструмента упор устанавливают на столе, а при заточке спиральных зубьев — на шлифовальной головке.
Рис. 58. Приспособление к заточному станку типа ЗА64Д:
а — универсальная головка; б — тиски; в — упор
Для выполнения различных работ с упором применяют сменные стальные пластинки различных размеров. Упор делают из топкой, но упругой полоски стали толщиной 1—1,5 мм. Он легко соскакивает (пружинит) при повороте фрезы и вместе с тем устойчиво удерживает ее во время заточки. При заточке необходимо, чтобы упор всегда прилегал к затачиваемому зубу, ближе к месту заточки.
Рис. 59. Универсально-заточный станок ЗБ642:
1 — рукоятка включения медленной вертикальной подачи; 2 — маховик вертикальной подачи; 3 — распределительная колодка; 4 — кран управления; 5 — кнопка тонкой поперечной подачи; 6 — рукоятка закрепления стола; 7 — винт поворота стола; 8 — рычаг толчковой подачи; 9 — гидравлический стол; 10 — кнопка включения гидравлического перемещения стола; 11 — кнопка включения тонкой поперечной подачи; 12 — кнопка включения медленной вертикальной подачи
Универсально заточные станки модели ЗБС42 и ЗВ642. Станок ЗБ642 (рис. 59) по своей общей компоновке подобен заточному станку ЗА64Д (имеет крестовый стол и перемещающуюся вертикально по колонке двустороннюю шлифовальную головку). Однако станок ЗБ642 имеет существенные преимущества, а именно: а) его конструкция более жесткая и гарантирует сохранение необходимой точности более длительное время. Значительно отичается по точности и жесткости шлифовальная головка станка; б) введено реверсирование шлифовального круга, что позволяет более эффективно использовать оба конца шпинделя; в) увеличена жесткость и точность установки оправок шлифовальных кругов в результате посадки их в шпиндель на внутренний конус; г) суппорт станка поставлен на подшипники качения, в результате чего увеличилась чувствительность поперечной подачи, установлены механизмы тонкой и толчковой поперечных подач; д) перемещение стола гидравлическое — со скоростью 0,2—8 м/мин, регулирование чисел оборотов шлифовального круга — бесступенчатое с помощью привода постоянного тока; е) в комплекте станка есть гидрофицированные приспособления, позволяющие автоматизировать заточку ряда инструментов.
Станок ЗВ642 по конструкции — упрощенная модификация станка ЗБ642. Он отличается от станка ЗБ642 отсутствием гидропривода.
Приспособления и принадлежности для заточки дереворежущего инструмента приведены в табл. 15.
| Шифр приспо- собления |
Приспособления и принадлежности | Наименование параметров | Модели станков | |
| 3Б642 | 3В642 | |||
| П1 П2 П3 П5 П8 П16 П40 |
Универсальная бабка Передняя бабка Универсальная упорка Приспособление для линейной правки круга Универсальная бабка малая Тиски трехповоротные Делительный механизм к универсальной головке Цанговый зажим Оправки для установки шлифовальных кругов |
Конус в шпинделе системы Морзе Конус в пиноли системы Морзе — Диаметр отверстия для алмазов, мм Диаметр отверстия круга, мм |
№3/№5 №2 Есть 10 № 5 6, 8, 12 32; 20; 13 |
№ 3/№ 5 № 2 Есть 10 № 5 6, 8, 12 32; 20; 13 |
| 3Б642 | 3В642 | |
| Наибольшие размеры устанавливаемой детали, мм: диаметр длина (в центрах бабок) Размер рабочей поверхности стола, мм: ширина длина Продольный ход стола, мм Поперечное перемещение стола или шлифовальной головки на одно деление лимба, мм Поперечный ход стола, мм Вертикальное перемещение шлифовальной головки, мм Наибольший угол поворота стола, град Угол поворота шлифовальной головки в горизонтальной плоскости, град Число оборотов шлифовального шпинделя в минуту |
250 630 140 0,0025 2330 |
250 630 140 0,0025 10/1,4 2330 |
** При наибольших оборотах электродвигателя постоянного тока.
www.stroitelstvo-new.ru
3В642
Универсально-заточной станок модели 3В641 предназначен для затачивания основных видов режущего инструмента из инструментальной стали или твердого сплава. Заточка инструмента может производиться алмазными или абразивными кругами. Станок приспособлен для круглого (наружного и внутреннего) и плоского шлифования. Затачивание и шлифование инструмента производится при помощи ряда приспособлений, входящих в комплект станка или поставляемых по особому заказу.
Технические характеристики | ||
| 3В641 | ||
| Наибольший диаметр устанвливаемого изделия, мм | 160 | |
| Наибольшая длина изделия, устанавливаемого в бабках, мм | 400 | |
| Высота центров, мм | 80 | |
| Расстояние между центрами универсальной бабки и задней бабки, мм | 400 | |
| Размеры рабочей поверхности стола, мм (длина/ширина) | 100/630 | |
| Угол поворота стола в горизонтальной плоскости, град. | 90 | |
| Наибольший диаметр шлиф.круга по ГОСТ 2424-67, мм : | ||
| прямого профиля | 150 | |
| фасонного | 125 | |
| Угол поворота шлифовальной головки в горизонтальной плоскости, град. | 350 | |
| Угол поворота универсальной бабки в горизонтальной и вертик. плоскости, град | 360 | |
| Габариты станка, мм (длина/ширина/высота) | 1530/ 1345/ 1410 | |
| Вес станка, кг | 790 | |
rts1.ru
